koempf24_ch Logo
Unsere Seite verwendet Cookies und ähnliche Technologien, um die Benutzererfahrung auf unserer Website zu verbessern, Inhalte und Anzeigen zu personalisieren und die Nutzung unserer Website zu analysieren. Mit Ihrer Einwilligung stimmen Sie der Verwendung von Cookies sowie der Verarbeitung Ihrer persönlichen Daten zu, um Ihnen ein bestmögliches Surferlebnis und mehr Funktionen zu bieten.

Sie können Ihre Einwilligung jederzeit in den Cookie-Einstellungen anpassen oder widerrufen.
Experten-Beratung Lassen Sie sich von unseren Experten über das Kontaktformular beraten.
Artikelnummer: 4352945
Hier können Sie unsere qualifizierten Fachberater zur Planung Ihrer Bestellung kontaktieren.
Zum Kontaktformular
Hier erhalten Sie allgemeine Informationen zum Bestellprozess, der Lieferung, der Zahlung und mehr.
Zum FAQ
Hier können Sie Feedback zu dieser Seite abgeben oder unerwartete Inhalte und Auffälligkeiten melden.

Husqvarna Gartentraktoren LTH145, 954140006D, 1998-07

Husqvarna Gartentraktoren LTH145, 954140006D, 1998-07

Nicht lieferbar
Dieser Artikel ist leider nicht mehr zu bestellen. Wir empfehlen Ihnen eine alternative Artikelwahl aus dieser Kategorie. Wir wünschen Ihnen viel Spaß beim Stöbern.
Andere Produkte der Kategorie Husqvarna Ersatzteilzeichnungen
Artikel-Nr.: 4352945
  • Deutschlands bester Händler
  • Trusted Shops Käuferschutz
  • Rechnungskauf
  • Montageservice
  • Verlängerte Rückgabefrist

Husqvarna Logo

Husqvarna

Der schwedische Hersteller Husqvarna bietet Ihnen Motorgeräte für die Forst-, Garten- sowie Landschaftspflege. Bereits 1689 begann die Unternehmensgeschichte, damals noch mit der Herstellung von Musketen. Somit profitiert das Unternehmen von mehr als 325 Jahre langer Erfahrung – und somit auch seine Kunden.

Die Zufriedenheit der Kunden ist dem international bekannten Unternehmen besonders wichtig. Daher arbeitet Husqvarna eng mit dem Anwender zusammen, auch nach dem Kauf steht das Unternehmen seinen Käufern mit Rat und Tat zur Seite. Sie können sich bei den Husqvarna Produkten daher auf eine kompromisslose Qualität, Benutzerfreundlichkeit sowie Spitzenleistung verlassen.
 

Garantie

Als unser Kunde genießen Sie auch nach dem Kauf Ihres Husqvarna-Produkts zahlreiche Vorteile! Im Garantiefall sind wir Ihr erster Ansprechpartner und werden Ihnen gerne weiterhelfen. Wir verfügen über eine eigene Hersteller-Werkstatt, sind qualifiziert und berechtigt, im Garantiefall alle nötigen Reparaturen an Ihrem Husqvarna-Gerät durchzuführen.

Das bedeutet für Sie: Sie können sich jederzeit an uns wenden, als Ihr Händler bei dem Sie die Ware gekauft haben sind wir stets die erste Adresse. Selbstverständlich steht es Ihnen jedoch frei, sich an jeden anderen autorisierten Husqvarna-Händler zu wenden.

Gegen Vorlegen Ihres Kaufbeleges (inklusive ausgefüllter Garantiekarte) aus unserem Shop können Sie wohnortnah - in ganz Europa, in der Schweiz und in Großbritannien - Ihr registriertes Produkt zur Garantieüberprüfung vorlegen. Der lokale Husqvarna Servicehändler wird im Garantiefall defekte Teile ausschließlich durch original Husqvarna-Ersatzteile und Zubehör ersetzen. 

 

Husqvarna Händler mit Onlineshop 

Ausschließlich autorisierte, qualifizierte Händler dürfen Husqvarna Produkte verkaufen. So erhalten Sie als Kunde fachgerechte Auskunft zu Ihren Fragen. Wir sind ein autorisierter Husqvarna Fachhändler mit eigener Werkstatt. Vor jeder Auslieferung werden die Geräte entsprechend der Herstellervorgaben geprüft.

 

Stationärer Handel:
Kömpf Baumarkt GmbH
Leibnizstr. 2
75365 Calw

 

Husqvarna Geräte

Husqvarna AB
Regeringsgatan 28
11153 Stockholm
Schweden
verkauf@husqvarna.de
Verantwortliche Person:
Husqvarna Deutschland GmbH
Hans-Lorenser-Strasse 40
89079 Ulm
Deutschland
verkauf@husqvarna.de

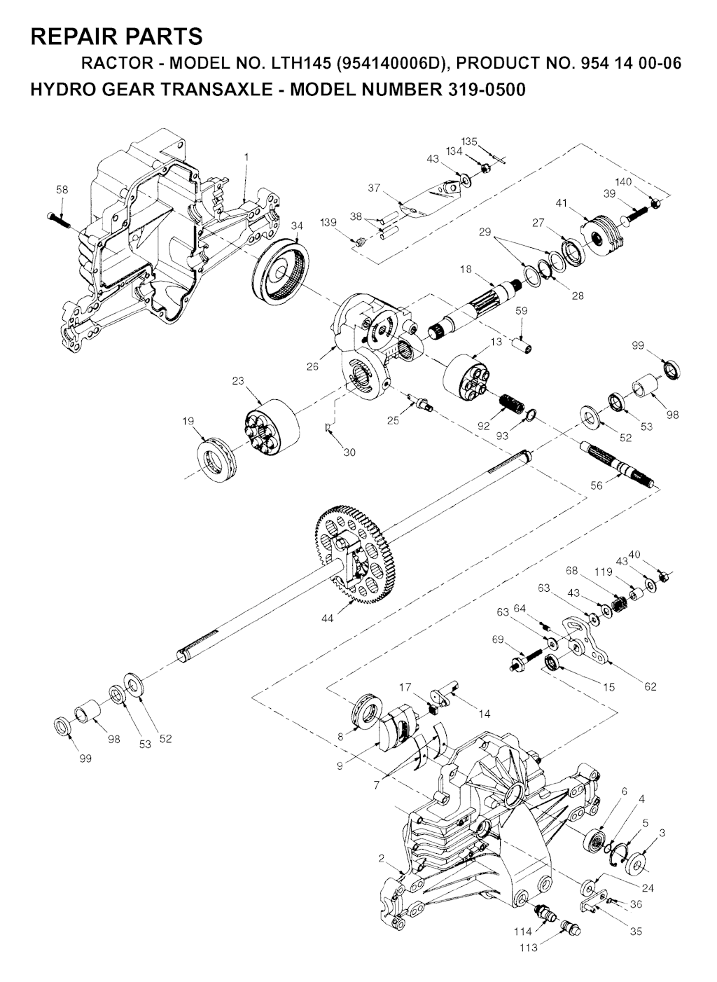
62 von insgesamt 62 eingezeichneten Ersatzteilen in Explosionszeichnung Nr. 1

1
Husqvarna 532 15 70-07 - AUFKLEBER
1x
4,78 CHF
1
Husqvarna 532 05 91-92 - Hut
1x
5,08 CHF
2
Husqvarna 874 76 04-12 - SCHRAUBE
1x
1,76 CHF
2
Husqvarna 532 06 51-39 - Nippel
1x
5,09 CHF
2
Husqvarna 532 14 29-87 - GEHÄUSE
1x
180,21 CHF
3
Husqvarna 532 14 46-98 - RIEMENSCHEIBE
1x
44,36 CHF
4
Husqvarna 810 04 04-00 - SCHEIBE
1x
1,81 CHF
4
Husqvarna 532 05 99-04 - SCHLAUCH
1x
15,59 CHF
6
Husqvarna 532 12 17-48 - SCHEIBE
1x
4,14 CHF
6
Husqvarna 532 12 01-83 - LAGER
1x
6,02 CHF
8
Husqvarna 812 00 00-29 - FEDERRING
1x
0,63 CHF
9
Husqvarna 532 15 06-17 - AUFKLEBER
1x
5,40 CHF
10
Husqvarna 532 14 02-96 - SCHEIBE
1x
6,35 CHF
11
Husqvarna 532 10 47-57 - Nabenkapsel
1x
4,60 CHF
14
Husqvarna 817 49 06-08 - SCHRAUBE
1x
3,65 CHF
14
Husqvarna 532 12 87-74 - LAGERGEHÄUSE
1x
63,86 CHF
15
Husqvarna 532 11 04-85 - LAGER
1x
7,92 CHF
16
Husqvarna 873 80 05-00 - MUTTER
1x
1,88 CHF
18
Husqvarna 532 05 70-79 - SCHEIBE
1x
5,08 CHF
18
Husqvarna 872 14 05-05 - BOLZEN
1x
3,00 CHF
20
Husqvarna 532 15 97-70 - SCHIENE
1x
19,86 CHF
21
Husqvarna 532 12 12-74 - KNOPF
1x
7,96 CHF
22
Husqvarna 532 00 41-52 - LAMPE
1x
4,10 CHF
22
Husqvarna 873 80 05-00 - MUTTER
1x
1,88 CHF
23
Husqvarna 532 12 40-28 - DECKEL
1x
5,24 CHF
24
Husqvarna 532 10 53-04 - RADKAPPE
1x
2,87 CHF
26
Husqvarna 532 11 04-52 - MUTTER
1x
5,08 CHF
29
Husqvarna 532 13 71-80 - FUNKEN FÄNGER
1x
39,30 CHF
29
Husqvarna 595 29 70-01 - WELLE
1x
7,67 CHF
30
Husqvarna 532 15 64-89 - SCHIRM
1x
183,96 CHF
30
Husqvarna 532 15 07-87 - MUTTER
1x
6,44 CHF
33
Husqvarna 532 12 34-87 - KLEMME
1x
5,08 CHF
35
Husqvarna 532 12 01-83 - LAGER
1x
6,02 CHF
35
Husqvarna 532 13 38-35 - XMAS TREE FASTNER
1x
5,08 CHF
36
Husqvarna 819 21 16-16 - SCHEIBE
1x
2,01 CHF
37
Husqvarna 817 49 05-08 - SCHRAUBE
1x
3,00 CHF
37
Husqvarna 532 15 29-27 - SCHRAUBE
1x
2,02 CHF
37
Husqvarna 532 13 70-40 - SCHLAUCH
1x
21,45 CHF
40
Husqvarna 532 12 40-28 - DECKEL
1x
5,24 CHF
43
Husqvarna 532 12 17-49 - SCHEIBE
1x
2,66 CHF
46
Husqvarna 819 09 14-16 - SCHEIBE
1x
2,17 CHF
46
Husqvarna 532 12 12-32 - KAPSEL
1x
4,03 CHF
46
Husqvarna 532 13 77-29 - SCHRAUBE
1x
2,02 CHF
51
Husqvarna 873 80 05-00 - MUTTER
1x
1,88 CHF
52
Husqvarna 819 09 14-16 - SCHEIBE
1x
2,17 CHF
53
Husqvarna 532 15 00-67 - BEFESTIGUNG
1x
9,80 CHF
55
Husqvarna 532 10 57-09 - FEDER
1x
13,20 CHF
59
Husqvarna 532 14 10-43 - SCHUTZ
1x
6,35 CHF
71
Husqvarna 532 14 14-17 - SPANNBAND
1x
6,96 CHF
73
Husqvarna 532 14 14-18 - SPANNBAND
1x
8,19 CHF
75
Husqvarna 532 12 17-49 - SCHEIBE
1x
2,66 CHF
76
Husqvarna 812 00 00-01 - FEDERRING
1x
5,08 CHF
77
Husqvarna 532 12 35-83 - KEIL
1x
6,47 CHF
78
Husqvarna 532 12 17-48 - SCHEIBE
1x
4,14 CHF
81
Husqvarna 532 15 60-48 - WELLE
1x
24,30 CHF
97
Husqvarna 532 14 42-01 - HALTER
1x
9,55 CHF
104
Husqvarna 532 14 14-21 - ARM
1x
8,33 CHF
109
Husqvarna 532 14 50-98 - ADAPTER
1x
26,95 CHF
133
Husqvarna 872 11 06-22 - BOLZEN
1x
5,50 CHF
134
Husqvarna 532 16 02-19 - STUETZE
1x
13,42 CHF
137
Husqvarna 872 11 05-05 - Bolzen
1x
5,08 CHF
145
Husqvarna 874 49 05-40 - BOLZEN
1x
4,68 CHF

Produktbewertungen unserer Kunden
Unsere Bewertungen sind zu 100% echt.
Bewertungen von Kunden, die ihre Ware nicht bei uns gekauft haben, werden entsprechend gekennzeichnet.
Bewertungen mit diesem Symbol stammen von verifizierten Käufern!
Zu diesem Produkt gibt es noch keine Kundenbewertungen.
Sie können die erste Person sein, die zu diesem Produkt eine Bewertung schreibt.