koempf24_ch Logo
Unsere Seite verwendet Cookies und ähnliche Technologien, um die Benutzererfahrung auf unserer Website zu verbessern, Inhalte und Anzeigen zu personalisieren und die Nutzung unserer Website zu analysieren. Mit Ihrer Einwilligung stimmen Sie der Verwendung von Cookies sowie der Verarbeitung Ihrer persönlichen Daten zu, um Ihnen ein bestmögliches Surferlebnis und mehr Funktionen zu bieten.

Sie können Ihre Einwilligung jederzeit in den Cookie-Einstellungen anpassen oder widerrufen.
Experten-Beratung Lassen Sie sich von unseren Experten über das Kontaktformular beraten.
Artikelnummer: 4332770
Hier können Sie unsere qualifizierten Fachberater zur Planung Ihrer Bestellung kontaktieren.
Zum Kontaktformular
Hier erhalten Sie allgemeine Informationen zum Bestellprozess, der Lieferung, der Zahlung und mehr.
Zum FAQ
Hier können Sie Feedback zu dieser Seite abgeben oder unerwartete Inhalte und Auffälligkeiten melden.

Husqvarna Gartentraktoren 96011012100 YTH210 XP®

Husqvarna Gartentraktoren 96011012100 YTH210 XP®

Nicht lieferbar
Dieser Artikel ist leider nicht mehr zu bestellen. Wir empfehlen Ihnen eine alternative Artikelwahl aus dieser Kategorie. Wir wünschen Ihnen viel Spaß beim Stöbern.
Andere Produkte der Kategorie Husqvarna Ersatzteilzeichnungen
Artikel-Nr.: 4332770
  • Deutschlands bester Händler
  • Trusted Shops Käuferschutz
  • Rechnungskauf
  • Montageservice
  • Verlängerte Rückgabefrist

Husqvarna Logo

Husqvarna

Der schwedische Hersteller Husqvarna bietet Ihnen Motorgeräte für die Forst-, Garten- sowie Landschaftspflege. Bereits 1689 begann die Unternehmensgeschichte, damals noch mit der Herstellung von Musketen. Somit profitiert das Unternehmen von mehr als 325 Jahre langer Erfahrung – und somit auch seine Kunden.

Die Zufriedenheit der Kunden ist dem international bekannten Unternehmen besonders wichtig. Daher arbeitet Husqvarna eng mit dem Anwender zusammen, auch nach dem Kauf steht das Unternehmen seinen Käufern mit Rat und Tat zur Seite. Sie können sich bei den Husqvarna Produkten daher auf eine kompromisslose Qualität, Benutzerfreundlichkeit sowie Spitzenleistung verlassen.
 

Garantie

Als unser Kunde genießen Sie auch nach dem Kauf Ihres Husqvarna-Produkts zahlreiche Vorteile! Im Garantiefall sind wir Ihr erster Ansprechpartner und werden Ihnen gerne weiterhelfen. Wir verfügen über eine eigene Hersteller-Werkstatt, sind qualifiziert und berechtigt, im Garantiefall alle nötigen Reparaturen an Ihrem Husqvarna-Gerät durchzuführen.

Das bedeutet für Sie: Sie können sich jederzeit an uns wenden, als Ihr Händler bei dem Sie die Ware gekauft haben sind wir stets die erste Adresse. Selbstverständlich steht es Ihnen jedoch frei, sich an jeden anderen autorisierten Husqvarna-Händler zu wenden.

Gegen Vorlegen Ihres Kaufbeleges (inklusive ausgefüllter Garantiekarte) aus unserem Shop können Sie wohnortnah - in ganz Europa, in der Schweiz und in Großbritannien - Ihr registriertes Produkt zur Garantieüberprüfung vorlegen. Der lokale Husqvarna Servicehändler wird im Garantiefall defekte Teile ausschließlich durch original Husqvarna-Ersatzteile und Zubehör ersetzen. 

 

Husqvarna Händler mit Onlineshop 

Ausschließlich autorisierte, qualifizierte Händler dürfen Husqvarna Produkte verkaufen. So erhalten Sie als Kunde fachgerechte Auskunft zu Ihren Fragen. Wir sind ein autorisierter Husqvarna Fachhändler mit eigener Werkstatt. Vor jeder Auslieferung werden die Geräte entsprechend der Herstellervorgaben geprüft.

 

Stationärer Handel:
Kömpf Baumarkt GmbH
Leibnizstr. 2
75365 Calw

 

Husqvarna Geräte

Husqvarna AB
Regeringsgatan 28
11153 Stockholm
Schweden
verkauf@husqvarna.de
Verantwortliche Person:
Husqvarna Deutschland GmbH
Hans-Lorenser-Strasse 40
89079 Ulm
Deutschland
verkauf@husqvarna.de

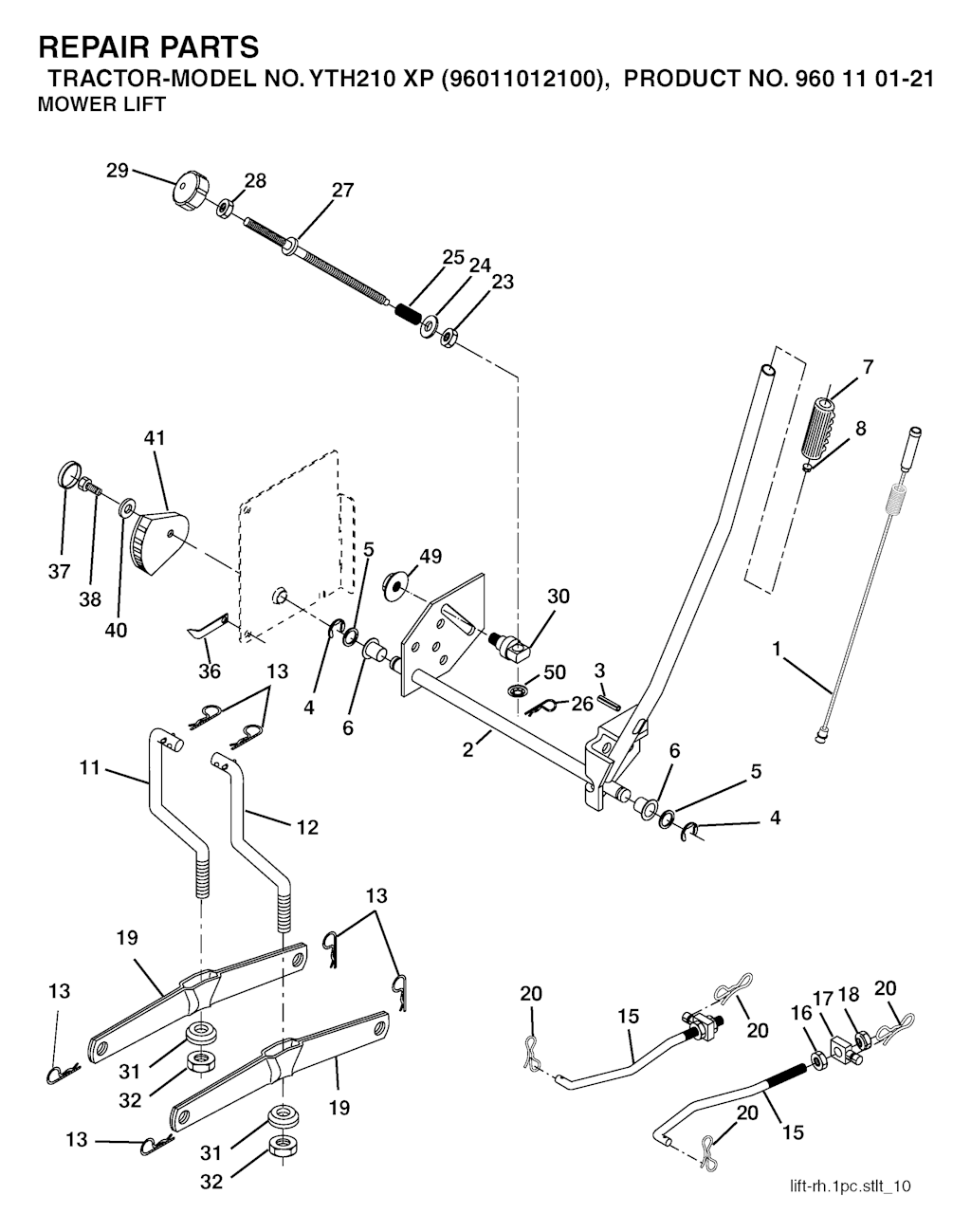
103 von insgesamt 103 eingezeichneten Ersatzteilen in Explosionszeichnung Nr. 1

- -
Husqvarna 532 18 14-95 - BREMSBELAG
1x
16,30 CHF
- -
Husqvarna 532 18 14-96 - BREMSBELAG
1x
11,43 CHF
1
Husqvarna 532 05 91-92 - Hut
1x
5,08 CHF
2
Husqvarna 532 06 51-39 - Nippel
1x
5,09 CHF
2
Husqvarna 874 76 04-12 - SCHRAUBE
1x
1,76 CHF
2
Husqvarna 817 72 04-08 - SCHRAUBE
1x
1,73 CHF
4
Husqvarna 532 18 91-44 - AUFKLEBER
1x
3,83 CHF
4
Husqvarna 532 05 99-04 - SCHLAUCH
1x
15,59 CHF
5
Husqvarna 532 18 45-79 - ROHR
1x
107,56 CHF
6
Husqvarna 532 12 01-83 - LAGER
1x
6,02 CHF
6
Husqvarna 532 12 17-48 - SCHEIBE
1x
4,14 CHF
6
Husqvarna 532 18 45-80 - ROHR
1x
107,56 CHF
8
Husqvarna 817 00 06-16 - SCHRAUBE
1x
4,41 CHF
8
Husqvarna 812 00 00-29 - FEDERRING
1x
0,63 CHF
8
Husqvarna 532 17 18-77 - Bolzen
1x
3,47 CHF
8
Husqvarna 532 19 30-03 - SCHRAUBE
1x
12,44 CHF
9
Husqvarna 532 12 20-82 - REIFEN
1x
128,56 CHF
9
Husqvarna 532 40 28-22 - SCHALTBRETT
1x
63,45 CHF
10
Husqvarna 532 14 02-96 - SCHEIBE
1x
6,35 CHF
11
Husqvarna Messer für Gartentraktoren B
1x
24,27 CHF
13
Husqvarna 532 19 11-54 - AUFKLEBER
1x
17,87 CHF
14
Husqvarna 817 49 06-08 - SCHRAUBE
1x
3,65 CHF
14
Husqvarna 532 14 84-56 - ROHR
1x
9,88 CHF
14
Husqvarna 532 18 72-81 - LAGERGEHÄUSE
1x
149,63 CHF
15
Husqvarna 874 49 05-44 - SCHRAUBE
1x
4,78 CHF
15
Husqvarna 532 11 04-85 - LAGER
1x
7,92 CHF
16
Husqvarna 532 17 61-38 - SCHALTER
1x
16,08 CHF
16
Husqvarna 873 80 05-00 - MUTTER
1x
1,88 CHF
17
Husqvarna 532 12 61-97 - SCHEIBE
1x
10,10 CHF
18
Husqvarna 872 14 05-05 - BOLZEN
1x
3,00 CHF
20
Husqvarna 532 15 97-70 - SCHIENE
1x
19,86 CHF
20
Husqvarna 532 19 42-09 - FEDER
1x
3,59 CHF
22
Husqvarna 532 00 41-52 - LAMPE
1x
4,10 CHF
22
Husqvarna 873 80 05-00 - MUTTER
1x
1,88 CHF
24
Husqvarna 532 10 53-04 - RADKAPPE
1x
2,87 CHF
26
Husqvarna 532 17 51-58 - Sicherung
1x
3,98 CHF
26
Husqvarna 532 11 04-52 - MUTTER
1x
5,08 CHF
29
Husqvarna 817 00 06-12 - SCHRAUBE
1x
4,03 CHF
29
Husqvarna 532 13 71-80 - FUNKEN FÄNGER
1x
39,30 CHF
29
Husqvarna 595 29 70-01 - WELLE
1x
7,67 CHF
30
Husqvarna 532 19 33-50 - Zündschloss
1x
28,45 CHF
30
Husqvarna 532 19 48-06 - SCHIRM
1x
345,84 CHF
31
Husqvarna 532 18 76-90 - SCHEIBE
1x
2,87 CHF
33
Husqvarna 532 12 34-87 - KLEMME
1x
5,08 CHF
33
Husqvarna 596 13 48-01 - MUTTER
1x
5,08 CHF
34
Husqvarna 532 11 07-12 - SCHALTER
1x
13,37 CHF
34
Husqvarna 872 11 06-12 - BOLZEN
1x
3,00 CHF
35
Husqvarna 532 12 01-83 - LAGER
1x
6,02 CHF
36
Husqvarna 819 21 16-16 - SCHEIBE
1x
2,01 CHF
37
Husqvarna 817 49 05-08 - SCHRAUBE
1x
3,00 CHF
37
Husqvarna 532 15 29-27 - SCHRAUBE
1x
2,02 CHF
38
Husqvarna 817 06 05-16 - SCHRAUBE
1x
3,47 CHF
39
Husqvarna 872 11 06-22 - BOLZEN
1x
5,50 CHF
39
Husqvarna 819 11 38-12 - SCHEIBE
1x
11,92 CHF
41
Husqvarna 532 14 06-75 - STREIFEN
1x
6,64 CHF
43
Husqvarna 532 12 17-49 - SCHEIBE
1x
2,66 CHF
44
Husqvarna 532 19 07-52 - ACHSE
1x
19,25 CHF
45
Husqvarna 817 00 06-12 - SCHRAUBE
1x
4,03 CHF
46
Husqvarna 532 12 12-32 - KAPSEL
1x
4,03 CHF
46
Husqvarna 532 13 77-29 - SCHRAUBE
1x
2,02 CHF
50
Husqvarna 872 11 06-12 - BOLZEN
1x
3,00 CHF
50
Husqvarna 532 11 04-52 - MUTTER
1x
5,08 CHF
54
Husqvarna 532 17 85-15 - SCHEIBE
1x
5,95 CHF
55
Husqvarna 532 10 57-09 - FEDER
1x
13,20 CHF
56
Husqvarna 817 06 06-20 - SCHRAUBE
1x
4,56 CHF
56
Husqvarna 532 16 57-23 - ABSTANDSSCHEIBE
1x
9,33 CHF
59
Husqvarna 532 14 10-43 - SCHUTZ
1x
6,35 CHF
69
Husqvarna 532 14 24-32 - SCHRAUBE
1x
5,08 CHF
74
Husqvarna 532 13 70-57 - HUELSE
1x
7,53 CHF
75
Husqvarna 532 12 17-49 - SCHEIBE
1x
2,66 CHF
76
Husqvarna 812 00 00-01 - FEDERRING
1x
5,08 CHF
77
Husqvarna 532 12 35-83 - KEIL
1x
6,47 CHF
78
Husqvarna 532 12 17-48 - SCHEIBE
1x
4,14 CHF
89
Husqvarna 532 19 19-15 - BEFESTIGUNG
1x
13,49 CHF
95
Husqvarna 532 19 56-31 - STANGE
1x
15,78 CHF
95
Husqvarna 532 18 89-67 - SCHEIBE
1x
4,09 CHF
105
Husqvarna 817 12 06-16 - SCHRAUBE
1x
3,65 CHF
113
Husqvarna 817 00 05-10 - BOLZEN
1x
2,53 CHF
116
Husqvarna 532 18 43-62 - NUT HEX FLANGE TOPLOCK
1x
2,03 CHF
122
Husqvarna 532 13 77-29 - SCHRAUBE
1x
2,02 CHF
132
Husqvarna 817 00 06-12 - SCHRAUBE
1x
4,03 CHF
159
Husqvarna 532 19 24-04 - HALTER
1x
5,60 CHF
159
Husqvarna 872 14 06-14 - BOLZEN
1x
4,86 CHF
183
Husqvarna 532 19 42-09 - FEDER
1x
3,59 CHF
196
Husqvarna 532 40 11-19 - SCHUTZ
1x
16,69 CHF
199
Husqvarna 532 40 02-78 - SCHUTZ
1x
98,99 CHF
200
Husqvarna 532 40 02-79 - SCHUTZ
1x
74,73 CHF
202
Husqvarna 872 11 06-14 - SCHRAUBE 3/8-16X1-3/4 GR.5
1x
4,83 CHF
202
Husqvarna 872 11 06-08 - BOLZEN
1x
5,22 CHF
203
Husqvarna 532 19 72-62 - BOLZEN
1x
5,08 CHF
206
Husqvarna 532 17 01-65 - BOLZEN
1x
3,65 CHF
208
Husqvarna 817 67 06-08 - SCHRAUBE
1x
3,65 CHF
209
Husqvarna 817 00 06-12 - SCHRAUBE
1x
4,03 CHF
217
Husqvarna 532 18 54-36 - BEFESTIGUNG
1x
9,06 CHF
237
Husqvarna 532 17 01-65 - BOLZEN
1x
3,65 CHF
239
Husqvarna 817 49 05-08 - SCHRAUBE
1x
3,00 CHF
244
Husqvarna 817 49 05-10 - SCHRAUBE
1x
5,08 CHF
251
Husqvarna 817 06 05-16 - SCHRAUBE
1x
3,47 CHF
254
Husqvarna 817 00 06-16 - SCHRAUBE
1x
4,41 CHF
263
Husqvarna 817 00 06-12 - SCHRAUBE
1x
4,03 CHF
532 13 89-71
Husqvarna Messer für Gartentraktoren B
1x
24,27 CHF
535 41 42-13
Husqvarna 535 41 42-13 - LUFTFILTER KAWA-ET
1x
16,72 CHF
535 41 43-78
Husqvarna 535 41 43-78 - OELFILTER KAWA-ET
1x
29,72 CHF

Produktbewertungen unserer Kunden
Unsere Bewertungen sind zu 100% echt.
Bewertungen von Kunden, die ihre Ware nicht bei uns gekauft haben, werden entsprechend gekennzeichnet.
Bewertungen mit diesem Symbol stammen von verifizierten Käufern!
Zu diesem Produkt gibt es noch keine Kundenbewertungen.
Sie können die erste Person sein, die zu diesem Produkt eine Bewertung schreibt.