koempf24_ch Logo
Unsere Seite verwendet Cookies und ähnliche Technologien, um die Benutzererfahrung auf unserer Website zu verbessern, Inhalte und Anzeigen zu personalisieren und die Nutzung unserer Website zu analysieren. Mit Ihrer Einwilligung stimmen Sie der Verwendung von Cookies sowie der Verarbeitung Ihrer persönlichen Daten zu, um Ihnen ein bestmögliches Surferlebnis und mehr Funktionen zu bieten.

Sie können Ihre Einwilligung jederzeit in den Cookie-Einstellungen anpassen oder widerrufen.
Experten-Beratung Lassen Sie sich von unseren Experten über das Kontaktformular beraten.
Artikelnummer: 4370307
Hier können Sie unsere qualifizierten Fachberater zur Planung Ihrer Bestellung kontaktieren.
Zum Kontaktformular
Hier erhalten Sie allgemeine Informationen zum Bestellprozess, der Lieferung, der Zahlung und mehr.
Zum FAQ
Hier können Sie Feedback zu dieser Seite abgeben oder unerwartete Inhalte und Auffälligkeiten melden.

Husqvarna Schneefräsen/Fräsen 961910084 ST 327PT

Husqvarna Schneefräsen/Fräsen 961910084 ST 327PT

Aktueller Preis 99.999,99 CHF
5€ Rabatt bei Newsletter-Anmeldung -
- 5,00 CHF
Sie sparen 5,00 CHF
Neuer Preis 99.994,99 CHF
Nicht lieferbar
Dieser Artikel ist leider nicht mehr zu bestellen. Wir empfehlen Ihnen eine alternative Artikelwahl aus dieser Kategorie. Wir wünschen Ihnen viel Spaß beim Stöbern.
Andere Produkte der Kategorie Husqvarna Ersatzteilzeichnungen
Artikel-Nr.: 4370307
  • Deutschlands bester Händler
  • Trusted Shops Käuferschutz
  • Rechnungskauf
  • Montageservice

Husqvarna Logo

Husqvarna

Der schwedische Hersteller Husqvarna bietet Ihnen Motorgeräte für die Forst-, Garten- sowie Landschaftspflege. Bereits 1689 begann die Unternehmensgeschichte, damals noch mit der Herstellung von Musketen. Somit profitiert das Unternehmen von mehr als 325 Jahre langer Erfahrung – und somit auch seine Kunden.

Die Zufriedenheit der Kunden ist dem international bekannten Unternehmen besonders wichtig. Daher arbeitet Husqvarna eng mit dem Anwender zusammen, auch nach dem Kauf steht das Unternehmen seinen Käufern mit Rat und Tat zur Seite. Sie können sich bei den Husqvarna Produkten daher auf eine kompromisslose Qualität, Benutzerfreundlichkeit sowie Spitzenleistung verlassen.
 

Garantie

Als unser Kunde genießen Sie auch nach dem Kauf Ihres Husqvarna-Produkts zahlreiche Vorteile! Im Garantiefall sind wir Ihr erster Ansprechpartner und werden Ihnen gerne weiterhelfen. Wir verfügen über eine eigene Hersteller-Werkstatt, sind qualifiziert und berechtigt, im Garantiefall alle nötigen Reparaturen an Ihrem Husqvarna-Gerät durchzuführen.

Das bedeutet für Sie: Sie können sich jederzeit an uns wenden, als Ihr Händler bei dem Sie die Ware gekauft haben sind wir stets die erste Adresse. Selbstverständlich steht es Ihnen jedoch frei, sich an jeden anderen autorisierten Husqvarna-Händler zu wenden.

Gegen Vorlegen Ihres Kaufbeleges (inklusive ausgefüllter Garantiekarte) aus unserem Shop können Sie wohnortnah - in ganz Europa, in der Schweiz und in Großbritannien - Ihr registriertes Produkt zur Garantieüberprüfung vorlegen. Der lokale Husqvarna Servicehändler wird im Garantiefall defekte Teile ausschließlich durch original Husqvarna-Ersatzteile und Zubehör ersetzen. 

 

Husqvarna Händler mit Onlineshop 

Ausschließlich autorisierte, qualifizierte Händler dürfen Husqvarna Produkte verkaufen. So erhalten Sie als Kunde fachgerechte Auskunft zu Ihren Fragen. Wir sind ein autorisierter Husqvarna Fachhändler mit eigener Werkstatt. Vor jeder Auslieferung werden die Geräte entsprechend der Herstellervorgaben geprüft.

 

Stationärer Handel:
Kömpf Baumarkt GmbH
Leibnizstr. 2
75365 Calw

 

Husqvarna Geräte

Husqvarna AB
Regeringsgatan 28
11153 Stockholm
Schweden
verkauf@husqvarna.de
Verantwortliche Person:
Husqvarna Deutschland GmbH
Hans-Lorenser-Strasse 40
89079 Ulm
Deutschland
verkauf@husqvarna.de

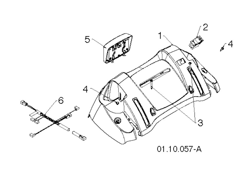
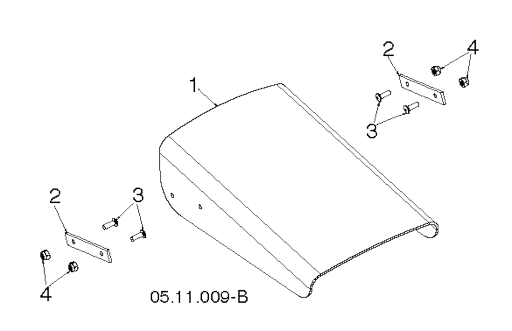
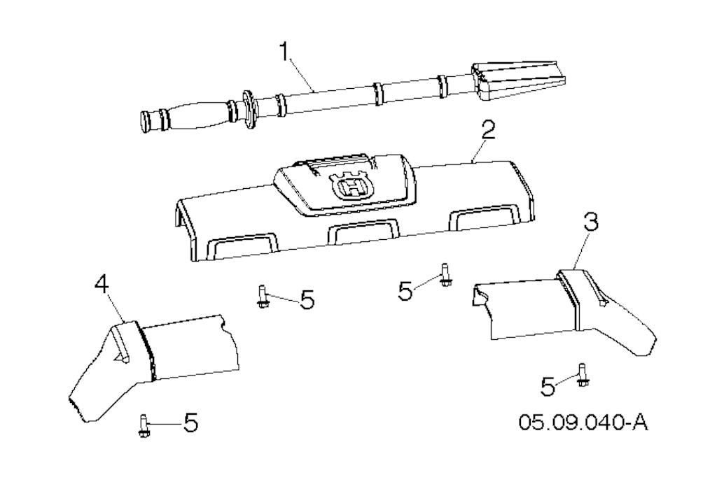
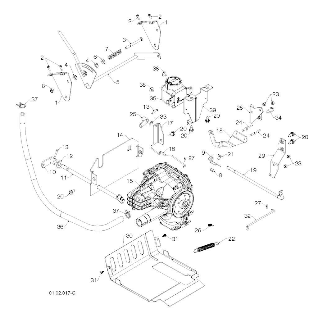
79 von insgesamt 79 eingezeichneten Ersatzteilen in Explosionszeichnung Nr. 1

1
Husqvarna 586 43 16-01 - Folie
1x
5,08 CHF
-
Husqvarna 585 74 27-02 - Motor
1x
1.083,16 CHF
1
Husqvarna 532 42 13-51 - KONSOLE GRAU
1x
35,41 CHF
1
Husqvarna 532 42 95-75 - AUFKLEBER
1x
5,08 CHF
1
Husqvarna 587 17 68-01 - Zylinderkopf
1x
191,86 CHF
1
Husqvarna 581 70 83-77 - Gehäuse kpl.
1x
571,38 CHF
1
Husqvarna 532 18 77-82 - Stange oben
1x
37,32 CHF
1
Husqvarna 532 42 17-08 - GRIFF LINKS
1x
28,30 CHF
1
Husqvarna 580 75 04-02 - Einstellhebel Kpl.
1x
88,78 CHF
1
Husqvarna 532 40 43-08 - Welle
1x
125,70 CHF
1
Husqvarna 532 42 92-03 - RAHMEN
1x
156,73 CHF
1
Husqvarna 586 99 02-01 - Laufrad links
1x
845,72 CHF
1
Husqvarna 532 44 33-22 - Halter
1x
9,38 CHF
2
Husqvarna 532 44 42-25 - Aufkleber
1x
8,04 CHF
2
Husqvarna 586 41 48-01 - Abdeckung
1x
80,32 CHF
2
Husqvarna 532 42 17-09 - GRIFF RECHTS
1x
31,64 CHF
2
Husqvarna 532 18 77-94 - Abstandsscheibe
1x
4,66 CHF
2
Husqvarna 532 42 84-54 - V-Riemen
1x
40,24 CHF
2
Husqvarna 586 99 02-02 - Laufrad rechts
1x
845,72 CHF
2
Husqvarna 532 43 84-45 - Halter
1x
9,02 CHF
3
Husqvarna 585 69 13-01 - MUTTER
1x
2,03 CHF
3
Husqvarna 586 33 03-02 - Abdeckung
1x
26,45 CHF
3
Husqvarna 532 18 77-82 - Stange oben
1x
37,32 CHF
3
Husqvarna 580 79 03-01 - Fußplatte
1x
123,08 CHF
3
Husqvarna 532 42 88-67 - BOLZEN 5/16-18X.750
1x
2,72 CHF
3
Husqvarna 580 78 99-01 - Stütze
1x
30,19 CHF
3
Husqvarna 585 05 70-01 - Abstandsscheibe
1x
3,30 CHF
4
Husqvarna 586 33 04-02 - Abdeckung
1x
26,45 CHF
4
Husqvarna 532 44 32-48 - Feder
1x
14,35 CHF
4
Husqvarna 585 05 68-01 - Mitnehmer
1x
9,54 CHF
5
Husqvarna 585 76 87-01 - Aufkleber
1x
3,89 CHF
5
Husqvarna 812 00 00-28 - Federring
1x
5,08 CHF
5
Husqvarna 817 67 04-12 - SCHRAUBE
1x
3,68 CHF
5
Husqvarna 532 44 36-60 - Bolzen
1x
5,97 CHF
5
Husqvarna 532 19 20-01 - Hebel kpl.
1x
48,07 CHF
6
Husqvarna 532 42 95-75 - AUFKLEBER
1x
5,08 CHF
6
Husqvarna 874 78 05-12 - BOLZEN
1x
3,21 CHF
6
Husqvarna 873 93 05-00 - MUTTER
1x
5,08 CHF
6
Husqvarna 817 49 05-08 - SCHRAUBE
1x
3,00 CHF
7
Husqvarna 532 44 42-25 - Aufkleber
1x
8,04 CHF
7
Husqvarna 817 06 06-20 - SCHRAUBE
1x
4,56 CHF
7
Husqvarna 586 99 64-01 - Laufrad
1x
215,20 CHF
7
Husqvarna 532 44 47-68 - Aufkleber
1x
13,15 CHF
8
Husqvarna 817 00 06-12 - SCHRAUBE
1x
4,60 CHF
8
Husqvarna 873 80 05-00 - MUTTER
1x
1,88 CHF
8
Husqvarna 580 81 20-01 - Laufrad
1x
37,22 CHF
8
Husqvarna 585 35 16-01 - Feder
1x
9,94 CHF
9
Husqvarna 585 76 87-01 - Aufkleber
1x
3,89 CHF
9
Husqvarna 872 11 05-10 - BOLZEN
1x
3,65 CHF
9
Husqvarna 817 00 05-10 - BOLZEN
1x
2,53 CHF
10
Husqvarna 585 69 13-01 - MUTTER
1x
2,03 CHF
10
Husqvarna 817 00 05-10 - BOLZEN
1x
2,53 CHF
10
Husqvarna 580 94 99-01 - Platte
1x
51,27 CHF
10
Husqvarna 532 44 31-91 - Hebel
1x
7,76 CHF
10
Husqvarna 585 05 71-01 - Abstandsscheibe
1x
5,22 CHF
10
Husqvarna 532 17 88-99 - FLÜGELMUTTER
1x
3,98 CHF
11
Husqvarna 580 94 99-02 - Platte
1x
51,27 CHF
12
Husqvarna 580 95 00-01 - Pedalgummi
1x
78,02 CHF
12
Husqvarna 584 92 79-02 - Schaltgabel
1x
8,65 CHF
13
Husqvarna 580 95 01-01 - Rohr
1x
37,22 CHF
14
Husqvarna 580 75 06-02 - Platte
1x
25,37 CHF
14
Husqvarna 817 49 05-08 - SCHRAUBE
1x
3,00 CHF
15
Husqvarna 532 44 50-58 - Getriebe
1x
1.186,15 CHF
16
Husqvarna 532 19 32-56 - Stange
1x
11,46 CHF
17
Husqvarna 587 17 91-01 - Vergaser
1x
93,78 CHF
17
Husqvarna 532 42 98-05 - Halter
1x
7,79 CHF
18
Husqvarna 532 18 77-87 - Hebel
1x
19,98 CHF
18
Husqvarna 817 60 04-06 - SCHRAUBE
1x
5,08 CHF
20
Husqvarna 532 42 88-67 - BOLZEN 5/16-18X.750
1x
2,72 CHF
24
Husqvarna 532 19 19-95 - Blindniet
1x
5,08 CHF
25
Husqvarna 532 13 70-57 - HUELSE
1x
7,53 CHF
28
Husqvarna 532 40 78-58 - Halter
1x
21,77 CHF
29
Husqvarna 532 41 47-71 - Spannband
1x
14,56 CHF
31
Husqvarna 532 44 33-84 - Schraube
1x
5,08 CHF
34
Husqvarna 817 06 05-16 - SCHRAUBE
1x
3,47 CHF
36
Husqvarna 587 17 94-01 - Dichtungssatz
1x
14,28 CHF
36
Husqvarna 580 75 08-01 - Schlauch
1x
30,08 CHF
37
Husqvarna 532 44 52-98 - Klemme
1x
5,08 CHF
39
Husqvarna 580 75 09-02 - Halter
1x
12,95 CHF

Produktbewertungen unserer Kunden
Unsere Bewertungen sind zu 100% echt.
Bewertungen von Kunden, die ihre Ware nicht bei uns gekauft haben, werden entsprechend gekennzeichnet.
Bewertungen mit diesem Symbol stammen von verifizierten Käufern!
Zu diesem Produkt gibt es noch keine Kundenbewertungen.
Sie können die erste Person sein, die zu diesem Produkt eine Bewertung schreibt.