koempf24_ch Logo
Unsere Seite verwendet Cookies und ähnliche Technologien, um die Benutzererfahrung auf unserer Website zu verbessern, Inhalte und Anzeigen zu personalisieren und die Nutzung unserer Website zu analysieren. Mit Ihrer Einwilligung stimmen Sie der Verwendung von Cookies sowie der Verarbeitung Ihrer persönlichen Daten zu, um Ihnen ein bestmögliches Surferlebnis und mehr Funktionen zu bieten.

Sie können Ihre Einwilligung jederzeit in den Cookie-Einstellungen anpassen oder widerrufen.
Experten-Beratung Lassen Sie sich von unseren Experten über das Kontaktformular beraten.
Artikelnummer: 4348177
Hier können Sie unsere qualifizierten Fachberater zur Planung Ihrer Bestellung kontaktieren.
Zum Kontaktformular
Hier erhalten Sie allgemeine Informationen zum Bestellprozess, der Lieferung, der Zahlung und mehr.
Zum FAQ
Hier können Sie Feedback zu dieser Seite abgeben oder unerwartete Inhalte und Auffälligkeiten melden.

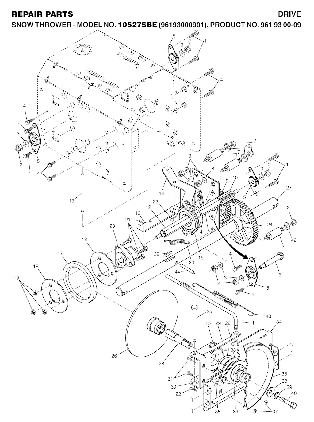
Husqvarna Schneefräsen/Fräsen 10527 SBE, 96193000901, 961930009, 2006-05

Husqvarna Schneefräsen/Fräsen 10527 SBE, 96193000901, 961930009, 2006-05

Nicht lieferbar
Dieser Artikel ist leider nicht mehr zu bestellen. Wir empfehlen Ihnen eine alternative Artikelwahl aus dieser Kategorie. Wir wünschen Ihnen viel Spaß beim Stöbern.
Andere Produkte der Kategorie Husqvarna Ersatzteilzeichnungen
Artikel-Nr.: 4348177
  • Deutschlands bester Händler
  • Trusted Shops Käuferschutz
  • Rechnungskauf
  • Montageservice
  • Verlängerte Rückgabefrist

Husqvarna Logo

Husqvarna

Der schwedische Hersteller Husqvarna bietet Ihnen Motorgeräte für die Forst-, Garten- sowie Landschaftspflege. Bereits 1689 begann die Unternehmensgeschichte, damals noch mit der Herstellung von Musketen. Somit profitiert das Unternehmen von mehr als 325 Jahre langer Erfahrung – und somit auch seine Kunden.

Die Zufriedenheit der Kunden ist dem international bekannten Unternehmen besonders wichtig. Daher arbeitet Husqvarna eng mit dem Anwender zusammen, auch nach dem Kauf steht das Unternehmen seinen Käufern mit Rat und Tat zur Seite. Sie können sich bei den Husqvarna Produkten daher auf eine kompromisslose Qualität, Benutzerfreundlichkeit sowie Spitzenleistung verlassen.
 

Garantie

Als unser Kunde genießen Sie auch nach dem Kauf Ihres Husqvarna-Produkts zahlreiche Vorteile! Im Garantiefall sind wir Ihr erster Ansprechpartner und werden Ihnen gerne weiterhelfen. Wir verfügen über eine eigene Hersteller-Werkstatt, sind qualifiziert und berechtigt, im Garantiefall alle nötigen Reparaturen an Ihrem Husqvarna-Gerät durchzuführen.

Das bedeutet für Sie: Sie können sich jederzeit an uns wenden, als Ihr Händler bei dem Sie die Ware gekauft haben sind wir stets die erste Adresse. Selbstverständlich steht es Ihnen jedoch frei, sich an jeden anderen autorisierten Husqvarna-Händler zu wenden.

Gegen Vorlegen Ihres Kaufbeleges (inklusive ausgefüllter Garantiekarte) aus unserem Shop können Sie wohnortnah - in ganz Europa, in der Schweiz und in Großbritannien - Ihr registriertes Produkt zur Garantieüberprüfung vorlegen. Der lokale Husqvarna Servicehändler wird im Garantiefall defekte Teile ausschließlich durch original Husqvarna-Ersatzteile und Zubehör ersetzen. 

 

Husqvarna Händler mit Onlineshop 

Ausschließlich autorisierte, qualifizierte Händler dürfen Husqvarna Produkte verkaufen. So erhalten Sie als Kunde fachgerechte Auskunft zu Ihren Fragen. Wir sind ein autorisierter Husqvarna Fachhändler mit eigener Werkstatt. Vor jeder Auslieferung werden die Geräte entsprechend der Herstellervorgaben geprüft.

 

Stationärer Handel:
Kömpf Baumarkt GmbH
Leibnizstr. 2
75365 Calw

 

Husqvarna Geräte

Husqvarna AB
Regeringsgatan 28
11153 Stockholm
Schweden
verkauf@husqvarna.de
Verantwortliche Person:
Husqvarna Deutschland GmbH
Hans-Lorenser-Strasse 40
89079 Ulm
Deutschland
verkauf@husqvarna.de

21 von insgesamt 21 eingezeichneten Ersatzteilen in Explosionszeichnung Nr. 1

2
Husqvarna 873 80 05-00 - MUTTER
1x
1,88 CHF
4
Husqvarna 817 49 05-08 - SCHRAUBE
1x
3,00 CHF
4
Husqvarna 532 18 10-41 - AUFKLEBER
1x
15,47 CHF
7
Husqvarna 873 93 05-00 - MUTTER
1x
5,08 CHF
10
Husqvarna 532 18 82-11 - SCHNECKENGEHAEUSE
1x
508,59 CHF
10
Husqvarna 817 60 04-06 - SCHRAUBE
1x
5,08 CHF
11
Husqvarna 817 49 05-08 - SCHRAUBE
1x
3,00 CHF
11
Husqvarna 817 49 05-08 - SCHRAUBE
1x
3,00 CHF
12
Husqvarna 532 19 57-49 - GELENK
1x
4,78 CHF
13
Husqvarna 532 15 57-94 - AUFKLEBER
1x
16,67 CHF
14
Husqvarna 873 80 05-00 - MUTTER
1x
1,88 CHF
15
Husqvarna 873 80 05-00 - MUTTER
1x
1,88 CHF
17
Husqvarna 532 17 88-99 - FLÜGELMUTTER
1x
3,98 CHF
19
Husqvarna 873 93 05-00 - MUTTER
1x
5,08 CHF
20
Husqvarna 873 80 05-00 - MUTTER
1x
1,88 CHF
25
Husqvarna 532 06 27-35 - SCHEIBE
1x
6,95 CHF
27
Husqvarna 532 85 10-84 - Schraube
1x
5,29 CHF
34
Husqvarna 532 18 04-01 - SCHRAUBE
1x
5,08 CHF
36
Husqvarna 873 80 05-00 - MUTTER
1x
1,88 CHF
49
Husqvarna 532 18 40-73 - RAHMEN
1x
64,31 CHF
52
Husqvarna 532 05 70-79 - SCHEIBE
1x
5,08 CHF

Produktbewertungen unserer Kunden
Unsere Bewertungen sind zu 100% echt.
Bewertungen von Kunden, die ihre Ware nicht bei uns gekauft haben, werden entsprechend gekennzeichnet.
Bewertungen mit diesem Symbol stammen von verifizierten Käufern!
Zu diesem Produkt gibt es noch keine Kundenbewertungen.
Sie können die erste Person sein, die zu diesem Produkt eine Bewertung schreibt.