koempf24_ch Logo
Unsere Seite verwendet Cookies und ähnliche Technologien, um die Benutzererfahrung auf unserer Website zu verbessern, Inhalte und Anzeigen zu personalisieren und die Nutzung unserer Website zu analysieren. Mit Ihrer Einwilligung stimmen Sie der Verwendung von Cookies sowie der Verarbeitung Ihrer persönlichen Daten zu, um Ihnen ein bestmögliches Surferlebnis und mehr Funktionen zu bieten.

Sie können Ihre Einwilligung jederzeit in den Cookie-Einstellungen anpassen oder widerrufen.
Experten-Beratung Lassen Sie sich von unseren Experten über das Kontaktformular beraten.
Artikelnummer: 4370048
Hier können Sie unsere qualifizierten Fachberater zur Planung Ihrer Bestellung kontaktieren.
Zum Kontaktformular
Hier erhalten Sie allgemeine Informationen zum Bestellprozess, der Lieferung, der Zahlung und mehr.
Zum FAQ
Hier können Sie Feedback zu dieser Seite abgeben oder unerwartete Inhalte und Auffälligkeiten melden.

Husqvarna Rider 967178501 R 112C5

Husqvarna Rider 967178501 R 112C5

Aktueller Preis 99.999,99 CHF
5€ Rabatt bei Newsletter-Anmeldung -
- 5,00 CHF
Sie sparen 5,00 CHF
Neuer Preis 99.994,99 CHF
Nicht lieferbar
Dieser Artikel ist leider nicht mehr zu bestellen. Wir empfehlen Ihnen eine alternative Artikelwahl aus dieser Kategorie. Wir wünschen Ihnen viel Spaß beim Stöbern.
Andere Produkte der Kategorie Husqvarna Ersatzteilzeichnungen
Artikel-Nr.: 4370048
  • Deutschlands bester Händler
  • Trusted Shops Käuferschutz
  • Rechnungskauf
  • Montageservice

Husqvarna Logo

Husqvarna

Der schwedische Hersteller Husqvarna bietet Ihnen Motorgeräte für die Forst-, Garten- sowie Landschaftspflege. Bereits 1689 begann die Unternehmensgeschichte, damals noch mit der Herstellung von Musketen. Somit profitiert das Unternehmen von mehr als 325 Jahre langer Erfahrung – und somit auch seine Kunden.

Die Zufriedenheit der Kunden ist dem international bekannten Unternehmen besonders wichtig. Daher arbeitet Husqvarna eng mit dem Anwender zusammen, auch nach dem Kauf steht das Unternehmen seinen Käufern mit Rat und Tat zur Seite. Sie können sich bei den Husqvarna Produkten daher auf eine kompromisslose Qualität, Benutzerfreundlichkeit sowie Spitzenleistung verlassen.
 

Garantie

Als unser Kunde genießen Sie auch nach dem Kauf Ihres Husqvarna-Produkts zahlreiche Vorteile! Im Garantiefall sind wir Ihr erster Ansprechpartner und werden Ihnen gerne weiterhelfen. Wir verfügen über eine eigene Hersteller-Werkstatt, sind qualifiziert und berechtigt, im Garantiefall alle nötigen Reparaturen an Ihrem Husqvarna-Gerät durchzuführen.

Das bedeutet für Sie: Sie können sich jederzeit an uns wenden, als Ihr Händler bei dem Sie die Ware gekauft haben sind wir stets die erste Adresse. Selbstverständlich steht es Ihnen jedoch frei, sich an jeden anderen autorisierten Husqvarna-Händler zu wenden.

Gegen Vorlegen Ihres Kaufbeleges (inklusive ausgefüllter Garantiekarte) aus unserem Shop können Sie wohnortnah - in ganz Europa, in der Schweiz und in Großbritannien - Ihr registriertes Produkt zur Garantieüberprüfung vorlegen. Der lokale Husqvarna Servicehändler wird im Garantiefall defekte Teile ausschließlich durch original Husqvarna-Ersatzteile und Zubehör ersetzen. 

 

Husqvarna Händler mit Onlineshop 

Ausschließlich autorisierte, qualifizierte Händler dürfen Husqvarna Produkte verkaufen. So erhalten Sie als Kunde fachgerechte Auskunft zu Ihren Fragen. Wir sind ein autorisierter Husqvarna Fachhändler mit eigener Werkstatt. Vor jeder Auslieferung werden die Geräte entsprechend der Herstellervorgaben geprüft.

 

Stationärer Handel:
Kömpf Baumarkt GmbH
Leibnizstr. 2
75365 Calw

 

Husqvarna Geräte

Husqvarna AB
Regeringsgatan 28
11153 Stockholm
Schweden
verkauf@husqvarna.de
Verantwortliche Person:
Husqvarna Deutschland GmbH
Hans-Lorenser-Strasse 40
89079 Ulm
Deutschland
verkauf@husqvarna.de

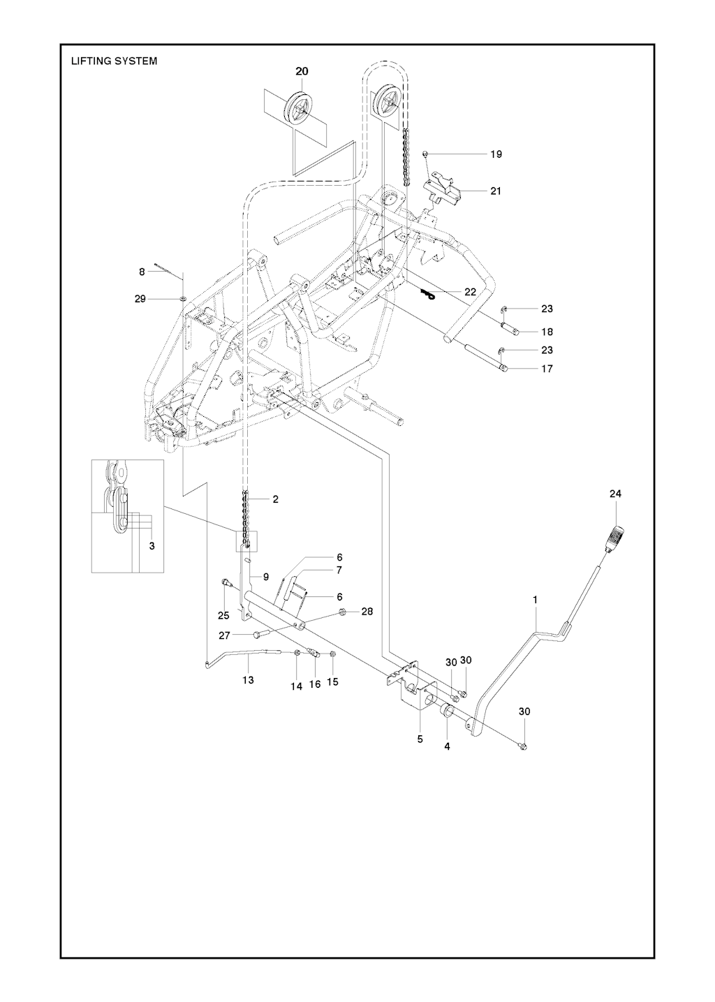
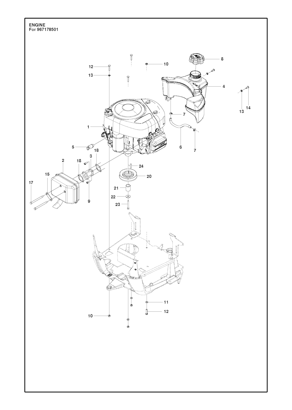
297 von insgesamt 297 eingezeichneten Ersatzteilen in Explosionszeichnung Nr. 1

.
Husqvarna 586 14 70-01 - Mähdeck kpl.
1x
1.059,50 CHF
.
Husqvarna 586 14 70-01 - Mähdeck kpl.
1x
1.059,50 CHF
1
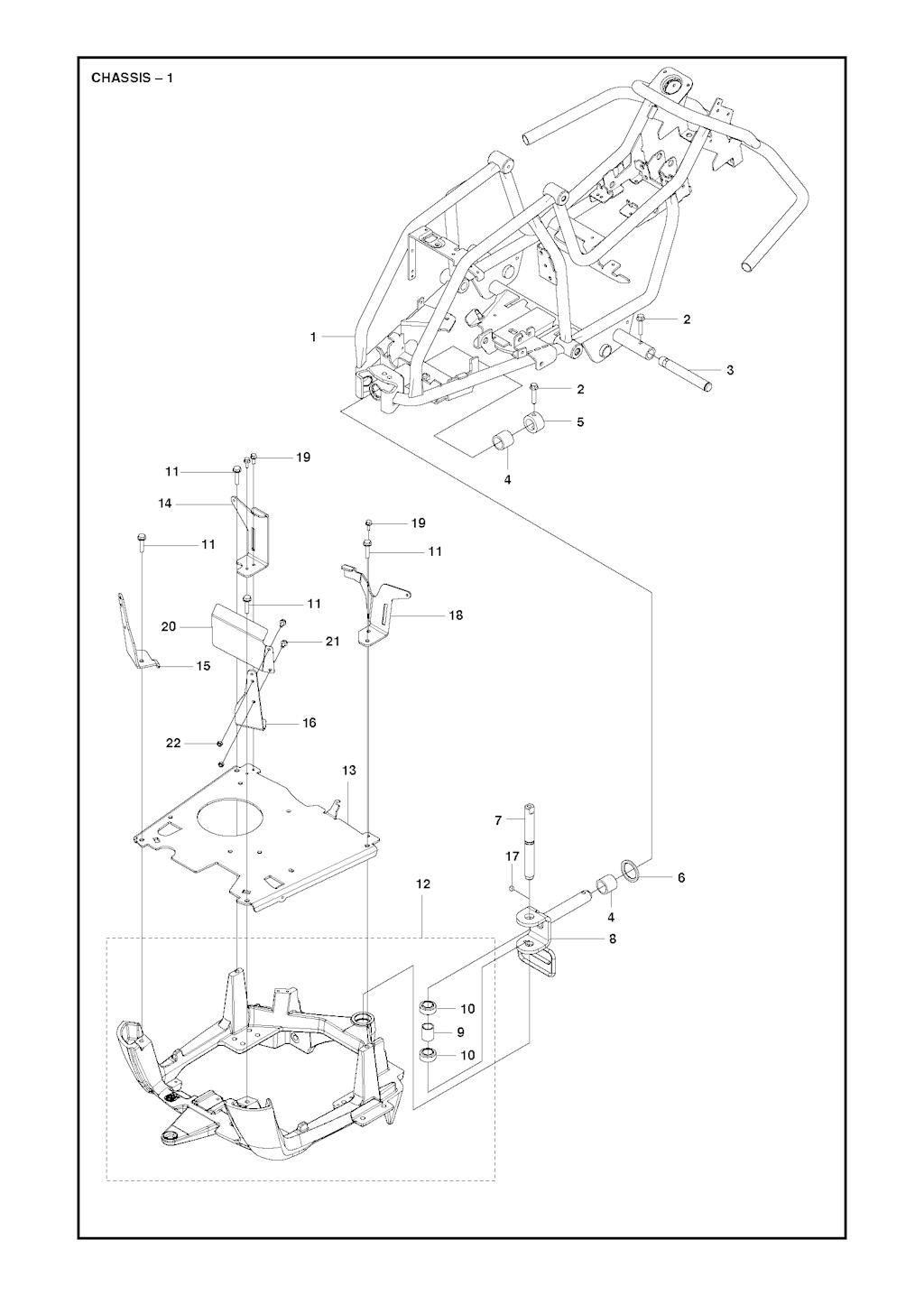
Husqvarna 581 27 41-01 - Rahmen
1x
695,88 CHF
1
Husqvarna 506 88 78-01 - ABSTANDSSCHEIBE
1x
6,18 CHF
1
Husqvarna 732 21 18-01 - LOCK NUT
16x
1,96 CHF
1
Husqvarna 732 21 18-01 - LOCK NUT
16x
1,96 CHF
1
Husqvarna 584 83 30-02 - Geräterahmen grau
1x
114,16 CHF
1
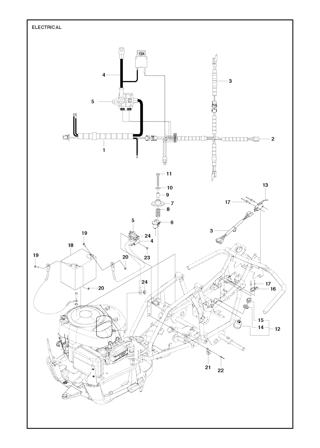
Husqvarna 581 97 24-01 - WIRING ENGINE
1x
52,41 CHF
1
Husqvarna 525 81 48-01 - SITZ
1x
117,46 CHF
1
Husqvarna 506 57 01-03 - SCHRAUBE
2x
3,47 CHF
1
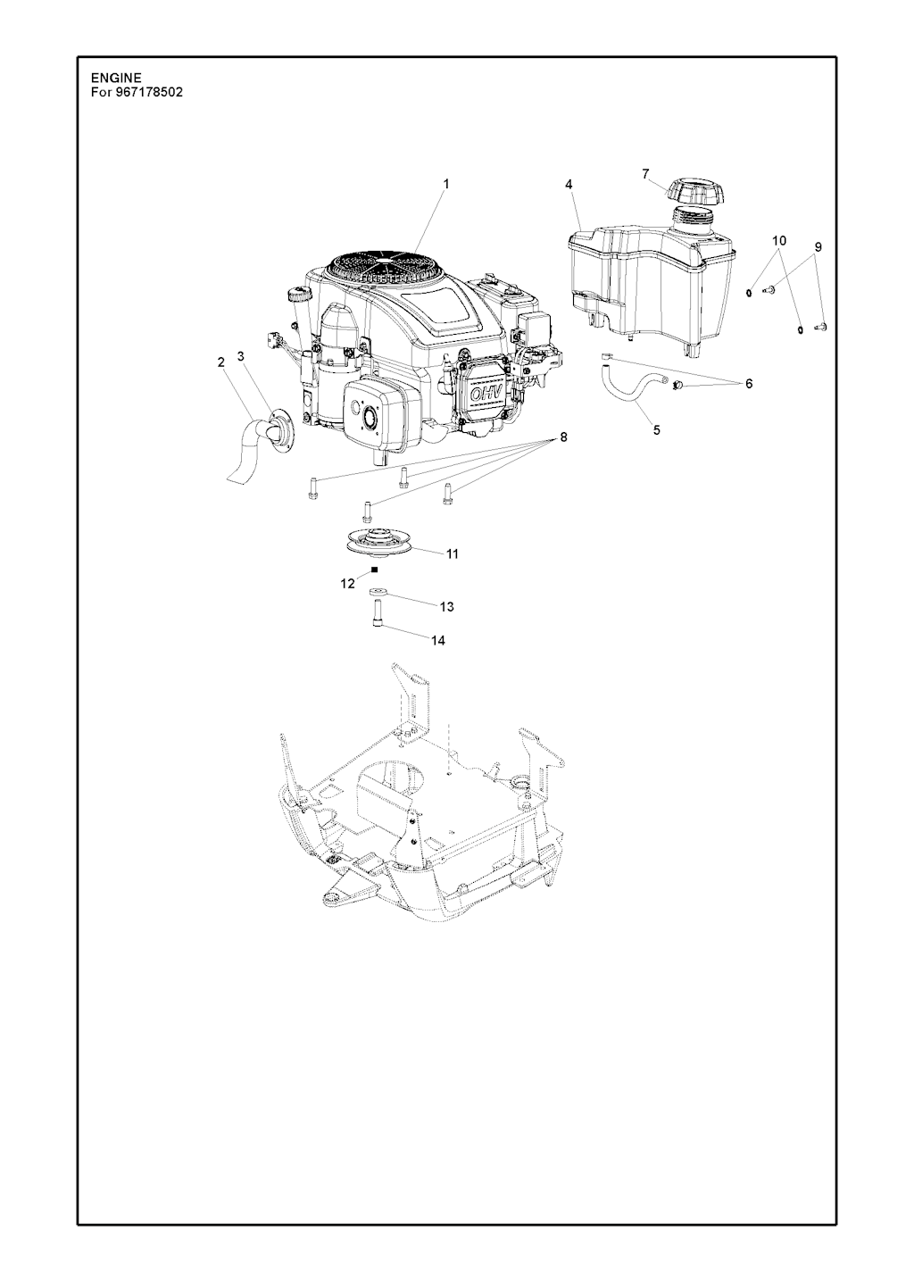
Husqvarna 584 87 24-01 - Motor 11,5HP
1x
1.493,02 CHF
1
Husqvarna 580 38 90-01 - BLECH
1x
40,39 CHF
1
Husqvarna 581 61 38-01 - Motorabdeckung kpl.
1x
112,21 CHF
1
Husqvarna 575 83 92-02 - DECKEL *VR
1x
34,92 CHF
1
Husqvarna 574 85 48-03 - Folie
1x
4,00 CHF
2
Husqvarna 725 24 59-61 - SCHRAUBE
3x
4,41 CHF
2
Husqvarna 594 03 37-01 - Lenksystem
1x
80,98 CHF
2
Husqvarna 506 89 58-01 - COLLAR SCREW
2x
7,06 CHF
2
Husqvarna 574 26 95-01 - VERKABELUNG
1x
42,26 CHF
2
Husqvarna 580 35 50-01 - VERKABELUNG
1x
42,42 CHF
2
Husqvarna 725 23 64-61 - SCHRAUBE
8x
1,76 CHF
2
Husqvarna 725 23 64-61 - SCHRAUBE
8x
1,76 CHF
2
Husqvarna 581 04 15-01 - Sitzhalterung
1x
58,91 CHF
2
Husqvarna 584 24 43-01 - Schalldämpfer, kpl.
1x
139,46 CHF
2
Husqvarna 506 55 46-11 - KETTE
1x
37,15 CHF
2
Husqvarna 577 59 21-01 - Halter kpl.
1x
14,35 CHF
2
Husqvarna 581 61 34-01 - Deckel vorne
1x
33,83 CHF
2
Husqvarna 525 47 78-01 - BATTERIEBOX
1x
17,71 CHF
2
Husqvarna 506 50 48-03 - Scheibe B
2x
3,25 CHF
2
Husqvarna 586 03 10-01 - Aufkleber
1x
3,10 CHF
2
Husqvarna 522 45 09-01 - CROSS BAR
2x
27,95 CHF
3
Husqvarna 535 47 08-02 - RADACHSE
2x
46,62 CHF
3
Husqvarna 738 21 04-04 - KUGELLAGER
1x
8,03 CHF
3
Husqvarna 732 21 18-01 - LOCK NUT
4x
1,96 CHF
3
Husqvarna 506 55 47-01 - GELENK
1x
4,79 CHF
3
Husqvarna 574 26 96-01 - VERKABELUNG
1x
15,04 CHF
3
Husqvarna 506 59 74-01 - SCHRAUBE
2x
5,01 CHF
3
Husqvarna 506 59 74-01 - SCHRAUBE
8x
5,01 CHF
3
Husqvarna 584 80 51-01 - Zwischenstück
1x
24,61 CHF
3
Husqvarna 502 43 52-01 - SCHRAUBE
4x
1,19 CHF
3
Husqvarna 581 61 41-01 - Deckel
1x
28,13 CHF
3
Husqvarna 521 88 91-01 - FUSSPLATTE
1x
36,25 CHF
3
Husqvarna 585 35 84-02 - Abstandshülse
2x
7,77 CHF
3
Husqvarna 575 22 26-01 - AUFKLEBER
1x
5,20 CHF
4
Husqvarna 734 11 54-41 - SCHEIBE
1x
1,81 CHF
4
Husqvarna 506 91 53-01 - DRUCKFEDER
1x
20,44 CHF
4
Husqvarna 581 61 43-01 - Kraftstofftank
1x
33,83 CHF
4
Husqvarna 506 55 65-01 - LAGER
1x
5,64 CHF
4
Husqvarna 581 61 42-01 - Deckel hinten links
1x
23,78 CHF
4
Husqvarna 521 88 92-02 - FUSSPLATTE
1x
36,25 CHF
4
Husqvarna 581 04 82-06 - Aufkleber Modelname R112C5
1x
5,08 CHF
4
Husqvarna 735 58 52-00 - SCHEIBE
2x
5,08 CHF
5
Husqvarna 522 42 52-01 - STOPPHÜLSE
1x
18,24 CHF
5
Husqvarna 581 56 67-01 - Achse
1x
54,90 CHF
5
Husqvarna 734 11 74-41 - SCHEIBE
1x
3,69 CHF
5
Husqvarna 544 43 98-01 - RELAIS
1x
14,93 CHF
5
Husqvarna 532 42 82-87 - STOPFEN
1x
11,92 CHF
5
Husqvarna 504 80 00-15 - Kraftstoffschlauch DI=6.4 L=130
1x
9,47 CHF
5
Husqvarna 525 40 47-01 - HALTER
1x
34,44 CHF
5
Husqvarna 584 26 31-01 - Deckel hinten rechts
1x
23,24 CHF
5
Husqvarna 522 60 18-01 - Deckel,Mid Channel
1x
35,72 CHF
5
Husqvarna 544 35 35-03 - RADKAPPE
2x
12,27 CHF
5
Husqvarna 577 06 20-01 - Aufkleber
1x
13,38 CHF
5
Husqvarna 522 60 23-01 - GESTAENGE
1x
12,45 CHF
6
Husqvarna 522 42 53-01 - ABSTANDSSCHEIBE
1x
7,53 CHF
6
Husqvarna 506 90 96-01 - SCHALTER
1x
15,52 CHF
6
Husqvarna 725 24 93-71 - SCHRAUBE
1x
5,12 CHF
6
Husqvarna 504 80 00-15 - Kraftstoffschlauch DI=6.4 L=130
1x
9,47 CHF
6
Husqvarna 535 46 97-01 - HOSE BRACE
2x
5,08 CHF
6
Husqvarna 721 61 87-01 - SPANNHÜLSE
1x
5,08 CHF
6
Husqvarna 584 92 67-01 - Feder
2x
3,38 CHF
6
Husqvarna 521 89 07-01 - DECKEL
1x
50,12 CHF
6
Husqvarna 544 35 35-01 - Radkappe A
2x
7,87 CHF
7
Husqvarna 579 72 04-01 - WELLE
1x
36,25 CHF
7
Husqvarna 535 47 52-12 - SCHRAUBE
1x
2,53 CHF
7
Husqvarna 506 90 97-01 - FEDERSCHEIBE
1x
11,67 CHF
7
Husqvarna 735 21 64-00 - SICHERUNGSSCHEIBE
4x
2,36 CHF
7
Husqvarna 535 46 97-01 - HOSE BRACE
2x
5,08 CHF
7
Husqvarna 584 24 87-02 - FUEL CAP
1x
28,80 CHF
7
Husqvarna 525 40 66-01 - KOLBEN
1x
9,13 CHF
7
Husqvarna 522 50 81-01 - Deckel,Joint
1x
11,21 CHF
7
Husqvarna 521 88 93-02 - KONTROLLPANEL
1x
25,80 CHF
7
Husqvarna 525 58 49-01 - RAD
2x
134,31 CHF
7
Husqvarna 574 32 88-01 - EINSTELLHEBEL
1x
9,80 CHF
8
Husqvarna 580 26 74-01 - ACHSE
1x
120,73 CHF
8
Husqvarna 581 15 82-01 - RIEMENSCHEIBE
2x
9,71 CHF
8
Husqvarna 544 44 12-01 - FEDER
1x
3,59 CHF
8
Husqvarna 506 57 01-03 - SCHRAUBE
4x
3,47 CHF
8
Husqvarna 532 43 96-45 - FUEL CAP
1x
27,98 CHF
8
Husqvarna 721 61 83-01 - SPANNHÜLSE
2x
0,53 CHF
8
Husqvarna 503 89 47-03 - SCHNAPPVERSCHLUSS
2x
11,14 CHF
8
Husqvarna 525 58 47-01 - RAD
2x
135,74 CHF
9
Husqvarna 522 42 45-01 - HÜLSE
1x
8,71 CHF
9
Husqvarna 732 21 18-01 - LOCK NUT
2x
1,96 CHF
9
Husqvarna 734 11 64-01 - SCHEIBE
4x
5,08 CHF
9
Husqvarna 506 55 63-01 - SCREW UNC
2x
2,87 CHF
9
Husqvarna 544 40 04-01 - SCHRAUBE
2x
2,14 CHF
9
Husqvarna 522 56 02-02 - Blech
1x
54,90 CHF
9
Husqvarna 506 50 48-05 - Scheibe A
8x
2,46 CHF
9
Husqvarna 544 40 05-01 - SCHRAUBE
8x
2,22 CHF
10
Husqvarna 574 36 85-01 - LAGER
2x
6,95 CHF
10
Husqvarna 732 21 18-01 - LOCK NUT
4x
1,96 CHF
10
Husqvarna 734 11 64-01 - SCHEIBE
2x
5,08 CHF
10
Husqvarna 734 11 64-01 - SCHEIBE
1x
5,08 CHF
10
Husqvarna 735 21 64-01 - SCHEIBE
2x
5,08 CHF
10
Husqvarna 525 47 79-01 - DECKEL
1x
27,24 CHF
10
Husqvarna 574 67 17-01 - LAGER
4x
6,23 CHF
11
Husqvarna 506 57 01-06 - SCHRAUBE
4x
5,01 CHF
11
Husqvarna 738 21 04-04 - KUGELLAGER
4x
8,03 CHF
11
Husqvarna 734 11 64-01 - SCHEIBE
3x
5,08 CHF
11
Husqvarna 577 19 99-01 - KABEL KPL.
2x
19,53 CHF
11
Husqvarna 522 82 76-01 - RIEMENSCHEIBE
1x
52,80 CHF
11
Husqvarna 525 39 61-01 - DECKEL
1x
43,90 CHF
11
Husqvarna 573 98 14-01 - REIFEN
4x
54,18 CHF
12
Husqvarna 590 26 82-01 - RAHMEN
1x
315,20 CHF
12
Husqvarna 506 55 46-01 - KETTE
1x
20,37 CHF
12
Husqvarna 544 44 21-01 - ZÜNDSCHLOSS
1x
27,20 CHF
12
Husqvarna 725 24 57-51 - SCHRAUBE
4x
4,36 CHF
12
Husqvarna 506 55 59-02 - KEIL
1x
3,51 CHF
12
Husqvarna 589 53 14-01 - Riemen Messerantrieb
1x
64,83 CHF
12
Husqvarna 725 24 53-71 - SCHRAUBE
7x
3,11 CHF
12
Husqvarna 725 24 53-71 - SCHRAUBE
7x
3,11 CHF
13
Husqvarna 581 55 09-01 - Halter
1x
60,60 CHF
13
Husqvarna 506 55 47-01 - GELENK
2x
4,79 CHF
13
Husqvarna 544 41 59-01 - SCHALTER
1x
23,78 CHF
13
Husqvarna 735 21 64-00 - SICHERUNGSSCHEIBE
3x
2,36 CHF
13
Husqvarna 506 59 75-01 - SCHEIBE
1x
7,39 CHF
13
Husqvarna 522 56 01-01 - STANGE
1x
9,08 CHF
13
Husqvarna 574 25 95-01 - RIEMENSCHEIBE
1x
80,15 CHF
13
Husqvarna 535 42 91-01 - FEDERMUTTER
2x
5,08 CHF
13
Husqvarna 573 98 16-01 - FELGE 20MM HÅL
2x
88,39 CHF
13
Husqvarna 573 98 15-01 - FELGE 19MM HÅL
2x
109,64 CHF
13
Husqvarna 522 52 32-01 - HALTER
1x
21,81 CHF
14
Husqvarna 581 61 35-01 - Halter, links
1x
18,50 CHF
14
Husqvarna 576 49 25-02 - RIEMENSCHEIBE
1x
26,93 CHF
14
Husqvarna 544 44 23-01 - MUTTER
1x
1,23 CHF
14
Husqvarna 544 40 04-01 - SCHRAUBE
2x
2,14 CHF
14
Husqvarna 506 55 60-02 - SCREW UNC
1x
5,90 CHF
14
Husqvarna 731 23 18-01 - SECHSKANTMUTTER
1x
2,49 CHF
14
Husqvarna 544 40 05-01 - SCHRAUBE
20x
2,22 CHF
14
Husqvarna 506 57 43-01 - Ventil
4x
5,17 CHF
14
Husqvarna 573 97 18-01 - DECKEL
1x
13,87 CHF
15
Husqvarna 581 61 36-01 - Halter, links
1x
17,06 CHF
15
Husqvarna 732 21 18-01 - LOCK NUT
1x
1,96 CHF
15
Husqvarna 506 67 54-02 - SCHRAUBE
1x
5,69 CHF
15
Husqvarna 544 44 24-01 - Schlüssel
1x
10,02 CHF
15
Husqvarna 578 25 93-01 - Scheibe
3x
4,68 CHF
15
Husqvarna 574 25 98-01 - WELLE
1x
23,69 CHF
15
Husqvarna 575 75 14-01 - DECKEL
1x
37,68 CHF
16
Husqvarna 581 61 36-02 - Halter, rechts
1x
11,88 CHF
16
Husqvarna 506 67 54-02 - SCHRAUBE
1x
5,69 CHF
16
Husqvarna 734 11 74-41 - SCHEIBE
1x
3,69 CHF
16
Husqvarna 574 31 61-01 - SCHALTER
1x
15,79 CHF
16
Husqvarna 525 49 13-01 - GELENK
1x
9,82 CHF
16
Husqvarna 574 17 21-01 - DECKEL
1x
39,40 CHF
17
Husqvarna 577 70 89-01 - TASTE
1x
3,83 CHF
17
Husqvarna 525 40 43-01 - FÜHRUNGSSCHIENE
1x
21,23 CHF
17
Husqvarna 544 44 07-01 - NIETE
2x
2,35 CHF
17
Husqvarna 578 25 91-01 - Halsschraube
2x
10,69 CHF
17
Husqvarna 525 40 44-01 - WELLE
1x
23,59 CHF
17
Husqvarna 544 40 05-01 - SCHRAUBE
4x
2,22 CHF
18
Husqvarna 725 23 68-61 - SCHRAUBE
2x
2,02 CHF
18
Husqvarna 574 39 72-01 - Batterie 20 Ah
1x
108,07 CHF
18
Husqvarna 506 91 45-01 - DICHTUNG
2x
7,01 CHF
18
Husqvarna 525 40 45-01 - WELLE
1x
11,88 CHF
18
Husqvarna 734 11 64-41 - SCHEIBE
5x
2,66 CHF
19
Husqvarna 725 23 68-61 - SCHRAUBE
3x
2,02 CHF
19
Husqvarna 731 23 20-51 - SECHSKANTMUTTER
2x
2,79 CHF
19
Husqvarna 522 62 21-01 - SCHRAUBE
2x
1,76 CHF
19
Husqvarna 725 23 64-61 - SCHRAUBE
2x
1,76 CHF
19
Husqvarna 539 91 90-78 - RIEMENSCHEIBE
3x
37,02 CHF
19
Husqvarna 574 17 20-01 - DECKEL
1x
30,19 CHF
20
Husqvarna 585 02 26-01 - Schutz
1x
4,99 CHF
20
Husqvarna 732 21 20-51 - MUTTER
2x
3,68 CHF
20
Husqvarna 522 62 43-01 - MUTTER
2x
2,01 CHF
20
Husqvarna 522 82 76-01 - RIEMENSCHEIBE
1x
52,80 CHF
20
Husqvarna 506 90 56-01 - RAD
2x
22,73 CHF
20
Husqvarna 589 53 28-01 - Riemen
1x
43,65 CHF
20
Husqvarna 585 07 71-01 - Aufkleber
1x
4,66 CHF
21
Husqvarna 535 47 52-12 - SCHRAUBE
2x
2,53 CHF
21
Husqvarna 721 43 47-01 - FEDERSTIFT
1x
5,08 CHF
21
Husqvarna 575 26 99-01 - KABELKLEMME
1x
5,08 CHF
21
Husqvarna 574 41 20-01 - ROHR
1x
11,16 CHF
21
Husqvarna 574 31 58-01 - HALTER
1x
11,95 CHF
21
Husqvarna 734 11 64-41 - SCHEIBE
5x
2,66 CHF
21
Husqvarna 734 11 64-41 - SCHEIBE
5x
2,66 CHF
21
Husqvarna 522 60 29-01 - RIEMENSPANNER
1x
14,14 CHF
22
Husqvarna 732 21 16-01 - LOCK NUT
2x
1,24 CHF
22
Husqvarna 722 79 54-02 - NIETE
1x
2,09 CHF
22
Husqvarna 506 59 75-01 - SCHEIBE
1x
7,39 CHF
22
Husqvarna 725 24 59-51 - SCHRAUBE
3x
5,01 CHF
23
Husqvarna 725 23 64-61 - SCHRAUBE
1x
1,76 CHF
23
Husqvarna 506 55 60-02 - SCREW UNC
1x
5,90 CHF
23
Husqvarna 735 31 18-20 - FEDERRING
2x
5,08 CHF
23
Husqvarna 574 51 00-01 - Folie
2x
2,79 CHF
24
Husqvarna 506 89 98-01 - MUTTER
3x
5,08 CHF
24
Husqvarna 506 55 59-02 - KEIL
1x
3,51 CHF
24
Husqvarna 506 94 69-01 - RIEMENSCHEIBE
1x
36,57 CHF
24
Husqvarna 573 96 95-01 - RIEMENSPANNER
1x
18,22 CHF
25
Husqvarna 506 59 74-01 - SCHRAUBE
1x
5,01 CHF
25
Husqvarna 506 57 01-03 - SCHRAUBE
10x
3,47 CHF
25
Husqvarna 506 57 01-03 - SCHRAUBE
6x
3,47 CHF
26
Husqvarna 584 29 88-01 - Feder
1x
11,79 CHF
27
Husqvarna 506 67 54-02 - SCHRAUBE
4x
5,69 CHF
27
Husqvarna 725 25 00-51 - SCHRAUBE
1x
5,09 CHF
27
Husqvarna 581 76 52-01 - SCHEIBE
2x
2,61 CHF
28
Husqvarna 734 11 74-41 - SCHEIBE
2x
3,69 CHF
28
Husqvarna 732 21 20-51 - MUTTER
1x
3,68 CHF
28
Husqvarna 506 57 01-04 - SCHRAUBE
2x
3,95 CHF
28
Husqvarna 506 88 91-01 - KNOPF
1x
4,93 CHF
29
Husqvarna 734 11 64-01 - SCHEIBE
1x
5,08 CHF
29
Husqvarna 574 87 41-01 - SCHEIBE
2x
2,59 CHF
29
Husqvarna 522 50 59-01 - DROSSELREGELUNG
1x
18,24 CHF
29
Husqvarna 574 46 07-01 - RIEMENSCHEIBE
2x
32,59 CHF
30
Husqvarna 506 57 01-03 - SCHRAUBE
3x
3,47 CHF
30
Husqvarna 522 83 16-01 - HALTER
1x
12,84 CHF
30
Husqvarna 544 30 17-04 - KABEL
1x
53,45 CHF
30
Husqvarna 506 53 35-01 - FLACHKEIL
4x
4,01 CHF
31
Husqvarna 725 23 68-61 - SCHRAUBE
2x
2,02 CHF
31
Husqvarna 575 24 03-01 - BLECH
1x
18,31 CHF
31
Husqvarna 573 96 65-01 - ROHR
2x
7,33 CHF
32
Husqvarna 734 11 74-41 - SCHEIBE
2x
3,69 CHF
32
Husqvarna 506 57 01-04 - SCHRAUBE
2x
3,95 CHF
32
Husqvarna 573 96 86-02 - Lagergehäuse kpl.
2x
109,05 CHF
33
Husqvarna 506 50 48-05 - Scheibe A
2x
2,46 CHF
33
Husqvarna 523 34 60-02 - SPERRHEBEL
2x
13,68 CHF
33
Husqvarna 581 06 11-01 - Mähdeckgehäuse
1x
524,00 CHF
33
Husqvarna 581 06 11-01 - Mähdeckgehäuse
1x
524,00 CHF
34
Husqvarna 581 86 51-01 - Halter
1x
6,52 CHF
34
Husqvarna 506 91 62-01 - MUTTER
1x
5,45 CHF
34
Husqvarna 735 31 15-20 - FEDERRING
2x
5,08 CHF
35
Husqvarna 732 21 16-01 - LOCK NUT
3x
1,24 CHF
35
Husqvarna 584 81 88-01 - Riemescheibe
1x
79,06 CHF
35
Husqvarna 525 31 65-01 - GESTAENGE
1x
14,41 CHF
36
Husqvarna 574 37 78-01 - FEDER
1x
2,97 CHF
37
Husqvarna 589 56 17-01 - Riemen
1x
31,17 CHF
37
Husqvarna 574 40 66-01 - PEDALPLATTE KPL.
1x
127,53 CHF
37
Husqvarna 574 04 17-01 - STOPFEN
1x
51,85 CHF
38
Husqvarna 725 64 53-01 - SCHRAUBE
1x
0,93 CHF
39
Husqvarna 735 31 22-00 - SICHERUNGSRING
2x
5,08 CHF
39
Husqvarna 574 37 77-01 - SCHALTHEBEL
1x
24,51 CHF
39
Husqvarna 581 24 97-01 - Adapter
2x
15,91 CHF
40
Husqvarna 735 31 09-20 - FEDERRING
1x
0,54 CHF
40
Husqvarna Messer Combi 85
2x
35,99 CHF
41
Husqvarna 574 41 20-01 - ROHR
1x
11,16 CHF
41
Husqvarna 732 21 14-01 - LOCK NUT
2x
5,08 CHF
41
Husqvarna 506 79 23-03 - Messerscheibe
2x
11,72 CHF
42
Husqvarna 506 57 01-03 - SCHRAUBE
6x
3,47 CHF
42
Husqvarna 506 55 73-01 - VINKELL.AS8 DIN71802
2x
7,71 CHF
42
Husqvarna 574 40 76-02 - BREMSZUG
2x
32,12 CHF
43
Husqvarna 581 96 04-01 - Halter
1x
13,54 CHF
43
Husqvarna 574 41 11-04 - REGULIERUNG VOR/RUECKWAERTS
1x
68,73 CHF
43
Husqvarna 522 45 19-01 - RAHMEN
1x
71,55 CHF
44
Husqvarna 721 61 87-01 - SPANNHÜLSE
4x
5,08 CHF
45
Husqvarna 574 87 41-01 - SCHEIBE
1x
2,59 CHF
45
Husqvarna 574 26 45-01 - SCHEIBE
4x
4,30 CHF
46
Husqvarna 506 57 01-04 - SCHRAUBE
1x
3,95 CHF
46
Husqvarna 735 31 12-20 - FEDERRING
1x
0,59 CHF
46
Husqvarna 522 73 59-01 - LAUFRAD
2x
39,46 CHF
47
Husqvarna 506 55 65-01 - LAGER
2x
5,64 CHF
47
Husqvarna 725 24 55-51 - SCHRAUBE
1x
2,53 CHF
48
Husqvarna 581 85 28-01 - Halter
2x
12,51 CHF
49
Husqvarna 721 61 52-01 - SPANNHÜLSE
2x
5,08 CHF
49
Husqvarna 503 89 47-01 - KLAMMER F. ABDECKHAUBE 595303001
1x
4,30 CHF
50
Husqvarna 581 96 02-01 - Halter
1x
14,14 CHF
50
Husqvarna 738 21 02-04 - KUGELLAGER
2x
6,53 CHF
52
Husqvarna 544 44 07-01 - NIETE
2x
2,35 CHF
53
Husqvarna 574 31 61-01 - SCHALTER
1x
15,79 CHF
54
Husqvarna 544 41 57-01 - HALTER
1x
5,45 CHF
54
Husqvarna 725 24 51-71 - SCHRAUBE
8x
3,51 CHF
55
Husqvarna 525 85 57-01 - ARM
1x
16,92 CHF
56
Husqvarna 525 32 05-01 - HALTER
1x
7,06 CHF
56
Husqvarna 581 85 53-01 - Halter
4x
8,15 CHF
56
Husqvarna 734 11 65-41 - SCHEIBE
2x
2,53 CHF
57
Husqvarna 735 31 18-00 - Sicherungsring
1x
5,08 CHF
57
Husqvarna 506 56 65-01 - KLAMMER
2x
5,08 CHF
57
Husqvarna 506 56 65-01 - KLAMMER
1x
5,08 CHF
57
Husqvarna 575 80 21-01 - BLECH
1x
22,18 CHF
58
Husqvarna 525 32 06-01 - RIEMENSCHEIBE
1x
63,44 CHF
59
Husqvarna 506 50 48-05 - Scheibe A
1x
2,46 CHF
59
Husqvarna 575 35 52-01 - FEDER
1x
6,96 CHF
61
Husqvarna 721 83 99-01 - STIFT
2x
4,37 CHF
62
Husqvarna 506 95 25-02 - KABELSATZ
2x
37,44 CHF
63
Husqvarna 734 11 64-01 - SCHEIBE
4x
5,08 CHF
63
Husqvarna 506 53 56-03 - ZUGFEDER
1x
4,70 CHF
64
Husqvarna 732 21 18-01 - LOCK NUT
4x
1,96 CHF
64
Husqvarna 574 36 97-02 - Halter
1x
26,67 CHF
65
Husqvarna 721 61 52-01 - SPANNHÜLSE
2x
5,08 CHF
66
Husqvarna 725 24 60-71 - SCHRAUBE
2x
5,13 CHF
67
Husqvarna 506 55 59-02 - KEIL
1x
3,51 CHF
68
Husqvarna 522 82 76-01 - RIEMENSCHEIBE
1x
52,80 CHF
69
Husqvarna 506 59 75-01 - SCHEIBE
1x
7,39 CHF
70
Husqvarna 506 55 60-02 - SCREW UNC
1x
5,90 CHF
72
Husqvarna 574 50 61-01 - FEDER
1x
7,48 CHF
73
Husqvarna 575 56 72-02 - FEDER
1x
9,42 CHF
74
Husqvarna 577 41 85-01 - HALTER
1x
5,41 CHF
75
Husqvarna 725 24 57-51 - SCHRAUBE
1x
4,36 CHF

Produktbewertungen unserer Kunden
Unsere Bewertungen sind zu 100% echt.
Bewertungen von Kunden, die ihre Ware nicht bei uns gekauft haben, werden entsprechend gekennzeichnet.
Bewertungen mit diesem Symbol stammen von verifizierten Käufern!
Zu diesem Produkt gibt es noch keine Kundenbewertungen.
Sie können die erste Person sein, die zu diesem Produkt eine Bewertung schreibt.