koempf24_ch Logo
Unsere Seite verwendet Cookies und ähnliche Technologien, um die Benutzererfahrung auf unserer Website zu verbessern, Inhalte und Anzeigen zu personalisieren und die Nutzung unserer Website zu analysieren. Mit Ihrer Einwilligung stimmen Sie der Verwendung von Cookies sowie der Verarbeitung Ihrer persönlichen Daten zu, um Ihnen ein bestmögliches Surferlebnis und mehr Funktionen zu bieten.

Sie können Ihre Einwilligung jederzeit in den Cookie-Einstellungen anpassen oder widerrufen.
Das von Ihnen gesuchte Produkt "DOMO Collection Longchair SOLITÄR" ist leider nicht mehr verfügbar. Sie wurden daher auf eine passende Kategorie weitergeleitet.
Experten-Beratung Lassen Sie sich von unseren Experten über das Kontaktformular beraten.
Artikelnummer: 4346548
Hier können Sie unsere qualifizierten Fachberater zur Planung Ihrer Bestellung kontaktieren.
Zum Kontaktformular
Hier erhalten Sie allgemeine Informationen zum Bestellprozess, der Lieferung, der Zahlung und mehr.
Zum FAQ
Hier können Sie Feedback zu dieser Seite abgeben oder unerwartete Inhalte und Auffälligkeiten melden.

Husqvarna Rasenmäher kommerzielle Nutzung 967099601 LC 551VBP

Husqvarna Rasenmäher kommerzielle Nutzung 967099601 LC 551VBP

Nicht lieferbar
Dieser Artikel ist leider nicht mehr zu bestellen. Wir empfehlen Ihnen eine alternative Artikelwahl aus dieser Kategorie. Wir wünschen Ihnen viel Spaß beim Stöbern.
Andere Produkte der Kategorie Husqvarna Ersatzteilzeichnungen
Artikel-Nr.: 4346548
  • Deutschlands bester Händler
  • Trusted Shops Käuferschutz
  • Rechnungskauf
  • Montageservice
  • Verlängerte Rückgabefrist

Husqvarna Logo

Husqvarna

Der schwedische Hersteller Husqvarna bietet Ihnen Motorgeräte für die Forst-, Garten- sowie Landschaftspflege. Bereits 1689 begann die Unternehmensgeschichte, damals noch mit der Herstellung von Musketen. Somit profitiert das Unternehmen von mehr als 325 Jahre langer Erfahrung – und somit auch seine Kunden.

Die Zufriedenheit der Kunden ist dem international bekannten Unternehmen besonders wichtig. Daher arbeitet Husqvarna eng mit dem Anwender zusammen, auch nach dem Kauf steht das Unternehmen seinen Käufern mit Rat und Tat zur Seite. Sie können sich bei den Husqvarna Produkten daher auf eine kompromisslose Qualität, Benutzerfreundlichkeit sowie Spitzenleistung verlassen.
 

Garantie

Als unser Kunde genießen Sie auch nach dem Kauf Ihres Husqvarna-Produkts zahlreiche Vorteile! Im Garantiefall sind wir Ihr erster Ansprechpartner und werden Ihnen gerne weiterhelfen. Wir verfügen über eine eigene Hersteller-Werkstatt, sind qualifiziert und berechtigt, im Garantiefall alle nötigen Reparaturen an Ihrem Husqvarna-Gerät durchzuführen.

Das bedeutet für Sie: Sie können sich jederzeit an uns wenden, als Ihr Händler bei dem Sie die Ware gekauft haben sind wir stets die erste Adresse. Selbstverständlich steht es Ihnen jedoch frei, sich an jeden anderen autorisierten Husqvarna-Händler zu wenden.

Gegen Vorlegen Ihres Kaufbeleges (inklusive ausgefüllter Garantiekarte) aus unserem Shop können Sie wohnortnah - in ganz Europa, in der Schweiz und in Großbritannien - Ihr registriertes Produkt zur Garantieüberprüfung vorlegen. Der lokale Husqvarna Servicehändler wird im Garantiefall defekte Teile ausschließlich durch original Husqvarna-Ersatzteile und Zubehör ersetzen. 

 

Husqvarna Händler mit Onlineshop 

Ausschließlich autorisierte, qualifizierte Händler dürfen Husqvarna Produkte verkaufen. So erhalten Sie als Kunde fachgerechte Auskunft zu Ihren Fragen. Wir sind ein autorisierter Husqvarna Fachhändler mit eigener Werkstatt. Vor jeder Auslieferung werden die Geräte entsprechend der Herstellervorgaben geprüft.

 

Stationärer Handel:
Kömpf Baumarkt GmbH
Leibnizstr. 2
75365 Calw

 

Husqvarna Geräte

Husqvarna AB
Regeringsgatan 28
11153 Stockholm
Schweden
verkauf@husqvarna.de
Verantwortliche Person:
Husqvarna Deutschland GmbH
Hans-Lorenser-Strasse 40
89079 Ulm
Deutschland
verkauf@husqvarna.de

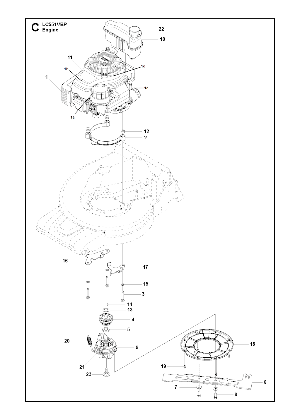
99 von insgesamt 99 eingezeichneten Ersatzteilen in Explosionszeichnung Nr. 1

1
Husqvarna 531 20 57-15 - FEDER
1x
7,66 CHF
1
Husqvarna 587 10 18-02 - Regulierung
1x
20,91 CHF
1
Husqvarna 587 19 70-01 - Rahmen
1x
66,92 CHF
1a
Husqvarna 598 66 44-01 - Luftfilter
1x
29,87 CHF
1b
Husqvarna 598 66 43-01 - Kraftstofffilter
1x
8,62 CHF
1c
Husqvarna 578 15 92-01 - Ölfilter
1x
29,72 CHF
1d
Husqvarna 531 02 97-42 - ZUENDKERZE
1x
3,32 CHF
2
Husqvarna 582 52 61-01 - Motorgehäuse
1x
6,64 CHF
2
Husqvarna 587 19 71-01 - Fangsack
1x
66,77 CHF
3
Husqvarna 587 19 85-01 - Stange
1x
28,73 CHF
3
Husqvarna 582 68 17-02 - Regulierung
1x
21,13 CHF
3
Husqvarna 578 29 48-02 - Schraube
3x
5,08 CHF
3
Husqvarna 588 18 84-02 - Einstellhebel
1x
5,77 CHF
4
Husqvarna 501 62 25-01 - Bushing
2x
4,60 CHF
4
Husqvarna 503 32 09-02 - Buchse
4x
4,66 CHF
4
Husqvarna 582 17 88-01 - Riemenscheibe kpl.
1x
37,82 CHF
4
Husqvarna 588 18 85-02 - Einstellhebel
1x
6,85 CHF
5
Husqvarna 531 20 73-85 - SCHRAUBE
17x
5,08 CHF
5
Husqvarna 501 11 01-01 - Rohr
1x
13,12 CHF
5
Husqvarna 582 38 56-01 - Abstand
1x
7,93 CHF
5
Husqvarna 502 43 53-01 - SCHRAUBE
2x
1,17 CHF
6
Husqvarna 531 21 32-25 - DECKEL
1x
6,06 CHF
6
Husqvarna 535 47 52-45 - SCHRAUBE EHHFM
1x
3,30 CHF
6
Husqvarna 582 14 94-10 - Messer
1x
32,28 CHF
7
Husqvarna 579 81 93-05 - Riemen Antrieb H
1x
21,92 CHF
7
Husqvarna 575 74 65-01 - SCHEIBE
2x
3,93 CHF
8
Husqvarna 582 14 17-01 - Getriebegehäuse MC602 + 782HD
1x
338,40 CHF
8
Husqvarna 582 51 21-01 - Bedienelement
1x
96,18 CHF
8
Husqvarna 725 24 93-71 - SCHRAUBE
2x
5,12 CHF
9
Husqvarna 589 66 94-01 - Klammer
1x
4,86 CHF
9
Husqvarna 587 19 74-04 - Einstellhebel
1x
71,15 CHF
9
Husqvarna 529 29 90-01 - Kupplung
1x
314,29 CHF
10
Husqvarna 531 20 66-52 - STÜTZE
2x
5,08 CHF
10
Husqvarna 725 23 68-61 - SCHRAUBE
1x
2,02 CHF
10
Husqvarna 587 31 41-01 - Tank kpl.
1x
29,39 CHF
11
Husqvarna 587 19 80-02 - Achse
1x
75,38 CHF
11
Husqvarna 587 10 27-01 - Öse
1x
4,68 CHF
11
Husqvarna 588 99 31-02 - Folie
1x
4,74 CHF
12
Husqvarna 581 74 67-01 - Knopf
1x
4,50 CHF
12
Husqvarna 579 13 46-01 - Kabelhalter
2x
4,16 CHF
12
Husqvarna 582 59 64-01 - Abstandsscheibe
3x
6,44 CHF
13
Husqvarna 581 17 86-02 - Blech
1x
9,78 CHF
13
Husqvarna 582 38 00-01 - Kabel
1x
38,46 CHF
13
Husqvarna 582 33 42-01 - Scheibe
1x
2,89 CHF
14
Husqvarna 582 67 36-01 - Scheibenfeder
1x
3,83 CHF
15
Husqvarna 587 19 84-01 - Bolzen
1x
2,65 CHF
15
Husqvarna 588 87 75-01 - Schraube
2x
5,08 CHF
15
Husqvarna 531 20 89-74 - SCHEIBE
3x
5,08 CHF
16
Husqvarna 732 21 18-01 - LOCK NUT
2x
1,96 CHF
16
Husqvarna 582 13 96-01 - Halter
1x
10,33 CHF
17
Husqvarna 587 19 82-02 - Kolben
1x
3,95 CHF
17
Husqvarna 734 11 64-01 - SCHEIBE
2x
5,08 CHF
17
Husqvarna 582 14 07-01 - Halter
1x
8,27 CHF
18
Husqvarna 587 19 75-06 - Rahmen
1x
336,09 CHF
18
Husqvarna 588 20 48-04 - Kabel
1x
33,62 CHF
18
Husqvarna 582 86 67-01 - Kupplungsdeckel
1x
17,60 CHF
19
Husqvarna 531 20 73-85 - SCHRAUBE
4x
5,08 CHF
19
Husqvarna 501 07 89-01 - Stütze
2x
4,82 CHF
20
Husqvarna 591 16 26-01 - Stütze
2x
4,68 CHF
20
Husqvarna 582 68 25-01 - Bremsfeder
1x
7,66 CHF
21
Husqvarna 587 19 81-01 - Achse
1x
67,43 CHF
21
Husqvarna 582 66 25-02 - Blech
1x
9,78 CHF
21
Husqvarna 582 67 37-01 - Feder
1x
5,86 CHF
22
Husqvarna 501 96 60-01 - DEFLEKTOR
1x
27,16 CHF
22
Husqvarna 502 43 52-01 - SCHRAUBE
2x
1,19 CHF
22
Husqvarna 588 44 59-01 - Tankdeckel
1x
19,21 CHF
23
Husqvarna 732 25 14-01 - MUTTER
2x
2,11 CHF
23
Husqvarna 586 60 56-01 - Schraube
1x
8,56 CHF
24
Husqvarna 582 14 12-01 - Halter
1x
7,74 CHF
25
Husqvarna 531 20 49-21 - Schraube
1x
3,47 CHF
26
Husqvarna 587 19 67-02 - Stützbügel
1x
30,08 CHF
27
Husqvarna 587 19 72-01 - Luke
1x
35,27 CHF
28
Husqvarna 584 15 94-01 - Verschlussmutter
4x
4,51 CHF
30
Husqvarna 587 19 79-01 - Staubschutz
2x
6,64 CHF
31
Husqvarna 725 23 31-51 - SCHRAUBE
2x
1,37 CHF
32
Husqvarna 589 85 98-03 - Rad kpl.
2x
24,80 CHF
33
Husqvarna 536 61 96-01 - Rad kpl.
2x
42,29 CHF
34
Husqvarna 577 09 28-01 - Scheibe
2x
5,08 CHF
35
Husqvarna 544 34 23-01 - Treibrad
2x
10,41 CHF
37
Husqvarna 584 40 46-01 - Kugellager
2x
5,30 CHF
38
Husqvarna 587 19 73-01 - Stange
1x
10,16 CHF
39
Husqvarna 587 23 72-01 - Knopf
2x
10,92 CHF
40
Husqvarna 732 21 18-01 - LOCK NUT
6x
1,96 CHF
41
Husqvarna 501 32 25-01 - FEDER
1x
3,77 CHF
42
Husqvarna 734 11 64-01 - SCHEIBE
4x
5,08 CHF
43
Husqvarna 588 87 75-01 - Schraube
3x
5,08 CHF
45
Husqvarna 588 15 74-01 - Scheibe
2x
1,86 CHF
46
Husqvarna 587 78 04-01 - Scheibe
2x
3,77 CHF
47
Husqvarna 731 43 18-01 - MUTTER
2x
1,81 CHF
48
Husqvarna 587 19 68-02 - Stützbügel
1x
22,84 CHF
49
Husqvarna 582 22 90-01 - Stossfänger, links
1x
14,90 CHF
50
Husqvarna 582 22 90-02 - Stossfänger, rechts
1x
16,27 CHF
51
Husqvarna Messer 51 cm
1x
28,41 CHF
52
Husqvarna 531 20 58-31 - FEDER
1x
4,19 CHF
53
Husqvarna 531 21 32-26 - Mulcheinsatz
1x
29,70 CHF
55
Husqvarna 589 99 50-01 - Adapterplatte
1x
5,27 CHF
56
Husqvarna 722 78 54-02 - NIETE
8x
2,09 CHF
57
Husqvarna 590 37 36-01 - Buchse
2x
24,24 CHF
59
Husqvarna 589 93 49-01 - Höheneinstellung
1x
8,95 CHF

Produktbewertungen unserer Kunden
Unsere Bewertungen sind zu 100% echt.
Bewertungen von Kunden, die ihre Ware nicht bei uns gekauft haben, werden entsprechend gekennzeichnet.
Bewertungen mit diesem Symbol stammen von verifizierten Käufern!
Zu diesem Produkt gibt es noch keine Kundenbewertungen.
Sie können die erste Person sein, die zu diesem Produkt eine Bewertung schreibt.