koempf24_ch Logo
Unsere Seite verwendet Cookies und ähnliche Technologien, um die Benutzererfahrung auf unserer Website zu verbessern, Inhalte und Anzeigen zu personalisieren und die Nutzung unserer Website zu analysieren. Mit Ihrer Einwilligung stimmen Sie der Verwendung von Cookies sowie der Verarbeitung Ihrer persönlichen Daten zu, um Ihnen ein bestmögliches Surferlebnis und mehr Funktionen zu bieten.

Sie können Ihre Einwilligung jederzeit in den Cookie-Einstellungen anpassen oder widerrufen.
Experten-Beratung Lassen Sie sich von unseren Experten über das Kontaktformular beraten.
Artikelnummer: 4344339
Hier können Sie unsere qualifizierten Fachberater zur Planung Ihrer Bestellung kontaktieren.
Zum Kontaktformular
Hier erhalten Sie allgemeine Informationen zum Bestellprozess, der Lieferung, der Zahlung und mehr.
Zum FAQ
Hier können Sie Feedback zu dieser Seite abgeben oder unerwartete Inhalte und Auffälligkeiten melden.

Husqvarna Rasenmäher gelegentliche Nutzung 970541401 LC 347VE

Husqvarna Rasenmäher gelegentliche Nutzung 970541401 LC 347VE

Nicht lieferbar
Dieser Artikel ist leider nicht mehr zu bestellen. Wir empfehlen Ihnen eine alternative Artikelwahl aus dieser Kategorie. Wir wünschen Ihnen viel Spaß beim Stöbern.
Andere Produkte der Kategorie Husqvarna Ersatzteilzeichnungen
Artikel-Nr.: 4344339
  • Deutschlands bester Händler
  • Trusted Shops Käuferschutz
  • Rechnungskauf
  • Montageservice
  • Verlängerte Rückgabefrist

Husqvarna Logo

Husqvarna

Der schwedische Hersteller Husqvarna bietet Ihnen Motorgeräte für die Forst-, Garten- sowie Landschaftspflege. Bereits 1689 begann die Unternehmensgeschichte, damals noch mit der Herstellung von Musketen. Somit profitiert das Unternehmen von mehr als 325 Jahre langer Erfahrung – und somit auch seine Kunden.

Die Zufriedenheit der Kunden ist dem international bekannten Unternehmen besonders wichtig. Daher arbeitet Husqvarna eng mit dem Anwender zusammen, auch nach dem Kauf steht das Unternehmen seinen Käufern mit Rat und Tat zur Seite. Sie können sich bei den Husqvarna Produkten daher auf eine kompromisslose Qualität, Benutzerfreundlichkeit sowie Spitzenleistung verlassen.
 

Garantie

Als unser Kunde genießen Sie auch nach dem Kauf Ihres Husqvarna-Produkts zahlreiche Vorteile! Im Garantiefall sind wir Ihr erster Ansprechpartner und werden Ihnen gerne weiterhelfen. Wir verfügen über eine eigene Hersteller-Werkstatt, sind qualifiziert und berechtigt, im Garantiefall alle nötigen Reparaturen an Ihrem Husqvarna-Gerät durchzuführen.

Das bedeutet für Sie: Sie können sich jederzeit an uns wenden, als Ihr Händler bei dem Sie die Ware gekauft haben sind wir stets die erste Adresse. Selbstverständlich steht es Ihnen jedoch frei, sich an jeden anderen autorisierten Husqvarna-Händler zu wenden.

Gegen Vorlegen Ihres Kaufbeleges (inklusive ausgefüllter Garantiekarte) aus unserem Shop können Sie wohnortnah - in ganz Europa, in der Schweiz und in Großbritannien - Ihr registriertes Produkt zur Garantieüberprüfung vorlegen. Der lokale Husqvarna Servicehändler wird im Garantiefall defekte Teile ausschließlich durch original Husqvarna-Ersatzteile und Zubehör ersetzen. 

 

Husqvarna Händler mit Onlineshop 

Ausschließlich autorisierte, qualifizierte Händler dürfen Husqvarna Produkte verkaufen. So erhalten Sie als Kunde fachgerechte Auskunft zu Ihren Fragen. Wir sind ein autorisierter Husqvarna Fachhändler mit eigener Werkstatt. Vor jeder Auslieferung werden die Geräte entsprechend der Herstellervorgaben geprüft.

 

Stationärer Handel:
Kömpf Baumarkt GmbH
Leibnizstr. 2
75365 Calw

 

Husqvarna Geräte

Husqvarna AB
Regeringsgatan 28
11153 Stockholm
Schweden
verkauf@husqvarna.de
Verantwortliche Person:
Husqvarna Deutschland GmbH
Hans-Lorenser-Strasse 40
89079 Ulm
Deutschland
verkauf@husqvarna.de

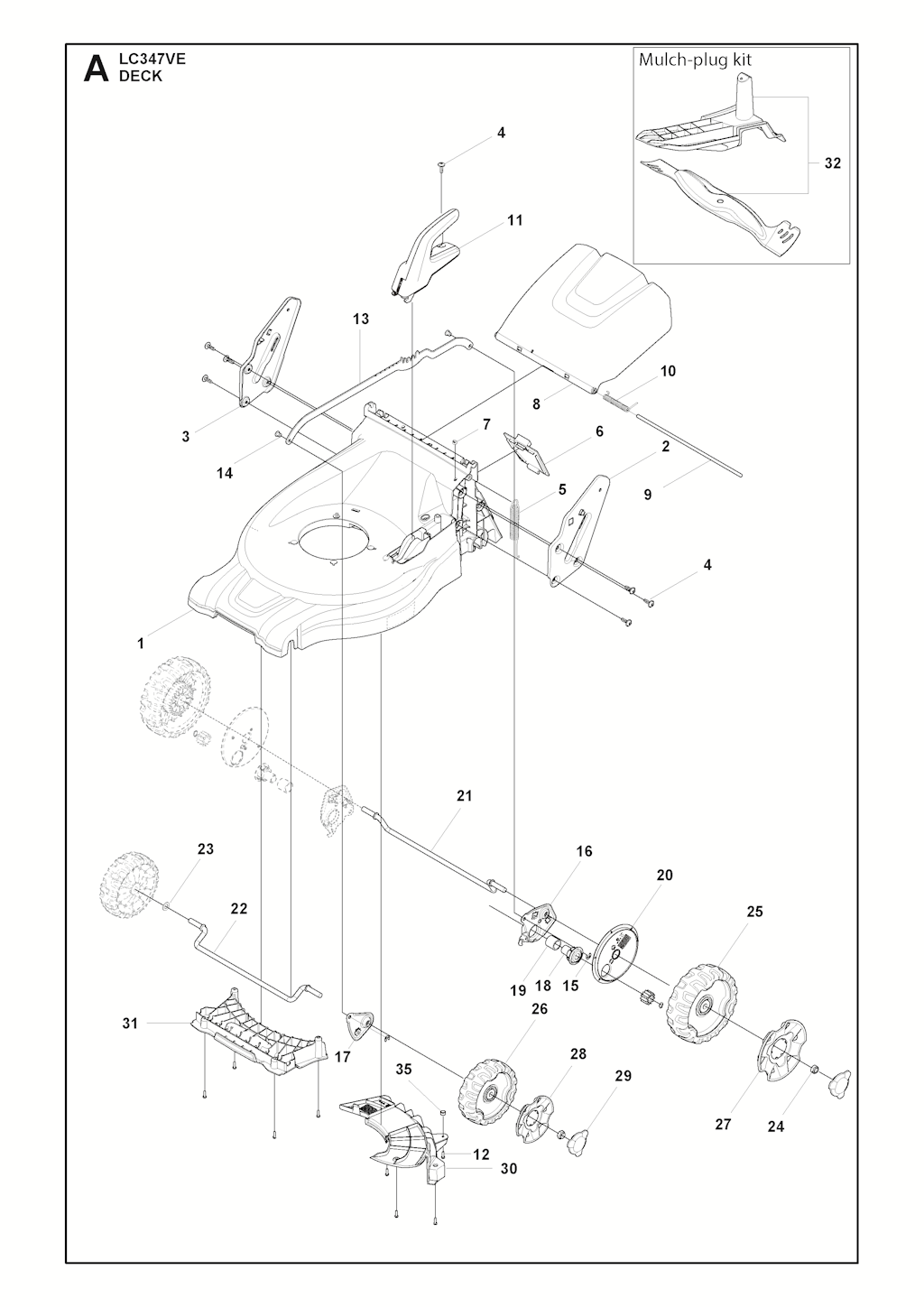
71 von insgesamt 71 eingezeichneten Ersatzteilen in Explosionszeichnung Nr. 1

1
Husqvarna 587 29 23-01 - Grassbag
1x
60,40 CHF
2
Husqvarna 587 21 21-02 - Stützbügel links
1x
21,89 CHF
2
Husqvarna 587 10 17-02 - Regulierung
1x
24,48 CHF
2
Husqvarna 578 29 51-01 - Hülse
3x
5,39 CHF
2
Husqvarna 587 18 20-01 - Rahmen
1x
42,15 CHF
3
Husqvarna 587 21 23-02 - Stützbügel rechts
1x
21,89 CHF
3
Husqvarna 587 10 18-02 - Regulierung
1x
20,91 CHF
3
Husqvarna 578 29 48-01 - Schraube
3x
5,08 CHF
3
Husqvarna 588 18 85-02 - Einstellhebel
1x
6,85 CHF
4
Husqvarna 578 17 58-02 - Schraube
7x
2,91 CHF
4
Husqvarna 501 88 28-02 - Messeraufnahme
1x
23,36 CHF
4
Husqvarna 588 18 84-02 - Einstellhebel
1x
5,77 CHF
5
Husqvarna 587 67 44-01 - Feder
1x
12,53 CHF
5
Husqvarna 502 43 53-01 - SCHRAUBE
1x
1,17 CHF
5
Husqvarna 503 32 09-02 - Buchse
4x
4,66 CHF
5
Husqvarna 503 25 94-01 - SCHEIBE
1x
2,87 CHF
6
Husqvarna 587 09 54-02 - Deckel
1x
7,15 CHF
6
Husqvarna Messer 47 cm
1x
26,98 CHF
7
Husqvarna 579 31 74-01 - Spannband
1x
0,80 CHF
7
Husqvarna 582 51 20-02 - Bedienelement
1x
63,23 CHF
7
Husqvarna 503 33 25-01 - FEDER 34x10.2x2.5
1x
4,62 CHF
8
Husqvarna 587 10 15-01 - Feder
1x
6,41 CHF
8
Husqvarna 582 90 40-01 - Kontaktstück
1x
4,10 CHF
8
Husqvarna 589 69 33-01 - Transmission kit 47cm
1x
155,84 CHF
9
Husqvarna 586 98 46-01 - Achse
1x
17,12 CHF
9
Husqvarna 579 13 46-01 - Kabelhalter
2x
4,16 CHF
9
Husqvarna 501 86 97-02 - Treibrad rechts
1x
12,63 CHF
10
Husqvarna 587 10 15-01 - Feder
1x
6,41 CHF
10
Husqvarna 501 86 97-01 - Treibrad links
1x
12,63 CHF
11
Husqvarna 587 10 14-03 - Luke
1x
35,16 CHF
11
Husqvarna 582 10 52-01 - Kabel 53cm
1x
35,07 CHF
12
Husqvarna 502 43 53-01 - SCHRAUBE
3x
1,17 CHF
12
Husqvarna 587 78 04-01 - Scheibe
2x
3,77 CHF
12
Husqvarna 589 32 46-02 - Riemen Antrieb E
1x
21,38 CHF
13
Husqvarna 587 16 08-01 - Stange
1x
22,00 CHF
13
Husqvarna 588 15 73-02 - Bolzen
2x
1,80 CHF
14
Husqvarna 587 68 70-01 - Welle
2x
4,74 CHF
14
Husqvarna 588 15 74-01 - Scheibe
2x
1,86 CHF
14
Husqvarna 582 04 11-01 - Bolzen
1x
1,09 CHF
15
Husqvarna 735 31 12-20 - FEDERRING
2x
0,59 CHF
15
Husqvarna 731 43 18-01 - MUTTER
2x
1,81 CHF
15
Husqvarna 582 17 89-01 - Riemenscheibe kpl.
1x
34,64 CHF
16
Husqvarna 587 07 25-01 - Stütze
2x
10,91 CHF
16
Husqvarna 587 23 72-01 - Knopf
2x
10,92 CHF
16
Husqvarna 504 45 64-02 - Schraube EHHU
1x
5,64 CHF
17
Husqvarna 587 07 24-01 - Stütze
1x
8,15 CHF
17
Husqvarna 506 57 01-04 - SCHRAUBE
2x
3,95 CHF
18
Husqvarna 501 86 10-01 - Buchse
2x
18,16 CHF
18
Husqvarna 732 21 18-01 - LOCK NUT
2x
1,96 CHF
19
Husqvarna 579 68 28-02 - Rohr
2x
6,95 CHF
19
Husqvarna 734 18 20-51 - Scheibe
2x
1,86 CHF
19
Husqvarna 593 97 32-01 - Halter
1x
7,21 CHF
20
Husqvarna 502 43 53-01 - SCHRAUBE
1x
1,17 CHF
20
Husqvarna 587 20 40-02 - Staubschutz
2x
9,03 CHF
20
Husqvarna 582 87 38-01 - Kabel
1x
20,70 CHF
21
Husqvarna 587 07 26-01 - Radachse
1x
42,21 CHF
21
Husqvarna 725 23 78-71 - * SCHRAUBE
2x
2,53 CHF
22
Husqvarna 587 07 26-02 - Radachse
1x
39,45 CHF
22
Husqvarna 504 46 05-01 - KEIL
1x
4,94 CHF
23
Husqvarna 577 09 28-01 - Scheibe
1x
5,08 CHF
24
Husqvarna 587 99 09-01 - Mutter M12x10
4x
3,42 CHF
24
Husqvarna 504 46 08-01 - SCHEIBE 18X12X1
2x
1,86 CHF
25
Husqvarna 582 30 57-01 - Rad kpl.
2x
24,80 CHF
26
Husqvarna 587 63 15-01 - Rad kpl.
2x
21,97 CHF
27
Husqvarna 584 15 93-01 - Radkappe
2x
7,01 CHF
28
Husqvarna 587 63 27-01 - Radkappe
2x
5,85 CHF
29
Husqvarna 584 15 94-01 - Verschlussmutter
4x
4,51 CHF
30
Husqvarna 587 19 99-02 - Riemenabdeckung 47cm
1x
29,41 CHF
31
Husqvarna 588 20 27-01 - Gleitplatte
1x
36,85 CHF
32
Husqvarna Mulchkit
1x
36,80 CHF
35
Husqvarna 582 33 31-01 - Abstand
1x
5,70 CHF

Produktbewertungen unserer Kunden
Unsere Bewertungen sind zu 100% echt.
Bewertungen von Kunden, die ihre Ware nicht bei uns gekauft haben, werden entsprechend gekennzeichnet.
Bewertungen mit diesem Symbol stammen von verifizierten Käufern!
Zu diesem Produkt gibt es noch keine Kundenbewertungen.
Sie können die erste Person sein, die zu diesem Produkt eine Bewertung schreibt.