koempf24_ch Logo
Unsere Seite verwendet Cookies und ähnliche Technologien, um die Benutzererfahrung auf unserer Website zu verbessern, Inhalte und Anzeigen zu personalisieren und die Nutzung unserer Website zu analysieren. Mit Ihrer Einwilligung stimmen Sie der Verwendung von Cookies sowie der Verarbeitung Ihrer persönlichen Daten zu, um Ihnen ein bestmögliches Surferlebnis und mehr Funktionen zu bieten.

Sie können Ihre Einwilligung jederzeit in den Cookie-Einstellungen anpassen oder widerrufen.
Experten-Beratung Lassen Sie sich von unseren Experten über das Kontaktformular beraten.
Artikelnummer: 4339755
Hier können Sie unsere qualifizierten Fachberater zur Planung Ihrer Bestellung kontaktieren.
Zum Kontaktformular
Hier erhalten Sie allgemeine Informationen zum Bestellprozess, der Lieferung, der Zahlung und mehr.
Zum FAQ
Hier können Sie Feedback zu dieser Seite abgeben oder unerwartete Inhalte und Auffälligkeiten melden.

Husqvarna Nullwendekreismäher kommerzielle Nutzung M-ZT61, 967177007-01, 2016-11

Husqvarna Nullwendekreismäher kommerzielle Nutzung M-ZT61, 967177007-01, 2016-11

Nicht lieferbar
Dieser Artikel ist leider nicht mehr zu bestellen. Wir empfehlen Ihnen eine alternative Artikelwahl aus dieser Kategorie. Wir wünschen Ihnen viel Spaß beim Stöbern.
Andere Produkte der Kategorie Husqvarna Ersatzteilzeichnungen
Artikel-Nr.: 4339755
  • Deutschlands bester Händler
  • Trusted Shops Käuferschutz
  • Rechnungskauf
  • Montageservice
  • Verlängerte Rückgabefrist

Husqvarna Logo

Husqvarna

Der schwedische Hersteller Husqvarna bietet Ihnen Motorgeräte für die Forst-, Garten- sowie Landschaftspflege. Bereits 1689 begann die Unternehmensgeschichte, damals noch mit der Herstellung von Musketen. Somit profitiert das Unternehmen von mehr als 325 Jahre langer Erfahrung – und somit auch seine Kunden.

Die Zufriedenheit der Kunden ist dem international bekannten Unternehmen besonders wichtig. Daher arbeitet Husqvarna eng mit dem Anwender zusammen, auch nach dem Kauf steht das Unternehmen seinen Käufern mit Rat und Tat zur Seite. Sie können sich bei den Husqvarna Produkten daher auf eine kompromisslose Qualität, Benutzerfreundlichkeit sowie Spitzenleistung verlassen.
 

Garantie

Als unser Kunde genießen Sie auch nach dem Kauf Ihres Husqvarna-Produkts zahlreiche Vorteile! Im Garantiefall sind wir Ihr erster Ansprechpartner und werden Ihnen gerne weiterhelfen. Wir verfügen über eine eigene Hersteller-Werkstatt, sind qualifiziert und berechtigt, im Garantiefall alle nötigen Reparaturen an Ihrem Husqvarna-Gerät durchzuführen.

Das bedeutet für Sie: Sie können sich jederzeit an uns wenden, als Ihr Händler bei dem Sie die Ware gekauft haben sind wir stets die erste Adresse. Selbstverständlich steht es Ihnen jedoch frei, sich an jeden anderen autorisierten Husqvarna-Händler zu wenden.

Gegen Vorlegen Ihres Kaufbeleges (inklusive ausgefüllter Garantiekarte) aus unserem Shop können Sie wohnortnah - in ganz Europa, in der Schweiz und in Großbritannien - Ihr registriertes Produkt zur Garantieüberprüfung vorlegen. Der lokale Husqvarna Servicehändler wird im Garantiefall defekte Teile ausschließlich durch original Husqvarna-Ersatzteile und Zubehör ersetzen. 

 

Husqvarna Händler mit Onlineshop 

Ausschließlich autorisierte, qualifizierte Händler dürfen Husqvarna Produkte verkaufen. So erhalten Sie als Kunde fachgerechte Auskunft zu Ihren Fragen. Wir sind ein autorisierter Husqvarna Fachhändler mit eigener Werkstatt. Vor jeder Auslieferung werden die Geräte entsprechend der Herstellervorgaben geprüft.

 

Stationärer Handel:
Kömpf Baumarkt GmbH
Leibnizstr. 2
75365 Calw

 

Husqvarna Geräte

Husqvarna AB
Regeringsgatan 28
11153 Stockholm
Schweden
verkauf@husqvarna.de
Verantwortliche Person:
Husqvarna Deutschland GmbH
Hans-Lorenser-Strasse 40
89079 Ulm
Deutschland
verkauf@husqvarna.de

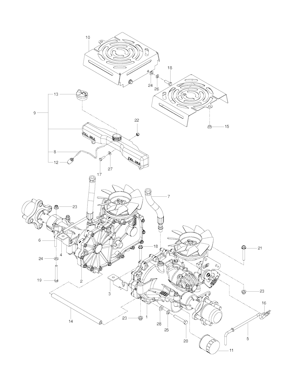
44 von insgesamt 44 eingezeichneten Ersatzteilen in Explosionszeichnung Nr. 1

1
Husqvarna 532 19 78-02 - SCHALTER
1x
14,24 CHF
4
Husqvarna 539 13 18-98 - SPINDEL
3x
107,41 CHF
4
Husqvarna 584 90 46-01 - Folie
1x
2,48 CHF
6
Husqvarna 539 13 27-44 - PLATTE
1x
106,31 CHF
7
Husqvarna 539 13 23-80 - PLATTE
1x
71,73 CHF
7
Husqvarna 532 42 10-62 - SCHALTER,MAEHWERKSABSCHAL.GRAU
1x
15,75 CHF
12
Husqvarna Kraftstofffilter B
1x
7,48 CHF
16
Husqvarna 874 49 05-60 - BOLZEN
2x
5,65 CHF
16
Husqvarna 532 11 04-85 - LAGER
3x
7,92 CHF
18
Husqvarna 532 19 78-02 - SCHALTER
1x
14,24 CHF
18
Husqvarna 539 11 56-20 - 1/4-20X3/4 CARR BLT
1x
2,14 CHF
20
Husqvarna 532 17 60-66 - ROLLE
1x
13,76 CHF
21
Husqvarna 874 49 05-60 - BOLZEN
4x
5,65 CHF
21
Husqvarna 594 09 25-01 - ROD ROLLER NOSE
1x
8,04 CHF
23
Husqvarna 539 11 28-99 - NUT, 5/16-18, NYLOC
8x
1,87 CHF
24
Husqvarna 539 11 28-99 - NUT, 5/16-18, NYLOC
10x
1,87 CHF
24
Husqvarna 539 99 03-16 - BOLZEN
1x
2,79 CHF
24
Husqvarna 539 99 05-85 - MUTTER
4x
1,87 CHF
24
Husqvarna 586 16 18-01 - STUNDENZÄHLER
1x
23,59 CHF
25
Husqvarna 539 99 03-65 - STIFT
2x
5,08 CHF
25
Husqvarna 539 99 01-18 - SCHEIBE
2x
1,99 CHF
26
Husqvarna 539 99 01-87 - Scheibe
4x
1,81 CHF
27
Husqvarna 539 11 28-99 - NUT, 5/16-18, NYLOC
2x
1,87 CHF
27
Husqvarna 539 11 28-99 - NUT, 5/16-18, NYLOC
10x
1,87 CHF
28
Husqvarna 539 99 05-85 - MUTTER
5x
1,87 CHF
29
Husqvarna 539 11 28-99 - NUT, 5/16-18, NYLOC
12x
1,87 CHF
29
Husqvarna 873 80 05-00 - MUTTER
1x
1,88 CHF
31
Husqvarna 539 97 69-34 - SCHRAUBE
8x
3,21 CHF
31
Husqvarna 817 12 06-16 - SCHRAUBE
4x
3,65 CHF
31
Husqvarna 532 43 53-95 - POLABDECKUNG
1x
4,60 CHF
32
Husqvarna 874 78 05-12 - BOLZEN
2x
3,21 CHF
33
Husqvarna 539 11 28-99 - NUT, 5/16-18, NYLOC
12x
1,87 CHF
33
Husqvarna 532 18 39-06 - SCHRAUBE
4x
3,11 CHF
36
Husqvarna 539 11 28-99 - NUT, 5/16-18, NYLOC
15x
1,87 CHF
36
Husqvarna 539 11 28-99 - NUT, 5/16-18, NYLOC
5x
1,87 CHF
37
Husqvarna 539 11 28-99 - NUT, 5/16-18, NYLOC
13x
1,87 CHF
38
Husqvarna 539 10 29-33 - RHSNB 5/16-18 X 1-1/2 GR 5 ZD
2x
5,08 CHF
38
Husqvarna 539 97 69-77 - MUTTER
2x
5,08 CHF
39
Husqvarna 532 19 30-03 - SCHRAUBE
3x
12,44 CHF
41
Husqvarna 584 95 39-01 - Bolzen
12x
4,60 CHF
42
Husqvarna 596 13 48-01 - MUTTER
3x
5,08 CHF
46
Husqvarna 539 99 02-47 - SCHEIBE
1x
2,17 CHF
47
Husqvarna 539 11 28-99 - NUT, 5/16-18, NYLOC
8x
1,87 CHF
54
Husqvarna 532 18 76-90 - SCHEIBE
3x
2,87 CHF

Produktbewertungen unserer Kunden
Unsere Bewertungen sind zu 100% echt.
Bewertungen von Kunden, die ihre Ware nicht bei uns gekauft haben, werden entsprechend gekennzeichnet.
Bewertungen mit diesem Symbol stammen von verifizierten Käufern!
Zu diesem Produkt gibt es noch keine Kundenbewertungen.
Sie können die erste Person sein, die zu diesem Produkt eine Bewertung schreibt.