koempf24_ch Logo
Unsere Seite verwendet Cookies und ähnliche Technologien, um die Benutzererfahrung auf unserer Website zu verbessern, Inhalte und Anzeigen zu personalisieren und die Nutzung unserer Website zu analysieren. Mit Ihrer Einwilligung stimmen Sie der Verwendung von Cookies sowie der Verarbeitung Ihrer persönlichen Daten zu, um Ihnen ein bestmögliches Surferlebnis und mehr Funktionen zu bieten.

Sie können Ihre Einwilligung jederzeit in den Cookie-Einstellungen anpassen oder widerrufen.
Experten-Beratung Lassen Sie sich von unseren Experten beraten und schließen Sie Ihre Bestellung telefonisch ab.
Artikelnummer: 4359647
Hier können Sie unsere qualifizierten Fachberater zur Planung Ihrer Bestellung kontaktieren.
Zum Kontaktformular
Hier erhalten Sie allgemeine Informationen zum Bestellprozess, der Lieferung, der Zahlung und mehr.
Zum FAQ
Hier können Sie Feedback zu dieser Seite abgeben oder unerwartete Inhalte und Auffälligkeiten melden.

Husqvarna Nullwendekreismäher gelegentliche Nutzung Z 248F, 967953901-01, 2020-10

Husqvarna Nullwendekreismäher gelegentliche Nutzung Z 248F, 967953901-01, 2020-10

Nicht lieferbar
Dieser Artikel ist leider nicht mehr zu bestellen. Wir empfehlen Ihnen eine alternative Artikelwahl aus dieser Kategorie. Wir wünschen Ihnen viel Spaß beim Stöbern.
Andere Produkte der Kategorie Husqvarna Ersatzteilzeichnungen
Artikel-Nr.: 4359647
  • Deutschlands bester Händler
  • Trusted Shops Käuferschutz
  • Rechnungskauf
  • Montageservice
  • Verlängerte Rückgabefrist

Husqvarna Logo

Husqvarna

Der schwedische Hersteller Husqvarna bietet Ihnen Motorgeräte für die Forst-, Garten- sowie Landschaftspflege. Bereits 1689 begann die Unternehmensgeschichte, damals noch mit der Herstellung von Musketen. Somit profitiert das Unternehmen von mehr als 325 Jahre langer Erfahrung – und somit auch seine Kunden.

Die Zufriedenheit der Kunden ist dem international bekannten Unternehmen besonders wichtig. Daher arbeitet Husqvarna eng mit dem Anwender zusammen, auch nach dem Kauf steht das Unternehmen seinen Käufern mit Rat und Tat zur Seite. Sie können sich bei den Husqvarna Produkten daher auf eine kompromisslose Qualität, Benutzerfreundlichkeit sowie Spitzenleistung verlassen.
 

Garantie

Als unser Kunde genießen Sie auch nach dem Kauf Ihres Husqvarna-Produkts zahlreiche Vorteile! Im Garantiefall sind wir Ihr erster Ansprechpartner und werden Ihnen gerne weiterhelfen. Wir verfügen über eine eigene Hersteller-Werkstatt, sind qualifiziert und berechtigt, im Garantiefall alle nötigen Reparaturen an Ihrem Husqvarna-Gerät durchzuführen.

Das bedeutet für Sie: Sie können sich jederzeit an uns wenden, als Ihr Händler bei dem Sie die Ware gekauft haben sind wir stets die erste Adresse. Selbstverständlich steht es Ihnen jedoch frei, sich an jeden anderen autorisierten Husqvarna-Händler zu wenden.

Gegen Vorlegen Ihres Kaufbeleges (inklusive ausgefüllter Garantiekarte) aus unserem Shop können Sie wohnortnah - in ganz Europa, in der Schweiz und in Großbritannien - Ihr registriertes Produkt zur Garantieüberprüfung vorlegen. Der lokale Husqvarna Servicehändler wird im Garantiefall defekte Teile ausschließlich durch original Husqvarna-Ersatzteile und Zubehör ersetzen. 

 

Husqvarna Händler mit Onlineshop 

Ausschließlich autorisierte, qualifizierte Händler dürfen Husqvarna Produkte verkaufen. So erhalten Sie als Kunde fachgerechte Auskunft zu Ihren Fragen. Wir sind ein autorisierter Husqvarna Fachhändler mit eigener Werkstatt. Vor jeder Auslieferung werden die Geräte entsprechend der Herstellervorgaben geprüft.

 

Stationärer Handel:
Kömpf Baumarkt GmbH
Leibnizstr. 2
75365 Calw

 

Husqvarna Geräte

Husqvarna AB
Regeringsgatan 28
11153 Stockholm
Schweden
verkauf@husqvarna.de
Verantwortliche Person:
Husqvarna Deutschland GmbH
Hans-Lorenser-Strasse 40
89079 Ulm
Deutschland
verkauf@husqvarna.de

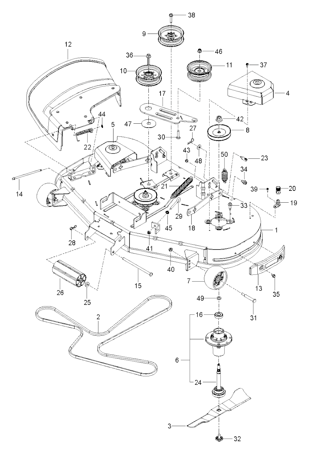
66 von insgesamt 66 eingezeichneten Ersatzteilen in Explosionszeichnung Nr. 1

4
Husqvarna 585 12 48-01 - TANKDECKEL
1x
25,38 CHF
5
Husqvarna 588 81 24-02 - Deckel
1x
71,30 CHF
6
Husqvarna 539 13 18-98 - SPINDEL
3x
107,41 CHF
7
Husqvarna 589 52 73-01 - Laufrad
2x
18,22 CHF
9
Husqvarna 532 19 61-06 - Riemenscheibe
1x
84,18 CHF
10
Husqvarna 594 94 44-01 - Mutter 5/16-18
2x
5,08 CHF
10
Husqvarna 532 19 63-14 - FEDER
1x
4,09 CHF
10
Husqvarna 532 19 61-04 - RIEMENSCHEIBE
1x
103,39 CHF
11
Husqvarna 532 19 31-97 - RIEMENSCHEIBE
1x
56,44 CHF
12
Husqvarna 532 19 42-08 - STIFT
2x
1,26 CHF
12
Husqvarna 586 97 88-01 - Folie
1x
2,85 CHF
13
Husqvarna 589 35 79-01 - Folie
1x
2,74 CHF
14
Husqvarna 539 99 03-16 - BOLZEN
4x
2,79 CHF
14
Husqvarna 532 19 42-09 - FEDER
4x
3,59 CHF
14
Husqvarna 532 19 98-49 - FEDER
2x
2,77 CHF
14
Husqvarna 595 29 70-01 - WELLE
2x
7,67 CHF
15
Husqvarna 577 46 90-01 - Folie
2x
11,61 CHF
15
Husqvarna 594 09 25-01 - ROD ROLLER NOSE
1x
8,04 CHF
16
Husqvarna 532 11 04-85 - LAGER
2x
7,92 CHF
19
Husqvarna 532 41 55-98 - SCHLAUCHANSCHLUSS
1x
4,76 CHF
20
Husqvarna 817 00 05-10 - BOLZEN
6x
2,53 CHF
21
Husqvarna 532 13 77-29 - SCHRAUBE
2x
2,02 CHF
21
Husqvarna 539 97 69-34 - SCHRAUBE
2x
3,21 CHF
22
Husqvarna 587 35 47-01 - FEDER
1x
6,77 CHF
23
Husqvarna 539 99 03-16 - BOLZEN
2x
2,79 CHF
23
Husqvarna 539 11 28-99 - NUT, 5/16-18, NYLOC
4x
1,87 CHF
23
Husqvarna 532 19 51-61 - BOLZEN
2x
8,17 CHF
24
Husqvarna 873 80 05-00 - MUTTER
8x
1,88 CHF
25
Husqvarna 539 11 28-99 - NUT, 5/16-18, NYLOC
4x
1,87 CHF
25
Husqvarna 586 16 18-01 - STUNDENZÄHLER
1x
23,59 CHF
25
Husqvarna 539 99 05-85 - MUTTER
2x
1,87 CHF
25
Husqvarna 582 36 05-01 - BUSHING
1x
3,06 CHF
26
Husqvarna 817 49 04-10 - SCHRAUBE
1x
5,08 CHF
26
Husqvarna 873 80 05-00 - MUTTER
2x
1,88 CHF
26
Husqvarna 532 17 60-66 - ROLLE
1x
13,76 CHF
27
Husqvarna 539 99 01-18 - SCHEIBE
4x
1,99 CHF
27
Husqvarna 817 00 05-10 - BOLZEN
4x
2,53 CHF
27
Husqvarna 532 19 42-09 - FEDER
2x
3,59 CHF
28
Husqvarna 532 41 63-58 - SCHRAUBE
6x
5,08 CHF
28
Husqvarna 532 19 42-08 - STIFT
1x
1,26 CHF
30
Husqvarna 539 11 28-99 - NUT, 5/16-18, NYLOC
5x
1,87 CHF
30
Husqvarna 873 90 05-00 - MUTTER
2x
1,87 CHF
30
Husqvarna 872 11 06-14 - SCHRAUBE 3/8-16X1-3/4 GR.5
1x
4,83 CHF
31
Husqvarna 539 11 28-99 - NUT, 5/16-18, NYLOC
9x
1,87 CHF
31
Husqvarna 532 19 34-06 - BOLZEN
2x
4,16 CHF
32
Husqvarna 586 93 60-01 - SCHRAUBE
2x
1,13 CHF
32
Husqvarna 532 19 30-03 - SCHRAUBE
2x
12,44 CHF
33
Husqvarna 532 12 61-97 - SCHEIBE
1x
10,10 CHF
33
Husqvarna 584 95 39-01 - Bolzen
12x
4,60 CHF
34
Husqvarna 539 99 03-16 - BOLZEN
2x
2,79 CHF
34
Husqvarna 539 99 01-18 - SCHEIBE
4x
1,99 CHF
34
Husqvarna 532 19 65-39 - BOLZEN
2x
5,01 CHF
35
Husqvarna 532 17 01-65 - BOLZEN
2x
3,65 CHF
36
Husqvarna 539 11 28-99 - NUT, 5/16-18, NYLOC
2x
1,87 CHF
36
Husqvarna 532 18 43-62 - NUT HEX FLANGE TOPLOCK
1x
2,03 CHF
36
Husqvarna 588 43 83-01 - SCHRAUBE
1x
5,77 CHF
37
Husqvarna 532 13 77-29 - SCHRAUBE
4x
2,02 CHF
38
Husqvarna 817 49 06-28 - SCHRAUBE
1x
5,39 CHF
39
Husqvarna 817 49 04-10 - SCHRAUBE
1x
5,08 CHF
41
Husqvarna 539 11 28-99 - NUT, 5/16-18, NYLOC
1x
1,87 CHF
42
Husqvarna 596 13 48-01 - MUTTER
3x
5,08 CHF
43
Husqvarna 873 90 05-00 - MUTTER
2x
1,87 CHF
44
Husqvarna 532 11 04-52 - MUTTER
1x
5,08 CHF
45
Husqvarna 539 99 05-85 - MUTTER
1x
1,87 CHF
47
Husqvarna 532 17 85-15 - SCHEIBE
1x
5,95 CHF
49
Husqvarna 532 18 76-90 - SCHEIBE
3x
2,87 CHF

Produktbewertungen unserer Kunden
Unsere Bewertungen sind zu 100% echt.
Bewertungen von Kunden, die ihre Ware nicht bei uns gekauft haben, werden entsprechend gekennzeichnet.
Bewertungen mit diesem Symbol stammen von verifizierten Käufern!
Zu diesem Produkt gibt es noch keine Kundenbewertungen.
Sie können die erste Person sein, die zu diesem Produkt eine Bewertung schreibt.