koempf24_ch Logo
Unsere Seite verwendet Cookies und ähnliche Technologien, um die Benutzererfahrung auf unserer Website zu verbessern, Inhalte und Anzeigen zu personalisieren und die Nutzung unserer Website zu analysieren. Mit Ihrer Einwilligung stimmen Sie der Verwendung von Cookies sowie der Verarbeitung Ihrer persönlichen Daten zu, um Ihnen ein bestmögliches Surferlebnis und mehr Funktionen zu bieten.

Sie können Ihre Einwilligung jederzeit in den Cookie-Einstellungen anpassen oder widerrufen.
Experten-Beratung Lassen Sie sich von unseren Experten über das Kontaktformular beraten.
Artikelnummer: 4334033
Hier können Sie unsere qualifizierten Fachberater zur Planung Ihrer Bestellung kontaktieren.
Zum Kontaktformular
Hier erhalten Sie allgemeine Informationen zum Bestellprozess, der Lieferung, der Zahlung und mehr.
Zum FAQ
Hier können Sie Feedback zu dieser Seite abgeben oder unerwartete Inhalte und Auffälligkeiten melden.

Husqvarna Kettensägen 19981800001 242 XP® G Cat

Husqvarna Kettensägen 19981800001 242 XP® G Cat

Nicht lieferbar
Dieser Artikel ist leider nicht mehr zu bestellen. Wir empfehlen Ihnen eine alternative Artikelwahl aus dieser Kategorie. Wir wünschen Ihnen viel Spaß beim Stöbern.
Andere Produkte der Kategorie Husqvarna Ersatzteilzeichnungen
Artikel-Nr.: 4334033
  • Deutschlands bester Händler
  • Trusted Shops Käuferschutz
  • Rechnungskauf
  • Montageservice

Husqvarna Logo

Husqvarna

Der schwedische Hersteller Husqvarna bietet Ihnen Motorgeräte für die Forst-, Garten- sowie Landschaftspflege. Bereits 1689 begann die Unternehmensgeschichte, damals noch mit der Herstellung von Musketen. Somit profitiert das Unternehmen von mehr als 325 Jahre langer Erfahrung – und somit auch seine Kunden.

Die Zufriedenheit der Kunden ist dem international bekannten Unternehmen besonders wichtig. Daher arbeitet Husqvarna eng mit dem Anwender zusammen, auch nach dem Kauf steht das Unternehmen seinen Käufern mit Rat und Tat zur Seite. Sie können sich bei den Husqvarna Produkten daher auf eine kompromisslose Qualität, Benutzerfreundlichkeit sowie Spitzenleistung verlassen.
 

Garantie

Als unser Kunde genießen Sie auch nach dem Kauf Ihres Husqvarna-Produkts zahlreiche Vorteile! Im Garantiefall sind wir Ihr erster Ansprechpartner und werden Ihnen gerne weiterhelfen. Wir verfügen über eine eigene Hersteller-Werkstatt, sind qualifiziert und berechtigt, im Garantiefall alle nötigen Reparaturen an Ihrem Husqvarna-Gerät durchzuführen.

Das bedeutet für Sie: Sie können sich jederzeit an uns wenden, als Ihr Händler bei dem Sie die Ware gekauft haben sind wir stets die erste Adresse. Selbstverständlich steht es Ihnen jedoch frei, sich an jeden anderen autorisierten Husqvarna-Händler zu wenden.

Gegen Vorlegen Ihres Kaufbeleges (inklusive ausgefüllter Garantiekarte) aus unserem Shop können Sie wohnortnah - in ganz Europa, in der Schweiz und in Großbritannien - Ihr registriertes Produkt zur Garantieüberprüfung vorlegen. Der lokale Husqvarna Servicehändler wird im Garantiefall defekte Teile ausschließlich durch original Husqvarna-Ersatzteile und Zubehör ersetzen. 

 

Husqvarna Händler mit Onlineshop 

Ausschließlich autorisierte, qualifizierte Händler dürfen Husqvarna Produkte verkaufen. So erhalten Sie als Kunde fachgerechte Auskunft zu Ihren Fragen. Wir sind ein autorisierter Husqvarna Fachhändler mit eigener Werkstatt. Vor jeder Auslieferung werden die Geräte entsprechend der Herstellervorgaben geprüft.

 

Stationärer Handel:
Kömpf Baumarkt GmbH
Leibnizstr. 2
75365 Calw

 

Husqvarna Geräte

Husqvarna AB
Regeringsgatan 28
11153 Stockholm
Schweden
verkauf@husqvarna.de
Verantwortliche Person:
Husqvarna Deutschland GmbH
Hans-Lorenser-Strasse 40
89079 Ulm
Deutschland
verkauf@husqvarna.de

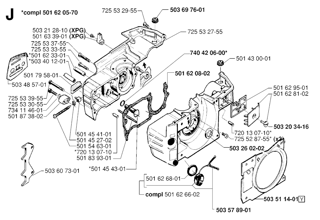
147 von insgesamt 147 eingezeichneten Ersatzteilen in Explosionszeichnung Nr. 1

501 45 74-02
Husqvarna 501 45 74-02 - Ringritzel 7T 0.325
7x
12,74 CHF
501 46 69-01
Husqvarna 501 46 69-01 - SCHRAUBE
1x
5,08 CHF
501 46 86-01
Husqvarna 501 46 86-01 - CHOKEKLAPPE
1x
4,56 CHF
501 46 87-01
Husqvarna 501 46 87-01 - SCHRAUBE
1x
0,93 CHF
501 48 54-02
Husqvarna 501 48 54-02 - Kerzenschuh kompl.
1x
8,68 CHF
501 49 24-03
Husqvarna 501 49 24-03 - GENERATOR
1x
138,01 CHF
501 49 27-03
Husqvarna 501 49 27-03 - DECKEL
1x
4,70 CHF
501 49 75-01
Husqvarna 501 49 75-01 - SCHRAUBE
3x
5,08 CHF
501 54 41-02
Husqvarna 501 54 41-02 - ÖLSIEB
1x
8,91 CHF
501 59 40-02
Husqvarna 501 59 40-02 - KUGELLAGER
1x
26,15 CHF
501 59 74-04
Husqvarna 501 59 74-04 - ABSTANDSHUELSE
1x
1,86 CHF
501 61 49-01
Husqvarna 501 61 49-01 - SIMMERRING
1x
15,32 CHF
501 61 58-01
Husqvarna 501 61 58-01 - FEDER FÜR ÖLPUMPE
1x
2,36 CHF
501 62 05-70
Husqvarna 501 62 05-70 - KURBELGEHAEUSE KPL.
1x
219,43 CHF
501 62 08-02
Husqvarna 501 62 08-02 - DICHTUNG
1x
3,01 CHF
501 62 21-01
Husqvarna 501 62 21-01 - ABDICHTUNG
1x
2,75 CHF
501 62 33-01
Husqvarna 501 62 33-01 - FEDERSTIFT
1x
1,32 CHF
501 62 43-01
Husqvarna 501 62 43-01 - DICHTUNG
1x
2,45 CHF
501 62 81-02
Husqvarna 501 62 81-02 - DECKEL
1x
11,62 CHF
501 62 86-01
Husqvarna 501 62 86-01 - HUELSE
1x
6,23 CHF
501 62 87-03
Husqvarna 501 62 87-03 - VIBRATIONSDAEMPFER
1x
9,43 CHF
501 62 90-03
Husqvarna 501 62 90-03 - GRIFFROHR SE
1x
25,46 CHF
501 62 90-04
Husqvarna 501 62 90-04 - GRIFFROHR G
1x
32,42 CHF
501 62 93-07
Husqvarna 501 62 93-07 - HEITZUNG
1x
4,47 CHF
501 62 95-01
Husqvarna 501 62 95-01 - VORFILTER
1x
4,98 CHF
501 63 02-01
Husqvarna 501 63 02-01 - RÜCKHOLFEDER
1x
15,91 CHF
501 63 05-01
Husqvarna 501 63 05-01 - SCHUTZRING
1x
9,07 CHF
501 63 15-02
Husqvarna 501 63 15-02 - LEITBLECH
1x
8,71 CHF
501 63 32-01
Husqvarna 501 63 32-01 - HUELSE SG
1x
4,72 CHF
501 63 39-01
Husqvarna 501 63 39-01 - ISOLERSTüCK
1x
3,93 CHF
501 63 44-01
Husqvarna 501 63 44-01 - KABEL
1x
5,08 CHF
501 63 66-05
Husqvarna 501 63 66-05 - KUPPLUNGSTROMMEL
7x
43,86 CHF
501 66 49-01
Husqvarna 501 66 49-01 - PFROPFEN
1x
4,04 CHF
501 66 61-01
Husqvarna 501 66 61-01 - SIEB
1x
3,93 CHF
501 66 78-01
Husqvarna 501 66 78-01 - FEDER
1x
2,36 CHF
501 67 32-01
Husqvarna 501 67 32-01 - KLINKE
1x
6,41 CHF
501 69 17-01
Husqvarna 501 69 17-01 - Kombischlüssel
1x
4,79 CHF
501 79 25-01
Husqvarna 501 79 25-01 - SCHIRM
1x
1,29 CHF
501 79 43-02
Husqvarna 501 79 43-02 - STARTERGEHAEUSE
1x
20,50 CHF
501 79 44-01
Husqvarna 501 79 44-01 - SEILROLLE
1x
7,55 CHF
501 79 52-01
Husqvarna 501 79 52-01 - SCHLAUCH
1x
5,29 CHF
501 79 58-01
Husqvarna 501 79 58-01 - Kettenführung
1x
3,33 CHF
501 79 58-01
Husqvarna 501 79 58-01 - Kettenführung
1x
3,33 CHF
501 79 64-02
Husqvarna 501 79 64-02 - CHOKEGESTAENGE
1x
5,76 CHF
501 79 67-08
Husqvarna 501 79 67-08 - KETTENBREMSE
1x
104,51 CHF
501 79 69-02
Husqvarna 501 79 69-02 - ABDECKUNG
1x
6,89 CHF
501 79 70-01
Husqvarna 501 79 70-01 - BREMSBAND
1x
8,48 CHF
501 81 27-01
Husqvarna 501 81 27-01 - ELECTRONIK
1x
107,14 CHF
501 81 28-01
Husqvarna 501 81 28-01 - ZÜNDSPULE
1x
97,18 CHF
501 81 99-01
Husqvarna 501 81 99-01 - SCHRAUBE
1x
5,08 CHF
501 83 56-01
Husqvarna 501 83 56-01 - VIBRATIONSDÄMPFER
1x
7,30 CHF
501 83 58-02
Husqvarna 501 83 58-02 - GASSTANGE
1x
21,80 CHF
501 83 88-03
Husqvarna 501 83 88-03 - TANK KPL.
1x
199,82 CHF
501 83 93-01
Husqvarna 501 83 93-01 - SCHLAUCH
1x
3,32 CHF
501 83 97-01
Husqvarna 501 83 97-01 - ANSCHLUSSKABEL
1x
7,99 CHF
501 86 20-02
Husqvarna 501 86 20-02 - ZWISCHENSTüCK
1x
8,48 CHF
501 86 21-02
Husqvarna 501 86 21-02 - DICHTUNG
1x
4,26 CHF
501 86 60-03
Husqvarna 501 86 60-03 - DICHTUNG
1x
4,98 CHF
501 87 23-01
Husqvarna 501 87 23-01 - SPERRE
1x
5,08 CHF
501 87 38-02
Husqvarna 501 87 38-02 - KETTEN FÄNGER
1x
5,08 CHF
501 87 63-01
Husqvarna 501 87 63-01 - HAUPTSTELLNADEL
1x
9,57 CHF
501 87 64-01
Husqvarna 501 87 64-01 - LEERLAUFSTELLNADEL
1x
8,30 CHF
501 87 65-01
Husqvarna 501 87 65-01 - OELSCHLAUCH
1x
11,51 CHF
501 91 14-01
Husqvarna Fettspritze für Lagerfett
1x
18,63 CHF
503 08 46-01
Husqvarna 503 08 46-01 - FEDER
1x
2,77 CHF
503 15 19-03
Husqvarna 503 15 19-03 - LUFTFILTER
1x
28,34 CHF
503 15 19-05
Husqvarna 503 15 19-05 - LUFTFILTER
1x
24,95 CHF
503 15 19-06
Husqvarna 503 15 19-06 - LUFTFILTER
1x
28,34 CHF
503 15 22-02
Husqvarna 503 15 22-02 - FILTERHALTER
1x
9,78 CHF
503 16 69-01
Husqvarna 503 16 69-01 - SCHRAUBE
1x
7,79 CHF
503 20 02-80
Husqvarna 503 20 02-80 - SCHRAUBE
2x
3,11 CHF
503 20 03-10
Husqvarna 503 20 03-10 - SCHRAUBE
2x
5,08 CHF
503 20 26-16
Husqvarna 503 20 26-16 - SCHRAUBE
1x
5,08 CHF
503 21 07-16
Husqvarna 503 21 07-16 - SCHRAUBE
1x
5,08 CHF
503 21 28-10
Husqvarna 503 21 28-10 - SCHRAUBE
4x
1,29 CHF
503 21 28-10
Husqvarna 503 21 28-10 - SCHRAUBE
1x
1,29 CHF
503 21 29-05
Husqvarna 503 21 29-05 - SCHRAUBE
1x
5,08 CHF
503 21 29-06
Husqvarna 503 21 29-06 - SCHRAUBE
1x
5,08 CHF
503 21 29-10
Husqvarna 503 21 29-10 - SCHRAUBE
4x
0,93 CHF
503 23 00-04
Husqvarna 503 23 00-04 - SCHEIBE
1x
5,08 CHF
503 23 00-42
Husqvarna 503 23 00-42 - SCHEIBE
1x
5,08 CHF
503 26 02-02
Husqvarna 503 26 02-02 - SIMMERRING
1x
13,11 CHF
503 28 10-19
Husqvarna 503 28 10-19 - VERGASER KPL.
1x
81,42 CHF
503 28 10-19
Husqvarna 503 28 10-19 - VERGASER KPL.
1x
81,42 CHF
503 40 12-01
Husqvarna 503 40 12-01 - STIFT
1x
5,08 CHF
503 41 38-02
Husqvarna 503 41 38-02 - GASHEBEL
1x
6,99 CHF
503 41 39-02
Husqvarna 503 41 39-02 - GASSPERRE
1x
5,30 CHF
503 41 41-01
Husqvarna 503 41 41-01 - NADELLAGER
1x
10,68 CHF
503 41 41-01
Husqvarna 503 41 41-01 - NADELLAGER
1x
10,68 CHF
503 44 32-01
Husqvarna Kraftstofffilter B
1x
7,27 CHF
503 45 59-01
Husqvarna 503 45 59-01 - ZYLINDERDECKEL
1x
41,32 CHF
503 45 59-05
Husqvarna 503 45 59-05 - ZYLINDERDECKEL KPL.
1x
82,59 CHF
503 45 59-06
Husqvarna 503 45 59-06 - ZYLINDERDECKEL
1x
39,84 CHF
503 48 56-01
Husqvarna 503 48 56-01 - STüTZPLATTE
1x
5,98 CHF
503 48 58-01
Husqvarna 503 48 58-01 - SCHALLDÄMPFER
1x
67,61 CHF
503 48 66-02
Husqvarna 503 48 66-02 - LUFTKUEHLSCHIRM
1x
16,49 CHF
503 49 69-03
Husqvarna 503 49 69-03 - SCHRAUBE
1x
1,96 CHF
503 51 14-01
Husqvarna 503 51 14-01 - LEITBLECH
1x
13,12 CHF
503 51 32-01
Husqvarna 503 51 32-01 - KOLBEN
1x
98,69 CHF
503 52 12-01
Husqvarna 503 52 12-01 - SCHEIBE
1x
3,25 CHF
503 53 67-04
Husqvarna 503 53 67-04 - KURBELWELLE
1x
139,97 CHF
503 53 68-02
Husqvarna 503 53 68-02 - ZYLINDER KPL
1x
248,14 CHF
503 54 39-01
Husqvarna 503 54 39-01 - STARTER GRIFF
1x
8,35 CHF
503 55 79-01
Husqvarna 503 55 79-01 - OELPUMPENANTRIEB
1x
11,79 CHF
503 55 85-01
Husqvarna 503 55 85-01 - * WERKZEUGSATZ
1x
30,45 CHF
503 55 86-01
Husqvarna 503 55 86-01 - L-SCHLüSSEL
1x
5,08 CHF
503 55 86-02
Husqvarna 503 55 86-02 - L-SCHLüSSEL
1x
5,08 CHF
503 56 24-01
Husqvarna 503 56 24-01 - FEDER
1x
2,36 CHF
503 56 34-01
Husqvarna 503 56 34-01 - Nadelventil
1x
6,67 CHF
503 57 89-01
Husqvarna 503 57 89-01 - Halter
1x
4,14 CHF
503 57 89-01
Husqvarna 503 57 89-01 - Halter
1x
4,14 CHF
503 60 73-01
Husqvarna 503 60 73-01 - KRALLE
1x
10,83 CHF
503 61 45-01
Husqvarna 503 61 45-01 - ACHSE
1x
48,64 CHF
503 62 12-01
Husqvarna Lagerfett für Motorsägen
1x
10,35 CHF
503 62 52-01
Husqvarna 503 62 52-01 - SCHRAUBE
1x
5,08 CHF
503 64 57-01
Husqvarna 503 64 57-01 - SCHALLDAEMPFER
1x
90,74 CHF
503 64 64-01
Husqvarna 503 64 64-01 - AUSPUFFBLECH
1x
27,45 CHF
503 64 65-01
Husqvarna 503 64 65-01 - DICHTUNG
1x
6,16 CHF
503 65 06-02
Husqvarna 503 65 06-02 - SCHALLDAEMPFER KAT KPL.
1x
65,50 CHF
503 66 70-01
Husqvarna 503 66 70-01 - AUFKLEBER 242 XP
1x
4,55 CHF
503 66 70-02
Husqvarna 503 66 70-02 - AUFKLEBER 242 XPG
1x
2,77 CHF
503 71 79-01
Husqvarna 503 71 79-01 - Schalter
1x
13,87 CHF
503 72 99-01
Husqvarna 503 72 99-01 - DICHTUNG
1x
3,76 CHF
503 72 99-02
Husqvarna 503 72 99-02 - DICHTUNG
1x
4,14 CHF
503 73 06-01
Husqvarna 503 73 06-01 - SCHWUNGRAD KPL. SE
1x
139,32 CHF
503 73 06-02
Husqvarna 503 73 06-02 - SCHWUNGRAD
1x
137,47 CHF
503 74 64-01
Husqvarna 503 74 64-01 - SCHALLDAEMPFER
1x
59,75 CHF
503 74 97-01
Husqvarna 503 74 97-01 - SIEB
1x
6,57 CHF
503 81 19-01
Husqvarna 503 81 19-01 - NADELLAGER
1x
9,39 CHF
503 89 27-01
Husqvarna 503 89 27-01 - HANDSCHUTZ
1x
28,84 CHF
504 21 00-48
Husqvarna 504 21 00-48 - FEDER
1x
2,36 CHF
505 30 51-25
Husqvarna 505 30 51-25 - Starterseil
1x
5,00 CHF
505 52 01-25
Husqvarna 505 52 01-25 - STIFT
1x
3,36 CHF
720 12 33-00
Husqvarna 720 12 33-00 - STIFT
1x
5,08 CHF
720 12 40-20
Husqvarna 720 12 40-20 - STIFT
1x
1,02 CHF
720 12 42-20
Husqvarna 720 12 42-20 - STIFT
1x
5,08 CHF
724 13 28-55
Husqvarna 724 13 28-55 - SCHRAUBE
3x
5,08 CHF
725 53 29-01
Husqvarna 725 53 29-01 - SCHRAUBE
2x
5,08 CHF
725 53 30-55
Husqvarna 725 53 30-55 - SCHRAUBE
1x
5,08 CHF
725 53 33-55
Husqvarna 725 53 33-55 - SCHRAUBE
1x
1,38 CHF
731 23 18-01
Husqvarna 731 23 18-01 - SECHSKANTMUTTER
1x
2,49 CHF
734 11 46-01
Husqvarna 734 11 46-01 - SCHEIBE
1x
5,08 CHF
734 11 46-01
Husqvarna 734 11 46-01 - SCHEIBE
1x
5,08 CHF
735 31 08-20
Husqvarna 735 31 08-20 - FEDERRING 4X9
1x
5,08 CHF
735 88 04-00
Husqvarna 735 88 04-00 - KEIL
1x
1,60 CHF
737 44 10-00
Husqvarna 737 44 10-00 - Sicherungsring
1x
5,08 CHF
740 42 06-00
Husqvarna 740 42 06-00 - O-RING
1x
3,06 CHF

Produktbewertungen unserer Kunden
Unsere Bewertungen sind zu 100% echt.
Bewertungen von Kunden, die ihre Ware nicht bei uns gekauft haben, werden entsprechend gekennzeichnet.
Bewertungen mit diesem Symbol stammen von verifizierten Käufern!
Zu diesem Produkt gibt es noch keine Kundenbewertungen.
Sie können die erste Person sein, die zu diesem Produkt eine Bewertung schreibt.