koempf24_ch Logo
Unsere Seite verwendet Cookies und ähnliche Technologien, um die Benutzererfahrung auf unserer Website zu verbessern, Inhalte und Anzeigen zu personalisieren und die Nutzung unserer Website zu analysieren. Mit Ihrer Einwilligung stimmen Sie der Verwendung von Cookies sowie der Verarbeitung Ihrer persönlichen Daten zu, um Ihnen ein bestmögliches Surferlebnis und mehr Funktionen zu bieten.

Sie können Ihre Einwilligung jederzeit in den Cookie-Einstellungen anpassen oder widerrufen.
Experten-Beratung Lassen Sie sich von unseren Experten über das Kontaktformular beraten.
Artikelnummer: 4329152
Hier können Sie unsere qualifizierten Fachberater zur Planung Ihrer Bestellung kontaktieren.
Zum Kontaktformular
Hier erhalten Sie allgemeine Informationen zum Bestellprozess, der Lieferung, der Zahlung und mehr.
Zum FAQ
Hier können Sie Feedback zu dieser Seite abgeben oder unerwartete Inhalte und Auffälligkeiten melden.

Husqvarna Gartentraktoren GTH260 XP, 96041000100, 2006-01

Husqvarna Gartentraktoren GTH260 XP, 96041000100, 2006-01

Nicht lieferbar
Dieser Artikel ist leider nicht mehr zu bestellen. Wir empfehlen Ihnen eine alternative Artikelwahl aus dieser Kategorie. Wir wünschen Ihnen viel Spaß beim Stöbern.
Andere Produkte der Kategorie Husqvarna Ersatzteilzeichnungen
Artikel-Nr.: 4329152
  • Deutschlands bester Händler
  • Trusted Shops Käuferschutz
  • Rechnungskauf
  • Montageservice
  • Verlängerte Rückgabefrist

Husqvarna Logo

Husqvarna

Der schwedische Hersteller Husqvarna bietet Ihnen Motorgeräte für die Forst-, Garten- sowie Landschaftspflege. Bereits 1689 begann die Unternehmensgeschichte, damals noch mit der Herstellung von Musketen. Somit profitiert das Unternehmen von mehr als 325 Jahre langer Erfahrung – und somit auch seine Kunden.

Die Zufriedenheit der Kunden ist dem international bekannten Unternehmen besonders wichtig. Daher arbeitet Husqvarna eng mit dem Anwender zusammen, auch nach dem Kauf steht das Unternehmen seinen Käufern mit Rat und Tat zur Seite. Sie können sich bei den Husqvarna Produkten daher auf eine kompromisslose Qualität, Benutzerfreundlichkeit sowie Spitzenleistung verlassen.
 

Garantie

Als unser Kunde genießen Sie auch nach dem Kauf Ihres Husqvarna-Produkts zahlreiche Vorteile! Im Garantiefall sind wir Ihr erster Ansprechpartner und werden Ihnen gerne weiterhelfen. Wir verfügen über eine eigene Hersteller-Werkstatt, sind qualifiziert und berechtigt, im Garantiefall alle nötigen Reparaturen an Ihrem Husqvarna-Gerät durchzuführen.

Das bedeutet für Sie: Sie können sich jederzeit an uns wenden, als Ihr Händler bei dem Sie die Ware gekauft haben sind wir stets die erste Adresse. Selbstverständlich steht es Ihnen jedoch frei, sich an jeden anderen autorisierten Husqvarna-Händler zu wenden.

Gegen Vorlegen Ihres Kaufbeleges (inklusive ausgefüllter Garantiekarte) aus unserem Shop können Sie wohnortnah - in ganz Europa, in der Schweiz und in Großbritannien - Ihr registriertes Produkt zur Garantieüberprüfung vorlegen. Der lokale Husqvarna Servicehändler wird im Garantiefall defekte Teile ausschließlich durch original Husqvarna-Ersatzteile und Zubehör ersetzen. 

 

Husqvarna Händler mit Onlineshop 

Ausschließlich autorisierte, qualifizierte Händler dürfen Husqvarna Produkte verkaufen. So erhalten Sie als Kunde fachgerechte Auskunft zu Ihren Fragen. Wir sind ein autorisierter Husqvarna Fachhändler mit eigener Werkstatt. Vor jeder Auslieferung werden die Geräte entsprechend der Herstellervorgaben geprüft.

 

Stationärer Handel:
Kömpf Baumarkt GmbH
Leibnizstr. 2
75365 Calw

 

Husqvarna Geräte

Husqvarna AB
Regeringsgatan 28
11153 Stockholm
Schweden
verkauf@husqvarna.de
Verantwortliche Person:
Husqvarna Deutschland GmbH
Hans-Lorenser-Strasse 40
89079 Ulm
Deutschland
verkauf@husqvarna.de

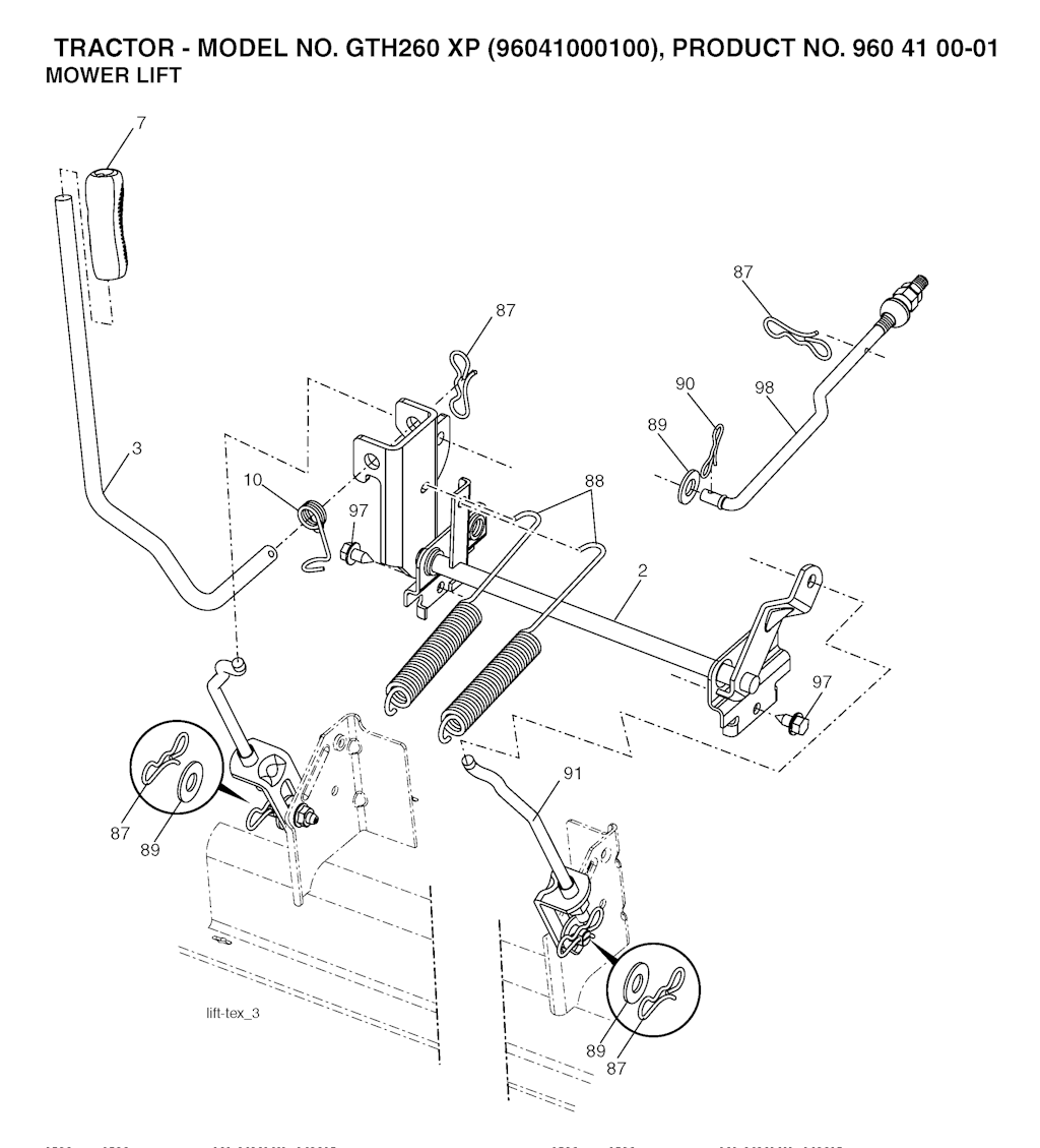
120 von insgesamt 120 eingezeichneten Ersatzteilen in Explosionszeichnung Nr. 1

- -
Husqvarna 532 40 41-37 - TROU*RPL.PAR 532401556428
1x
3,12 CHF
- -
Husqvarna 532 40 34-06 - * AUSTAUSCH MAEHDECK KPL.
1x
1.897,40 CHF
1
Husqvarna 532 05 91-92 - Hut
1x
5,08 CHF
2
Husqvarna 532 06 51-39 - Nippel
1x
5,09 CHF
2
Husqvarna 874 76 04-12 - SCHRAUBE
1x
1,76 CHF
2
Husqvarna 532 18 01-66 - BEFESTIGUNG
1x
19,55 CHF
3
Husqvarna 532 14 06-75 - STREIFEN
1x
6,64 CHF
3
Husqvarna 532 19 52-30 - HEBEL
1x
31,07 CHF
4
Husqvarna 532 05 99-04 - SCHLAUCH
1x
15,59 CHF
6
Husqvarna 532 19 94-05 - * ABDECKUNG LINKS
1x
19,40 CHF
7
Husqvarna 532 12 17-48 - SCHEIBE
1x
4,14 CHF
8
Husqvarna 812 00 00-29 - FEDERRING
1x
0,63 CHF
8
Husqvarna 532 17 18-77 - Bolzen
1x
3,47 CHF
9
Husqvarna 532 12 12-32 - KAPSEL
1x
4,03 CHF
10
Husqvarna 532 19 63-14 - FEDER
1x
4,09 CHF
13
Husqvarna 532 12 17-49 - SCHEIBE
1x
2,66 CHF
14
Husqvarna 532 40 36-70 - AUFKLEBER
1x
4,32 CHF
14
Husqvarna 532 18 72-81 - LAGERGEHÄUSE
1x
149,63 CHF
15
Husqvarna 532 19 34-99 - KRAFTSTOFFTANK
1x
79,99 CHF
15
Husqvarna 532 11 04-85 - LAGER
1x
7,92 CHF
16
Husqvarna 532 17 61-38 - SCHALTER
1x
16,08 CHF
17
Husqvarna 872 11 05-05 - Bolzen
1x
5,08 CHF
18
Husqvarna 872 14 05-05 - BOLZEN
1x
3,00 CHF
19
Husqvarna 532 19 47-29 - PLATTE
1x
58,00 CHF
19
Husqvarna 532 19 42-08 - STIFT
1x
1,26 CHF
22
Husqvarna 532 00 41-52 - LAMPE
1x
4,10 CHF
24
Husqvarna 532 40 02-54 - KABEL
1x
15,04 CHF
24
Husqvarna 532 10 53-04 - RADKAPPE
1x
2,87 CHF
26
Husqvarna 532 17 51-58 - Sicherung
1x
3,98 CHF
26
Husqvarna 532 19 96-79 - FEDER
1x
5,08 CHF
26
Husqvarna 532 11 04-52 - MUTTER
1x
5,08 CHF
28
Husqvarna 817 00 06-12 - SCHRAUBE
1x
4,03 CHF
29
Husqvarna 532 40 15-45 - SCHALTER
1x
18,95 CHF
29
Husqvarna 532 13 71-80 - FUNKEN FÄNGER
1x
39,30 CHF
29
Husqvarna 595 29 70-01 - WELLE
1x
7,67 CHF
30
Husqvarna 532 19 33-50 - Zündschloss
1x
28,45 CHF
31
Husqvarna 532 18 76-90 - SCHEIBE
1x
2,87 CHF
33
Husqvarna 812 00 00-53 - FEDERRING
1x
5,08 CHF
33
Husqvarna 596 13 48-01 - MUTTER
1x
5,08 CHF
34
Husqvarna 532 11 07-12 - SCHALTER
1x
13,37 CHF
35
Husqvarna 532 19 47-32 - PLATTE
1x
58,01 CHF
37
Husqvarna 873 80 05-00 - MUTTER
1x
1,88 CHF
37
Husqvarna 532 12 34-87 - KLEMME
1x
5,08 CHF
40
Husqvarna 532 19 42-76 - KABELSATZ
1x
25,55 CHF
40
Husqvarna 532 19 76-61 - GRIFF
1x
11,28 CHF
41
Husqvarna 532 12 61-97 - SCHEIBE
1x
10,10 CHF
41
Husqvarna 532 19 82-00 - FEDER
1x
2,45 CHF
45
Husqvarna 819 18 38-12 - SCHEIBE
1x
11,55 CHF
46
Husqvarna 532 13 77-29 - SCHRAUBE
1x
2,02 CHF
48
Husqvarna 532 19 31-97 - RIEMENSCHEIBE
1x
56,44 CHF
49
Husqvarna 872 11 06-14 - SCHRAUBE 3/8-16X1-3/4 GR.5
1x
4,83 CHF
50
Husqvarna 532 19 43-27 - RIEMENSCHEIBE
1x
41,29 CHF
50
Husqvarna 872 11 06-12 - BOLZEN
1x
3,00 CHF
52
Husqvarna 532 19 43-26 - RIEMENSCHEIBE
1x
40,87 CHF
53
Husqvarna 532 18 89-67 - SCHEIBE
1x
4,09 CHF
55
Husqvarna 817 49 05-08 - SCHRAUBE
1x
3,00 CHF
58
Husqvarna 532 19 47-47 - BOLZEN
1x
10,33 CHF
59
Husqvarna 532 19 47-48 - SCHEIBE
1x
3,90 CHF
61
Husqvarna 532 19 47-40 - GELENK
1x
60,78 CHF
62
Husqvarna 532 19 47-41 - GELENK
1x
60,76 CHF
64
Husqvarna 532 19 78-65 - WELLE
1x
49,42 CHF
64
Husqvarna 532 19 98-49 - FEDER
1x
2,77 CHF
66
Husqvarna 871 02 07-48 - SCHRAUBE
1x
6,41 CHF
68
Husqvarna 817 49 05-08 - SCHRAUBE
1x
3,00 CHF
68
Husqvarna 873 90 07-00 - MUTTER
1x
3,51 CHF
69
Husqvarna 532 19 91-62 - SCHEIBE
1x
6,50 CHF
74
Husqvarna 532 14 24-32 - SCHRAUBE
1x
5,08 CHF
81
Husqvarna 532 14 84-56 - ROHR
1x
9,88 CHF
84
Husqvarna 817 06 06-20 - SCHRAUBE
1x
4,56 CHF
86
Husqvarna 532 18 43-62 - NUT HEX FLANGE TOPLOCK
1x
2,03 CHF
87
Husqvarna 532 19 42-09 - FEDER
1x
3,59 CHF
89
Husqvarna 819 19 19-12 - SCHEIBE
1x
3,69 CHF
90
Husqvarna 817 00 06-16 - SCHRAUBE
1x
4,41 CHF
90
Husqvarna 532 19 42-08 - STIFT
1x
1,26 CHF
91
Husqvarna 532 18 74-95 - BUSHING
1x
6,93 CHF
97
Husqvarna 532 17 85-15 - SCHEIBE
1x
5,95 CHF
99
Husqvarna 817 67 04-12 - SCHRAUBE
1x
3,68 CHF
100
Husqvarna 819 09 14-16 - SCHEIBE
1x
2,17 CHF
100
Husqvarna 532 40 02-85 - SCHUTZ
1x
297,31 CHF
114
Husqvarna 873 80 05-00 - MUTTER
1x
1,88 CHF
116
Husqvarna 873 90 05-00 - MUTTER
1x
1,87 CHF
116
Husqvarna 532 19 34-06 - BOLZEN
1x
4,16 CHF
139
Husqvarna 532 17 18-73 - BOLZEN
1x
3,65 CHF
143
Husqvarna 817 49 05-08 - SCHRAUBE
1x
3,00 CHF
148
Husqvarna 817 00 06-12 - SCHRAUBE
1x
4,03 CHF
150
Husqvarna 532 19 85-12 - BEFESTIGUNG
1x
37,50 CHF
162
Husqvarna 532 14 24-32 - SCHRAUBE
1x
5,08 CHF
165
Husqvarna 532 19 68-26 - HALTER
1x
13,77 CHF
170
Husqvarna 532 19 43-22 - BEFESTIGUNG
1x
6,47 CHF
171
Husqvarna 872 11 06-16 - BOLZEN
1x
4,86 CHF
176
Husqvarna 532 40 07-76 - SCHRAUBE
1x
5,08 CHF
177
Husqvarna 532 19 52-27 - BUSHING
1x
9,97 CHF
185
Husqvarna 873 90 07-00 - MUTTER
1x
3,51 CHF
186
Husqvarna 532 19 43-21 - ABSTANDSSTÜCK
1x
10,97 CHF
187
Husqvarna 532 19 51-61 - BOLZEN
1x
8,17 CHF
189
Husqvarna 532 19 43-17 - PLATTE
1x
10,74 CHF
189
Husqvarna 532 19 51-85 - ARM
1x
24,02 CHF
190
Husqvarna 532 19 43-18 - RIEMENFÜHRUNG
1x
6,54 CHF
190
Husqvarna 532 19 65-39 - BOLZEN
1x
5,01 CHF
194
Husqvarna 873 90 05-00 - MUTTER
1x
1,87 CHF
195
Husqvarna 532 19 90-18 - PFROPFEN
1x
3,47 CHF
195
Husqvarna 532 19 73-31 - BEFESTIGUNG
1x
3,47 CHF
196
Husqvarna 817 00 06-16 - SCHRAUBE
1x
4,41 CHF
199
Husqvarna 532 19 82-59 - PLATTE
1x
22,05 CHF
202
Husqvarna 532 40 25-73 - PLATTE
1x
112,76 CHF
204
Husqvarna 872 04 04-10 - SCHRAUBE
1x
2,34 CHF
205
Husqvarna 873 68 04-00 - Mutter 1/4-20
1x
2,07 CHF
208
Husqvarna 532 19 78-69 - STÜTZE
1x
7,77 CHF
209
Husqvarna 532 19 95-92 - STANGE
1x
11,12 CHF
210
Husqvarna 532 19 78-60 - ARM
1x
48,61 CHF
211
Husqvarna 532 12 01-83 - LAGER
1x
6,02 CHF
213
Husqvarna 532 40 31-19 - BEDIENELEMENT
1x
10,12 CHF
214
Husqvarna 532 19 91-45 - Klammer
1x
5,08 CHF
216
Husqvarna 532 19 61-31 - HALTER
1x
11,30 CHF
218
Husqvarna 532 19 63-95 - PLATTE
1x
10,53 CHF
220
Husqvarna 532 19 89-08 - LINSE
1x
13,87 CHF
221
Husqvarna 532 19 89-09 - LINSE
1x
15,75 CHF
221
Husqvarna 532 40 31-87 - FEDER
1x
2,72 CHF
228
Husqvarna 532 19 51-61 - BOLZEN
1x
8,17 CHF
531 02 95-03
Husqvarna 531 02 95-03 - OELFILTER
1x
29,72 CHF

Produktbewertungen unserer Kunden
Unsere Bewertungen sind zu 100% echt.
Bewertungen von Kunden, die ihre Ware nicht bei uns gekauft haben, werden entsprechend gekennzeichnet.
Bewertungen mit diesem Symbol stammen von verifizierten Käufern!
Zu diesem Produkt gibt es noch keine Kundenbewertungen.
Sie können die erste Person sein, die zu diesem Produkt eine Bewertung schreibt.