koempf24_ch Logo
Unsere Seite verwendet Cookies und ähnliche Technologien, um die Benutzererfahrung auf unserer Website zu verbessern, Inhalte und Anzeigen zu personalisieren und die Nutzung unserer Website zu analysieren. Mit Ihrer Einwilligung stimmen Sie der Verwendung von Cookies sowie der Verarbeitung Ihrer persönlichen Daten zu, um Ihnen ein bestmögliches Surferlebnis und mehr Funktionen zu bieten.

Sie können Ihre Einwilligung jederzeit in den Cookie-Einstellungen anpassen oder widerrufen.
Experten-Beratung Lassen Sie sich von unseren Experten über das Kontaktformular beraten.
Artikelnummer: 4328858
Hier können Sie unsere qualifizierten Fachberater zur Planung Ihrer Bestellung kontaktieren.
Zum Kontaktformular
Hier erhalten Sie allgemeine Informationen zum Bestellprozess, der Lieferung, der Zahlung und mehr.
Zum FAQ
Hier können Sie Feedback zu dieser Seite abgeben oder unerwartete Inhalte und Auffälligkeiten melden.

Husqvarna Gartentraktoren GT2254, 96025000202, 2005-06

Husqvarna Gartentraktoren GT2254, 96025000202, 2005-06

Nicht lieferbar
Dieser Artikel ist leider nicht mehr zu bestellen. Wir empfehlen Ihnen eine alternative Artikelwahl aus dieser Kategorie. Wir wünschen Ihnen viel Spaß beim Stöbern.
Andere Produkte der Kategorie Husqvarna Ersatzteilzeichnungen
Artikel-Nr.: 4328858
  • Deutschlands bester Händler
  • Trusted Shops Käuferschutz
  • Rechnungskauf
  • Montageservice
  • Verlängerte Rückgabefrist

Husqvarna Logo

Husqvarna

Der schwedische Hersteller Husqvarna bietet Ihnen Motorgeräte für die Forst-, Garten- sowie Landschaftspflege. Bereits 1689 begann die Unternehmensgeschichte, damals noch mit der Herstellung von Musketen. Somit profitiert das Unternehmen von mehr als 325 Jahre langer Erfahrung – und somit auch seine Kunden.

Die Zufriedenheit der Kunden ist dem international bekannten Unternehmen besonders wichtig. Daher arbeitet Husqvarna eng mit dem Anwender zusammen, auch nach dem Kauf steht das Unternehmen seinen Käufern mit Rat und Tat zur Seite. Sie können sich bei den Husqvarna Produkten daher auf eine kompromisslose Qualität, Benutzerfreundlichkeit sowie Spitzenleistung verlassen.
 

Garantie

Als unser Kunde genießen Sie auch nach dem Kauf Ihres Husqvarna-Produkts zahlreiche Vorteile! Im Garantiefall sind wir Ihr erster Ansprechpartner und werden Ihnen gerne weiterhelfen. Wir verfügen über eine eigene Hersteller-Werkstatt, sind qualifiziert und berechtigt, im Garantiefall alle nötigen Reparaturen an Ihrem Husqvarna-Gerät durchzuführen.

Das bedeutet für Sie: Sie können sich jederzeit an uns wenden, als Ihr Händler bei dem Sie die Ware gekauft haben sind wir stets die erste Adresse. Selbstverständlich steht es Ihnen jedoch frei, sich an jeden anderen autorisierten Husqvarna-Händler zu wenden.

Gegen Vorlegen Ihres Kaufbeleges (inklusive ausgefüllter Garantiekarte) aus unserem Shop können Sie wohnortnah - in ganz Europa, in der Schweiz und in Großbritannien - Ihr registriertes Produkt zur Garantieüberprüfung vorlegen. Der lokale Husqvarna Servicehändler wird im Garantiefall defekte Teile ausschließlich durch original Husqvarna-Ersatzteile und Zubehör ersetzen. 

 

Husqvarna Händler mit Onlineshop 

Ausschließlich autorisierte, qualifizierte Händler dürfen Husqvarna Produkte verkaufen. So erhalten Sie als Kunde fachgerechte Auskunft zu Ihren Fragen. Wir sind ein autorisierter Husqvarna Fachhändler mit eigener Werkstatt. Vor jeder Auslieferung werden die Geräte entsprechend der Herstellervorgaben geprüft.

 

Stationärer Handel:
Kömpf Baumarkt GmbH
Leibnizstr. 2
75365 Calw

 

Husqvarna Geräte

Husqvarna AB
Regeringsgatan 28
11153 Stockholm
Schweden
verkauf@husqvarna.de
Verantwortliche Person:
Husqvarna Deutschland GmbH
Hans-Lorenser-Strasse 40
89079 Ulm
Deutschland
verkauf@husqvarna.de

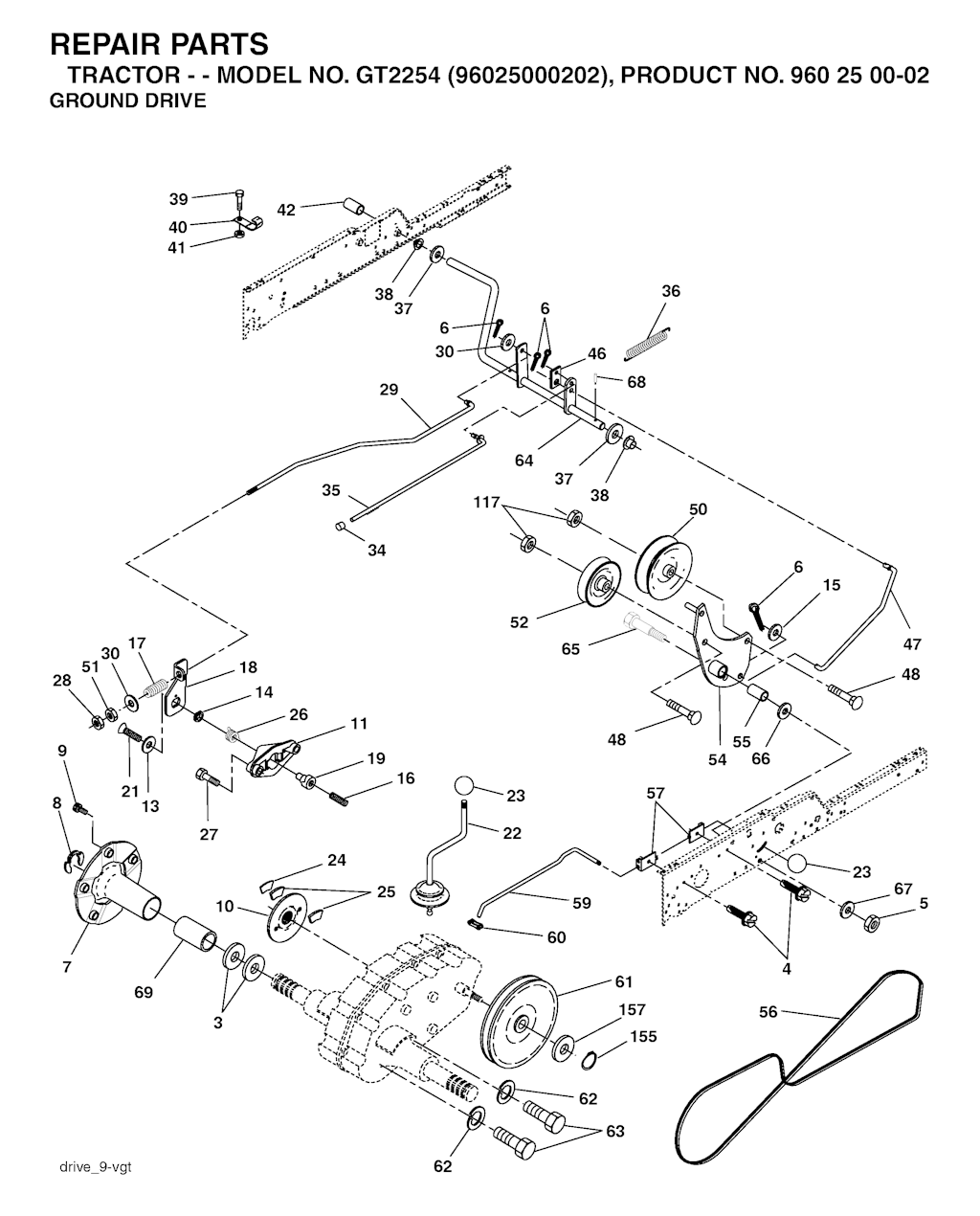
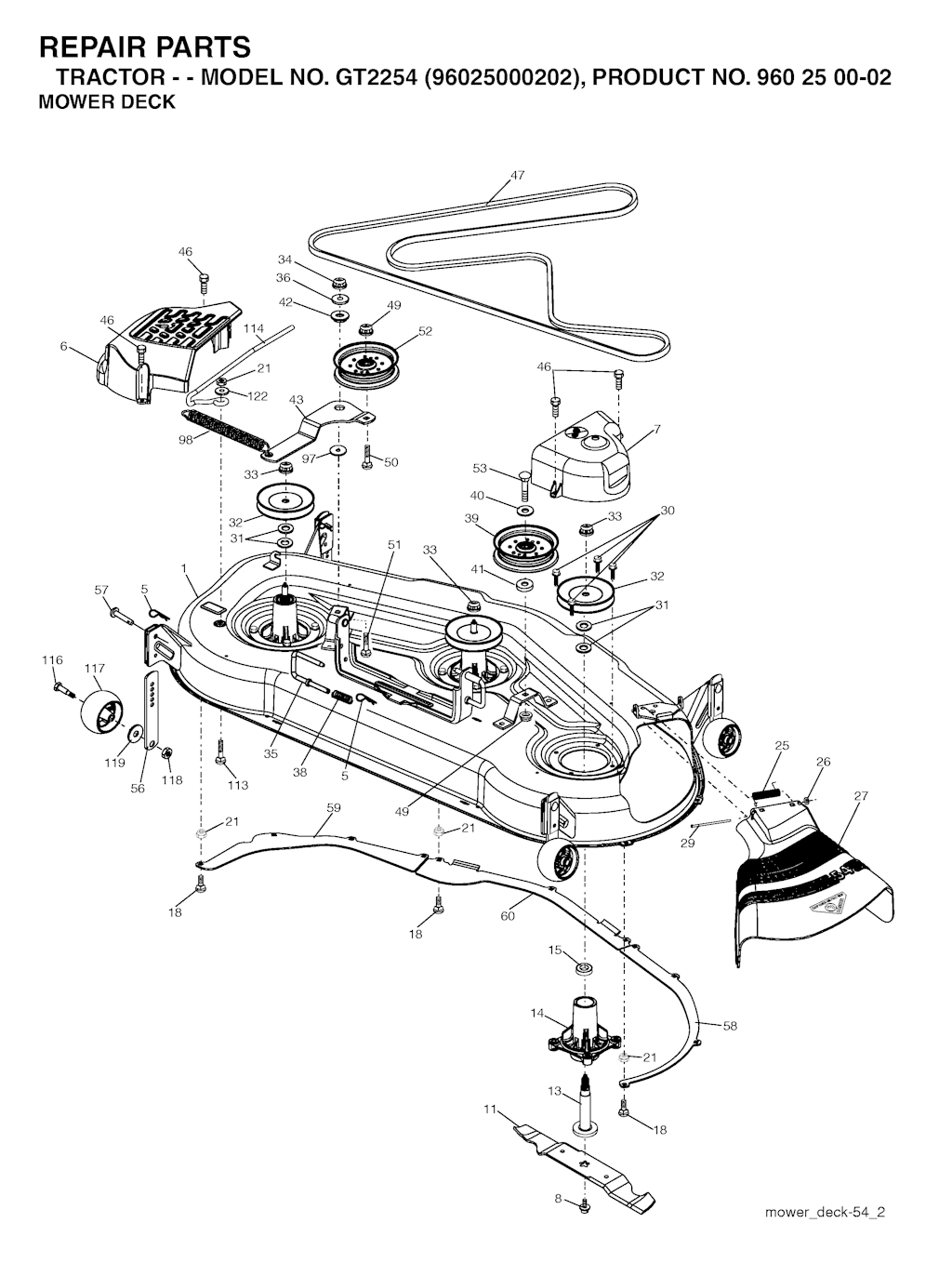
66 von insgesamt 66 eingezeichneten Ersatzteilen in Explosionszeichnung Nr. 1

- -
Husqvarna 532 18 19-16 - BREMSBELAG
1x
10,43 CHF
1
Husqvarna 532 05 91-92 - Hut
1x
5,08 CHF
2
Husqvarna 874 76 04-12 - SCHRAUBE
1x
1,76 CHF
2
Husqvarna 532 06 51-39 - Nippel
1x
5,09 CHF
3
Husqvarna 532 14 06-75 - STREIFEN
1x
6,64 CHF
4
Husqvarna 817 49 05-08 - SCHRAUBE
1x
3,00 CHF
7
Husqvarna 817 72 04-08 - SCHRAUBE
1x
1,73 CHF
7
Husqvarna 532 12 17-48 - SCHEIBE
1x
4,14 CHF
8
Husqvarna 812 00 00-29 - FEDERRING
1x
0,63 CHF
8
Husqvarna 532 17 18-77 - Bolzen
1x
3,47 CHF
9
Husqvarna 532 12 12-32 - KAPSEL
1x
4,03 CHF
13
Husqvarna 532 12 17-49 - SCHEIBE
1x
2,66 CHF
14
Husqvarna 532 18 72-81 - LAGERGEHÄUSE
1x
149,63 CHF
15
Husqvarna 532 11 04-85 - LAGER
1x
7,92 CHF
16
Husqvarna 532 17 61-38 - SCHALTER
1x
16,08 CHF
17
Husqvarna 817 00 06-12 - SCHRAUBE
1x
4,03 CHF
18
Husqvarna 532 18 28-73 - GITTER
1x
81,86 CHF
18
Husqvarna 872 14 05-05 - BOLZEN
1x
3,00 CHF
22
Husqvarna 532 00 41-52 - LAMPE
1x
4,10 CHF
23
Husqvarna 532 15 29-27 - SCHRAUBE
1x
2,02 CHF
26
Husqvarna 532 11 04-52 - MUTTER
1x
5,08 CHF
28
Husqvarna 817 00 06-12 - SCHRAUBE
1x
4,03 CHF
29
Husqvarna 532 13 71-80 - FUNKEN FÄNGER
1x
39,30 CHF
29
Husqvarna 595 29 70-01 - WELLE
1x
7,67 CHF
30
Husqvarna 532 19 33-50 - Zündschloss
1x
28,45 CHF
31
Husqvarna 532 18 76-90 - SCHEIBE
1x
2,87 CHF
34
Husqvarna 532 11 07-12 - SCHALTER
1x
13,37 CHF
34
Husqvarna 874 78 05-12 - BOLZEN
1x
3,21 CHF
37
Husqvarna 532 12 17-49 - SCHEIBE
1x
2,66 CHF
37
Husqvarna 532 12 34-87 - KLEMME
1x
5,08 CHF
37
Husqvarna 873 80 05-00 - MUTTER
1x
1,88 CHF
40
Husqvarna 817 06 05-16 - SCHRAUBE
1x
3,47 CHF
41
Husqvarna 817 72 04-08 - SCHRAUBE
1x
1,73 CHF
41
Husqvarna 817 58 05-20 - * SCHRAUBE
1x
3,65 CHF
41
Husqvarna 532 12 61-97 - SCHEIBE
1x
10,10 CHF
41
Husqvarna 532 17 59-94 - MUTTER
1x
3,68 CHF
42
Husqvarna 817 49 05-08 - SCHRAUBE
1x
3,00 CHF
46
Husqvarna 532 13 77-29 - SCHRAUBE
1x
2,02 CHF
48
Husqvarna 872 11 06-12 - BOLZEN
1x
3,00 CHF
50
Husqvarna 872 11 06-16 - BOLZEN
1x
4,86 CHF
53
Husqvarna 532 18 89-67 - SCHEIBE
1x
4,09 CHF
60
Husqvarna 817 06 06-20 - SCHRAUBE
1x
4,56 CHF
66
Husqvarna 817 49 06-08 - SCHRAUBE
1x
3,65 CHF
66
Husqvarna 532 14 02-96 - SCHEIBE
1x
6,35 CHF
68
Husqvarna 817 49 05-08 - SCHRAUBE
1x
3,00 CHF
69
Husqvarna 532 16 53-91 - DICHTUNG
1x
5,60 CHF
70
Husqvarna 532 00 13-70 - SCHEIBE
1x
3,25 CHF
72
Husqvarna 532 11 04-52 - MUTTER
1x
5,08 CHF
79
Husqvarna 532 17 52-42 - HALTER
1x
4,74 CHF
79
Husqvarna 532 18 39-06 - SCHRAUBE
1x
3,11 CHF
83
Husqvarna 532 17 18-77 - Bolzen
1x
3,47 CHF
86
Husqvarna 874 78 07-16 - BOLZEN
1x
4,68 CHF
97
Husqvarna 532 15 29-27 - SCHRAUBE
1x
2,02 CHF
106
Husqvarna 817 58 05-20 - * SCHRAUBE
1x
3,65 CHF
116
Husqvarna 532 19 34-06 - BOLZEN
1x
4,16 CHF
137
Husqvarna 874 78 07-16 - BOLZEN
1x
4,68 CHF
139
Husqvarna 532 17 18-73 - BOLZEN
1x
3,65 CHF
143
Husqvarna 532 17 75-86 - GEHÄUSEKLAPPE
1x
50,50 CHF
146
Husqvarna 532 17 75-87 - GEHÄUSEKLAPPE
1x
33,58 CHF
153
Husqvarna 532 18 82-12 - GEHÄUSEKLAPPE
1x
81,33 CHF
155
Husqvarna 812 00 00-28 - Federring
1x
5,08 CHF
157
Husqvarna 532 00 13-70 - SCHEIBE
1x
3,25 CHF
158
Husqvarna 817 67 06-08 - SCHRAUBE
1x
3,65 CHF
161
Husqvarna 532 18 17-87 - BEFESTIGUNG
1x
8,63 CHF
162
Husqvarna 532 14 24-32 - SCHRAUBE
1x
5,08 CHF
173
Husqvarna 874 78 05-12 - BOLZEN
1x
3,21 CHF

Produktbewertungen unserer Kunden
Unsere Bewertungen sind zu 100% echt.
Bewertungen von Kunden, die ihre Ware nicht bei uns gekauft haben, werden entsprechend gekennzeichnet.
Bewertungen mit diesem Symbol stammen von verifizierten Käufern!
Zu diesem Produkt gibt es noch keine Kundenbewertungen.
Sie können die erste Person sein, die zu diesem Produkt eine Bewertung schreibt.