koempf24_ch Logo
Unsere Seite verwendet Cookies und ähnliche Technologien, um die Benutzererfahrung auf unserer Website zu verbessern, Inhalte und Anzeigen zu personalisieren und die Nutzung unserer Website zu analysieren. Mit Ihrer Einwilligung stimmen Sie der Verwendung von Cookies sowie der Verarbeitung Ihrer persönlichen Daten zu, um Ihnen ein bestmögliches Surferlebnis und mehr Funktionen zu bieten.

Sie können Ihre Einwilligung jederzeit in den Cookie-Einstellungen anpassen oder widerrufen.
Experten-Beratung Lassen Sie sich von unseren Experten beraten und schließen Sie Ihre Bestellung telefonisch ab.
Artikelnummer: 4328766
Hier können Sie unsere qualifizierten Fachberater zur Planung Ihrer Bestellung kontaktieren.
Zum Kontaktformular
Hier erhalten Sie allgemeine Informationen zum Bestellprozess, der Lieferung, der Zahlung und mehr.
Zum FAQ
Hier können Sie Feedback zu dieser Seite abgeben oder unerwartete Inhalte und Auffälligkeiten melden.

Husqvarna Gartentraktoren 96061019102 CTH220 Twin

Husqvarna Gartentraktoren 96061019102 CTH220 Twin

Nicht lieferbar
Dieser Artikel ist leider nicht mehr zu bestellen. Wir empfehlen Ihnen eine alternative Artikelwahl aus dieser Kategorie. Wir wünschen Ihnen viel Spaß beim Stöbern.
Andere Produkte der Kategorie Husqvarna Ersatzteilzeichnungen
Artikel-Nr.: 4328766
  • Deutschlands bester Händler
  • Trusted Shops Käuferschutz
  • Rechnungskauf
  • Montageservice

Husqvarna Logo

Husqvarna

Der schwedische Hersteller Husqvarna bietet Ihnen Motorgeräte für die Forst-, Garten- sowie Landschaftspflege. Bereits 1689 begann die Unternehmensgeschichte, damals noch mit der Herstellung von Musketen. Somit profitiert das Unternehmen von mehr als 325 Jahre langer Erfahrung – und somit auch seine Kunden.

Die Zufriedenheit der Kunden ist dem international bekannten Unternehmen besonders wichtig. Daher arbeitet Husqvarna eng mit dem Anwender zusammen, auch nach dem Kauf steht das Unternehmen seinen Käufern mit Rat und Tat zur Seite. Sie können sich bei den Husqvarna Produkten daher auf eine kompromisslose Qualität, Benutzerfreundlichkeit sowie Spitzenleistung verlassen.
 

Garantie

Als unser Kunde genießen Sie auch nach dem Kauf Ihres Husqvarna-Produkts zahlreiche Vorteile! Im Garantiefall sind wir Ihr erster Ansprechpartner und werden Ihnen gerne weiterhelfen. Wir verfügen über eine eigene Hersteller-Werkstatt, sind qualifiziert und berechtigt, im Garantiefall alle nötigen Reparaturen an Ihrem Husqvarna-Gerät durchzuführen.

Das bedeutet für Sie: Sie können sich jederzeit an uns wenden, als Ihr Händler bei dem Sie die Ware gekauft haben sind wir stets die erste Adresse. Selbstverständlich steht es Ihnen jedoch frei, sich an jeden anderen autorisierten Husqvarna-Händler zu wenden.

Gegen Vorlegen Ihres Kaufbeleges (inklusive ausgefüllter Garantiekarte) aus unserem Shop können Sie wohnortnah - in ganz Europa, in der Schweiz und in Großbritannien - Ihr registriertes Produkt zur Garantieüberprüfung vorlegen. Der lokale Husqvarna Servicehändler wird im Garantiefall defekte Teile ausschließlich durch original Husqvarna-Ersatzteile und Zubehör ersetzen. 

 

Husqvarna Händler mit Onlineshop 

Ausschließlich autorisierte, qualifizierte Händler dürfen Husqvarna Produkte verkaufen. So erhalten Sie als Kunde fachgerechte Auskunft zu Ihren Fragen. Wir sind ein autorisierter Husqvarna Fachhändler mit eigener Werkstatt. Vor jeder Auslieferung werden die Geräte entsprechend der Herstellervorgaben geprüft.

 

Stationärer Handel:
Kömpf Baumarkt GmbH
Leibnizstr. 2
75365 Calw

 

Husqvarna Geräte

Husqvarna AB
Regeringsgatan 28
11153 Stockholm
Schweden
verkauf@husqvarna.de
Verantwortliche Person:
Husqvarna Deutschland GmbH
Hans-Lorenser-Strasse 40
89079 Ulm
Deutschland
verkauf@husqvarna.de

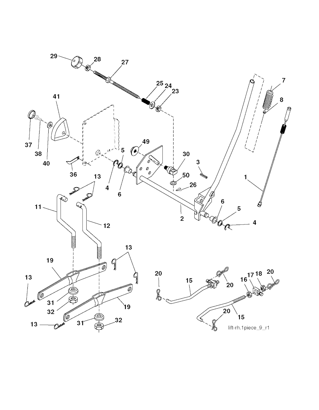
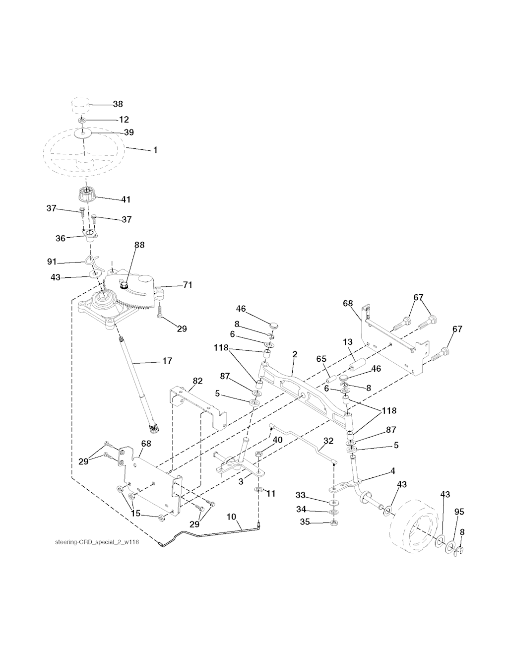
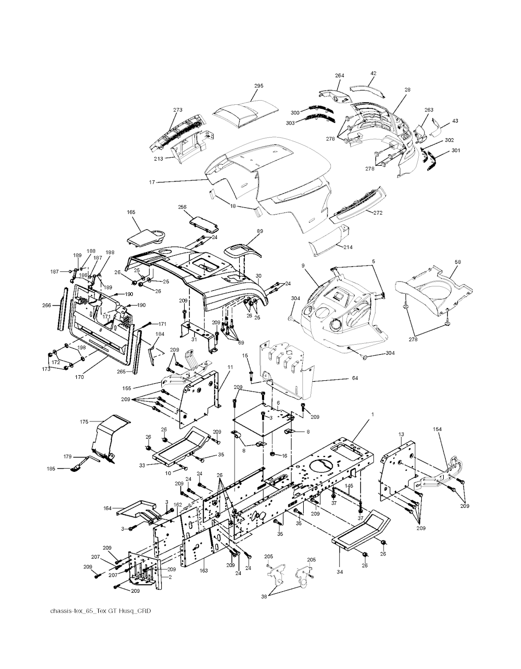
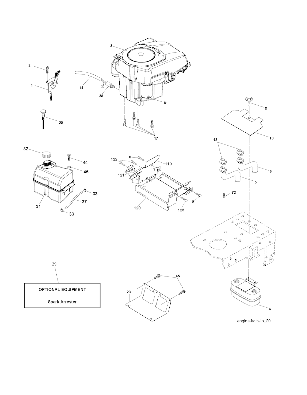
106 von insgesamt 106 eingezeichneten Ersatzteilen in Explosionszeichnung Nr. 1

- -
Husqvarna 532 18 19-16 - BREMSBELAG
1x
10,43 CHF
1
Husqvarna 532 05 91-92 - Hut
1x
5,08 CHF
2
Husqvarna 532 06 51-39 - Nippel
1x
5,09 CHF
2
Husqvarna 874 76 04-12 - SCHRAUBE
1x
1,76 CHF
4
Husqvarna 532 05 99-04 - SCHLAUCH
1x
15,59 CHF
5
Husqvarna 532 40 75-90 - GUMMI
1x
4,87 CHF
6
Husqvarna 532 12 01-83 - LAGER
1x
6,02 CHF
6
Husqvarna 532 12 17-48 - SCHEIBE
1x
4,14 CHF
8
Husqvarna 817 00 06-16 - SCHRAUBE
1x
4,41 CHF
8
Husqvarna 532 17 18-77 - Bolzen
1x
3,47 CHF
8
Husqvarna 812 00 00-29 - FEDERRING
1x
0,63 CHF
9
Husqvarna 532 12 20-82 - REIFEN
1x
128,56 CHF
11
Husqvarna Messer für Gartentraktoren I
1x
29,06 CHF
14
Husqvarna 810 04 04-00 - SCHEIBE
1x
1,81 CHF
14
Husqvarna 532 14 84-56 - ROHR
1x
9,88 CHF
14
Husqvarna 532 12 87-74 - LAGERGEHÄUSE
1x
63,86 CHF
15
Husqvarna 874 49 05-44 - SCHRAUBE
1x
4,78 CHF
15
Husqvarna 532 11 04-85 - LAGER
1x
7,92 CHF
16
Husqvarna 532 17 61-38 - SCHALTER
1x
16,08 CHF
16
Husqvarna 873 80 05-00 - MUTTER
1x
1,88 CHF
16
Husqvarna Messer für Gartentraktoren J
1x
28,73 CHF
17
Husqvarna 532 12 61-97 - SCHEIBE
1x
10,10 CHF
17
Husqvarna 817 12 06-16 - SCHRAUBE
1x
3,65 CHF
19
Husqvarna 873 90 05-00 - MUTTER
1x
1,87 CHF
20
Husqvarna 532 19 42-09 - FEDER
1x
3,59 CHF
21
Husqvarna 532 12 12-74 - KNOPF
1x
7,96 CHF
22
Husqvarna 532 00 41-52 - LAMPE
1x
4,10 CHF
22
Husqvarna 873 80 05-00 - MUTTER
1x
1,88 CHF
26
Husqvarna 532 17 51-58 - Sicherung
1x
3,98 CHF
28
Husqvarna 532 16 57-87 - Griff
1x
9,28 CHF
29
Husqvarna 817 00 06-12 - SCHRAUBE
1x
4,03 CHF
29
Husqvarna 532 13 71-80 - FUNKEN FÄNGER
1x
39,30 CHF
30
Husqvarna 532 19 33-50 - Zündschloss
1x
28,45 CHF
30
Husqvarna 532 19 73-76 - SCHIRM
1x
259,82 CHF
31
Husqvarna 532 18 76-90 - SCHEIBE
1x
2,87 CHF
32
Husqvarna 532 12 68-75 - NIETE
1x
5,08 CHF
33
Husqvarna Zündschlüssel Gartentraktor
1x
10,02 CHF
33
Husqvarna 532 12 34-87 - KLEMME
1x
5,08 CHF
33
Husqvarna 596 13 48-01 - MUTTER
1x
5,08 CHF
34
Husqvarna 532 11 07-12 - SCHALTER
1x
13,37 CHF
35
Husqvarna 532 12 01-83 - LAGER
1x
6,02 CHF
36
Husqvarna 819 21 16-16 - SCHEIBE
1x
2,01 CHF
36
Husqvarna 593 78 78-01 - Riemenscheibe
1x
52,30 CHF
37
Husqvarna 817 49 05-08 - SCHRAUBE
1x
3,00 CHF
37
Husqvarna 532 13 70-40 - SCHLAUCH
1x
21,45 CHF
37
Husqvarna 532 15 29-27 - SCHRAUBE
1x
2,02 CHF
37
Husqvarna 532 17 54-01 - PFROPFEN
1x
5,17 CHF
38
Husqvarna 817 06 05-16 - SCHRAUBE
1x
3,47 CHF
39
Husqvarna 872 11 06-22 - BOLZEN
1x
5,50 CHF
39
Husqvarna 819 18 38-12 - SCHEIBE
1x
11,55 CHF
43
Husqvarna 819 11 10-12 - SCHEIBE
1x
1,81 CHF
43
Husqvarna 532 12 17-49 - SCHEIBE
1x
2,66 CHF
44
Husqvarna 817 67 04-12 - SCHRAUBE
1x
3,68 CHF
45
Husqvarna 817 00 06-12 - SCHRAUBE
1x
4,03 CHF
46
Husqvarna 819 09 14-16 - SCHEIBE
1x
2,17 CHF
46
Husqvarna 532 13 77-29 - SCHRAUBE
1x
2,02 CHF
46
Husqvarna 532 12 12-32 - KAPSEL
1x
4,03 CHF
46
Husqvarna 872 11 05-10 - BOLZEN
1x
3,65 CHF
50
Husqvarna 873 80 05-00 - MUTTER
1x
1,88 CHF
50
Husqvarna 872 11 06-12 - BOLZEN
1x
3,00 CHF
50
Husqvarna 532 11 04-52 - MUTTER
1x
5,08 CHF
55
Husqvarna 532 10 57-09 - FEDER
1x
13,20 CHF
56
Husqvarna 817 06 06-20 - SCHRAUBE
1x
4,56 CHF
58
Husqvarna 532 19 85-12 - BEFESTIGUNG
1x
37,50 CHF
66
Husqvarna 817 49 06-08 - SCHRAUBE
1x
3,65 CHF
69
Husqvarna 532 14 24-32 - SCHRAUBE
1x
5,08 CHF
69
Husqvarna 532 16 54-82 - WELLE
1x
63,90 CHF
74
Husqvarna 532 13 70-57 - HUELSE
1x
7,53 CHF
75
Husqvarna 532 12 17-49 - SCHEIBE
1x
2,66 CHF
76
Husqvarna 812 00 00-01 - FEDERRING
1x
5,08 CHF
77
Husqvarna 532 12 35-83 - KEIL
1x
6,47 CHF
78
Husqvarna 532 12 17-48 - SCHEIBE
1x
4,14 CHF
79
Husqvarna 532 17 52-42 - HALTER
1x
4,74 CHF
92
Husqvarna 532 19 66-15 - KABELSATZ
1x
9,39 CHF
93
Husqvarna 532 19 25-40 - SCHRAUBE
1x
2,72 CHF
94
Husqvarna 532 19 18-34 - MODUL
1x
18,34 CHF
95
Husqvarna 532 18 89-67 - SCHEIBE
1x
4,09 CHF
116
Husqvarna 532 19 34-06 - BOLZEN
1x
4,16 CHF
118
Husqvarna 532 40 60-13 - LAGER
1x
6,02 CHF
122
Husqvarna 532 13 77-29 - SCHRAUBE
1x
2,02 CHF
124
Husqvarna 872 11 06-12 - BOLZEN
1x
3,00 CHF
124
Husqvarna 532 41 05-26 - SCHUTZ
1x
8,43 CHF
125
Husqvarna 532 41 05-27 - DEFLEKTOR
1x
8,43 CHF
130
Husqvarna 872 11 05-06 - BOLZEN
1x
2,72 CHF
145
Husqvarna 532 40 91-67 - STANGE
1x
16,21 CHF
154
Husqvarna 532 40 86-90 - HALTER RECHTS
1x
15,50 CHF
155
Husqvarna 532 40 86-91 - HALTER LINKS
1x
15,71 CHF
156
Husqvarna 532 16 60-02 - SCHEIBE
1x
5,08 CHF
162
Husqvarna 873 68 04-00 - Mutter 1/4-20
1x
2,07 CHF
163
Husqvarna 874 78 04-16 - BOLZEN
1x
2,53 CHF
163
Husqvarna 532 18 04-25 - Messer
1x
31,38 CHF
166
Husqvarna 817 49 05-10 - SCHRAUBE
1x
5,08 CHF
169
Husqvarna 532 16 55-80 - HALTER
1x
5,15 CHF
171
Husqvarna 817 49 06-08 - SCHRAUBE
1x
3,65 CHF
184
Husqvarna 532 17 46-62 - BEFESTIGUNG
1x
5,15 CHF
186
Husqvarna 532 16 56-14 - NABE
1x
6,27 CHF
187
Husqvarna 817 58 05-20 - * SCHRAUBE
1x
3,65 CHF
197
Husqvarna 532 16 96-13 - HÜLSE
1x
4,46 CHF
198
Husqvarna 532 16 89-37 - SCHEIBE
1x
5,08 CHF
205
Husqvarna 817 49 06-08 - SCHRAUBE
1x
3,65 CHF
207
Husqvarna 532 16 98-45 - SCHEIBE
1x
5,08 CHF
209
Husqvarna 817 00 06-12 - SCHRAUBE
1x
4,03 CHF
254
Husqvarna 817 00 06-16 - SCHRAUBE
1x
4,41 CHF
262
Husqvarna 872 11 06-22 - BOLZEN
1x
5,50 CHF
263
Husqvarna 817 00 06-12 - SCHRAUBE
1x
4,03 CHF
279
Husqvarna 872 11 06-16 - BOLZEN
1x
4,86 CHF

Produktbewertungen unserer Kunden
Unsere Bewertungen sind zu 100% echt.
Bewertungen von Kunden, die ihre Ware nicht bei uns gekauft haben, werden entsprechend gekennzeichnet.
Bewertungen mit diesem Symbol stammen von verifizierten Käufern!
Zu diesem Produkt gibt es noch keine Kundenbewertungen.
Sie können die erste Person sein, die zu diesem Produkt eine Bewertung schreibt.