koempf24_ch Logo
Unsere Seite verwendet Cookies und ähnliche Technologien, um die Benutzererfahrung auf unserer Website zu verbessern, Inhalte und Anzeigen zu personalisieren und die Nutzung unserer Website zu analysieren. Mit Ihrer Einwilligung stimmen Sie der Verwendung von Cookies sowie der Verarbeitung Ihrer persönlichen Daten zu, um Ihnen ein bestmögliches Surferlebnis und mehr Funktionen zu bieten.

Sie können Ihre Einwilligung jederzeit in den Cookie-Einstellungen anpassen oder widerrufen.
Experten-Beratung Lassen Sie sich von unseren Experten beraten und schließen Sie Ihre Bestellung telefonisch ab.
Artikelnummer: 4353102
Hier können Sie unsere qualifizierten Fachberater zur Planung Ihrer Bestellung kontaktieren.
Zum Kontaktformular
Hier erhalten Sie allgemeine Informationen zum Bestellprozess, der Lieferung, der Zahlung und mehr.
Zum FAQ
Hier können Sie Feedback zu dieser Seite abgeben oder unerwartete Inhalte und Auffälligkeiten melden.

Husqvarna Gartentraktoren 960510188 TC 130

Husqvarna Gartentraktoren 960510188 TC 130

Nicht lieferbar
Dieser Artikel ist leider nicht mehr zu bestellen. Wir empfehlen Ihnen eine alternative Artikelwahl aus dieser Kategorie. Wir wünschen Ihnen viel Spaß beim Stöbern.
Andere Produkte der Kategorie Husqvarna Ersatzteilzeichnungen
Artikel-Nr.: 4353102
  • Deutschlands bester Händler
  • Trusted Shops Käuferschutz
  • Rechnungskauf
  • Montageservice

Husqvarna Logo

Husqvarna

Der schwedische Hersteller Husqvarna bietet Ihnen Motorgeräte für die Forst-, Garten- sowie Landschaftspflege. Bereits 1689 begann die Unternehmensgeschichte, damals noch mit der Herstellung von Musketen. Somit profitiert das Unternehmen von mehr als 325 Jahre langer Erfahrung – und somit auch seine Kunden.

Die Zufriedenheit der Kunden ist dem international bekannten Unternehmen besonders wichtig. Daher arbeitet Husqvarna eng mit dem Anwender zusammen, auch nach dem Kauf steht das Unternehmen seinen Käufern mit Rat und Tat zur Seite. Sie können sich bei den Husqvarna Produkten daher auf eine kompromisslose Qualität, Benutzerfreundlichkeit sowie Spitzenleistung verlassen.
 

Garantie

Als unser Kunde genießen Sie auch nach dem Kauf Ihres Husqvarna-Produkts zahlreiche Vorteile! Im Garantiefall sind wir Ihr erster Ansprechpartner und werden Ihnen gerne weiterhelfen. Wir verfügen über eine eigene Hersteller-Werkstatt, sind qualifiziert und berechtigt, im Garantiefall alle nötigen Reparaturen an Ihrem Husqvarna-Gerät durchzuführen.

Das bedeutet für Sie: Sie können sich jederzeit an uns wenden, als Ihr Händler bei dem Sie die Ware gekauft haben sind wir stets die erste Adresse. Selbstverständlich steht es Ihnen jedoch frei, sich an jeden anderen autorisierten Husqvarna-Händler zu wenden.

Gegen Vorlegen Ihres Kaufbeleges (inklusive ausgefüllter Garantiekarte) aus unserem Shop können Sie wohnortnah - in ganz Europa, in der Schweiz und in Großbritannien - Ihr registriertes Produkt zur Garantieüberprüfung vorlegen. Der lokale Husqvarna Servicehändler wird im Garantiefall defekte Teile ausschließlich durch original Husqvarna-Ersatzteile und Zubehör ersetzen. 

 

Husqvarna Händler mit Onlineshop 

Ausschließlich autorisierte, qualifizierte Händler dürfen Husqvarna Produkte verkaufen. So erhalten Sie als Kunde fachgerechte Auskunft zu Ihren Fragen. Wir sind ein autorisierter Husqvarna Fachhändler mit eigener Werkstatt. Vor jeder Auslieferung werden die Geräte entsprechend der Herstellervorgaben geprüft.

 

Stationärer Handel:
Kömpf Baumarkt GmbH
Leibnizstr. 2
75365 Calw

 

Husqvarna Geräte

Husqvarna AB
Regeringsgatan 28
11153 Stockholm
Schweden
verkauf@husqvarna.de
Verantwortliche Person:
Husqvarna Deutschland GmbH
Hans-Lorenser-Strasse 40
89079 Ulm
Deutschland
verkauf@husqvarna.de

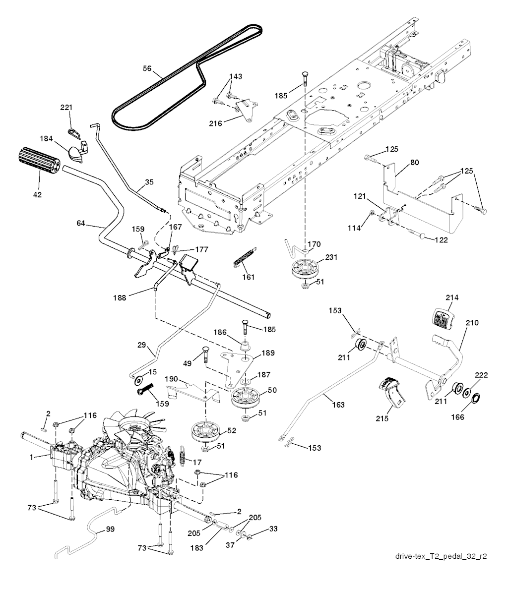
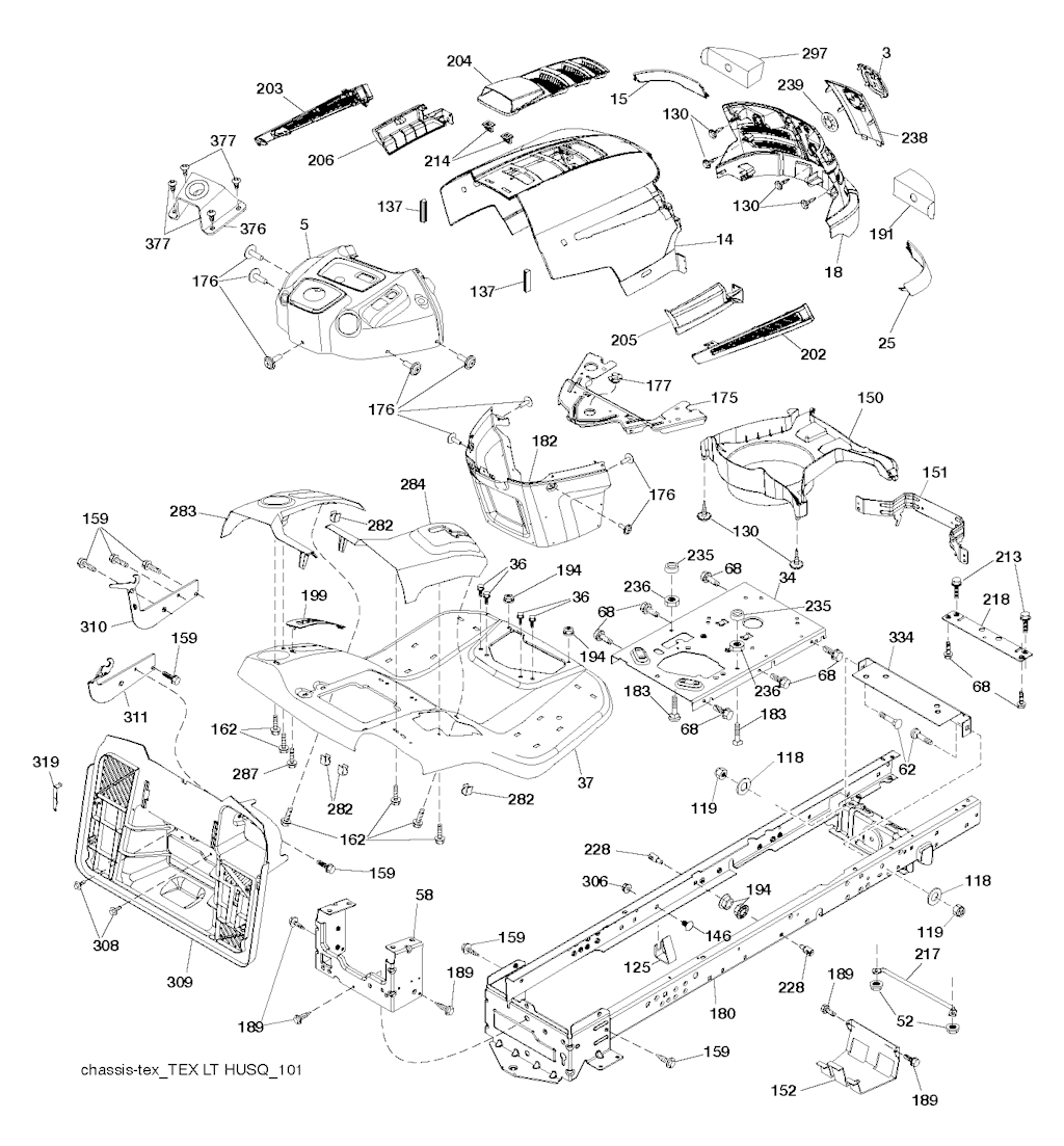
175 von insgesamt 175 eingezeichneten Ersatzteilen in Explosionszeichnung Nr. 1

- -
Husqvarna 581 72 48-01 - Folie
1x
5,08 CHF
- -
Husqvarna 532 44 14-09 - Kissen
1x
41,91 CHF
- -
Husqvarna 532 44 14-10 - Kissen
1x
6,12 CHF
- -
Husqvarna 532 44 08-00 - Schneidwerk
1x
480,01 CHF
1
Husqvarna 586 04 73-02 - Folie
1x
2,23 CHF
1
Husqvarna 532 05 91-92 - Hut
1x
5,08 CHF
1
Husqvarna 532 42 86-10 - ROHR
1x
29,57 CHF
2
Husqvarna 532 06 51-39 - Nippel
1x
5,09 CHF
2
Husqvarna 874 76 04-12 - SCHRAUBE
1x
1,76 CHF
2
Husqvarna 532 12 35-83 - KEIL
1x
6,47 CHF
2
Husqvarna 590 64 53-01 - SCHALLDÄMPFER
1x
120,89 CHF
2
Husqvarna 532 18 01-66 - BEFESTIGUNG
1x
19,55 CHF
2
Husqvarna 532 44 13-58 - Abdeckung
1x
46,33 CHF
2
Husqvarna 532 42 20-27 - WELLE
1x
115,37 CHF
3
Husqvarna 581 57 97-01 - Aufkleber
1x
2,34 CHF
4
Husqvarna 587 39 64-01 - Aufkleber
1x
11,93 CHF
4
Husqvarna 579 78 54-01 - Einstellhebel kpl.
1x
67,05 CHF
5
Husqvarna 581 57 96-01 - Aufkleber
1x
2,14 CHF
5
Husqvarna 532 43 89-64 - Schaltbrett
1x
50,47 CHF
5
Husqvarna 817 00 05-10 - BOLZEN
1x
2,53 CHF
6
Husqvarna 584 90 46-01 - Folie
1x
2,48 CHF
6
Husqvarna 532 00 02-78 - NIPPEL
1x
5,14 CHF
6
Husqvarna 532 00 62-66 - SCHEIBE
1x
2,01 CHF
6
Husqvarna 532 12 68-75 - NIETE
1x
5,08 CHF
7
Husqvarna 532 00 90-40 - Lager
1x
19,78 CHF
7
Husqvarna 532 12 17-48 - SCHEIBE
1x
4,14 CHF
7
Husqvarna 589 48 35-01 - Feder
1x
13,97 CHF
8
Husqvarna 532 17 18-77 - Bolzen
1x
3,47 CHF
8
Husqvarna 812 00 00-29 - FEDERRING
1x
0,63 CHF
9
Husqvarna 582 54 03-02 - BEFESTIGUNG
1x
8,95 CHF
9
Husqvarna 532 12 12-32 - KAPSEL
1x
4,03 CHF
9
Husqvarna 532 19 90-92 - ABSTANDSSCHEIBE
1x
5,59 CHF
10
Husqvarna 817 00 06-16 - SCHRAUBE
1x
4,41 CHF
10
Husqvarna 532 19 63-14 - FEDER
1x
4,09 CHF
11
Husqvarna 581 57 98-01 - Aufkleber
1x
5,08 CHF
11
Husqvarna 532 13 77-29 - SCHRAUBE
1x
2,02 CHF
12
Husqvarna 532 19 94-70 - ARM
1x
16,80 CHF
13
Husqvarna 532 12 17-49 - SCHEIBE
1x
2,66 CHF
14
Husqvarna 532 44 12-67 - Haube
1x
116,26 CHF
15
Husqvarna 581 28 99-01 - Kraftstofftank
1x
54,73 CHF
15
Husqvarna 593 78 78-01 - Riemenscheibe
1x
52,30 CHF
16
Husqvarna 532 17 61-38 - SCHALTER
1x
16,08 CHF
18
Husqvarna 532 43 94-21 - Kühlergrill
1x
171,74 CHF
19
Husqvarna 532 19 47-29 - PLATTE
1x
58,00 CHF
20
Husqvarna 532 44 14-25 - Hut
1x
11,28 CHF
21
Husqvarna 532 40 02-52 - KABELBAUM
1x
21,68 CHF
21
Husqvarna 587 90 78-01 - Bolzen
1x
2,07 CHF
22
Husqvarna 532 00 41-52 - LAMPE
1x
4,10 CHF
23
Husqvarna 596 56 40-03 - Bolzen 3/8-16 x 1.78
1x
5,63 CHF
23
Husqvarna 872 04 04-10 - SCHRAUBE
1x
2,34 CHF
24
Husqvarna 596 13 49-01 - Scheibe
1x
6,12 CHF
26
Husqvarna 532 17 51-58 - Sicherung
1x
3,98 CHF
26
Husqvarna 594 94 91-01 - Kappe
1x
8,04 CHF
28
Husqvarna 532 42 16-86 - KABEL
1x
19,68 CHF
28
Husqvarna 817 00 06-12 - SCHRAUBE
1x
4,03 CHF
28
Husqvarna 532 13 70-40 - SCHLAUCH
1x
21,45 CHF
28
Husqvarna 532 16 57-87 - Griff
1x
9,28 CHF
29
Husqvarna 532 40 15-45 - SCHALTER
1x
18,95 CHF
29
Husqvarna 532 13 71-80 - FUNKEN FÄNGER
1x
39,30 CHF
29
Husqvarna 532 19 42-08 - STIFT
1x
1,26 CHF
30
Husqvarna 532 19 33-50 - Zündschloss
1x
28,45 CHF
32
Husqvarna 532 40 18-72 - FEDER
1x
6,30 CHF
33
Husqvarna 532 41 19-33 - TASTE
1x
8,83 CHF
33
Husqvarna 812 00 00-01 - FEDERRING
1x
5,08 CHF
33
Husqvarna 596 23 88-01 - Scheibe 5/16
1x
5,08 CHF
33
Husqvarna 587 81 97-01 - Dorn
1x
154,11 CHF
34
Husqvarna 532 11 07-12 - SCHALTER
1x
13,37 CHF
35
Husqvarna 532 19 47-32 - PLATTE
1x
58,01 CHF
35
Husqvarna Messer für Gartentraktoren H
1x
40,50 CHF
37
Husqvarna 532 44 14-19 - Schutzblech
1x
260,05 CHF
37
Husqvarna 532 12 17-49 - SCHEIBE
1x
2,66 CHF
37
Husqvarna 532 12 34-87 - KLEMME
1x
5,08 CHF
38
Husqvarna 532 19 65-39 - BOLZEN
1x
5,01 CHF
40
Husqvarna 595 08 81-02 - Einstellhebel
1x
9,22 CHF
41
Husqvarna 532 19 82-00 - FEDER
1x
2,45 CHF
42
Husqvarna 817 00 06-12 - SCHRAUBE
1x
4,03 CHF
42
Husqvarna 532 00 88-83 - PEDALGUMMI
1x
8,97 CHF
43
Husqvarna 582 04 28-02 - Elektromagnet
1x
19,74 CHF
44
Husqvarna 501 05 18-01 - Scheibe
1x
3,98 CHF
45
Husqvarna 596 04 00-01 - Scheibe 11/32 x 2-3/8
1x
11,92 CHF
46
Husqvarna 594 91 91-01 - Stundenzähler
1x
24,29 CHF
46
Husqvarna 588 09 04-01 - BOLZEN
1x
3,17 CHF
46
Husqvarna 501 40 66-01 - Schraube
1x
5,08 CHF
50
Husqvarna 532 19 43-27 - RIEMENSCHEIBE
1x
41,29 CHF
52
Husqvarna 532 19 43-26 - RIEMENSCHEIBE
1x
40,87 CHF
53
Husqvarna 532 18 89-67 - SCHEIBE
1x
4,09 CHF
57
Husqvarna 532 40 74-65 - HALTER
1x
10,51 CHF
58
Husqvarna 532 41 22-80 - PLATTE
1x
101,43 CHF
58
Husqvarna 532 19 47-47 - BOLZEN
1x
10,33 CHF
59
Husqvarna 532 19 47-48 - SCHEIBE
1x
3,90 CHF
64
Husqvarna 532 19 78-65 - WELLE
1x
49,42 CHF
64
Husqvarna 532 19 98-49 - FEDER
1x
2,77 CHF
66
Husqvarna 871 02 07-48 - SCHRAUBE
1x
6,41 CHF
67
Husqvarna 532 40 30-12 - HANDGRIFF
1x
11,08 CHF
68
Husqvarna 873 90 07-00 - MUTTER
1x
3,51 CHF
68
Husqvarna 584 95 39-01 - Bolzen
1x
4,60 CHF
69
Husqvarna 590 86 35-01 - DICHTUNG
1x
6,15 CHF
69
Husqvarna 532 19 91-62 - SCHEIBE
1x
6,50 CHF
70
Husqvarna 532 40 12-46 - KUPPLUNG
1x
58,04 CHF
71
Husqvarna 532 19 07-52 - ACHSE
1x
19,25 CHF
72
Husqvarna 596 03 97-01 - Bolzen 5/16-18unc x 4 ''
1x
6,04 CHF
74
Husqvarna 532 00 33-66 - LAGER
1x
5,22 CHF
76
Husqvarna 580 68 36-01 - Schraube
1x
5,08 CHF
76
Husqvarna 532 41 55-98 - SCHLAUCHANSCHLUSS
1x
4,76 CHF
79
Husqvarna 532 17 52-42 - HALTER
1x
4,74 CHF
85
Husqvarna 501 60 65-01 - Bolzen
1x
1,81 CHF
87
Husqvarna 532 17 18-77 - Bolzen
1x
3,47 CHF
87
Husqvarna 532 19 42-09 - FEDER
1x
3,59 CHF
88
Husqvarna 532 41 07-10 - FEDER
1x
14,80 CHF
89
Husqvarna 819 19 19-12 - SCHEIBE
1x
3,69 CHF
90
Husqvarna 532 43 53-95 - POLABDECKUNG
1x
4,60 CHF
90
Husqvarna 817 00 06-16 - SCHRAUBE
1x
4,41 CHF
90
Husqvarna 532 19 42-08 - STIFT
1x
1,26 CHF
92
Husqvarna 817 12 06-16 - SCHRAUBE
1x
3,65 CHF
97
Husqvarna 817 67 04-12 - SCHRAUBE
1x
3,68 CHF
97
Husqvarna 817 00 06-12 - SCHRAUBE
1x
4,03 CHF
97
Husqvarna 590 10 57-01 - Schraube Torx
1x
5,08 CHF
99
Husqvarna 817 67 04-12 - SCHRAUBE
1x
3,68 CHF
101
Husqvarna 532 40 70-03 - ANSCHLUSS
1x
13,83 CHF
106
Husqvarna 532 17 48-14 - MUTTER
1x
5,08 CHF
108
Husqvarna 532 42 10-62 - SCHALTER,MAEHWERKSABSCHAL.GRAU
1x
15,75 CHF
119
Husqvarna 596 32 26-01 - MUTTER
1x
3,11 CHF
122
Husqvarna 532 42 19-22 - OELABLAUF
1x
5,12 CHF
125
Husqvarna 581 68 48-01 - KLAMMER
1x
5,08 CHF
137
Husqvarna 532 40 75-90 - GUMMI
1x
4,87 CHF
146
Husqvarna 581 85 79-01 - BOLZEN
1x
5,08 CHF
150
Husqvarna 532 40 66-62 - LUEFTUNGSKANAL
1x
36,35 CHF
151
Husqvarna 532 40 78-07 - HALTER
1x
37,60 CHF
152
Husqvarna 532 19 95-35 - ABDECKUNG
1x
35,17 CHF
152
Husqvarna 532 43 51-11 - KABEL
1x
62,85 CHF
153
Husqvarna 532 00 44-97 - Klammer
1x
1,43 CHF
159
Husqvarna 817 00 06-12 - SCHRAUBE
1x
4,03 CHF
161
Husqvarna 532 10 57-09 - FEDER
1x
13,20 CHF
166
Husqvarna 532 42 91-64 - MUTTER
1x
5,08 CHF
167
Husqvarna 532 40 52-57 - BREMSSTUECK
1x
4,21 CHF
170
Husqvarna 532 41 34-30 - RIEMENFÜHRUNG
1x
6,68 CHF
175
Husqvarna 532 19 94-72 - PLATTE
1x
45,40 CHF
176
Husqvarna 532 40 07-76 - SCHRAUBE
1x
5,08 CHF
177
Husqvarna 532 19 52-28 - BUCHSE
1x
9,97 CHF
182
Husqvarna 532 40 71-76 - ARMATURENBRETT
1x
114,14 CHF
184
Husqvarna 532 41 14-84 - GRIFF
1x
7,33 CHF
185
Husqvarna 872 11 06-22 - BOLZEN
1x
5,50 CHF
186
Husqvarna 532 19 43-21 - ABSTANDSSTÜCK
1x
10,97 CHF
188
Husqvarna 582 21 70-01 - Gelenk
1x
8,85 CHF
189
Husqvarna 532 19 43-17 - PLATTE
1x
10,74 CHF
190
Husqvarna 532 19 43-18 - RIEMENFÜHRUNG
1x
6,54 CHF
202
Husqvarna 532 44 13-42 - Deckel
1x
19,79 CHF
204
Husqvarna 532 44 13-75 - Deckel
1x
31,89 CHF
205
Husqvarna 532 44 13-44 - Gummischutz
1x
21,65 CHF
205
Husqvarna 532 12 17-48 - SCHEIBE
1x
4,14 CHF
206
Husqvarna 532 44 13-45 - Gummischutz
1x
21,68 CHF
210
Husqvarna 532 40 09-80 - PEDALARM
1x
32,18 CHF
211
Husqvarna 532 12 01-83 - LAGER
1x
6,02 CHF
214
Husqvarna 532 19 91-45 - Klammer
1x
5,08 CHF
214
Husqvarna 532 42 12-63 - KISSEN
1x
10,31 CHF
215
Husqvarna 586 60 65-02 - PEDALGUMMI
1x
32,18 CHF
216
Husqvarna 532 19 61-31 - HALTER
1x
11,30 CHF
217
Husqvarna 532 40 91-67 - STANGE
1x
16,21 CHF
218
Husqvarna 532 19 63-95 - PLATTE
1x
10,53 CHF
221
Husqvarna 532 40 31-87 - FEDER
1x
2,72 CHF
222
Husqvarna 879 21 20-10 - SCHEIBE
1x
3,98 CHF
231
Husqvarna 532 40 72-87 - RIEMENSCHEIBE
1x
32,24 CHF
236
Husqvarna 873 93 05-00 - MUTTER
1x
5,08 CHF
239
Husqvarna 532 40 48-83 - KLAMMER
1x
5,08 CHF
282
Husqvarna 532 41 41-10 - CLIP
1x
5,08 CHF
283
Husqvarna 532 44 05-31 - Befestigung
1x
34,24 CHF
284
Husqvarna 532 44 05-30 - Befestigung
1x
75,50 CHF
287
Husqvarna 817 60 04-06 - SCHRAUBE
1x
5,08 CHF
297
Husqvarna 532 40 66-65 - EINSATZ LINKS
1x
7,39 CHF
308
Husqvarna 532 17 18-77 - Bolzen
1x
3,47 CHF
310
Husqvarna 532 44 54-28 - HALTER
1x
10,68 CHF
311
Husqvarna 532 44 54-30 - HALTER
1x
9,42 CHF
319
Husqvarna 532 17 46-62 - BEFESTIGUNG
1x
5,15 CHF
334
Husqvarna 532 44 25-37 - Halter
1x
30,82 CHF
377
Husqvarna 589 45 53-01 - Schraube
1x
5,08 CHF

Produktbewertungen unserer Kunden
Unsere Bewertungen sind zu 100% echt.
Bewertungen von Kunden, die ihre Ware nicht bei uns gekauft haben, werden entsprechend gekennzeichnet.
Bewertungen mit diesem Symbol stammen von verifizierten Käufern!
Zu diesem Produkt gibt es noch keine Kundenbewertungen.
Sie können die erste Person sein, die zu diesem Produkt eine Bewertung schreibt.