koempf24_ch Logo
Unsere Seite verwendet Cookies und ähnliche Technologien, um die Benutzererfahrung auf unserer Website zu verbessern, Inhalte und Anzeigen zu personalisieren und die Nutzung unserer Website zu analysieren. Mit Ihrer Einwilligung stimmen Sie der Verwendung von Cookies sowie der Verarbeitung Ihrer persönlichen Daten zu, um Ihnen ein bestmögliches Surferlebnis und mehr Funktionen zu bieten.

Sie können Ihre Einwilligung jederzeit in den Cookie-Einstellungen anpassen oder widerrufen.
Experten-Beratung Lassen Sie sich von unseren Experten über das Kontaktformular beraten.
Artikelnummer: 4353201
Hier können Sie unsere qualifizierten Fachberater zur Planung Ihrer Bestellung kontaktieren.
Zum Kontaktformular
Hier erhalten Sie allgemeine Informationen zum Bestellprozess, der Lieferung, der Zahlung und mehr.
Zum FAQ
Hier können Sie Feedback zu dieser Seite abgeben oder unerwartete Inhalte und Auffälligkeiten melden.

Husqvarna Gartentraktoren 960410371 TS 342

Husqvarna Gartentraktoren 960410371 TS 342

Nicht lieferbar
Dieser Artikel ist leider nicht mehr zu bestellen. Wir empfehlen Ihnen eine alternative Artikelwahl aus dieser Kategorie. Wir wünschen Ihnen viel Spaß beim Stöbern.
Andere Produkte der Kategorie Husqvarna Ersatzteilzeichnungen
Artikel-Nr.: 4353201
  • Deutschlands bester Händler
  • Trusted Shops Käuferschutz
  • Rechnungskauf
  • Montageservice
  • Verlängerte Rückgabefrist

Husqvarna Logo

Husqvarna

Der schwedische Hersteller Husqvarna bietet Ihnen Motorgeräte für die Forst-, Garten- sowie Landschaftspflege. Bereits 1689 begann die Unternehmensgeschichte, damals noch mit der Herstellung von Musketen. Somit profitiert das Unternehmen von mehr als 325 Jahre langer Erfahrung – und somit auch seine Kunden.

Die Zufriedenheit der Kunden ist dem international bekannten Unternehmen besonders wichtig. Daher arbeitet Husqvarna eng mit dem Anwender zusammen, auch nach dem Kauf steht das Unternehmen seinen Käufern mit Rat und Tat zur Seite. Sie können sich bei den Husqvarna Produkten daher auf eine kompromisslose Qualität, Benutzerfreundlichkeit sowie Spitzenleistung verlassen.
 

Garantie

Als unser Kunde genießen Sie auch nach dem Kauf Ihres Husqvarna-Produkts zahlreiche Vorteile! Im Garantiefall sind wir Ihr erster Ansprechpartner und werden Ihnen gerne weiterhelfen. Wir verfügen über eine eigene Hersteller-Werkstatt, sind qualifiziert und berechtigt, im Garantiefall alle nötigen Reparaturen an Ihrem Husqvarna-Gerät durchzuführen.

Das bedeutet für Sie: Sie können sich jederzeit an uns wenden, als Ihr Händler bei dem Sie die Ware gekauft haben sind wir stets die erste Adresse. Selbstverständlich steht es Ihnen jedoch frei, sich an jeden anderen autorisierten Husqvarna-Händler zu wenden.

Gegen Vorlegen Ihres Kaufbeleges (inklusive ausgefüllter Garantiekarte) aus unserem Shop können Sie wohnortnah - in ganz Europa, in der Schweiz und in Großbritannien - Ihr registriertes Produkt zur Garantieüberprüfung vorlegen. Der lokale Husqvarna Servicehändler wird im Garantiefall defekte Teile ausschließlich durch original Husqvarna-Ersatzteile und Zubehör ersetzen. 

 

Husqvarna Händler mit Onlineshop 

Ausschließlich autorisierte, qualifizierte Händler dürfen Husqvarna Produkte verkaufen. So erhalten Sie als Kunde fachgerechte Auskunft zu Ihren Fragen. Wir sind ein autorisierter Husqvarna Fachhändler mit eigener Werkstatt. Vor jeder Auslieferung werden die Geräte entsprechend der Herstellervorgaben geprüft.

 

Stationärer Handel:
Kömpf Baumarkt GmbH
Leibnizstr. 2
75365 Calw

 

Husqvarna Geräte

Husqvarna AB
Regeringsgatan 28
11153 Stockholm
Schweden
verkauf@husqvarna.de
Verantwortliche Person:
Husqvarna Deutschland GmbH
Hans-Lorenser-Strasse 40
89079 Ulm
Deutschland
verkauf@husqvarna.de

242 von insgesamt 242 eingezeichneten Ersatzteilen in Explosionszeichnung Nr. 1

- -
Husqvarna 581 72 46-01 - Folie
1x
5,08 CHF
- -
Husqvarna 581 72 48-01 - Folie
1x
5,08 CHF
- -
Husqvarna 532 43 98-82 - Kissen links
1x
5,15 CHF
- -
Husqvarna 501 74 90-01 - Folie
1x
2,51 CHF
--
Husqvarna 588 82 26-01 - Werkzeug
1x
998,12 CHF
1
Husqvarna 532 43 97-40 - LENKRAD
1x
91,97 CHF
1
Husqvarna 588 55 67-01 - SITZ
1x
258,11 CHF
1
Husqvarna 532 05 91-92 - Hut
1x
5,08 CHF
2
Husqvarna 874 76 04-12 - SCHRAUBE
1x
1,76 CHF
2
Husqvarna 532 41 22-82 - PLATTE
1x
110,87 CHF
2
Husqvarna 532 12 35-83 - KEIL
1x
6,47 CHF
2
Husqvarna 589 81 87-01 - SCHALLDÄMPFER
1x
119,70 CHF
2
Husqvarna 532 41 35-91 - STÜTZE
1x
115,12 CHF
2
Husqvarna 532 18 01-66 - BEFESTIGUNG
1x
19,55 CHF
2
Husqvarna 589 35 79-01 - Folie
1x
2,74 CHF
2
Husqvarna 532 06 51-39 - Nippel
1x
5,09 CHF
2
Husqvarna 532 42 20-27 - WELLE
1x
115,37 CHF
3
Husqvarna 532 44 44-81 - LOGO
1x
11,38 CHF
3
Husqvarna 532 18 76-90 - SCHEIBE
1x
2,87 CHF
3
Husqvarna 532 19 52-30 - HEBEL
1x
31,07 CHF
4
Husqvarna 586 72 40-01 - Spindel
1x
57,68 CHF
4
Husqvarna 586 80 03-01 - Aufkleber
1x
13,15 CHF
4
Husqvarna 532 05 99-04 - SCHLAUCH
1x
15,59 CHF
5
Husqvarna 586 72 41-01 - SPINDEL
1x
57,60 CHF
5
Husqvarna 579 81 79-01 - Folie
1x
5,29 CHF
5
Husqvarna 532 17 04-55 - REIFEN
1x
50,22 CHF
5
Husqvarna 596 13 48-01 - MUTTER
1x
5,08 CHF
6
Husqvarna 501 08 26-01 - Folie
1x
13,15 CHF
7
Husqvarna 532 12 17-48 - SCHEIBE
1x
4,14 CHF
7
Husqvarna 589 48 35-01 - Feder
1x
13,97 CHF
7
Husqvarna 586 04 73-02 - Folie
1x
2,23 CHF
7
Husqvarna 532 19 30-03 - SCHRAUBE
1x
12,44 CHF
8
Husqvarna 812 00 00-29 - FEDERRING
1x
0,63 CHF
8
Husqvarna 532 17 18-77 - Bolzen
1x
3,47 CHF
8
Husqvarna 581 58 00-01 - Folie
1x
5,08 CHF
8
Husqvarna 532 17 60-66 - ROLLE
1x
13,76 CHF
9
Husqvarna 532 12 12-32 - KAPSEL
1x
4,03 CHF
9
Husqvarna 532 17 04-56 - REIFEN
1x
95,05 CHF
9
Husqvarna 594 09 25-01 - ROD ROLLER NOSE
1x
8,04 CHF
10
Husqvarna 587 23 20-02 - Platte
1x
77,27 CHF
10
Husqvarna 532 19 42-08 - STIFT
1x
1,26 CHF
10
Husqvarna 532 19 63-14 - FEDER
1x
4,09 CHF
11
Husqvarna 587 25 50-01 - KUPPLUNG
1x
518,76 CHF
12
Husqvarna 586 89 96-01 - Riemenscheibe
1x
53,92 CHF
12
Husqvarna 587 35 47-01 - FEDER
1x
6,77 CHF
13
Husqvarna 532 12 17-49 - SCHEIBE
1x
2,66 CHF
13
Husqvarna 595 29 70-01 - WELLE
1x
7,67 CHF
14
Husqvarna 532 19 51-61 - BOLZEN
1x
8,17 CHF
14
Husqvarna 539 99 01-18 - SCHEIBE
1x
1,99 CHF
14
Husqvarna 587 39 71-01 - Aufkleber
1x
3,27 CHF
15
Husqvarna 588 73 90-01 - Aufkleber
1x
2,30 CHF
16
Husqvarna 532 17 61-38 - SCHALTER
1x
16,08 CHF
16
Husqvarna 581 62 73-01 - Logo Motorhaube
1x
7,87 CHF
17
Husqvarna 873 90 05-00 - MUTTER
1x
1,87 CHF
17
Husqvarna 532 41 36-78 - SRPING.BRAKE.K46.GREEN*SUBS/2*
1x
8,95 CHF
18
Husqvarna 584 24 87-02 - FUEL CAP
1x
28,80 CHF
18
Husqvarna 581 57 96-01 - Aufkleber
1x
2,14 CHF
19
Husqvarna 532 19 47-29 - PLATTE
1x
58,00 CHF
20
Husqvarna 532 42 43-41 - CONTROL THROTTLE
1x
19,54 CHF
21
Husqvarna 585 43 64-01 - TRAGEGURT
1x
24,47 CHF
21
Husqvarna 532 41 63-58 - SCHRAUBE
1x
5,08 CHF
21
Husqvarna 587 90 78-01 - Bolzen
1x
2,07 CHF
24
Husqvarna 585 55 56-01 - KABEL
1x
10,04 CHF
24
Husqvarna 539 11 28-99 - NUT, 5/16-18, NYLOC
1x
1,87 CHF
25
Husqvarna 585 55 55-01 - KABEL
1x
10,57 CHF
26
Husqvarna 532 17 51-58 - Sicherung
1x
3,98 CHF
26
Husqvarna 532 19 96-79 - FEDER
1x
5,08 CHF
26
Husqvarna 532 43 97-43 - Kappe
1x
12,07 CHF
26
Husqvarna 532 17 85-15 - SCHEIBE
1x
5,95 CHF
27
Husqvarna 819 21 16-16 - SCHEIBE
1x
2,01 CHF
27
Husqvarna 532 19 61-04 - RIEMENSCHEIBE
1x
103,39 CHF
28
Husqvarna 532 41 65-88 - KABEL
1x
12,73 CHF
28
Husqvarna 817 00 06-12 - SCHRAUBE
1x
4,03 CHF
28
Husqvarna 586 87 40-02 - ARM
1x
28,94 CHF
29
Husqvarna 532 40 15-45 - SCHALTER
1x
18,95 CHF
29
Husqvarna 532 40 38-06 - STANGE
1x
18,22 CHF
29
Husqvarna 532 13 71-80 - FUNKEN FÄNGER
1x
39,30 CHF
29
Husqvarna 539 12 81-01 - BOLZEN
1x
5,08 CHF
30
Husqvarna 532 19 33-50 - Zündschloss
1x
28,45 CHF
30
Husqvarna 532 19 61-06 - Riemenscheibe
1x
84,18 CHF
33
Husqvarna 532 41 19-33 - TASTE
1x
8,83 CHF
33
Husqvarna 812 00 00-01 - FEDERRING
1x
5,08 CHF
34
Husqvarna 532 11 07-12 - SCHALTER
1x
13,37 CHF
35
Husqvarna 583 86 45-01 - STANGE
1x
9,79 CHF
35
Husqvarna 532 19 47-32 - PLATTE
1x
58,01 CHF
37
Husqvarna 532 44 12-08 - Fender
1x
319,90 CHF
37
Husqvarna 532 18 89-67 - SCHEIBE
1x
4,09 CHF
37
Husqvarna 532 12 34-87 - KLEMME
1x
5,08 CHF
37
Husqvarna 873 80 05-00 - MUTTER
1x
1,88 CHF
40
Husqvarna 589 52 73-01 - Laufrad
1x
18,22 CHF
41
Husqvarna 817 72 04-08 - SCHRAUBE
1x
1,73 CHF
41
Husqvarna 532 19 82-00 - FEDER
1x
2,45 CHF
41
Husqvarna 532 19 34-06 - BOLZEN
1x
4,16 CHF
41
Husqvarna 532 17 59-94 - MUTTER
1x
3,68 CHF
42
Husqvarna 539 99 02-47 - SCHEIBE
1x
2,17 CHF
44
Husqvarna 501 05 18-01 - Scheibe
1x
3,98 CHF
44
Husqvarna 532 19 65-39 - BOLZEN
1x
5,01 CHF
45
Husqvarna 587 55 39-03 - SPURWEITE
1x
48,36 CHF
45
Husqvarna 587 01 64-01 - SCHEIBE
1x
5,08 CHF
46
Husqvarna 587 55 40-03 - SPURWEITE
1x
87,71 CHF
46
Husqvarna 588 09 04-01 - BOLZEN
1x
3,17 CHF
47
Husqvarna 539 99 03-16 - BOLZEN
1x
2,79 CHF
49
Husqvarna 872 11 06-14 - SCHRAUBE 3/8-16X1-3/4 GR.5
1x
4,83 CHF
50
Husqvarna 582 10 76-01 - SCHALTER
1x
25,12 CHF
50
Husqvarna 532 19 43-27 - RIEMENSCHEIBE
1x
41,29 CHF
52
Husqvarna 532 19 43-26 - RIEMENSCHEIBE
1x
40,87 CHF
52
Husqvarna 588 43 83-01 - SCHRAUBE
1x
5,77 CHF
53
Husqvarna 532 18 89-67 - SCHEIBE
1x
4,09 CHF
53
Husqvarna 532 41 55-98 - SCHLAUCHANSCHLUSS
1x
4,76 CHF
54
Husqvarna 874 76 06-36 - BOLZEN
1x
5,39 CHF
55
Husqvarna 532 41 47-36 - ABSTANDSSCHEIBE
1x
7,74 CHF
56
Husqvarna 587 35 84-01 - Feder
1x
10,01 CHF
57
Husqvarna 539 99 05-85 - MUTTER
1x
1,87 CHF
58
Husqvarna 532 41 22-81 - PLATTE
1x
48,85 CHF
58
Husqvarna 532 19 47-47 - BOLZEN
1x
10,33 CHF
59
Husqvarna 532 19 47-48 - SCHEIBE
1x
3,90 CHF
61
Husqvarna 588 79 44-02 - GELENK
1x
42,81 CHF
61
Husqvarna 584 95 39-01 - Bolzen
1x
4,60 CHF
62
Husqvarna 532 43 40-17 - SCHIRM
1x
16,02 CHF
62
Husqvarna 597 07 03-02 - GELENK
1x
44,27 CHF
64
Husqvarna 532 19 78-65 - WELLE
1x
49,42 CHF
64
Husqvarna 532 19 98-49 - FEDER
1x
2,77 CHF
65
Husqvarna 532 19 47-34 - HALTER
1x
67,47 CHF
65
Husqvarna 532 11 04-52 - MUTTER
1x
5,08 CHF
66
Husqvarna 871 02 07-48 - SCHRAUBE
1x
6,41 CHF
66
Husqvarna 587 30 57-03 - Deflektor
1x
94,67 CHF
67
Husqvarna 532 13 77-29 - SCHRAUBE
1x
2,02 CHF
68
Husqvarna 539 99 08-58 - Selbstprägende Schraube 5/16-18X1/2
1x
5,08 CHF
68
Husqvarna 873 90 07-00 - MUTTER
1x
3,51 CHF
68
Husqvarna 532 19 84-68 - RIEMENFÜHRUNG
1x
7,71 CHF
69
Husqvarna 532 42 33-03 - HAIR PIN COTTER
1x
5,08 CHF
69
Husqvarna 532 19 24-42 - Dichtung
1x
4,18 CHF
69
Husqvarna 532 19 91-62 - SCHEIBE
1x
6,50 CHF
69
Husqvarna 586 93 68-05 - Deckel
1x
11,27 CHF
70
Husqvarna 532 19 15-48 - Abgasrohr links
1x
34,36 CHF
70
Husqvarna 585 33 88-01 - Halter
1x
26,47 CHF
71
Husqvarna 532 19 42-76 - KABELSATZ
1x
25,55 CHF
71
Husqvarna 532 19 15-49 - Abgasrohr rechts
1x
35,93 CHF
73
Husqvarna 874 49 05-40 - BOLZEN
1x
4,68 CHF
74
Husqvarna 532 14 24-32 - SCHRAUBE
1x
5,08 CHF
75
Husqvarna 579 81 10-01 - Stossfänger
1x
11,27 CHF
76
Husqvarna 580 68 36-01 - Schraube
1x
5,08 CHF
78
Husqvarna 532 05 70-79 - SCHEIBE
1x
5,08 CHF
78
Husqvarna 501 80 83-05 - Halter
1x
23,42 CHF
79
Husqvarna 590 43 90-05 - Halter
1x
23,09 CHF
81
Husqvarna 532 14 84-56 - ROHR
1x
9,88 CHF
81
Husqvarna 582 36 05-01 - BUSHING
1x
3,06 CHF
82
Husqvarna 532 42 82-87 - STOPFEN
1x
11,92 CHF
84
Husqvarna 817 06 06-20 - SCHRAUBE
1x
4,56 CHF
84
Husqvarna 532 17 01-65 - BOLZEN
1x
3,65 CHF
85
Husqvarna 501 60 67-01 - Bolzen
1x
2,24 CHF
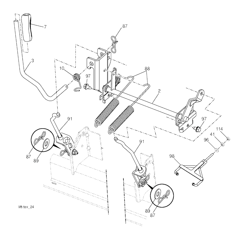
87
Husqvarna 532 19 42-09 - FEDER
1x
3,59 CHF
88
Husqvarna 532 41 07-10 - FEDER
1x
14,80 CHF
89
Husqvarna 819 19 19-12 - SCHEIBE
1x
3,69 CHF
90
Husqvarna 532 43 53-95 - POLABDECKUNG
1x
4,60 CHF
90
Husqvarna 817 00 06-16 - SCHRAUBE
1x
4,41 CHF
91
Husqvarna 532 18 74-95 - BUSHING
1x
6,93 CHF
91
Husqvarna 532 40 34-07 - GELENK
1x
20,62 CHF
97
Husqvarna 817 00 06-12 - SCHRAUBE
1x
4,03 CHF
98
Husqvarna 574 82 25-01 - WELDMENT
1x
64,83 CHF
99
Husqvarna 817 67 04-12 - SCHRAUBE
1x
3,68 CHF
99
Husqvarna 582 40 45-01 - STANGE
1x
7,74 CHF
100
Husqvarna 819 09 14-16 - SCHEIBE
1x
2,17 CHF
102
Husqvarna 532 40 44-54 - KABEL
1x
16,58 CHF
105
Husqvarna 532 40 75-68 - SCHALTER
1x
18,87 CHF
116
Husqvarna 873 90 05-00 - MUTTER
1x
1,87 CHF
116
Husqvarna 539 13 26-24 - KNOB - SHIFT
1x
10,00 CHF
118
Husqvarna 532 40 60-13 - LAGER
1x
6,02 CHF
125
Husqvarna 581 68 48-01 - KLAMMER
1x
5,08 CHF
130
Husqvarna 532 41 63-58 - SCHRAUBE
1x
5,08 CHF
137
Husqvarna 532 40 75-90 - GUMMI
1x
4,87 CHF
146
Husqvarna 581 85 79-01 - BOLZEN
1x
5,08 CHF
150
Husqvarna 532 43 97-31 - Luftkanal
1x
70,82 CHF
151
Husqvarna 532 43 66-70 - HALTER
1x
51,17 CHF
152
Husqvarna 532 43 98-70 - SCHIRM
1x
53,79 CHF
159
Husqvarna 817 00 06-12 - SCHRAUBE
1x
4,03 CHF
161
Husqvarna 532 43 99-29 - BEFESTIGUNG
1x
7,04 CHF
161
Husqvarna 532 10 57-09 - FEDER
1x
13,20 CHF
162
Husqvarna 532 14 24-32 - SCHRAUBE
1x
5,08 CHF
163
Husqvarna 532 44 82-75 - BEDIENELEMENT
1x
37,15 CHF
166
Husqvarna 532 42 91-64 - MUTTER
1x
5,08 CHF
167
Husqvarna 532 40 52-57 - BREMSSTUECK
1x
4,21 CHF
170
Husqvarna 532 41 34-30 - RIEMENFÜHRUNG
1x
6,68 CHF
175
Husqvarna 590 60 77-02 - QUERTRÄGER
1x
48,12 CHF
176
Husqvarna 532 40 07-76 - SCHRAUBE
1x
5,08 CHF
177
Husqvarna 532 19 52-28 - BUCHSE
1x
9,97 CHF
182
Husqvarna 532 40 68-59 - SCHALTBRETT
1x
137,22 CHF
183
Husqvarna 874 52 05-20 - SCHRAUBE
1x
3,30 CHF
183
Husqvarna 532 13 70-57 - HUELSE
1x
7,53 CHF
184
Husqvarna 587 65 37-01 - EINSTELLHEBEL
1x
10,96 CHF
185
Husqvarna 872 11 06-22 - BOLZEN
1x
5,50 CHF
186
Husqvarna 532 19 43-21 - ABSTANDSSTÜCK
1x
10,97 CHF
188
Husqvarna 582 21 70-01 - Gelenk
1x
8,85 CHF
189
Husqvarna 532 19 43-17 - PLATTE
1x
10,74 CHF
190
Husqvarna 532 19 43-18 - RIEMENFÜHRUNG
1x
6,54 CHF
191
Husqvarna 586 18 28-01 - Reflektor
1x
5,15 CHF
194
Husqvarna 873 90 05-00 - MUTTER
1x
1,87 CHF
195
Husqvarna 532 40 41-37 - TROU*RPL.PAR 532401556428
1x
3,12 CHF
196
Husqvarna 532 43 97-16 - Befestigung
1x
57,78 CHF
196
Husqvarna 817 00 06-16 - SCHRAUBE
1x
4,41 CHF
197
Husqvarna 587 40 20-01 - Halter
1x
8,56 CHF
199
Husqvarna 532 19 82-59 - PLATTE
1x
22,05 CHF
202
Husqvarna 532 43 97-28 - DECKEL
1x
23,59 CHF
203
Husqvarna 532 43 97-27 - DECKEL
1x
23,86 CHF
205
Husqvarna 532 43 97-30 - SKIRT
1x
21,82 CHF
205
Husqvarna 532 12 17-48 - SCHEIBE
1x
4,14 CHF
206
Husqvarna 532 43 97-29 - SKIRT
1x
26,56 CHF
206
Husqvarna 532 44 85-96 - HALTER
1x
7,51 CHF
207
Husqvarna 585 42 00-02 - Blende rechts
1x
17,41 CHF
207
Husqvarna 587 03 14-01 - SPERRHAKEN
1x
8,51 CHF
208
Husqvarna 585 42 01-02 - Blende links
1x
17,41 CHF
208
Husqvarna 532 19 78-69 - STÜTZE
1x
7,77 CHF
209
Husqvarna 532 19 95-92 - STANGE
1x
11,12 CHF
210
Husqvarna 532 19 78-60 - ARM
1x
48,61 CHF
211
Husqvarna 532 12 01-83 - LAGER
1x
6,02 CHF
213
Husqvarna 532 40 31-19 - BEDIENELEMENT
1x
10,12 CHF
214
Husqvarna 532 19 91-45 - Klammer
1x
5,08 CHF
215
Husqvarna 586 60 65-02 - PEDALGUMMI
1x
32,18 CHF
217
Husqvarna 532 40 91-67 - STANGE
1x
16,21 CHF
220
Husqvarna 532 19 89-08 - LINSE
1x
13,87 CHF
221
Husqvarna 532 19 89-09 - LINSE
1x
15,75 CHF
221
Husqvarna 532 40 31-87 - FEDER
1x
2,72 CHF
222
Husqvarna 879 21 20-10 - SCHEIBE
1x
3,98 CHF
225
Husqvarna 532 40 33-19 - RIEMENFÜHRUNG
1x
11,08 CHF
228
Husqvarna 532 19 51-61 - BOLZEN
1x
8,17 CHF
231
Husqvarna 532 40 72-87 - RIEMENSCHEIBE
1x
32,24 CHF
235
Husqvarna 532 40 61-29 - ABSTANDSSCHEIBE
1x
8,53 CHF
236
Husqvarna 873 93 05-00 - MUTTER
1x
5,08 CHF
281
Husqvarna 817 00 06-16 - SCHRAUBE
1x
4,41 CHF
296
Husqvarna 585 42 05-01 - LIGHT
1x
43,54 CHF
297
Husqvarna 586 18 29-01 - Reflektor
1x
5,70 CHF
299
Husqvarna 585 42 04-01 - LIGHT
1x
43,54 CHF
325
Husqvarna 586 43 12-03 - HALTER
1x
10,36 CHF
326
Husqvarna 586 00 11-03 - HALTER
1x
12,89 CHF
335
Husqvarna 532 44 82-04 - DECKEL
1x
32,42 CHF
336
Husqvarna 532 44 53-09 - DECKEL
1x
32,52 CHF
336
Husqvarna 587 25 96-01 - BOLZEN
1x
4,41 CHF
350
Husqvarna 532 44 51-43 - KLAMMER
1x
5,08 CHF
375
Husqvarna 586 90 82-01 - Stossfänger
1x
4,87 CHF
492932
Husqvarna 586 45 88-01 - Ölfilter
1x
23,98 CHF
691035
Husqvarna 585 24 37-01 - Kraftstofffilter
1x
9,65 CHF
XC12YC
Husqvarna 531 02 99-75 - ZUENDKERZE
1x
3,83 CHF

Produktbewertungen unserer Kunden
Unsere Bewertungen sind zu 100% echt.
Bewertungen von Kunden, die ihre Ware nicht bei uns gekauft haben, werden entsprechend gekennzeichnet.
Bewertungen mit diesem Symbol stammen von verifizierten Käufern!
Zu diesem Produkt gibt es noch keine Kundenbewertungen.
Sie können die erste Person sein, die zu diesem Produkt eine Bewertung schreibt.