koempf24_ch Logo
Unsere Seite verwendet Cookies und ähnliche Technologien, um die Benutzererfahrung auf unserer Website zu verbessern, Inhalte und Anzeigen zu personalisieren und die Nutzung unserer Website zu analysieren. Mit Ihrer Einwilligung stimmen Sie der Verwendung von Cookies sowie der Verarbeitung Ihrer persönlichen Daten zu, um Ihnen ein bestmögliches Surferlebnis und mehr Funktionen zu bieten.

Sie können Ihre Einwilligung jederzeit in den Cookie-Einstellungen anpassen oder widerrufen.
Experten-Beratung Lassen Sie sich von unseren Experten über das Kontaktformular beraten.
Artikelnummer: 4366133
Hier können Sie unsere qualifizierten Fachberater zur Planung Ihrer Bestellung kontaktieren.
Zum Kontaktformular
Hier erhalten Sie allgemeine Informationen zum Bestellprozess, der Lieferung, der Zahlung und mehr.
Zum FAQ
Hier können Sie Feedback zu dieser Seite abgeben oder unerwartete Inhalte und Auffälligkeiten melden.

Husqvarna Gartentraktoren 96041019903 LTH 126

Husqvarna Gartentraktoren 96041019903 LTH 126

Nicht lieferbar
Dieser Artikel ist leider nicht mehr zu bestellen. Wir empfehlen Ihnen eine alternative Artikelwahl aus dieser Kategorie. Wir wünschen Ihnen viel Spaß beim Stöbern.
Andere Produkte der Kategorie Husqvarna Ersatzteilzeichnungen
Artikel-Nr.: 4366133
  • Deutschlands bester Händler
  • Trusted Shops Käuferschutz
  • Rechnungskauf
  • Montageservice
  • Verlängerte Rückgabefrist

Husqvarna Logo

Husqvarna

Der schwedische Hersteller Husqvarna bietet Ihnen Motorgeräte für die Forst-, Garten- sowie Landschaftspflege. Bereits 1689 begann die Unternehmensgeschichte, damals noch mit der Herstellung von Musketen. Somit profitiert das Unternehmen von mehr als 325 Jahre langer Erfahrung – und somit auch seine Kunden.

Die Zufriedenheit der Kunden ist dem international bekannten Unternehmen besonders wichtig. Daher arbeitet Husqvarna eng mit dem Anwender zusammen, auch nach dem Kauf steht das Unternehmen seinen Käufern mit Rat und Tat zur Seite. Sie können sich bei den Husqvarna Produkten daher auf eine kompromisslose Qualität, Benutzerfreundlichkeit sowie Spitzenleistung verlassen.
 

Garantie

Als unser Kunde genießen Sie auch nach dem Kauf Ihres Husqvarna-Produkts zahlreiche Vorteile! Im Garantiefall sind wir Ihr erster Ansprechpartner und werden Ihnen gerne weiterhelfen. Wir verfügen über eine eigene Hersteller-Werkstatt, sind qualifiziert und berechtigt, im Garantiefall alle nötigen Reparaturen an Ihrem Husqvarna-Gerät durchzuführen.

Das bedeutet für Sie: Sie können sich jederzeit an uns wenden, als Ihr Händler bei dem Sie die Ware gekauft haben sind wir stets die erste Adresse. Selbstverständlich steht es Ihnen jedoch frei, sich an jeden anderen autorisierten Husqvarna-Händler zu wenden.

Gegen Vorlegen Ihres Kaufbeleges (inklusive ausgefüllter Garantiekarte) aus unserem Shop können Sie wohnortnah - in ganz Europa, in der Schweiz und in Großbritannien - Ihr registriertes Produkt zur Garantieüberprüfung vorlegen. Der lokale Husqvarna Servicehändler wird im Garantiefall defekte Teile ausschließlich durch original Husqvarna-Ersatzteile und Zubehör ersetzen. 

 

Husqvarna Händler mit Onlineshop 

Ausschließlich autorisierte, qualifizierte Händler dürfen Husqvarna Produkte verkaufen. So erhalten Sie als Kunde fachgerechte Auskunft zu Ihren Fragen. Wir sind ein autorisierter Husqvarna Fachhändler mit eigener Werkstatt. Vor jeder Auslieferung werden die Geräte entsprechend der Herstellervorgaben geprüft.

 

Stationärer Handel:
Kömpf Baumarkt GmbH
Leibnizstr. 2
75365 Calw

 

Husqvarna Geräte

Husqvarna AB
Regeringsgatan 28
11153 Stockholm
Schweden
verkauf@husqvarna.de
Verantwortliche Person:
Husqvarna Deutschland GmbH
Hans-Lorenser-Strasse 40
89079 Ulm
Deutschland
verkauf@husqvarna.de

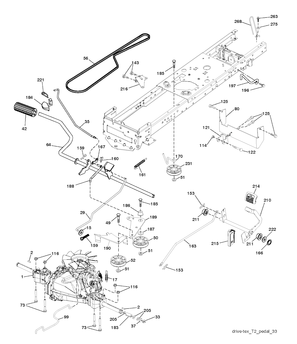
174 von insgesamt 174 eingezeichneten Ersatzteilen in Explosionszeichnung Nr. 1

- -
Husqvarna 581 72 48-01 - Folie
0x
5,08 CHF
- -
Husqvarna 532 43 96-81 - FOOT PLATE
0x
23,06 CHF
- -
Husqvarna 532 43 96-82 - KISSEN
0x
5,08 CHF
- -
Husqvarna 581 72 46-01 - Folie
0x
5,08 CHF
- -
Husqvarna 587 25 33-01 - DORN
0x
149,63 CHF
- -
Husqvarna 532 43 81-09 - Gehäuse
0x
314,50 CHF
1
Husqvarna 581 57 97-01 - Aufkleber
0x
2,34 CHF
1
Husqvarna 532 05 91-92 - Hut
0x
5,08 CHF
1
Husqvarna 532 43 97-40 - LENKRAD
0x
91,97 CHF
1
Husqvarna 532 43 98-19 - SITZ
0x
144,14 CHF
2
Husqvarna 581 62 73-01 - Logo Motorhaube
0x
7,87 CHF
2
Husqvarna 532 06 51-39 - Nippel
0x
5,09 CHF
2
Husqvarna 874 76 04-12 - SCHRAUBE
0x
1,76 CHF
2
Husqvarna 532 19 51-61 - BOLZEN
0x
8,17 CHF
2
Husqvarna 532 12 35-83 - KEIL
0x
6,47 CHF
2
Husqvarna 532 17 97-58 - * AUSPUFF
0x
135,16 CHF
2
Husqvarna 532 42 20-27 - WELLE
0x
115,37 CHF
2
Husqvarna 532 18 01-66 - BEFESTIGUNG
0x
19,55 CHF
3
Husqvarna 873 90 05-00 - MUTTER
0x
1,87 CHF
3
Husqvarna 532 19 52-31 - HEBELARM
0x
25,82 CHF
3
Husqvarna 532 14 06-75 - STREIFEN
0x
6,64 CHF
5
Husqvarna 584 90 46-01 - Folie
1x
2,48 CHF
5
Husqvarna 817 00 05-10 - BOLZEN
0x
2,53 CHF
7
Husqvarna 581 57 96-01 - Aufkleber
0x
2,14 CHF
7
Husqvarna 532 12 17-48 - SCHEIBE
0x
4,14 CHF
8
Husqvarna 532 19 32-28 - KISTE
0x
41,24 CHF
8
Husqvarna 812 00 00-29 - FEDERRING
0x
0,63 CHF
8
Husqvarna 532 17 18-77 - Bolzen
0x
3,47 CHF
9
Husqvarna 532 12 12-32 - KAPSEL
0x
4,03 CHF
9
Husqvarna 532 19 90-92 - ABSTANDSSCHEIBE
0x
5,59 CHF
10
Husqvarna 817 00 06-16 - SCHRAUBE
0x
4,41 CHF
10
Husqvarna 532 19 63-14 - FEDER
0x
4,09 CHF
11
Husqvarna 587 24 15-01 - KUPPLUNG
0x
432,30 CHF
11
Husqvarna 532 13 77-29 - SCHRAUBE
0x
2,02 CHF
13
Husqvarna 532 12 17-49 - SCHEIBE
0x
2,66 CHF
13
Husqvarna 872 11 06-12 - BOLZEN
0x
3,00 CHF
14
Husqvarna 532 44 12-67 - Haube
0x
116,26 CHF
15
Husqvarna 581 28 99-01 - Kraftstofftank
0x
54,73 CHF
15
Husqvarna 593 78 78-01 - Riemenscheibe
0x
52,30 CHF
16
Husqvarna 532 17 61-38 - SCHALTER
0x
16,08 CHF
17
Husqvarna 596 13 48-01 - MUTTER
0x
5,08 CHF
19
Husqvarna 532 19 47-29 - PLATTE
0x
58,00 CHF
19
Husqvarna 585 32 39-01 - Lager
0x
8,03 CHF
20
Husqvarna 532 44 14-25 - Hut
0x
11,28 CHF
21
Husqvarna 532 40 02-52 - KABELBAUM
0x
21,68 CHF
21
Husqvarna 532 41 63-58 - SCHRAUBE
0x
5,08 CHF
22
Husqvarna 532 00 41-52 - LAMPE
0x
4,10 CHF
23
Husqvarna 817 49 06-28 - SCHRAUBE
0x
5,39 CHF
25
Husqvarna 581 49 80-01 - KABEL
0x
10,79 CHF
26
Husqvarna 532 17 51-58 - Sicherung
0x
3,98 CHF
26
Husqvarna 532 43 97-43 - Kappe
0x
12,07 CHF
27
Husqvarna 819 21 16-16 - SCHEIBE
1x
2,01 CHF
28
Husqvarna 532 42 16-86 - KABEL
0x
19,68 CHF
28
Husqvarna 817 00 06-12 - SCHRAUBE
0x
4,03 CHF
28
Husqvarna 532 13 70-40 - SCHLAUCH
0x
21,45 CHF
29
Husqvarna 532 40 15-45 - SCHALTER
0x
18,95 CHF
29
Husqvarna 532 13 71-80 - FUNKEN FÄNGER
0x
39,30 CHF
30
Husqvarna 532 19 33-50 - Zündschloss
0x
28,45 CHF
30
Husqvarna 532 19 70-26 - TORSIONSFEDER
0x
8,91 CHF
31
Husqvarna 532 11 04-52 - MUTTER
0x
5,08 CHF
32
Husqvarna 532 19 72-51 - FEDER
0x
12,99 CHF
33
Husqvarna Zündschlüssel Gartentraktor
0x
10,02 CHF
33
Husqvarna 812 00 00-01 - FEDERRING
0x
5,08 CHF
33
Husqvarna 532 18 72-81 - LAGERGEHÄUSE
0x
149,63 CHF
34
Husqvarna 532 11 07-12 - SCHALTER
0x
13,37 CHF
34
Husqvarna 580 91 08-01 - RAHMEN
0x
90,21 CHF
35
Husqvarna 532 40 10-31 - STANGE
0x
10,14 CHF
35
Husqvarna 532 19 47-32 - PLATTE
0x
58,01 CHF
37
Husqvarna 532 44 12-66 - RADABDECKUNG
0x
260,05 CHF
37
Husqvarna 532 12 17-49 - SCHEIBE
0x
2,66 CHF
37
Husqvarna 873 80 05-00 - MUTTER
0x
1,88 CHF
37
Husqvarna 532 12 34-87 - KLEMME
0x
5,08 CHF
38
Husqvarna 532 19 65-39 - BOLZEN
0x
5,01 CHF
39
Husqvarna 532 10 53-04 - RADKAPPE
0x
2,87 CHF
40
Husqvarna 532 19 76-61 - GRIFF
0x
11,28 CHF
41
Husqvarna 532 12 61-97 - SCHEIBE
0x
10,10 CHF
41
Husqvarna 532 19 82-00 - FEDER
0x
2,45 CHF
45
Husqvarna 819 11 38-12 - SCHEIBE
0x
11,92 CHF
49
Husqvarna 872 11 06-14 - SCHRAUBE 3/8-16X1-3/4 GR.5
0x
4,83 CHF
50
Husqvarna 532 19 43-27 - RIEMENSCHEIBE
0x
41,29 CHF
52
Husqvarna 532 19 43-26 - RIEMENSCHEIBE
0x
40,87 CHF
53
Husqvarna 532 18 89-67 - SCHEIBE
0x
4,09 CHF
57
Husqvarna 532 40 74-65 - HALTER
0x
10,51 CHF
58
Husqvarna 532 41 22-80 - PLATTE
0x
101,43 CHF
58
Husqvarna 532 19 47-47 - BOLZEN
0x
10,33 CHF
59
Husqvarna 532 19 47-48 - SCHEIBE
0x
3,90 CHF
61
Husqvarna 532 19 47-40 - GELENK
0x
60,78 CHF
62
Husqvarna 532 19 47-41 - GELENK
0x
60,76 CHF
64
Husqvarna 532 19 78-65 - WELLE
0x
49,42 CHF
64
Husqvarna 532 19 98-49 - FEDER
0x
2,77 CHF
66
Husqvarna 871 02 07-48 - SCHRAUBE
0x
6,41 CHF
68
Husqvarna 817 49 05-08 - SCHRAUBE
0x
3,00 CHF
68
Husqvarna 873 90 07-00 - MUTTER
0x
3,51 CHF
69
Husqvarna 532 19 91-62 - SCHEIBE
0x
6,50 CHF
71
Husqvarna 532 19 07-52 - ACHSE
0x
19,25 CHF
72
Husqvarna 532 42 89-82 - BOLZEN
0x
5,32 CHF
73
Husqvarna 874 49 05-44 - SCHRAUBE
0x
4,78 CHF
76
Husqvarna 580 68 36-01 - Schraube
1x
5,08 CHF
76
Husqvarna 532 41 55-98 - SCHLAUCHANSCHLUSS
0x
4,76 CHF
79
Husqvarna 532 17 52-42 - HALTER
0x
4,74 CHF
80
Husqvarna 532 42 30-62 - HALTEBLECH RECHTS
1x
5,08 CHF
84
Husqvarna 817 06 06-20 - SCHRAUBE
0x
4,56 CHF
85
Husqvarna 581 33 28-04 - BOLZEN
0x
10,69 CHF
87
Husqvarna 532 19 42-09 - FEDER
0x
3,59 CHF
88
Husqvarna 532 41 07-10 - FEDER
0x
14,80 CHF
89
Husqvarna 819 19 19-12 - SCHEIBE
0x
3,69 CHF
90
Husqvarna 532 43 53-95 - POLABDECKUNG
0x
4,60 CHF
90
Husqvarna 817 00 06-16 - SCHRAUBE
0x
4,41 CHF
90
Husqvarna 532 19 42-08 - STIFT
0x
1,26 CHF
91
Husqvarna 589 46 48-07 - GESTAENGE HINTEN
0x
20,62 CHF
96
Husqvarna 819 09 14-16 - SCHEIBE
0x
2,17 CHF
97
Husqvarna 817 67 04-12 - SCHRAUBE
0x
3,68 CHF
97
Husqvarna 817 00 06-12 - SCHRAUBE
0x
4,03 CHF
99
Husqvarna 817 67 04-12 - SCHRAUBE
1x
3,68 CHF
101
Husqvarna 532 40 70-03 - ANSCHLUSS
0x
13,83 CHF
106
Husqvarna 532 17 48-14 - MUTTER
1x
5,08 CHF
114
Husqvarna 873 80 05-00 - MUTTER
0x
1,88 CHF
116
Husqvarna 873 90 05-00 - MUTTER
0x
1,87 CHF
122
Husqvarna 532 42 19-22 - OELABLAUF
0x
5,12 CHF
125
Husqvarna 581 68 48-01 - KLAMMER
1x
5,08 CHF
130
Husqvarna 532 41 63-58 - SCHRAUBE
0x
5,08 CHF
137
Husqvarna 532 40 75-90 - GUMMI
0x
4,87 CHF
143
Husqvarna 817 49 05-08 - SCHRAUBE
0x
3,00 CHF
146
Husqvarna 581 85 79-01 - BOLZEN
1x
5,08 CHF
150
Husqvarna 532 40 66-62 - LUEFTUNGSKANAL
0x
36,35 CHF
151
Husqvarna 532 40 78-07 - HALTER
0x
37,60 CHF
152
Husqvarna 532 19 95-35 - ABDECKUNG
0x
35,17 CHF
159
Husqvarna 817 00 06-12 - SCHRAUBE
0x
4,03 CHF
161
Husqvarna 532 10 57-09 - FEDER
0x
13,20 CHF
162
Husqvarna 532 14 24-32 - SCHRAUBE
0x
5,08 CHF
166
Husqvarna 532 42 91-64 - MUTTER
0x
5,08 CHF
167
Husqvarna 532 40 52-57 - BREMSSTUECK
0x
4,21 CHF
170
Husqvarna 532 41 34-30 - RIEMENFÜHRUNG
0x
6,68 CHF
175
Husqvarna 532 19 94-72 - PLATTE
0x
45,40 CHF
176
Husqvarna 532 40 07-76 - SCHRAUBE
0x
5,08 CHF
177
Husqvarna 532 19 52-28 - BUCHSE
0x
9,97 CHF
182
Husqvarna 532 40 71-76 - ARMATURENBRETT
0x
114,14 CHF
183
Husqvarna 874 52 05-20 - SCHRAUBE
0x
3,30 CHF
185
Husqvarna 872 11 06-22 - BOLZEN
0x
5,50 CHF
186
Husqvarna 532 19 43-21 - ABSTANDSSTÜCK
0x
10,97 CHF
189
Husqvarna 532 19 43-17 - PLATTE
0x
10,74 CHF
190
Husqvarna 532 19 43-18 - RIEMENFÜHRUNG
0x
6,54 CHF
194
Husqvarna 873 90 05-00 - MUTTER
0x
1,87 CHF
196
Husqvarna 817 00 06-16 - SCHRAUBE
0x
4,41 CHF
197
Husqvarna 585 65 86-01 - KUPPLUNG
0x
8,57 CHF
199
Husqvarna 532 41 34-85 - PLATTE
0x
14,03 CHF
202
Husqvarna 532 44 13-42 - Deckel
0x
19,79 CHF
204
Husqvarna 532 44 13-75 - Deckel
0x
31,89 CHF
205
Husqvarna 532 44 13-44 - Gummischutz
0x
21,65 CHF
205
Husqvarna 532 12 17-48 - SCHEIBE
0x
4,14 CHF
206
Husqvarna 532 44 13-45 - Gummischutz
0x
21,68 CHF
210
Husqvarna 532 40 09-80 - PEDALARM
0x
32,18 CHF
211
Husqvarna 532 12 01-83 - LAGER
0x
6,02 CHF
214
Husqvarna 532 19 91-45 - Klammer
0x
5,08 CHF
214
Husqvarna 532 42 12-63 - KISSEN
0x
10,31 CHF
216
Husqvarna 532 19 61-31 - HALTER
0x
11,30 CHF
217
Husqvarna 532 40 91-67 - STANGE
0x
16,21 CHF
218
Husqvarna 532 19 63-95 - PLATTE
0x
10,53 CHF
221
Husqvarna 532 40 31-87 - FEDER
0x
2,72 CHF
222
Husqvarna 879 21 20-10 - SCHEIBE
0x
3,98 CHF
228
Husqvarna 532 19 51-61 - BOLZEN
0x
8,17 CHF
231
Husqvarna 532 40 72-87 - RIEMENSCHEIBE
0x
32,24 CHF
235
Husqvarna 532 40 61-29 - ABSTANDSSCHEIBE
0x
8,53 CHF
236
Husqvarna 873 93 05-00 - MUTTER
0x
5,08 CHF
239
Husqvarna 532 40 48-83 - KLAMMER
0x
5,08 CHF
263
Husqvarna 817 00 06-12 - SCHRAUBE
0x
4,03 CHF
282
Husqvarna 532 41 41-10 - CLIP
0x
5,08 CHF
283
Husqvarna 532 44 20-39 - DECK
0x
34,67 CHF
285
Husqvarna 532 41 63-17 - BEFESTIGUNG
0x
20,65 CHF
286
Husqvarna 532 41 63-15 - BEFESTIGUNG
0x
20,36 CHF
287
Husqvarna 817 60 04-06 - SCHRAUBE
0x
5,08 CHF
297
Husqvarna 532 40 66-65 - EINSATZ LINKS
0x
7,39 CHF
796032
Husqvarna 586 61 71-01 - Luftfilter
0x
26,26 CHF
QC12YC
Husqvarna 531 02 97-76 - ZUENDKERZE
0x
3,71 CHF

Produktbewertungen unserer Kunden
Unsere Bewertungen sind zu 100% echt.
Bewertungen von Kunden, die ihre Ware nicht bei uns gekauft haben, werden entsprechend gekennzeichnet.
Bewertungen mit diesem Symbol stammen von verifizierten Käufern!
Zu diesem Produkt gibt es noch keine Kundenbewertungen.
Sie können die erste Person sein, die zu diesem Produkt eine Bewertung schreibt.