koempf24_ch Logo
Unsere Seite verwendet Cookies und ähnliche Technologien, um die Benutzererfahrung auf unserer Website zu verbessern, Inhalte und Anzeigen zu personalisieren und die Nutzung unserer Website zu analysieren. Mit Ihrer Einwilligung stimmen Sie der Verwendung von Cookies sowie der Verarbeitung Ihrer persönlichen Daten zu, um Ihnen ein bestmögliches Surferlebnis und mehr Funktionen zu bieten.

Sie können Ihre Einwilligung jederzeit in den Cookie-Einstellungen anpassen oder widerrufen.
Experten-Beratung Lassen Sie sich von unseren Experten über das Kontaktformular beraten.
Artikelnummer: 4332893
Hier können Sie unsere qualifizierten Fachberater zur Planung Ihrer Bestellung kontaktieren.
Zum Kontaktformular
Hier erhalten Sie allgemeine Informationen zum Bestellprozess, der Lieferung, der Zahlung und mehr.
Zum FAQ
Hier können Sie Feedback zu dieser Seite abgeben oder unerwartete Inhalte und Auffälligkeiten melden.

Husqvarna Gartentraktoren 96041017302 YTH2242TDF

Husqvarna Gartentraktoren 96041017302 YTH2242TDF

Nicht lieferbar
Dieser Artikel ist leider nicht mehr zu bestellen. Wir empfehlen Ihnen eine alternative Artikelwahl aus dieser Kategorie. Wir wünschen Ihnen viel Spaß beim Stöbern.
Andere Produkte der Kategorie Husqvarna Ersatzteilzeichnungen
Artikel-Nr.: 4332893
  • Deutschlands bester Händler
  • Trusted Shops Käuferschutz
  • Rechnungskauf
  • Montageservice
  • Verlängerte Rückgabefrist

Husqvarna Logo

Husqvarna

Der schwedische Hersteller Husqvarna bietet Ihnen Motorgeräte für die Forst-, Garten- sowie Landschaftspflege. Bereits 1689 begann die Unternehmensgeschichte, damals noch mit der Herstellung von Musketen. Somit profitiert das Unternehmen von mehr als 325 Jahre langer Erfahrung – und somit auch seine Kunden.

Die Zufriedenheit der Kunden ist dem international bekannten Unternehmen besonders wichtig. Daher arbeitet Husqvarna eng mit dem Anwender zusammen, auch nach dem Kauf steht das Unternehmen seinen Käufern mit Rat und Tat zur Seite. Sie können sich bei den Husqvarna Produkten daher auf eine kompromisslose Qualität, Benutzerfreundlichkeit sowie Spitzenleistung verlassen.
 

Garantie

Als unser Kunde genießen Sie auch nach dem Kauf Ihres Husqvarna-Produkts zahlreiche Vorteile! Im Garantiefall sind wir Ihr erster Ansprechpartner und werden Ihnen gerne weiterhelfen. Wir verfügen über eine eigene Hersteller-Werkstatt, sind qualifiziert und berechtigt, im Garantiefall alle nötigen Reparaturen an Ihrem Husqvarna-Gerät durchzuführen.

Das bedeutet für Sie: Sie können sich jederzeit an uns wenden, als Ihr Händler bei dem Sie die Ware gekauft haben sind wir stets die erste Adresse. Selbstverständlich steht es Ihnen jedoch frei, sich an jeden anderen autorisierten Husqvarna-Händler zu wenden.

Gegen Vorlegen Ihres Kaufbeleges (inklusive ausgefüllter Garantiekarte) aus unserem Shop können Sie wohnortnah - in ganz Europa, in der Schweiz und in Großbritannien - Ihr registriertes Produkt zur Garantieüberprüfung vorlegen. Der lokale Husqvarna Servicehändler wird im Garantiefall defekte Teile ausschließlich durch original Husqvarna-Ersatzteile und Zubehör ersetzen. 

 

Husqvarna Händler mit Onlineshop 

Ausschließlich autorisierte, qualifizierte Händler dürfen Husqvarna Produkte verkaufen. So erhalten Sie als Kunde fachgerechte Auskunft zu Ihren Fragen. Wir sind ein autorisierter Husqvarna Fachhändler mit eigener Werkstatt. Vor jeder Auslieferung werden die Geräte entsprechend der Herstellervorgaben geprüft.

 

Stationärer Handel:
Kömpf Baumarkt GmbH
Leibnizstr. 2
75365 Calw

 

Husqvarna Geräte

Husqvarna AB
Regeringsgatan 28
11153 Stockholm
Schweden
verkauf@husqvarna.de
Verantwortliche Person:
Husqvarna Deutschland GmbH
Hans-Lorenser-Strasse 40
89079 Ulm
Deutschland
verkauf@husqvarna.de

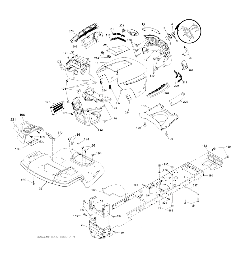
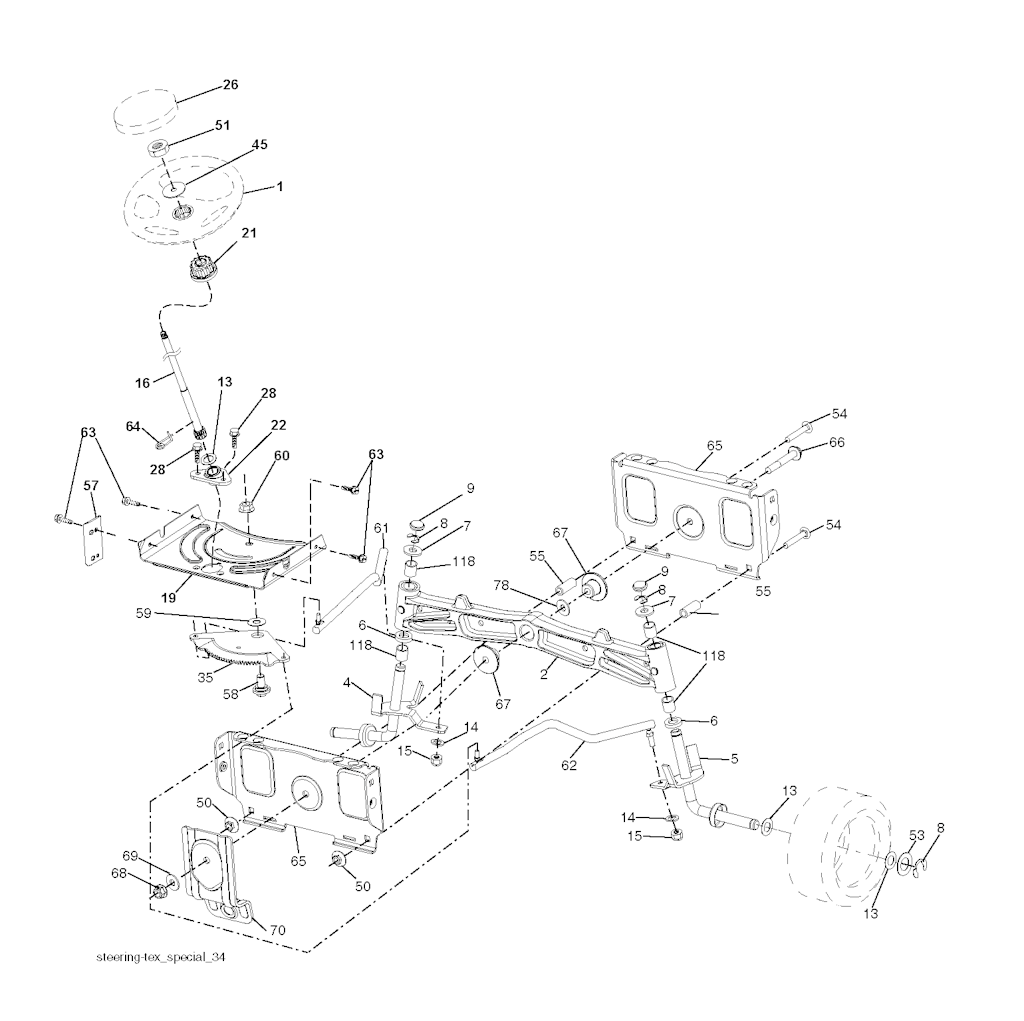
141 von insgesamt 141 eingezeichneten Ersatzteilen in Explosionszeichnung Nr. 1

1
Husqvarna 532 05 91-92 - Hut
1x
5,08 CHF
1
Husqvarna 532 42 40-71 - Sitz
1x
188,36 CHF
2
Husqvarna 532 06 51-39 - Nippel
1x
5,09 CHF
2
Husqvarna 874 76 04-12 - SCHRAUBE
1x
1,76 CHF
2
Husqvarna 532 41 22-82 - PLATTE
1x
110,87 CHF
2
Husqvarna 532 12 35-83 - KEIL
1x
6,47 CHF
2
Husqvarna 532 41 35-91 - STÜTZE
1x
115,12 CHF
2
Husqvarna 532 42 20-27 - WELLE
1x
115,37 CHF
2
Husqvarna 532 18 01-66 - BEFESTIGUNG
1x
19,55 CHF
3
Husqvarna 532 40 86-06 - PLATTE
1x
21,95 CHF
3
Husqvarna 532 19 52-30 - HEBEL
1x
31,07 CHF
3
Husqvarna 532 14 06-75 - STREIFEN
1x
6,64 CHF
6
Husqvarna 532 11 04-52 - MUTTER
1x
5,08 CHF
7
Husqvarna 532 12 17-48 - SCHEIBE
1x
4,14 CHF
7
Husqvarna 532 19 30-03 - SCHRAUBE
1x
12,44 CHF
7
Husqvarna 532 41 15-55 - GRIFF
1x
9,59 CHF
8
Husqvarna 532 41 86-00 - Aufkleber
1x
5,08 CHF
8
Husqvarna 812 00 00-29 - FEDERRING
1x
0,63 CHF
8
Husqvarna 532 17 60-66 - ROLLE
1x
13,76 CHF
8
Husqvarna 532 17 18-77 - Bolzen
1x
3,47 CHF
9
Husqvarna 532 12 20-82 - REIFEN
1x
128,56 CHF
9
Husqvarna 532 12 12-32 - KAPSEL
1x
4,03 CHF
9
Husqvarna 594 09 25-01 - ROD ROLLER NOSE
1x
8,04 CHF
10
Husqvarna 532 19 42-08 - STIFT
1x
1,26 CHF
10
Husqvarna 532 19 63-14 - FEDER
1x
4,09 CHF
12
Husqvarna 532 40 50-97 - RIEMENSCHEIBE
1x
44,33 CHF
13
Husqvarna 532 12 17-49 - SCHEIBE
1x
2,66 CHF
14
Husqvarna 532 19 51-61 - BOLZEN
1x
8,17 CHF
16
Husqvarna 532 17 61-38 - SCHALTER
1x
16,08 CHF
17
Husqvarna 532 41 36-78 - SRPING.BRAKE.K46.GREEN*SUBS/2*
1x
8,95 CHF
19
Husqvarna 532 19 47-29 - PLATTE
1x
58,00 CHF
21
Husqvarna 532 41 63-58 - SCHRAUBE
1x
5,08 CHF
22
Husqvarna 532 00 41-52 - LAMPE
1x
4,10 CHF
24
Husqvarna 539 11 28-99 - NUT, 5/16-18, NYLOC
1x
1,87 CHF
26
Husqvarna 532 17 51-58 - Sicherung
1x
3,98 CHF
26
Husqvarna 532 19 96-79 - FEDER
1x
5,08 CHF
26
Husqvarna 532 17 85-15 - SCHEIBE
1x
5,95 CHF
27
Husqvarna 532 19 61-04 - RIEMENSCHEIBE
1x
103,39 CHF
28
Husqvarna 817 00 06-12 - SCHRAUBE
1x
4,03 CHF
29
Husqvarna 532 40 15-45 - SCHALTER
1x
18,95 CHF
29
Husqvarna 532 40 38-06 - STANGE
1x
18,22 CHF
29
Husqvarna 532 13 71-80 - FUNKEN FÄNGER
1x
39,30 CHF
30
Husqvarna 532 19 33-50 - Zündschloss
1x
28,45 CHF
33
Husqvarna 532 41 19-33 - TASTE
1x
8,83 CHF
33
Husqvarna 812 00 00-01 - FEDERRING
1x
5,08 CHF
34
Husqvarna 532 11 07-12 - SCHALTER
1x
13,37 CHF
35
Husqvarna 532 19 47-32 - PLATTE
1x
58,01 CHF
37
Husqvarna 532 12 34-87 - KLEMME
1x
5,08 CHF
37
Husqvarna 873 80 05-00 - MUTTER
1x
1,88 CHF
38
Husqvarna 539 99 01-87 - Scheibe
1x
1,81 CHF
41
Husqvarna 817 72 04-08 - SCHRAUBE
1x
1,73 CHF
41
Husqvarna 532 12 61-97 - SCHEIBE
1x
10,10 CHF
41
Husqvarna 532 17 59-94 - MUTTER
1x
3,68 CHF
41
Husqvarna 532 19 82-00 - FEDER
1x
2,45 CHF
42
Husqvarna 532 19 51-85 - ARM
1x
24,02 CHF
45
Husqvarna 819 18 38-12 - SCHEIBE
1x
11,55 CHF
46
Husqvarna 574 84 56-01 - Riemen
1x
116,21 CHF
49
Husqvarna 872 11 06-14 - SCHRAUBE 3/8-16X1-3/4 GR.5
1x
4,83 CHF
50
Husqvarna 532 19 43-27 - RIEMENSCHEIBE
1x
41,29 CHF
52
Husqvarna 532 19 43-26 - RIEMENSCHEIBE
1x
40,87 CHF
53
Husqvarna 532 18 89-67 - SCHEIBE
1x
4,09 CHF
53
Husqvarna 532 41 55-98 - SCHLAUCHANSCHLUSS
1x
4,76 CHF
54
Husqvarna 874 76 06-36 - BOLZEN
1x
5,39 CHF
55
Husqvarna 532 41 47-36 - ABSTANDSSCHEIBE
1x
7,74 CHF
58
Husqvarna 532 41 22-81 - PLATTE
1x
48,85 CHF
58
Husqvarna 532 19 47-47 - BOLZEN
1x
10,33 CHF
59
Husqvarna 532 19 47-48 - SCHEIBE
1x
3,90 CHF
61
Husqvarna 532 19 47-40 - GELENK
1x
60,78 CHF
62
Husqvarna 532 43 40-17 - SCHIRM
1x
16,02 CHF
62
Husqvarna 532 19 47-41 - GELENK
1x
60,76 CHF
64
Husqvarna 532 19 78-65 - WELLE
1x
49,42 CHF
64
Husqvarna 532 19 98-49 - FEDER
1x
2,77 CHF
65
Husqvarna 532 19 47-34 - HALTER
1x
67,47 CHF
66
Husqvarna 871 02 07-48 - SCHRAUBE
1x
6,41 CHF
68
Husqvarna 817 49 05-08 - SCHRAUBE
1x
3,00 CHF
68
Husqvarna 873 90 07-00 - MUTTER
1x
3,51 CHF
69
Husqvarna 532 16 53-91 - DICHTUNG
1x
5,60 CHF
69
Husqvarna 532 19 91-62 - SCHEIBE
1x
6,50 CHF
71
Husqvarna 532 19 42-76 - KABELSATZ
1x
25,55 CHF
73
Husqvarna 874 49 05-44 - SCHRAUBE
1x
4,78 CHF
74
Husqvarna 532 14 24-32 - SCHRAUBE
1x
5,08 CHF
78
Husqvarna 532 05 70-79 - SCHEIBE
1x
5,08 CHF
79
Husqvarna 532 17 52-42 - HALTER
1x
4,74 CHF
79
Husqvarna 532 18 39-06 - SCHRAUBE
1x
3,11 CHF
84
Husqvarna 817 06 06-20 - SCHRAUBE
1x
4,56 CHF
87
Husqvarna 532 19 42-09 - FEDER
1x
3,59 CHF
88
Husqvarna 532 41 07-10 - FEDER
1x
14,80 CHF
89
Husqvarna 819 19 19-12 - SCHEIBE
1x
3,69 CHF
90
Husqvarna 532 43 53-95 - POLABDECKUNG
1x
4,60 CHF
90
Husqvarna 817 00 06-16 - SCHRAUBE
1x
4,41 CHF
91
Husqvarna 532 18 74-95 - BUSHING
1x
6,93 CHF
91
Husqvarna 532 40 34-07 - GELENK
1x
20,62 CHF
97
Husqvarna 817 00 06-12 - SCHRAUBE
1x
4,03 CHF
98
Husqvarna 574 82 25-01 - WELDMENT
1x
64,83 CHF
99
Husqvarna 817 67 04-12 - SCHRAUBE
1x
3,68 CHF
100
Husqvarna 819 09 14-16 - SCHEIBE
1x
2,17 CHF
102
Husqvarna 532 40 44-54 - KABEL
1x
16,58 CHF
105
Husqvarna 532 40 75-68 - SCHALTER
1x
18,87 CHF
116
Husqvarna 873 90 05-00 - MUTTER
1x
1,87 CHF
118
Husqvarna 532 40 60-13 - LAGER
1x
6,02 CHF
130
Husqvarna 532 41 63-58 - SCHRAUBE
1x
5,08 CHF
137
Husqvarna 532 40 75-90 - GUMMI
1x
4,87 CHF
150
Husqvarna 532 19 85-12 - BEFESTIGUNG
1x
37,50 CHF
159
Husqvarna 817 00 06-12 - SCHRAUBE
1x
4,03 CHF
161
Husqvarna 532 10 57-09 - FEDER
1x
13,20 CHF
162
Husqvarna 532 14 24-32 - SCHRAUBE
1x
5,08 CHF
166
Husqvarna 532 42 91-64 - MUTTER
1x
5,08 CHF
167
Husqvarna 532 40 52-57 - BREMSSTUECK
1x
4,21 CHF
170
Husqvarna 532 41 34-30 - RIEMENFÜHRUNG
1x
6,68 CHF
176
Husqvarna 532 40 07-76 - SCHRAUBE
1x
5,08 CHF
177
Husqvarna 532 19 52-27 - BUSHING
1x
9,97 CHF
182
Husqvarna 532 40 68-59 - SCHALTBRETT
1x
137,22 CHF
183
Husqvarna 874 52 05-20 - SCHRAUBE
1x
3,30 CHF
183
Husqvarna 532 13 70-57 - HUELSE
1x
7,53 CHF
185
Husqvarna 872 11 06-22 - BOLZEN
1x
5,50 CHF
186
Husqvarna 532 19 43-21 - ABSTANDSSTÜCK
1x
10,97 CHF
189
Husqvarna 532 19 43-17 - PLATTE
1x
10,74 CHF
190
Husqvarna 532 19 43-18 - RIEMENFÜHRUNG
1x
6,54 CHF
194
Husqvarna 873 90 05-00 - MUTTER
1x
1,87 CHF
196
Husqvarna 817 00 06-16 - SCHRAUBE
1x
4,41 CHF
197
Husqvarna 532 19 58-04 - HALTER
1x
7,66 CHF
199
Husqvarna 532 19 82-59 - PLATTE
1x
22,05 CHF
205
Husqvarna 532 12 17-48 - SCHEIBE
1x
4,14 CHF
208
Husqvarna 532 19 78-69 - STÜTZE
1x
7,77 CHF
209
Husqvarna 532 19 95-92 - STANGE
1x
11,12 CHF
210
Husqvarna 532 19 78-60 - ARM
1x
48,61 CHF
211
Husqvarna 532 12 01-83 - LAGER
1x
6,02 CHF
213
Husqvarna 532 40 31-19 - BEDIENELEMENT
1x
10,12 CHF
214
Husqvarna 532 19 91-45 - Klammer
1x
5,08 CHF
217
Husqvarna 532 40 91-67 - STANGE
1x
16,21 CHF
220
Husqvarna 532 19 89-08 - LINSE
1x
13,87 CHF
221
Husqvarna 532 19 89-09 - LINSE
1x
15,75 CHF
221
Husqvarna 532 40 31-87 - FEDER
1x
2,72 CHF
222
Husqvarna 879 21 20-10 - SCHEIBE
1x
3,98 CHF
225
Husqvarna 532 40 33-19 - RIEMENFÜHRUNG
1x
11,08 CHF
226
Husqvarna 532 40 15-64 - HALTER
1x
16,35 CHF
228
Husqvarna 532 19 51-61 - BOLZEN
1x
8,17 CHF
230
Husqvarna 532 18 89-67 - SCHEIBE
1x
4,09 CHF
231
Husqvarna 532 40 72-87 - RIEMENSCHEIBE
1x
32,24 CHF
235
Husqvarna 532 40 61-29 - ABSTANDSSCHEIBE
1x
8,53 CHF
236
Husqvarna 873 93 05-00 - MUTTER
1x
5,08 CHF

Produktbewertungen unserer Kunden
Unsere Bewertungen sind zu 100% echt.
Bewertungen von Kunden, die ihre Ware nicht bei uns gekauft haben, werden entsprechend gekennzeichnet.
Bewertungen mit diesem Symbol stammen von verifizierten Käufern!
Zu diesem Produkt gibt es noch keine Kundenbewertungen.
Sie können die erste Person sein, die zu diesem Produkt eine Bewertung schreibt.