koempf24_ch Logo
Unsere Seite verwendet Cookies und ähnliche Technologien, um die Benutzererfahrung auf unserer Website zu verbessern, Inhalte und Anzeigen zu personalisieren und die Nutzung unserer Website zu analysieren. Mit Ihrer Einwilligung stimmen Sie der Verwendung von Cookies sowie der Verarbeitung Ihrer persönlichen Daten zu, um Ihnen ein bestmögliches Surferlebnis und mehr Funktionen zu bieten.

Sie können Ihre Einwilligung jederzeit in den Cookie-Einstellungen anpassen oder widerrufen.
Experten-Beratung Lassen Sie sich von unseren Experten über das Kontaktformular beraten.
Artikelnummer: 4330486
Hier können Sie unsere qualifizierten Fachberater zur Planung Ihrer Bestellung kontaktieren.
Zum Kontaktformular
Hier erhalten Sie allgemeine Informationen zum Bestellprozess, der Lieferung, der Zahlung und mehr.
Zum FAQ
Hier können Sie Feedback zu dieser Seite abgeben oder unerwartete Inhalte und Auffälligkeiten melden.

Husqvarna Gartentraktoren 96041001902 LTH151

Husqvarna Gartentraktoren 96041001902 LTH151

Nicht lieferbar
Dieser Artikel ist leider nicht mehr zu bestellen. Wir empfehlen Ihnen eine alternative Artikelwahl aus dieser Kategorie. Wir wünschen Ihnen viel Spaß beim Stöbern.
Andere Produkte der Kategorie Husqvarna Ersatzteilzeichnungen
Artikel-Nr.: 4330486
  • Deutschlands bester Händler
  • Trusted Shops Käuferschutz
  • Rechnungskauf
  • Montageservice
  • Verlängerte Rückgabefrist

Husqvarna Logo

Husqvarna

Der schwedische Hersteller Husqvarna bietet Ihnen Motorgeräte für die Forst-, Garten- sowie Landschaftspflege. Bereits 1689 begann die Unternehmensgeschichte, damals noch mit der Herstellung von Musketen. Somit profitiert das Unternehmen von mehr als 325 Jahre langer Erfahrung – und somit auch seine Kunden.

Die Zufriedenheit der Kunden ist dem international bekannten Unternehmen besonders wichtig. Daher arbeitet Husqvarna eng mit dem Anwender zusammen, auch nach dem Kauf steht das Unternehmen seinen Käufern mit Rat und Tat zur Seite. Sie können sich bei den Husqvarna Produkten daher auf eine kompromisslose Qualität, Benutzerfreundlichkeit sowie Spitzenleistung verlassen.
 

Garantie

Als unser Kunde genießen Sie auch nach dem Kauf Ihres Husqvarna-Produkts zahlreiche Vorteile! Im Garantiefall sind wir Ihr erster Ansprechpartner und werden Ihnen gerne weiterhelfen. Wir verfügen über eine eigene Hersteller-Werkstatt, sind qualifiziert und berechtigt, im Garantiefall alle nötigen Reparaturen an Ihrem Husqvarna-Gerät durchzuführen.

Das bedeutet für Sie: Sie können sich jederzeit an uns wenden, als Ihr Händler bei dem Sie die Ware gekauft haben sind wir stets die erste Adresse. Selbstverständlich steht es Ihnen jedoch frei, sich an jeden anderen autorisierten Husqvarna-Händler zu wenden.

Gegen Vorlegen Ihres Kaufbeleges (inklusive ausgefüllter Garantiekarte) aus unserem Shop können Sie wohnortnah - in ganz Europa, in der Schweiz und in Großbritannien - Ihr registriertes Produkt zur Garantieüberprüfung vorlegen. Der lokale Husqvarna Servicehändler wird im Garantiefall defekte Teile ausschließlich durch original Husqvarna-Ersatzteile und Zubehör ersetzen. 

 

Husqvarna Händler mit Onlineshop 

Ausschließlich autorisierte, qualifizierte Händler dürfen Husqvarna Produkte verkaufen. So erhalten Sie als Kunde fachgerechte Auskunft zu Ihren Fragen. Wir sind ein autorisierter Husqvarna Fachhändler mit eigener Werkstatt. Vor jeder Auslieferung werden die Geräte entsprechend der Herstellervorgaben geprüft.

 

Stationärer Handel:
Kömpf Baumarkt GmbH
Leibnizstr. 2
75365 Calw

 

Husqvarna Geräte

Husqvarna AB
Regeringsgatan 28
11153 Stockholm
Schweden
verkauf@husqvarna.de
Verantwortliche Person:
Husqvarna Deutschland GmbH
Hans-Lorenser-Strasse 40
89079 Ulm
Deutschland
verkauf@husqvarna.de

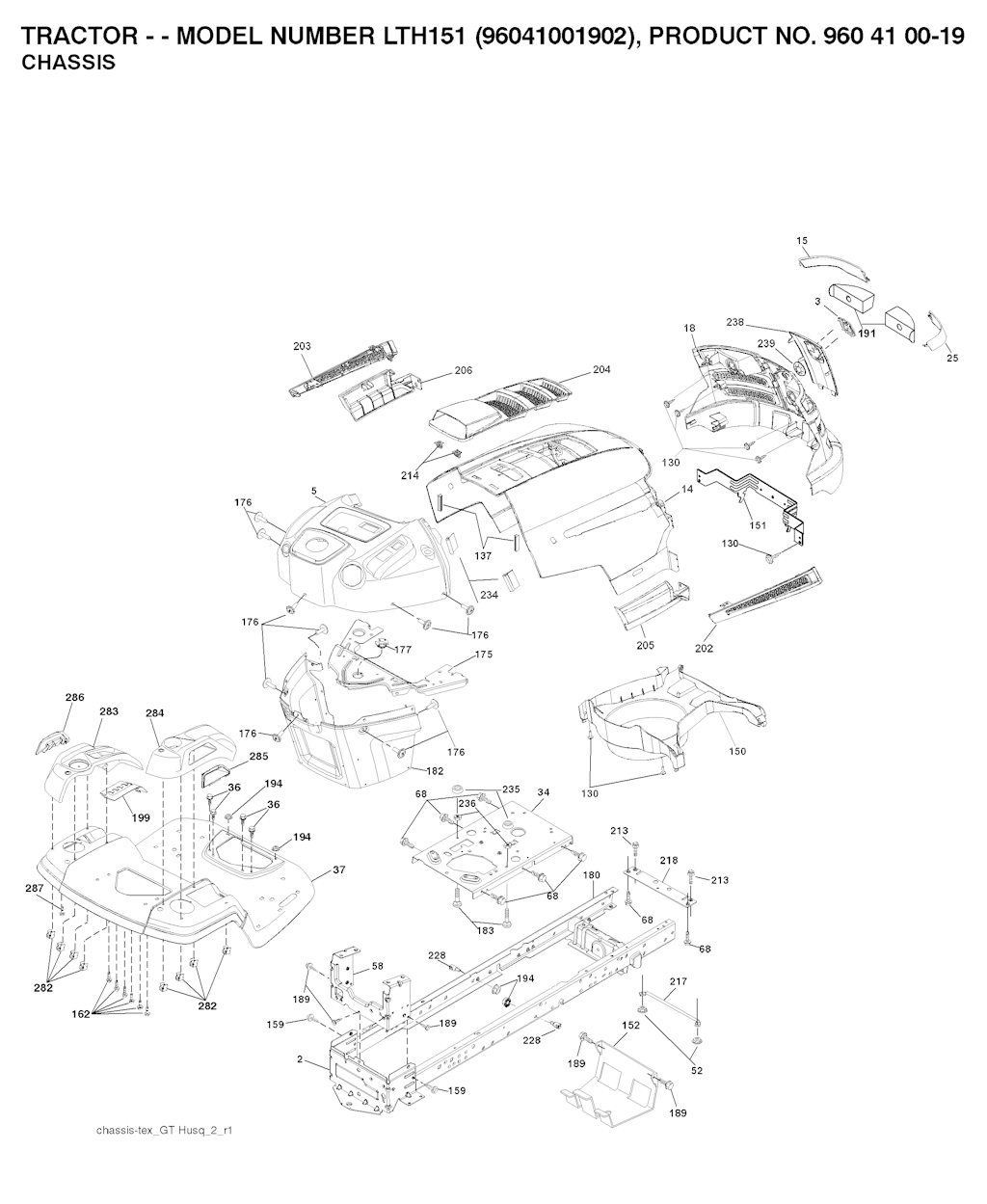
169 von insgesamt 169 eingezeichneten Ersatzteilen in Explosionszeichnung Nr. 1

-
Husqvarna 532 41 08-05 - FUSSMATTE LINKS
1x
25,51 CHF
-
Husqvarna 532 41 10-56 - FUSSMATTE RECHTS
1x
28,65 CHF
-
Husqvarna 532 42 05-31 - REIFEN
1x
60,63 CHF
1
Husqvarna 532 05 91-92 - Hut
1x
5,08 CHF
2
Husqvarna 532 06 51-39 - Nippel
1x
5,09 CHF
2
Husqvarna 874 76 04-12 - SCHRAUBE
1x
1,76 CHF
2
Husqvarna 532 41 22-82 - PLATTE
1x
110,87 CHF
2
Husqvarna 532 12 35-83 - KEIL
1x
6,47 CHF
2
Husqvarna 532 18 86-55 - SCHALLDÄMPFER
1x
153,21 CHF
2
Husqvarna 532 18 01-66 - BEFESTIGUNG
1x
19,55 CHF
3
Husqvarna 532 14 06-75 - STREIFEN
1x
6,64 CHF
3
Husqvarna 532 19 52-31 - HEBELARM
1x
25,82 CHF
4
Husqvarna 532 40 85-97 - AUFKLEBER
1x
9,98 CHF
4
Husqvarna 532 05 99-04 - SCHLAUCH
1x
15,59 CHF
6
Husqvarna 529 84 64-01- ARM
1x
27,55 CHF
7
Husqvarna 532 12 17-48 - SCHEIBE
1x
4,14 CHF
7
Husqvarna 532 41 15-55 - GRIFF
1x
9,59 CHF
8
Husqvarna 532 41 34-09 - AUFKLEBER
1x
3,64 CHF
8
Husqvarna 532 19 32-28 - KISTE
1x
41,24 CHF
8
Husqvarna 532 17 18-77 - Bolzen
1x
3,47 CHF
8
Husqvarna 812 00 00-29 - FEDERRING
1x
0,63 CHF
8
Husqvarna 532 19 30-03 - SCHRAUBE
1x
12,44 CHF
9
Husqvarna 532 12 12-32 - KAPSEL
1x
4,03 CHF
10
Husqvarna 532 19 63-14 - FEDER
1x
4,09 CHF
13
Husqvarna 532 12 17-49 - SCHEIBE
1x
2,66 CHF
14
Husqvarna 532 18 72-81 - LAGERGEHÄUSE
1x
149,63 CHF
15
Husqvarna 532 11 04-85 - LAGER
1x
7,92 CHF
16
Husqvarna 532 17 61-38 - SCHALTER
1x
16,08 CHF
17
Husqvarna 532 41 36-78 - SRPING.BRAKE.K46.GREEN*SUBS/2*
1x
8,95 CHF
19
Husqvarna 532 19 47-29 - PLATTE
1x
58,00 CHF
19
Husqvarna 532 19 65-39 - BOLZEN
1x
5,01 CHF
20
Husqvarna 532 41 11-39 - SCHUTZ F.LENKUNG
1x
15,04 CHF
21
Husqvarna 532 40 02-52 - KABELBAUM
1x
21,68 CHF
22
Husqvarna 532 00 41-52 - LAMPE
1x
4,10 CHF
22
Husqvarna 532 19 76-60 - STANGE
1x
47,89 CHF
23
Husqvarna 532 12 12-74 - KNOPF
1x
7,96 CHF
23
Husqvarna 532 19 25-57 - SCHARNIER
1x
9,71 CHF
24
Husqvarna 532 10 53-04 - RADKAPPE
1x
2,87 CHF
25
Husqvarna 532 19 70-26 - TORSIONSFEDER
1x
8,91 CHF
26
Husqvarna 532 17 51-58 - Sicherung
1x
3,98 CHF
26
Husqvarna 532 11 04-52 - MUTTER
1x
5,08 CHF
28
Husqvarna 817 00 06-12 - SCHRAUBE
1x
4,03 CHF
28
Husqvarna 532 13 70-40 - SCHLAUCH
1x
21,45 CHF
29
Husqvarna 532 40 15-45 - SCHALTER
1x
18,95 CHF
29
Husqvarna 532 40 38-06 - STANGE
1x
18,22 CHF
29
Husqvarna 532 13 71-80 - FUNKEN FÄNGER
1x
39,30 CHF
29
Husqvarna 595 29 70-01 - WELLE
1x
7,67 CHF
30
Husqvarna 532 19 33-50 - Zündschloss
1x
28,45 CHF
31
Husqvarna 532 18 76-90 - SCHEIBE
1x
2,87 CHF
32
Husqvarna 531 17 00-01 - RIEMENSCHEIBE
1x
40,95 CHF
33
Husqvarna Zündschlüssel Gartentraktor
1x
10,02 CHF
33
Husqvarna 812 00 00-01 - FEDERRING
1x
5,08 CHF
33
Husqvarna 596 13 48-01 - MUTTER
1x
5,08 CHF
34
Husqvarna 532 11 07-12 - SCHALTER
1x
13,37 CHF
34
Husqvarna 872 11 06-12 - BOLZEN
1x
3,00 CHF
35
Husqvarna 532 19 47-32 - PLATTE
1x
58,01 CHF
37
Husqvarna 532 12 34-87 - KLEMME
1x
5,08 CHF
37
Husqvarna 873 80 05-00 - MUTTER
1x
1,88 CHF
38
Husqvarna 532 19 95-41 - RIEMENFÜHRUNG
1x
31,07 CHF
40
Husqvarna 532 19 76-61 - GRIFF
1x
11,28 CHF
41
Husqvarna 817 72 04-08 - SCHRAUBE
1x
1,73 CHF
41
Husqvarna 532 19 82-00 - FEDER
1x
2,45 CHF
42
Husqvarna 532 19 84-10 - FEDER
1x
3,53 CHF
43
Husqvarna 532 19 72-56 - FEDER
1x
3,53 CHF
44
Husqvarna 817 67 04-12 - SCHRAUBE
1x
3,68 CHF
45
Husqvarna 819 11 38-12 - SCHEIBE
1x
11,92 CHF
46
Husqvarna 819 09 14-16 - SCHEIBE
1x
2,17 CHF
46
Husqvarna 532 13 77-29 - SCHRAUBE
1x
2,02 CHF
49
Husqvarna 872 11 06-14 - SCHRAUBE 3/8-16X1-3/4 GR.5
1x
4,83 CHF
50
Husqvarna 532 19 43-27 - RIEMENSCHEIBE
1x
41,29 CHF
52
Husqvarna 532 19 43-26 - RIEMENSCHEIBE
1x
40,87 CHF
53
Husqvarna 532 18 89-67 - SCHEIBE
1x
4,09 CHF
55
Husqvarna 532 19 72-49 - ARM
1x
13,74 CHF
56
Husqvarna 532 19 90-92 - ABSTANDSSCHEIBE
1x
5,59 CHF
57
Husqvarna 817 00 06-16 - SCHRAUBE
1x
4,41 CHF
57
Husqvarna 532 40 74-65 - HALTER
1x
10,51 CHF
58
Husqvarna 532 41 22-80 - PLATTE
1x
101,43 CHF
58
Husqvarna 532 19 47-47 - BOLZEN
1x
10,33 CHF
59
Husqvarna 532 19 47-48 - SCHEIBE
1x
3,90 CHF
59
Husqvarna 532 14 10-43 - SCHUTZ
1x
6,35 CHF
60
Husqvarna 532 19 94-71 - ARM
1x
11,11 CHF
61
Husqvarna 532 19 47-40 - GELENK
1x
60,78 CHF
62
Husqvarna 532 19 47-41 - GELENK
1x
60,76 CHF
63
Husqvarna 532 19 94-70 - ARM
1x
16,80 CHF
64
Husqvarna 532 19 62-00 - WELLE
1x
92,07 CHF
64
Husqvarna 532 19 98-49 - FEDER
1x
2,77 CHF
64
Husqvarna 532 19 97-90 - GELENK
1x
8,33 CHF
66
Husqvarna 871 02 07-48 - SCHRAUBE
1x
6,41 CHF
67
Husqvarna 532 40 30-12 - HANDGRIFF
1x
11,08 CHF
68
Husqvarna 817 49 05-08 - SCHRAUBE
1x
3,00 CHF
68
Husqvarna 873 90 07-00 - MUTTER
1x
3,51 CHF
68
Husqvarna 532 40 83-81 - RIEMEN
1x
59,21 CHF
69
Husqvarna 872 14 05-05 - BOLZEN
1x
3,00 CHF
70
Husqvarna 532 40 12-46 - KUPPLUNG
1x
58,04 CHF
73
Husqvarna 874 49 05-44 - SCHRAUBE
1x
4,78 CHF
73
Husqvarna 532 19 91-62 - SCHEIBE
1x
6,50 CHF
79
Husqvarna 532 17 52-42 - HALTER
1x
4,74 CHF
81
Husqvarna 532 14 84-56 - ROHR
1x
9,88 CHF
83
Husqvarna 532 17 18-77 - Bolzen
1x
3,47 CHF
87
Husqvarna 532 19 78-02 - SCHALTER
1x
14,24 CHF
87
Husqvarna 532 19 42-09 - FEDER
1x
3,59 CHF
88
Husqvarna 532 41 07-10 - FEDER
1x
14,80 CHF
89
Husqvarna 819 19 19-12 - SCHEIBE
1x
3,69 CHF
90
Husqvarna 817 00 06-16 - SCHRAUBE
1x
4,41 CHF
90
Husqvarna 532 19 42-08 - STIFT
1x
1,26 CHF
91
Husqvarna 589 46 48-07 - GESTAENGE HINTEN
1x
20,62 CHF
92
Husqvarna 532 19 66-15 - KABELSATZ
1x
9,39 CHF
92
Husqvarna 817 12 06-16 - SCHRAUBE
1x
3,65 CHF
93
Husqvarna 532 19 25-40 - SCHRAUBE
1x
2,72 CHF
94
Husqvarna 532 19 18-34 - MODUL
1x
18,34 CHF
116
Husqvarna 873 90 05-00 - MUTTER
1x
1,87 CHF
123
Husqvarna 531 16 97-01 - RIEMENFÜHRUNG
1x
12,44 CHF
137
Husqvarna 532 40 75-90 - GUMMI
1x
4,87 CHF
143
Husqvarna 817 49 05-08 - SCHRAUBE
1x
3,00 CHF
144
Husqvarna 531 14 89-01 - RIEMENFÜHRUNG
1x
5,06 CHF
145
Husqvarna 532 19 31-97 - RIEMENSCHEIBE
1x
56,44 CHF
147
Husqvarna 532 40 18-72 - FEDER
1x
6,30 CHF
150
Husqvarna 532 40 75-37 - LUFTLEITBLECH
1x
54,15 CHF
151
Husqvarna 532 40 78-07 - HALTER
1x
37,60 CHF
152
Husqvarna 532 19 95-35 - ABDECKUNG
1x
35,17 CHF
159
Husqvarna 817 00 06-12 - SCHRAUBE
1x
4,03 CHF
161
Husqvarna 532 10 57-09 - FEDER
1x
13,20 CHF
162
Husqvarna 532 14 24-32 - SCHRAUBE
1x
5,08 CHF
167
Husqvarna 532 40 52-57 - BREMSSTUECK
1x
4,21 CHF
170
Husqvarna 532 19 43-22 - BEFESTIGUNG
1x
6,47 CHF
171
Husqvarna 872 11 06-22 - BOLZEN
1x
5,50 CHF
174
Husqvarna 532 19 72-89 - MUTTER
1x
5,08 CHF
175
Husqvarna 532 19 94-72 - PLATTE
1x
45,40 CHF
176
Husqvarna 532 40 07-76 - SCHRAUBE
1x
5,08 CHF
176
Husqvarna 532 19 62-14 - ARM
1x
9,68 CHF
177
Husqvarna 532 19 52-28 - BUCHSE
1x
9,97 CHF
178
Husqvarna 532 19 74-56 - FEDER
1x
4,25 CHF
180
Husqvarna 532 41 50-63 - RAHMEN
1x
352,53 CHF
183
Husqvarna 532 13 70-57 - HUELSE
1x
7,53 CHF
186
Husqvarna 532 19 43-21 - ABSTANDSSTÜCK
1x
10,97 CHF
188
Husqvarna 532 19 51-61 - BOLZEN
1x
8,17 CHF
189
Husqvarna 873 90 05-00 - MUTTER
1x
1,87 CHF
189
Husqvarna 532 19 43-17 - PLATTE
1x
10,74 CHF
190
Husqvarna 532 19 43-18 - RIEMENFÜHRUNG
1x
6,54 CHF
191
Husqvarna 532 40 66-65 - EINSATZ LINKS
1x
7,39 CHF
194
Husqvarna 873 90 05-00 - MUTTER
1x
1,87 CHF
195
Husqvarna 817 00 06-12 - SCHRAUBE
1x
4,03 CHF
199
Husqvarna 532 41 34-85 - PLATTE
1x
14,03 CHF
203
Husqvarna 532 41 10-75 - LUFTLEITER
1x
14,79 CHF
205
Husqvarna 532 41 10-76 - VERKLEIDUNG
1x
27,10 CHF
205
Husqvarna 532 12 17-48 - SCHEIBE
1x
4,14 CHF
211
Husqvarna 532 19 62-12 - BUCHSE
1x
8,15 CHF
214
Husqvarna 532 19 91-45 - Klammer
1x
5,08 CHF
216
Husqvarna 532 19 61-31 - HALTER
1x
11,30 CHF
217
Husqvarna 532 40 91-67 - STANGE
1x
16,21 CHF
218
Husqvarna 532 19 63-95 - PLATTE
1x
10,53 CHF
221
Husqvarna 532 40 31-87 - FEDER
1x
2,72 CHF
225
Husqvarna 532 40 33-19 - RIEMENFÜHRUNG
1x
11,08 CHF
226
Husqvarna 532 40 15-64 - HALTER
1x
16,35 CHF
228
Husqvarna 532 19 51-61 - BOLZEN
1x
8,17 CHF
230
Husqvarna 532 18 89-67 - SCHEIBE
1x
4,09 CHF
231
Husqvarna 532 40 72-87 - RIEMENSCHEIBE
1x
32,24 CHF
233
Husqvarna 532 40 52-96 - SCHEIBE
1x
2,89 CHF
235
Husqvarna 532 40 61-29 - ABSTANDSSCHEIBE
1x
8,53 CHF
236
Husqvarna 873 93 05-00 - MUTTER
1x
5,08 CHF
239
Husqvarna 532 40 48-83 - KLAMMER
1x
5,08 CHF
276
Husqvarna 874 78 07-16 - BOLZEN
1x
4,68 CHF
282
Husqvarna 532 41 41-10 - CLIP
1x
5,08 CHF
285
Husqvarna 532 41 63-15 - BEFESTIGUNG
1x
20,36 CHF
286
Husqvarna 532 41 63-17 - BEFESTIGUNG
1x
20,65 CHF
287
Husqvarna 817 60 04-06 - SCHRAUBE
1x
5,08 CHF
796032
Husqvarna 586 61 71-01 - Luftfilter
1x
26,26 CHF
532138255
Husqvarna 532 13 82-55 - Riemen
1x
65,14 CHF
QC12YC
Husqvarna 531 02 97-76 - ZUENDKERZE
1x
3,71 CHF

Produktbewertungen unserer Kunden
Unsere Bewertungen sind zu 100% echt.
Bewertungen von Kunden, die ihre Ware nicht bei uns gekauft haben, werden entsprechend gekennzeichnet.
Bewertungen mit diesem Symbol stammen von verifizierten Käufern!
Zu diesem Produkt gibt es noch keine Kundenbewertungen.
Sie können die erste Person sein, die zu diesem Produkt eine Bewertung schreibt.