koempf24_ch Logo
Unsere Seite verwendet Cookies und ähnliche Technologien, um die Benutzererfahrung auf unserer Website zu verbessern, Inhalte und Anzeigen zu personalisieren und die Nutzung unserer Website zu analysieren. Mit Ihrer Einwilligung stimmen Sie der Verwendung von Cookies sowie der Verarbeitung Ihrer persönlichen Daten zu, um Ihnen ein bestmögliches Surferlebnis und mehr Funktionen zu bieten.

Sie können Ihre Einwilligung jederzeit in den Cookie-Einstellungen anpassen oder widerrufen.
Experten-Beratung Lassen Sie sich von unseren Experten über das Kontaktformular beraten.
Artikelnummer: 4351627
Hier können Sie unsere qualifizierten Fachberater zur Planung Ihrer Bestellung kontaktieren.
Zum Kontaktformular
Hier erhalten Sie allgemeine Informationen zum Bestellprozess, der Lieferung, der Zahlung und mehr.
Zum FAQ
Hier können Sie Feedback zu dieser Seite abgeben oder unerwartete Inhalte und Auffälligkeiten melden.

Husqvarna Blasgeräte 165 BT, 20053300001-Current, US

Husqvarna Blasgeräte 165 BT, 20053300001-Current, US

Nicht lieferbar
Dieser Artikel ist leider nicht mehr zu bestellen. Wir empfehlen Ihnen eine alternative Artikelwahl aus dieser Kategorie. Wir wünschen Ihnen viel Spaß beim Stöbern.
Andere Produkte der Kategorie Husqvarna Ersatzteilzeichnungen
Artikel-Nr.: 4351627
  • Deutschlands bester Händler
  • Trusted Shops Käuferschutz
  • Rechnungskauf
  • Montageservice
  • Verlängerte Rückgabefrist

Husqvarna Logo

Husqvarna

Der schwedische Hersteller Husqvarna bietet Ihnen Motorgeräte für die Forst-, Garten- sowie Landschaftspflege. Bereits 1689 begann die Unternehmensgeschichte, damals noch mit der Herstellung von Musketen. Somit profitiert das Unternehmen von mehr als 325 Jahre langer Erfahrung – und somit auch seine Kunden.

Die Zufriedenheit der Kunden ist dem international bekannten Unternehmen besonders wichtig. Daher arbeitet Husqvarna eng mit dem Anwender zusammen, auch nach dem Kauf steht das Unternehmen seinen Käufern mit Rat und Tat zur Seite. Sie können sich bei den Husqvarna Produkten daher auf eine kompromisslose Qualität, Benutzerfreundlichkeit sowie Spitzenleistung verlassen.
 

Garantie

Als unser Kunde genießen Sie auch nach dem Kauf Ihres Husqvarna-Produkts zahlreiche Vorteile! Im Garantiefall sind wir Ihr erster Ansprechpartner und werden Ihnen gerne weiterhelfen. Wir verfügen über eine eigene Hersteller-Werkstatt, sind qualifiziert und berechtigt, im Garantiefall alle nötigen Reparaturen an Ihrem Husqvarna-Gerät durchzuführen.

Das bedeutet für Sie: Sie können sich jederzeit an uns wenden, als Ihr Händler bei dem Sie die Ware gekauft haben sind wir stets die erste Adresse. Selbstverständlich steht es Ihnen jedoch frei, sich an jeden anderen autorisierten Husqvarna-Händler zu wenden.

Gegen Vorlegen Ihres Kaufbeleges (inklusive ausgefüllter Garantiekarte) aus unserem Shop können Sie wohnortnah - in ganz Europa, in der Schweiz und in Großbritannien - Ihr registriertes Produkt zur Garantieüberprüfung vorlegen. Der lokale Husqvarna Servicehändler wird im Garantiefall defekte Teile ausschließlich durch original Husqvarna-Ersatzteile und Zubehör ersetzen. 

 

Husqvarna Händler mit Onlineshop 

Ausschließlich autorisierte, qualifizierte Händler dürfen Husqvarna Produkte verkaufen. So erhalten Sie als Kunde fachgerechte Auskunft zu Ihren Fragen. Wir sind ein autorisierter Husqvarna Fachhändler mit eigener Werkstatt. Vor jeder Auslieferung werden die Geräte entsprechend der Herstellervorgaben geprüft.

 

Stationärer Handel:
Kömpf Baumarkt GmbH
Leibnizstr. 2
75365 Calw

 

Husqvarna Geräte

Husqvarna AB
Regeringsgatan 28
11153 Stockholm
Schweden
verkauf@husqvarna.de
Verantwortliche Person:
Husqvarna Deutschland GmbH
Hans-Lorenser-Strasse 40
89079 Ulm
Deutschland
verkauf@husqvarna.de

136 von insgesamt 136 eingezeichneten Ersatzteilen in Explosionszeichnung Nr. 1

503 23 51-11
Husqvarna Zündkerze NGK BPMR7A
1x
3,62 CHF
514 74 09-00
Husqvarna 514 74 09-00 - FILTER
1x
7,48 CHF
531 00 32-15
Husqvarna 531 00 32-15 - O-RING
1x
3,12 CHF
531 00 32-49
Husqvarna 531 00 32-49 - DRAHT
1x
1,73 CHF
531 00 32-58
Husqvarna 531 00 32-58 - SCHRAUBE
4x
5,08 CHF
531 00 32-69
Husqvarna 531 00 32-69 - SICHERUNGSRING
2x
5,08 CHF
531 00 32-70
Husqvarna 531 00 32-70 - NADELLAGER
1x
10,36 CHF
531 00 32-73
Husqvarna 531 00 32-73 - SCHRAUBE
1x
5,08 CHF
531 00 32-79
Husqvarna 531 00 32-79 - FEDER
1x
2,53 CHF
531 00 32-84
Husqvarna 531 00 32-84 - SCHLUESSEL
1x
3,74 CHF
531 00 32-85
Husqvarna 531 00 32-85 - STIFT
1x
5,08 CHF
531 00 32-89
Husqvarna 531 00 32-89 - MUTTER
1x
4,83 CHF
531 00 33-58
Husqvarna 531 00 33-58 - EINSATZ
1x
2,14 CHF
531 00 33-60
Husqvarna 531 00 33-60 - GRIFF
1x
6,13 CHF
531 00 33-64
Husqvarna 531 00 33-64 - SCHRAUBE
1x
5,08 CHF
531 00 33-65
Husqvarna 531 00 33-65 - SPRENGRING
1x
5,08 CHF
531 00 33-67
Husqvarna 531 00 33-67 - FEDER
1x
5,08 CHF
531 00 33-82
Husqvarna 531 00 33-82 - KABEL
1x
5,08 CHF
531 00 33-84
Husqvarna 531 00 33-84 - ZUENDSPULE
1x
107,14 CHF
531 00 33-92
Husqvarna 531 00 33-92 - SCHRAUBE
4x
2,14 CHF
531 00 33-98
Husqvarna 531 00 33-98 - GASZUG
1x
20,00 CHF
531 00 33-99
Husqvarna 531 00 33-99 - TANKDECKEL
1x
14,39 CHF
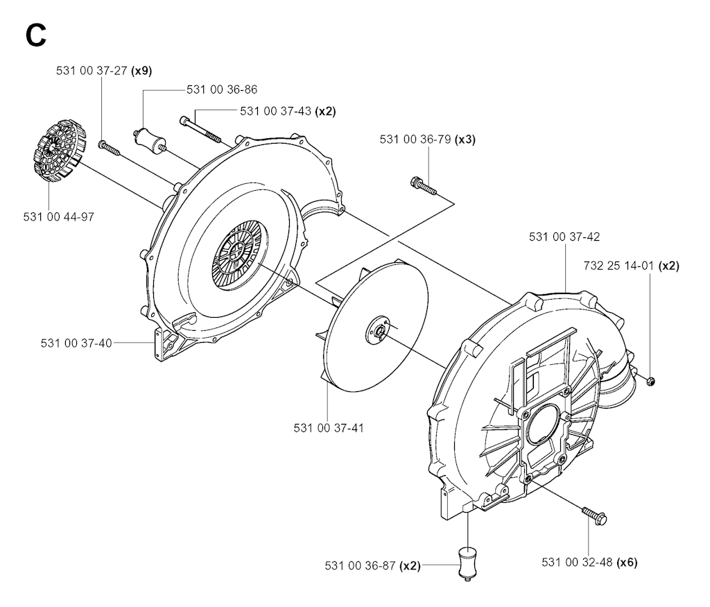
531 00 36-79
Husqvarna 531 00 36-79 - SCHRAUBE
3x
4,55 CHF
531 00 36-86
Husqvarna 531 00 36-86 - VIBRATIONSDAEMPFER
1x
35,57 CHF
531 00 36-87
Husqvarna 531 00 36-87 - VIBRATIONSDAEMPFER
2x
35,62 CHF
531 00 36-95
Husqvarna 531 00 36-95 - KOLBENBOLZEN
1x
5,12 CHF
531 00 37-02
Husqvarna 531 00 37-02 - MUTTER
1x
0,88 CHF
531 00 37-03
Husqvarna 531 00 37-03 - STARTERGEHAEUSE
1x
25,62 CHF
531 00 37-04
Husqvarna 531 00 37-04 - HALTER
1x
5,08 CHF
531 00 37-05
Husqvarna 531 00 37-05 - RAHMEN
1x
195,58 CHF
531 00 37-12
Husqvarna 531 00 37-12 - SEILROLLE
1x
10,05 CHF
531 00 37-13
Husqvarna 531 00 37-13 - STARTERSEIL
1x
4,40 CHF
531 00 37-14
Husqvarna 531 00 37-14 - SCHEIBE
1x
1,81 CHF
531 00 37-16
Husqvarna 531 00 37-16 - RUECKHOLFEDER
1x
12,83 CHF
531 00 37-21
Husqvarna 531 00 37-21 - MUNDSTUECK
1x
15,35 CHF
531 00 37-23
Husqvarna 531 00 37-23 - SCHRAUBE
1x
2,63 CHF
531 00 37-24
Husqvarna 531 00 37-24 - DECKEL
1x
4,06 CHF
531 00 37-26
Husqvarna 531 00 37-26 - AUFKLEBER
1x
5,60 CHF
531 00 37-27
Husqvarna 531 00 37-27 - SCHRAUBE
9x
5,08 CHF
531 00 37-32
Husqvarna 531 00 37-32 - Rohr
1x
27,86 CHF
531 00 37-33
Husqvarna 531 00 37-33 - Klemme
2x
5,08 CHF
531 00 37-34
Husqvarna 531 00 37-34 - Halter
1x
38,00 CHF
531 00 37-35
Husqvarna 531 00 37-35 - Balg
1x
60,89 CHF
531 00 37-36
Husqvarna 531 00 37-36 - Rohr
1x
53,49 CHF
531 00 37-37
Husqvarna 531 00 37-37 - GASHEBEL
1x
186,08 CHF
531 00 37-38
Husqvarna 531 00 37-38 - Rohr
1x
26,36 CHF
531 00 37-39
Husqvarna 531 00 37-39 - ROHR
1x
25,28 CHF
531 00 37-40
Husqvarna 531 00 37-40 - Gehäuse
1x
125,92 CHF
531 00 37-41
Husqvarna 531 00 37-41 - Lüfter
1x
115,91 CHF
531 00 37-42
Husqvarna 531 00 37-42 - Gehäuse
1x
246,77 CHF
531 00 37-43
Husqvarna 531 00 37-43 - Schraube
2x
5,08 CHF
531 00 37-45
Husqvarna 531 00 37-45 - Halter
1x
17,08 CHF
531 00 37-46
Husqvarna 531 00 37-46 - Halter
1x
18,54 CHF
531 00 37-47
Husqvarna 531 00 37-47 - Tank
1x
84,95 CHF
531 00 37-48
Husqvarna 531 00 37-48 - Zylinder
1x
273,69 CHF
531 00 37-49
Husqvarna 531 00 37-49 - Dichtung
1x
3,76 CHF
531 00 37-50
Husqvarna 531 00 37-50 - Dichtung
1x
5,32 CHF
531 00 37-51
Husqvarna 531 00 37-51 - Kurbelgehäuse
1x
93,54 CHF
531 00 37-52
Husqvarna 531 00 37-52 - Kurbelgehäuse
1x
64,84 CHF
531 00 37-53
Husqvarna 531 00 37-53 - Dichtung
2x
8,64 CHF
531 00 37-54
Husqvarna 531 00 37-54 - Kolben
1x
87,30 CHF
531 00 37-55
Husqvarna 531 00 37-55 - KOLBENRING
1x
10,79 CHF
531 00 37-56
Husqvarna 531 00 37-56 - Kurbelwelle
1x
162,02 CHF
531 00 37-57
Husqvarna 531 00 37-57 - Scheibe
1x
5,08 CHF
531 00 37-58
Husqvarna 531 00 37-58 - Scheibe
1x
2,86 CHF
531 00 37-59
Husqvarna 531 00 37-59 - Scheibe
1x
5,08 CHF
531 00 37-60
Husqvarna 531 00 37-60 - Scheibe
1x
3,31 CHF
531 00 37-61
Husqvarna 531 00 37-61 - Zylinderdeckel
1x
45,90 CHF
531 00 37-62
Husqvarna 531 00 37-62 - Abstandsscheibe
2x
1,67 CHF
531 00 37-63
Husqvarna 531 00 37-63 - Platte
1x
8,50 CHF
531 00 37-64
Husqvarna 531 00 37-64 - Schraube
2x
1,27 CHF
531 00 37-66
Husqvarna 531 00 37-66 - Ring
1x
4,03 CHF
531 00 37-67
Husqvarna 531 00 37-67 - Schwungrad
1x
36,37 CHF
531 00 37-68
Husqvarna 531 00 37-68 - Dichtung
1x
1,65 CHF
531 00 37-69
Husqvarna 531 00 37-69 - Dichtung
1x
12,41 CHF
531 00 37-70
Husqvarna 531 00 37-70 - Dichtung
1x
10,62 CHF
531 00 37-71
Husqvarna 531 00 37-71 - DICHTUNG
1x
11,05 CHF
531 00 37-72
Husqvarna 531 00 37-72 - VERGASER
1x
152,12 CHF
531 00 37-73
Husqvarna 531 00 37-73 - HALTER
1x
58,00 CHF
531 00 37-75
Husqvarna 531 00 37-75 - DECKEL
1x
25,28 CHF
531 00 37-76
Husqvarna 531 00 37-76 - Schraube
1x
5,08 CHF
531 00 37-77
Husqvarna 531 00 37-77 - SCHRAUBE
1x
5,08 CHF
531 00 37-78
Husqvarna 531 00 37-78 - Schalldämpfer
1x
80,57 CHF
531 00 37-79
Husqvarna 531 00 37-79 - Funkenfänger
1x
19,62 CHF
531 00 37-80
Husqvarna 531 00 37-80 - Dichtung
1x
5,70 CHF
531 00 37-81
Husqvarna 531 00 37-81 - Schraube
2x
5,08 CHF
531 00 37-82
Husqvarna 531 00 37-82 - Schlauch
1x
8,49 CHF
531 00 37-83
Husqvarna 531 00 37-83 - Schlauch
1x
5,08 CHF
531 00 37-84
Husqvarna 531 00 37-84 - Mitnehmerklinke
1x
5,08 CHF
531 00 37-85
Husqvarna 531 00 37-85 - Mitnehmerklinke
1x
17,19 CHF
531 00 44-32
Husqvarna 531 00 44-32 - HUELSE
1x
5,08 CHF
531 00 44-33
Husqvarna 531 00 44-33 - DURCHFUEHRUNG
1x
5,65 CHF
531 00 44-36
Husqvarna 531 00 44-36 - MEMBRANE
1x
14,21 CHF
531 00 44-37
Husqvarna 531 00 44-37 - HEBEL
1x
11,26 CHF
531 00 44-38
Husqvarna 531 00 44-38 - DICHTUNG
1x
12,35 CHF
531 00 44-42
Husqvarna 531 00 44-42 - HEBEL
1x
8,96 CHF
531 00 44-43
Husqvarna 531 00 44-43 - SIEB
1x
6,83 CHF
531 00 44-44
Husqvarna 531 00 44-44 - PRIMAERDECKEL
1x
7,86 CHF
531 00 44-46
Husqvarna 531 00 44-46 - NADELVENTIL
1x
14,54 CHF
531 00 44-48
Husqvarna 531 00 44-48 - DECKEL
1x
40,82 CHF
531 00 44-49
Husqvarna 531 00 44-49 - DECKEL KPL.
1x
39,24 CHF
531 00 44-50
Husqvarna 531 00 44-50 - SCHRAUBE
1x
5,11 CHF
531 00 44-51
Husqvarna 531 00 44-51 - HALTER
1x
15,83 CHF
531 00 44-52
Husqvarna 531 00 44-52 - MEMBRANE
1x
24,35 CHF
531 00 44-53
Husqvarna 531 00 44-53 - MEMBRANE
1x
17,55 CHF
531 00 44-54
Husqvarna 531 00 44-54 - DICHTRING
1x
4,61 CHF
531 00 44-55
Husqvarna 531 00 44-55 - KAPSEL
1x
9,59 CHF
531 00 44-56
Husqvarna 531 00 44-56 - SCHRAUBE
2x
5,08 CHF
531 00 44-57
Husqvarna 531 00 44-57 - SCHRAUBE
1x
4,19 CHF
531 00 44-58
Husqvarna 531 00 44-58 - SCHRAUBE
4x
5,08 CHF
531 00 44-59
Husqvarna 531 00 44-59 - SPRENGRING
1x
1,50 CHF
531 00 44-60
Husqvarna 531 00 44-60 - STIFT
1x
5,08 CHF
531 00 44-61
Husqvarna 531 00 44-61 - DICHTRING
1x
5,08 CHF
531 00 44-63
Husqvarna 531 00 44-63 - FEDER
1x
5,08 CHF
531 00 44-64
Husqvarna 531 00 44-64 - SCHEIBE
1x
1,49 CHF
531 00 44-65
Husqvarna 531 00 44-65 - SCHRAUBE
2x
5,08 CHF
531 00 44-66
Husqvarna 531 00 44-66 - SCHRAUBE
2x
5,08 CHF
531 00 44-67
Husqvarna 531 00 44-67 - GRIFFTEIL
1x
18,39 CHF
531 00 44-68
Husqvarna 531 00 44-68 - GRIFFTEIL
1x
20,65 CHF
531 00 44-69
Husqvarna 531 00 44-69 - HEBEL
1x
5,59 CHF
531 00 44-70
Husqvarna 531 00 44-70 - HEBEL
1x
5,15 CHF
531 00 44-71
Husqvarna 531 00 44-71 - ACHSE
1x
11,90 CHF
531 00 44-74
Husqvarna 531 00 44-74 - SCHEIBE
1x
2,53 CHF
531 00 44-75
Husqvarna 531 00 44-75 - FEDERRING
1x
5,08 CHF
531 00 44-76
Husqvarna 531 00 44-76 - KABELSATZ
1x
33,13 CHF
531 00 44-77
Husqvarna 531 00 44-77 - SCHRAUBE
2x
5,08 CHF
531 00 44-78
Husqvarna 531 00 44-78 - SCHRAUBE
2x
5,08 CHF
531 00 44-79
Husqvarna 531 00 44-79 - MUTTER
2x
5,08 CHF
531 00 44-82
Husqvarna 531 00 44-82 - ABSTANDSSCHEIBE
2x
2,13 CHF
531 00 44-83
Husqvarna 531 00 44-83 - SCHRAUBE
1x
5,08 CHF
531 00 44-86
Husqvarna 531 00 44-86 - ZWISCHENSTUECK SCHWARZ
1x
9,36 CHF
531 00 44-97
Husqvarna 531 00 44-97 - SCHUTZ
1x
20,16 CHF
732 25 14-01
Husqvarna 732 25 14-01 - MUTTER
2x
2,11 CHF
732 26 18-01
Husqvarna 732 26 18-01 - MUTTER
2x
5,08 CHF
734 11 46-01
Husqvarna 734 11 46-01 - SCHEIBE
2x
5,08 CHF
734 11 52-01
Husqvarna 734 11 52-01 - Scheibe
2x
5,08 CHF

Produktbewertungen unserer Kunden
Unsere Bewertungen sind zu 100% echt.
Bewertungen von Kunden, die ihre Ware nicht bei uns gekauft haben, werden entsprechend gekennzeichnet.
Bewertungen mit diesem Symbol stammen von verifizierten Käufern!
Zu diesem Produkt gibt es noch keine Kundenbewertungen.
Sie können die erste Person sein, die zu diesem Produkt eine Bewertung schreibt.