koempf24_ch Logo
Unsere Seite verwendet Cookies und ähnliche Technologien, um die Benutzererfahrung auf unserer Website zu verbessern, Inhalte und Anzeigen zu personalisieren und die Nutzung unserer Website zu analysieren. Mit Ihrer Einwilligung stimmen Sie der Verwendung von Cookies sowie der Verarbeitung Ihrer persönlichen Daten zu, um Ihnen ein bestmögliches Surferlebnis und mehr Funktionen zu bieten.

Sie können Ihre Einwilligung jederzeit in den Cookie-Einstellungen anpassen oder widerrufen.
Das von Ihnen gesuchte Produkt "Daytona Reparatursatz Hauptbremszylinder 88066, 7-teilig, Kolben-Ø 9,5 mm, Länge 42 mm" ist leider nicht mehr verfügbar. Sie wurden daher auf eine passende Kategorie weitergeleitet.
Experten-Beratung Lassen Sie sich von unseren Experten über das Kontaktformular beraten.
Artikelnummer: 2213774
Hier finden Sie bereits beantwortete Fragen zu diesem Produkt oder können Ihre eigene Frage stellen.
Zu den Produktfragen
Hier können Sie unsere qualifizierten Fachberater zur Planung Ihrer Bestellung kontaktieren.
Zum Kontaktformular
Hier erhalten Sie allgemeine Informationen zum Bestellprozess, der Lieferung, der Zahlung und mehr.
Zum FAQ
Hier können Sie Feedback zu dieser Seite abgeben oder unerwartete Inhalte und Auffälligkeiten melden.

Husqvarna Akku-Motorsäge 540i XP 16"

Husqvarna Akku-Motorsäge 540i XP 16"

Die Husqvarna Akku-Motorsäge 540i XP 16" ist eine leistungsstarke und effiziente akku-betriebene Motorsäge, die mit einem BLi300 Akku einer 40 ccm Benzinsäge entspricht. Sie ist ideal zum Entfernen von kleinen und mittelgroßen Bäumen, bei denen Sie gleichmäßige und effiziente Schnitte benötigen. Die schlanke Bauform, die optimale Gewichtsverteilung und die geringen Vibrationswerte machen die Säge sehr anwenderfreundlich.

Lieferung ohne Akku und Ladegerät.

Unser exklusiver Service: Nutzen Sie unseren professionellen Kettenschärfservice. Einfach Ketten einschicken und frisch geschärft wieder geschickt bekommen.

  • Trägheitsausgelöste Kettenbremse
  • Automatische Abschaltung
  • Allwetter-Einsatz (IPX4)
  • Hohe Kettengeschwindigkeit
Menge
656,08 CHF
inkl. 8,1% MwSt.
14,90 CHF Versandkosten in der Schweiz
Versandkostenfrei ab 3 Stück
Am Lager, Lieferzeit: 3-4 Werktage in die Schweiz
Artikel-Nr.: 2213774
  • Deutschlands bester Händler
  • Trusted Shops Käuferschutz
  • Rechnungskauf
  • Montageservice
  • Verlängerte Rückgabefrist

Husqvarna Akku-Motorsäge 540i XP 16"

Husqvarna Akku-Motorsäge 540i XP 16"

Die Husqvarna Akku-Motorsäge 540i XP 16" ist eine leistungsstarke und effiziente akku-betriebene Motorsäge, die mit einem BLi300 Akku einer 40 ccm Benzinsäge entspricht. Sie ist ideal zum Entfernen von kleinen und mittelgroßen Bäumen, bei denen Sie gleichmäßige und effiziente Schnitte benötigen. Die schlanke Bauform, die optimale Gewichtsverteilung und die geringen Vibrationswerte machen die Säge sehr anwenderfreundlich.

Der seitliche Akkuschacht bietet optimalen Schutz vor Verschmutzungen und die aktive Akkukühlung sorgt für eine längere Lebensdauer der Akkus. Hohe Sicherheit durch aktives Einschalten der Maschine die wirksame, trägheitsausgelöste und elektrische Kettenbremse. Bluetooth fähig. Ist für die Nutzung mit dem Husqvarna Maschinen Flottenmanagementsystem Fleet Services™ vorbereitet. Allwetter-Einsatz (IPX4).

  • Husqvarna Connect
    Mit der intelligenten Husqvarna Connect-App haben Sie Zugriff auf Tipps, Handbücher und Empfehlungen für Ersatzteile. Die App bietet auch zusätzliche Informationen wie z. B. Laufzeit und Ladezustand sowie Wartung und Service-Bedarfe.
  • Hohe Kettengeschwindigkeit
    Hohe Kettengeschwindigkeit für schnelles, gleichmäßiges Schneiden
  • Geringer Wartungsaufwand
    Kein Benzin nachfüllen, wartungsarm und ein elektronisch gesteuertes Antriebssystem - all das reduziert Ausfallzeiten und senkt die Wartungskosten.
  • Allwetter-Einsatz (IPX4)
    Dieses akkubetriebene Husqvarna Produkt erfüllt die IPX4-Klassifizierung für Regenfestigkeit. Dies macht es zu einem langlebigen und zuverlässigen Werkzeug, das das ganze Jahr über bei allen Wetterbedingungen eingesetzt werden kann.
  • Unterbrechungsfreies Arbeiten
    Unser Akku-Zubehör gönnt Ihnen keine Pause. Damit Sie Arbeiten so schnell und effizient wie möglich erledigen können.
  • Automatische Abschaltung
    Die Maschine schaltet sich nach 3 min der Inaktivität automatisch ab. Dies verlängert nicht nur die Laufzeit des Akkus, sondern erhöht auch die Sicherheit der Maschine. Durch das Aktivieren der Kettenbremse bleibt die Maschine 30 min im Standby-Modus bevor sie abschaltet.
  • Ein-Akku-System
    Unser 36V Li-Ionen Akku wurde für eine professionelle und lang andauernde Nutzung entwickelt und kann für verschiedenste Anwendungen verwendet werden. Sie können also ein und denselben Akku für Ihre Husqvarna Akku-Motorsägen, Akku-Sensen oder Akku-Heckenschere verwenden.
  • savE Modus für maximale Laufzeit
    Wählen Sie je nach Bedingungen zwischen dem normalen oder dem savE Modus, um die maximale Leistung oder die maximale Laufzeit zu erreichen. In jedem Fall erhalten Sie immer ein perfektes Ergebnis.
  • Intuitives Bedienfeld
    Intuitives Bedienfeld für einfaches Starten und Stoppen der Maschine per Knopfdruck.
  • Verlustsichere Schienenbefestigungsmuttern
    Die Sicherungsmuttern sind im Kupplungsdeckel untegriert. Dies verhindert den Verlust der Muttern beim Ketten- und Schienenwechsel.
  • Bürstenloser Motor
    Unser intern entwickelter bürstenloser Motor liefert Ihnen 25% mehr Leistung im Vergleich zu herkömmlichen Motoren. Das beduetet für Sie: Ein gleichmäßig hoher Drehmoment.
  • Aufklappbarer Tankdeckel
    Leicht zu öffnender, aufklappbarer Öltankverschluss.
  • Trägheitsausgelöste Kettenbremse
    Bei einem Rückschlag wird die Kettenbremse durch die Trägheitsfunktion ausgelöst. Dies ermöglicht ein sehr sicheres Arbeiten.
Akku
Akku-TypLi-Ion
Akku-Leistung36 V

Kapazität
Kettengeschwindigkeit bei max. Leistung24 m/s

Schmierstoffe
ÖlpumpeEinstellbarer Durchfluss
Kapazität der Ölpumpe 9 - 19 ml/min
Öltank0,2 Liter

Lärmbelastung
Schallleistungspegel, LWA106 dB(A)
Schallleistungspegel, gemessen104 dB(A)
Schalldruckpegel am Ohr der Bedienperson95 dB(A)

Vibrationswerte
Tägliche Vibration (Aeqv)
3,7 m/s²
Tägliche Vibrationsexposition (A8)
2,5 m/s²
Tägliche Vibrationszeit (Zeitfaktor)
3,7 Stunden
Äquivalenter Vibrationswert (ahv, eq) vorderer/ hinterer Handgriff
3,6 m/s²
Vibrationswert (ahv, eq), hinterer Handgriff
3,7 m/s²

Ausstattung
SchienenaufnahmeKlein
KettentypSP21G
Stärke1,1 mm
Teilung.325" mini

Abmessungen
Länge46 cm
Breite20 cm
Höhe23,5 cm
Gewicht ohne Akku2,9 kg
Schienenlänge16" (40 cm)
Empfohlene Schienenlänge12" - 16"

Im Lieferumfang enthalten:

  • Husqvarna Akku-Motorsäge 540i XP 16"
  • Lieferung ohne Akku / Ladegerät

Akku-Ladezeiten

Die Ladezeit eines entladenen Akkus hängt von der Kapazität des Akkus und vom verwendeten Ladegerät ab. In vielen Situationen ist die Ladezeit kürzer als die Arbeitszeit. Die Tabelle auf dieser Doppelseite zeigt die ungefähren Ladezeiten für unterschiedliche Akku-Ladegerät-Kombinationen.

Auch die Betriebszeit eines voll geladenen Akkus hängt von drei Variablen ab: der Kapazität des Akkus, für welches Gerät der Akku verwendet wird und ob leichte oder anspruchsvolle Arbeiten ausgeführt werden. In der Tabelle auf der folgenden Doppelseite sind die ungefähren Betriebszeiten angegeben, die Sie von den Husqvarna Akku-Geräten in unterschiedlichen Arbeitssituationen erwarten können.

Akku

 

Ladezeit für unterschiedliche Akku-Ladegerät-Kombinationen

 LadezustandAkku
BLi10 / BLi70BLi20 / B140BLi30BLi100BLi200BLi200XBLi300BLi950X
Ladezyklen6001500
Ladegerät
QC50080 % 25 min25 min30 min30 min30 min30 min35 min1 h 40 min
100 %40 min40 min50 min50 min50 min50 min1 h2 h 20 min
QC33080 %25 min25 min45 min30 min30 min30 min55 min3 h
100 %40 min1 h 5 min50 min 50 min50 min50 min1 h 20 min3 h
QC25080 %25 min30 min1 h30 min35 min35 min1h 5 min-
100 %40 min45 min1 h 20 min50 min55 min55 min1 h 30 min-
C8080 %1 h 10 min2 h 30 min4 h 30 min1 h 30 min3 h3 h4 h 10 min-
100 %1 h 30 min2 h 35 min4 h 30 min1 h 35 min3 h 15 min3 h 15 min4 h 25 min-
QC80 / QC80F80 %50 min1 h 50 min3 h 15 min1 h 5  min2 h 25 min2h 25 min4 h-
100 %1 h 10 min2 h 10 min3 h 35 min1 h 25 min2 h 40 min2 h 40 min4 h 20 min-

 

Warum werden die Ladezeiten von 80% und 100% angegeben?

Während des Ladevorgangs wird der Akku bis 80% relativ schnell geladen. Für die letzten 20% an Kapazität wird hingegen deutlich mehr Zeit benötigt.

Das liegt daran, dass der Akku zunächst mit ansteigender Spannung bei gleichbleibendem Ladestrom geladen wird. Ab ca. 80% erfolgt kein Spannungsanstieg mehr und der Ladestrom nimmt langsam ab. Der kontinuierlich abnehmende Ladestrom schont die Zellen und erhöht deren Lebensdauer. Dadurch bleibt die Leistung des Akkus über sehr viele Ladezyklen hinweg erhalten. 

 

36V Akku-System - Arbeitszeit mit einer Ladung

AnwendungProduktbezeichnungAkku
BLi10 / B70BLi20 / B140BLi30BLi100BLi200BLi200XBLi300BLi950X
Motorsägen
Abstocken540i XP / T540i XP45 min1 h 30 min3 h1 h2 h2 h3 h 30 min12 h
Baumpflege im Baum540i XP / T540i XP1 h2 h4 h1 h 30 min3 h3 h5 h 30 min17 h 30 min
535i XP
T535i XP
Baumpflege / Entasten540i XP30 min1 h1 h 45 min40 min1 h 15 min1 h 15 min2 h 15 min7 h 30 min
340i1 h 50 min1 h 15 min8 h 15 min
330i
240i 1 h2 h     
225i30 min40 min
120i 35 min--45 min45 min-3 h
Rundholz schneiden540i XP / 535i XP15 min30 min45 min15 min30 min30 min

 

 1 h

 

3 h 30 min
340i45 min35 min35 min4 h
330i
240i 30 min  

 

 

 

 

 

 

225i40 min
Innenausbau540i XP / 535i XP1 h 15 min

2 h 30 min

 

4 h 30 min1 h 30 min3 h 3 h

 

 5 h 30 min

 

18 h 45 min
340i4 h 30 min3 h

 3 h

 

20 h 30 min

 

330i3 h
Hochentaster
Baumpflege530iPT5 / 530iP440 min1 h 30 min2 h 50 min50 min2 h2 h3 h 30 min11 h 30 min
120iTK4-P45 min1 h 35 min2 h 55 min55 min2 h 5 min2 h 5 min3 h 35 min11 h 35 min
Forstfreischneider
Bestandspflege530iPX 30 min1 h2 h40 min1 h 20 min1 h 20 min 2 h 30 min8 h 15 min
Freischneider / Motorsensen
Bestandspflege535iFR-20 min45 min-30 min30 min1 h3 h 20 min
Schwierig
Einsatz mit Gras-/Dickichtmesser
535iRXT / 535iRX15 min35 min25 min25 min45 min2 h 25 min
535iFR
535IRXT20 mi40 min30 min30 min55 min3 h
325iR / 325IRJ15 min30 min55 min20 min40 min40 min70 min2 h 50 min
Schwierig
Einsatz mit Trimmerfaden
535iRXT / 535iRX-10 min20 min-15 min15 min30 min1 h 50 min
535iFR 30 min
525iRXT15 min30 min20 min20 min40 min2 h 15 min
325iR / 325iRJ10 min20 min40 min 15 min30 min30 min50 min2 h 50 min
Motorsensen / Trimmer
Schwierig525ILXT

 -

 

15 min30 min-20 min 20 min40 min2 h 15 min
525iLK25 min25 min
520iRX / 520iLX30 min1 h1 h 50 min40 min40 min40 min1 h 15 min4 h 15 min
325iLK10 min20 min40 min15 min30 min30 min50 min2 h 50 min
325iL
Leicht525iLXT-30 min60 min

 -

 

40 min40 min1 h 15 min4 h 10 min
525iLK
520iRX / 520iLX30 min1 h1 h 50 min40 min1 h 20 min1 h 20 min2 h 15 min8 h 15 min
325iLK20  min45 min

1 h 15 min

50 min

30 min50 min50 min1 h 40 min5 h 40 min
325iL
315iC 30 min20 min35 min35 min1 h3 h 45 min
215iL30 min1 h1 h 50 min30 min1 h 15 min1 h 15 min2 h 20 min 
110iL1 h
Heckenscheren 
Schwierig520iHD60 / 520iHD70

25 min

 

50 min1 h 20 min30 min1 h1 h1 h 45 min6 h
522iHDR6045 min1 h 25 min1 h 50min
522iHD60 / 522iHD7530 min55 min1 h 40 min35 min1 h 10 min1 h 10 min2 h 5 min7 h
520iHT4

25 min

 

50 min1 h 20 min30 min1 h1 h1 h 45 min6 h
520iHE3
Leicht520iHD60 / 520iHD7050 min1 h 30 min3 h1 h2 h2 h3 h 45 min12 h 30 min
522iHDR602 h 55 min1 h3 h 35 min

12 h

 

522iHD60 / 522iHD75
520iHT43 h1 h2 h2 h3 h 45 min12 h 30 min
520iHE3
322iHD6040 min1 h 20 min 55 min1 h 50 min1 h 50 min  
215iHD4545 min1 h 30 min1 h2 h2 h-7 h 30 min
120iTK4-H60 min2 h      
Rasenmäher
MähenLC 551iV 10 min- 15 min 30 min1 h 40 min
LC 553iV-20 min35 min1 h 50 min
LB 548i15 min25 min1 h 55 min
LB 448i20 min35 min45 min-
LB 442i25 min50 min35 min55 min
LC 353iVX / LC 353iV15 min30 min20 min35 min
LC 347iVX40 min
LC 347iV
LC 247i20 min40 min25 min45 min
LB 146i25 min50 min30 min1 h
LB 144i25 min50 min30 min1 h
LC 142iS30 min1 h40 min1 h 10 min
LC 142i35 min1 h 5 min45 min1 h 15 min
LC 137i30 min1 h1 h 55 min40 min1 h 15 min2 h 15 min
Vertikutierer
VertikutierenS 138i-25 min50 min-30 min 1h 

Husqvarna Logo

Husqvarna

Der schwedische Hersteller Husqvarna bietet Ihnen Motorgeräte für die Forst-, Garten- sowie Landschaftspflege. Bereits 1689 begann die Unternehmensgeschichte, damals noch mit der Herstellung von Musketen. Somit profitiert das Unternehmen von mehr als 325 Jahre langer Erfahrung – und somit auch seine Kunden.

Die Zufriedenheit der Kunden ist dem international bekannten Unternehmen besonders wichtig. Daher arbeitet Husqvarna eng mit dem Anwender zusammen, auch nach dem Kauf steht das Unternehmen seinen Käufern mit Rat und Tat zur Seite. Sie können sich bei den Husqvarna Produkten daher auf eine kompromisslose Qualität, Benutzerfreundlichkeit sowie Spitzenleistung verlassen.
 

Garantie

Als unser Kunde genießen Sie auch nach dem Kauf Ihres Husqvarna-Produkts zahlreiche Vorteile! Im Garantiefall sind wir Ihr erster Ansprechpartner und werden Ihnen gerne weiterhelfen. Wir verfügen über eine eigene Hersteller-Werkstatt, sind qualifiziert und berechtigt, im Garantiefall alle nötigen Reparaturen an Ihrem Husqvarna-Gerät durchzuführen.

Das bedeutet für Sie: Sie können sich jederzeit an uns wenden, als Ihr Händler bei dem Sie die Ware gekauft haben sind wir stets die erste Adresse. Selbstverständlich steht es Ihnen jedoch frei, sich an jeden anderen autorisierten Husqvarna-Händler zu wenden.

Gegen Vorlegen Ihres Kaufbeleges (inklusive ausgefüllter Garantiekarte) aus unserem Shop können Sie wohnortnah - in ganz Europa, in der Schweiz und in Großbritannien - Ihr registriertes Produkt zur Garantieüberprüfung vorlegen. Der lokale Husqvarna Servicehändler wird im Garantiefall defekte Teile ausschließlich durch original Husqvarna-Ersatzteile und Zubehör ersetzen. 

 

Husqvarna Händler mit Onlineshop 

Ausschließlich autorisierte, qualifizierte Händler dürfen Husqvarna Produkte verkaufen. So erhalten Sie als Kunde fachgerechte Auskunft zu Ihren Fragen. Wir sind ein autorisierter Husqvarna Fachhändler mit eigener Werkstatt. Vor jeder Auslieferung werden die Geräte entsprechend der Herstellervorgaben geprüft.

 

Stationärer Handel:
Kömpf Baumarkt GmbH
Leibnizstr. 2
75365 Calw

 

Husqvarna Geräte

Husqvarna AB
Regeringsgatan 28
11153 Stockholm
Schweden
verkauf@husqvarna.de
Verantwortliche Person:
Husqvarna Deutschland GmbH
Hans-Lorenser-Strasse 40
89079 Ulm
Deutschland
verkauf@husqvarna.de

Husqvarna Kettenhaftöl, mineralischZubehörbild
Husqvarna Kettenhaftöl, mineralisch
Das Husqvarna Kettenhaftöl mineralisch mit Additiven für Hochleistungsmotorsägen garantiert geringen Verschleiß von Ketten und Schienen. Das Kettenhaftöl ist für den universellen, ganzjährigen Einsatz geeignet.
21,07 CHF inkl. 8,1% MwSt.
Inhalt: 5 l (4,21 CHF/l)
Husqvarna FeilensetZubehörbild
Husqvarna Feilenset
Komplettes Kit, bestehend aus Feilengriff, Kombilehre oder einer Feillehre und einer Tiefenbegrenzerlehre, zwei Rundfeilen und einer Flachfeile.
36,25 CHF inkl. 8,1% MwSt.
Husqvarna FeillehrenZubehörbild
Husqvarna Feillehren
Die speziell entwickelte Feillehren von Husqvarna werden zusammen mit unseren Rundfeilen zur Kontrolle der richtigen Feilwinkel benutzt.
13,46 CHF inkl. 8,1% MwSt.
Husqvarna Kette für Akku-MotorsägenZubehörbild
Husqvarna Kette für Akku-Motorsägen
  • Für alle Motorsägen
  • Ideal für Gartenbesitzer
  • Niedrige Vibrationswerte
16,73 CHF inkl. 8,1% MwSt.
Husqvarna Schiene für Akku-MotorsägenZubehörbild
Husqvarna Schiene für Akku-Motorsägen
  • Für alle Motorsägen
  • Vermindertes Rückschlagrisiko
  • Optimale Schnittkontrolle
-43% UVP 36,16 CHF
20,46 CHF inkl. 8,1% MwSt.
Husqvarna SicherheitsseilZubehörbild
Husqvarna Sicherheitsseil
Das elastische Sicherheitsseil von Husqvarna wird zusammen mit einem Motorsägenhaken zur Befestigung der Motorsäge an einen Gürtel benutzt.
36,46 CHF inkl. 8,1% MwSt.
Husqvarna WenderiemenZubehörbild
Husqvarna Wenderiemen
Der Husqvarna Wenderiemen ist geeignet zum Freilegen oder Drehen verkanteter Stämme. Der Wenderiemen ist auch als Trageriemen für Kanister geeignet.
33,33 CHF inkl. 8,1% MwSt.
Husqvarna MotorsägentascheZubehörbild
Husqvarna Motorsägentasche
Die Husqvarna Motorsägentasche ist mit Spezialtaschen für die Motorsägenfeilen ausgestattet. Die Tasche eignet sich für alle Husqvarna Motorsägen.
52,20 CHF inkl. 8,1% MwSt.

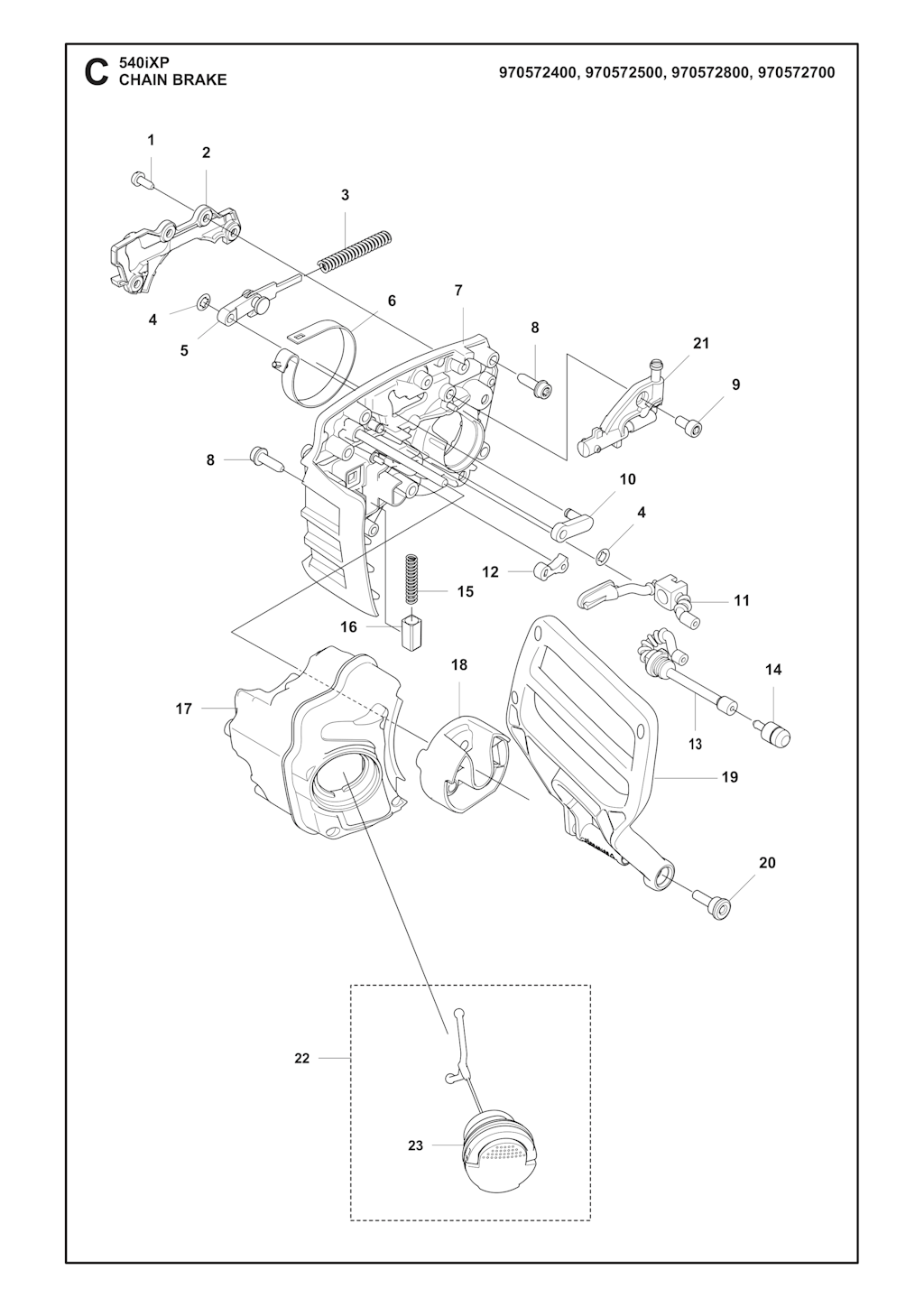
45 von insgesamt 45 eingezeichneten Ersatzteilen in Explosionszeichnung Nr. 1

1
Husqvarna 525 75 51-05 - Schraube ITXSCFM
1x
1,30 CHF
1
Husqvarna 526 22 18-01 - Schraube CITXPANT
4x
5,08 CHF
1
Husqvarna 526 22 18-01 - Schraube CITXPANT
4x
5,08 CHF
3
Husqvarna 594 03 52-01 - Kettenritzel .325 /1,1 mm 7T
1x
12,74 CHF
3
Husqvarna 590 08 77-01 - Kettenrad
1x
12,74 CHF
3
Husqvarna 579 53 45-01 - Kettenrad 1/4" - 8T
1x
14,55 CHF
4
Husqvarna 573 92 58-01 - Schraube MT5 x 16
2x
5,08 CHF
5
Husqvarna 577 28 66-01 - Spike
1x
7,60 CHF
5
Husqvarna 525 75 51-05 - Schraube ITXSCFM
3x
1,30 CHF
6
Husqvarna 585 59 03-01 - Bremsband
1x
8,48 CHF
6
Husqvarna 585 59 03-01 - Bremsband
1x
8,48 CHF
7
Husqvarna 505 28 85-01 - Kettenfänger
1x
6,05 CHF
7
Husqvarna 580 29 29-01 - Screw
2x
5,08 CHF
7
Husqvarna 580 29 29-01 - Screw
2x
5,08 CHF
7
Husqvarna 588 85 03-01 - Bolzen
2x
3,98 CHF
8
Husqvarna 573 92 58-01 - Schraube MT5 x 16
6x
5,08 CHF
8
Husqvarna 573 92 58-01 - Schraube MT5 x 16
6x
5,08 CHF
8
Husqvarna 537 39 70-01 - SCHRAUBE
1x
9,88 CHF
9
Husqvarna 525 75 51-07 - Schraube
5x
5,08 CHF
9
Husqvarna 525 75 51-07 - Schraube
5x
5,08 CHF
9
Husqvarna 525 82 49-04 - Schraube ITXSCM M5X10 T27 12.9 T
1x
5,08 CHF
9
Husqvarna 525 82 49-04 - Schraube ITXSCM M5X10 T27 12.9 T
1x
5,08 CHF
9
Husqvarna 740 48 07-02 - O-RING
1x
3,49 CHF
10
Husqvarna 577 99 66-01 - Ausdrückknopf HUS
1x
2,72 CHF
11
Husqvarna 505 21 45-01 - Abdeckung
1x
4,80 CHF
12
Husqvarna 585 48 00-01 - Feder
1x
2,61 CHF
12
Husqvarna 526 22 18-01 - Schraube CITXPANT
2x
5,08 CHF
12
Husqvarna 505 20 12-01 - Sperre
1x
3,40 CHF
12
Husqvarna 505 20 12-01 - Sperre
1x
3,40 CHF
13
Husqvarna 595 83 40-01 - Gashebel
1x
7,15 CHF
13
Husqvarna Seitendeckelschraube C
1x
3,49 CHF
14
Husqvarna 503 96 75-01 - SIEB
1x
7,86 CHF
14
Husqvarna 503 96 75-01 - SIEB
1x
7,86 CHF
15
Husqvarna 503 43 65-01 - FEDER
1x
2,77 CHF
15
Husqvarna 503 43 65-01 - FEDER
1x
2,77 CHF
16
Husqvarna 537 21 07-01 - FUEHRUNG
1x
2,36 CHF
16
Husqvarna 537 21 07-01 - FUEHRUNG
1x
2,36 CHF
19
Husqvarna 580 29 29-01 - Screw
10x
5,08 CHF
20
Husqvarna 525 79 81-03 - Schraube
2x
0,63 CHF
21
Husqvarna 544 18 01-03 - OELPUMPE KPL.
1x
61,06 CHF
21
Husqvarna 544 18 01-03 - OELPUMPE KPL.
1x
61,06 CHF
22
Husqvarna 522 62 00-01 - Tankdeckel kpl.
1x
8,64 CHF
22
Husqvarna 522 62 00-01 - Tankdeckel kpl.
1x
8,64 CHF
23
Husqvarna 589 24 11-01 - Dichtung
1x
4,98 CHF
23
Husqvarna 589 24 11-01 - Dichtung
1x
4,98 CHF

Produktbewertungen unserer Kunden
Unsere Bewertungen sind zu 100% echt.
Bewertungen von Kunden, die ihre Ware nicht bei uns gekauft haben, werden entsprechend gekennzeichnet.
Bewertungen mit diesem Symbol stammen von verifizierten Käufern!
Zu diesem Produkt gibt es noch keine Kundenbewertungen.
Sie können die erste Person sein, die zu diesem Produkt eine Bewertung schreibt.

Sie können der erste Kunde sein, der zu diesem Produkt eine Frage stellt. Wir freuen uns auf Ihre Frage.

Wenn Sie Fragen zu Ihrer Bestellung oder zur Verfügbarkeit des Artikels haben, schreib Sie uns über das Kontaktformular.