koempf24_ch Logo
Unsere Seite verwendet Cookies und ähnliche Technologien, um die Benutzererfahrung auf unserer Website zu verbessern, Inhalte und Anzeigen zu personalisieren und die Nutzung unserer Website zu analysieren. Mit Ihrer Einwilligung stimmen Sie der Verwendung von Cookies sowie der Verarbeitung Ihrer persönlichen Daten zu, um Ihnen ein bestmögliches Surferlebnis und mehr Funktionen zu bieten.

Sie können Ihre Einwilligung jederzeit in den Cookie-Einstellungen anpassen oder widerrufen.
Experten-Beratung Lassen Sie sich von unseren Experten über das Kontaktformular beraten.
Artikelnummer: 2884332
Hier finden Sie bereits beantwortete Fragen zu diesem Produkt oder können Ihre eigene Frage stellen.
Zu den Produktfragen
Hier können Sie unsere qualifizierten Fachberater zur Planung Ihrer Bestellung kontaktieren.
Zum Kontaktformular
Hier erhalten Sie allgemeine Informationen zum Bestellprozess, der Lieferung, der Zahlung und mehr.
Zum FAQ
Hier können Sie Feedback zu dieser Seite abgeben oder unerwartete Inhalte und Auffälligkeiten melden.

Metabo TS 250

Metabo TS 250

Ersatzteilseite für Metabo TS 250


diese Artikelnummern sind zu dem Produkt bekannt:
  • 0102502000 10
  • 0102502000 11
  • 0102502000 12
  • Ersatzteilseite
Aktuell nicht lieferbar

Wir informieren Sie sofort per Mail, sobald der Artikel wieder an unserem Lager eingetroffen ist. Einfach Ihre E-Mail-Adresse angeben und schon gehören Sie zu den Ersten, die diesen Artikel bestellen können.

Andere Produkte der Kategorie Metabo Ersatzteilzeichnungen
Artikel-Nr.: 2884332
  • Deutschlands bester Händler
  • Trusted Shops Käuferschutz
  • Rechnungskauf
  • Montageservice

Metabowerke GmbH
Metabo-Allee 1
72622 Nürtingen
Deutschland
product-complianc@metabo.com

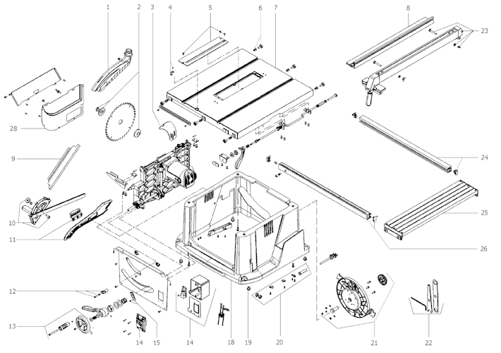
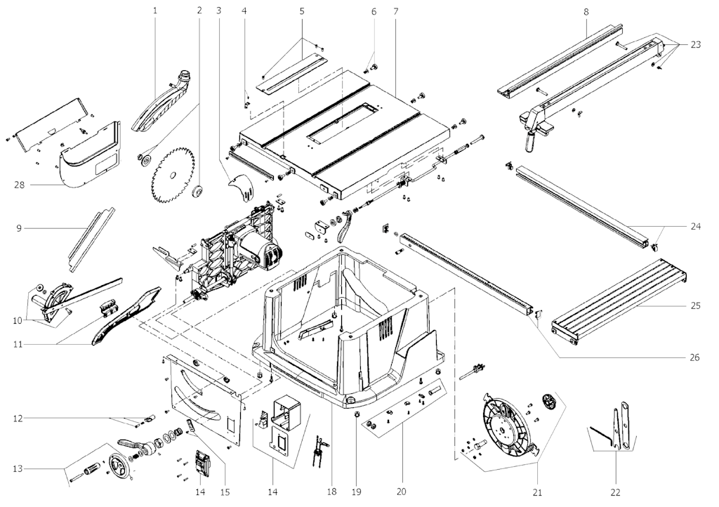
7 von insgesamt 7 eingezeichneten Ersatzteilen in Explosionszeichnung Nr. 1

1
Metabo Schutzhaube vollst. (316052430)
1x
20,70 CHF
5
Metabo TISCHEINLAGE TS 250 (1010706706)
1x
101,27 CHF
14
Metabo SCHALTER M.BLENDE DH 330 (1011712599)
1x
91,95 CHF
16
Metabo UEBERLASTUNGSSCHUTZ (8116706793)
1x
20,47 CHF
23
Metabo PARALLELANSCHLAG KPL. TS 250 (1010706668)
1x
154,00 CHF
32
Metabo MOTOR KPL. TS 250/2,00 KW (1010707141)
1x
389,69 CHF
34
Metabo KOHLEBUERSTEN-SET TS 250 (1010707133)
1x
30,92 CHF

Produktbewertungen unserer Kunden
Unsere Bewertungen sind zu 100% echt.
Bewertungen von Kunden, die ihre Ware nicht bei uns gekauft haben, werden entsprechend gekennzeichnet.
Bewertungen mit diesem Symbol stammen von verifizierten Käufern!
Zu diesem Produkt gibt es noch keine Kundenbewertungen.
Sie können die erste Person sein, die zu diesem Produkt eine Bewertung schreibt.

Sie können der erste Kunde sein, der zu diesem Produkt eine Frage stellt. Wir freuen uns auf Ihre Frage.

Wenn Sie Fragen zu Ihrer Bestellung oder zur Verfügbarkeit des Artikels haben, schreib Sie uns über das Kontaktformular.