koempf24_ch Logo
Unsere Seite verwendet Cookies und ähnliche Technologien, um die Benutzererfahrung auf unserer Website zu verbessern, Inhalte und Anzeigen zu personalisieren und die Nutzung unserer Website zu analysieren. Mit Ihrer Einwilligung stimmen Sie der Verwendung von Cookies sowie der Verarbeitung Ihrer persönlichen Daten zu, um Ihnen ein bestmögliches Surferlebnis und mehr Funktionen zu bieten.

Sie können Ihre Einwilligung jederzeit in den Cookie-Einstellungen anpassen oder widerrufen.
Experten-Beratung Lassen Sie sich von unseren Experten beraten und schließen Sie Ihre Bestellung telefonisch ab.
Artikelnummer: 2884080
Hier finden Sie bereits beantwortete Fragen zu diesem Produkt oder können Ihre eigene Frage stellen.
Zu den Produktfragen
Hier können Sie unsere qualifizierten Fachberater zur Planung Ihrer Bestellung kontaktieren.
Zum Kontaktformular
Hier erhalten Sie allgemeine Informationen zum Bestellprozess, der Lieferung, der Zahlung und mehr.
Zum FAQ
Hier können Sie Feedback zu dieser Seite abgeben oder unerwartete Inhalte und Auffälligkeiten melden.

Metabo MEGA 600 D

Metabo MEGA 600 D

  • Ersatzteilseite
Aktuell nicht lieferbar

Wir informieren Sie sofort per Mail, sobald der Artikel wieder an unserem Lager eingetroffen ist. Einfach Ihre E-Mail-Adresse angeben und schon gehören Sie zu den Ersten, die diesen Artikel bestellen können.

Andere Produkte der Kategorie Metabo Ersatzteilzeichnungen
Artikel-Nr.: 2884080
  • Deutschlands bester Händler
  • Trusted Shops Käuferschutz
  • Rechnungskauf
  • Montageservice

Metabowerke GmbH
Metabo-Allee 1
72622 Nürtingen
Deutschland
product-complianc@metabo.com

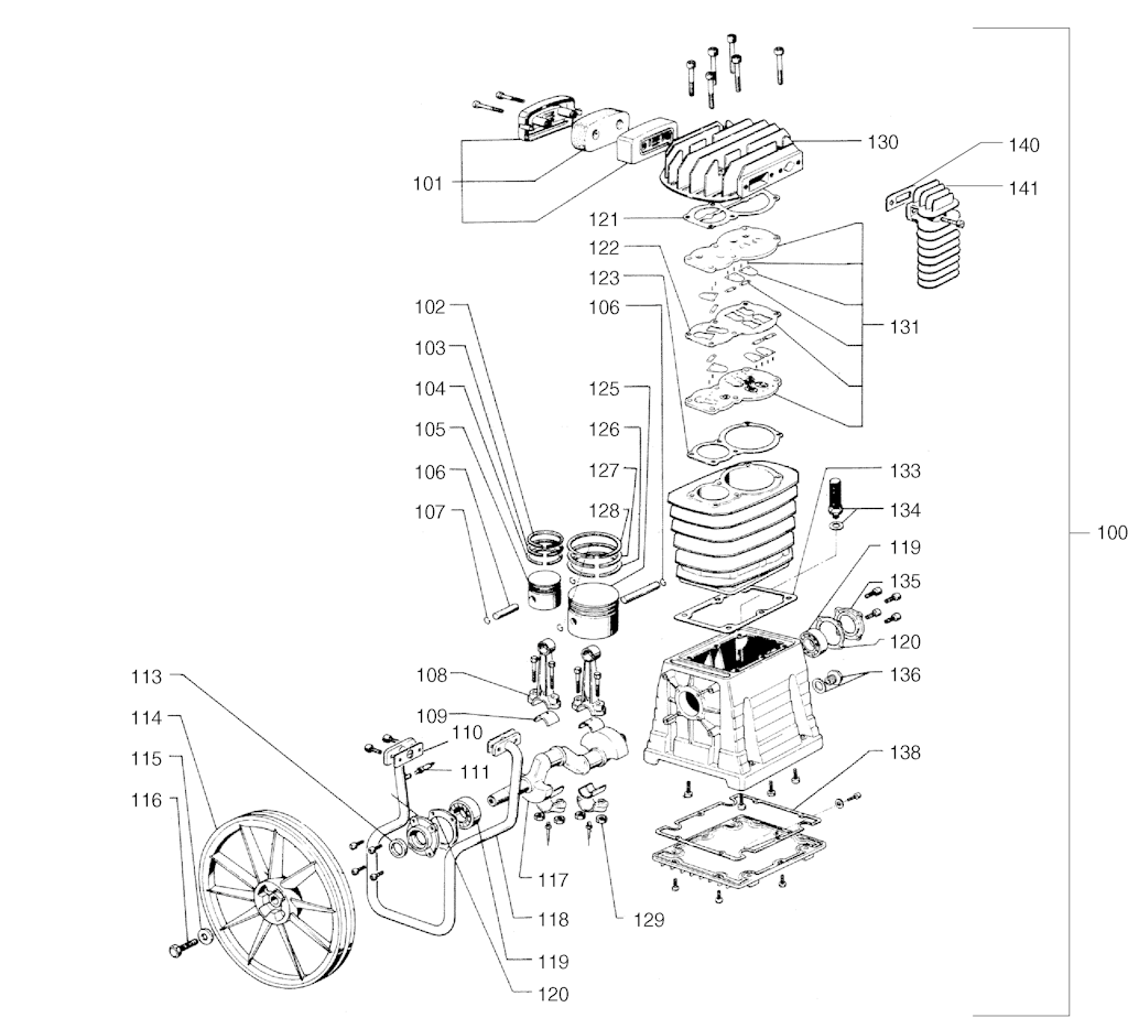
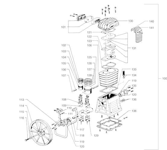
33 von insgesamt 33 eingezeichneten Ersatzteilen in Explosionszeichnung Nr. 1

1
Metabo Scheibe (141150050)
14x
3,00 CHF
2
Metabo Sechskantschraube (6103005270)
2x
3,00 CHF
4
Metabo Sechskantmutter selbstsichernd (141132030)
8x
3,00 CHF
9
Metabo Sechskantmutter selbstsichernd (6202024139)
2x
3,00 CHF
10
Metabo SCHEIBE (6305002508)
2x
3,00 CHF
12
Metabo Scheibe (6300016705)
2x
3,00 CHF
19
Metabo Schnellanschlusskupplung Euro 1/2" AG
1x
8,03 CHF
21
Metabo Sechskantschraube M10X40 (141124500)
4x
3,00 CHF
30
Metabo Linsenblechschraube (6172001830)
2x
3,00 CHF
44
Metabo Kunststoffschlauch, vollst. (316061030)
1x
33,00 CHF
46
Metabo ZYLINDERSCHRAUBE M. I-6KT M10X35 (6127056666)
4x
3,31 CHF
48
Metabo FLANSCHMUTTER M 10 (6209675984)
8x
3,00 CHF
49
Metabo Sechskantmutter m.Klemmt. (141130650)
2x
3,31 CHF
49
Metabo Sechskantmutter m.Klemmt. (141130930)
4x
3,00 CHF
50
Metabo Scheibe (141150020)
2x
3,00 CHF
51
Metabo WINKELVERSCHRAUBUNG (7872190850)
2x
22,83 CHF
52
Metabo Flanschmutter M8 (6209110995)
2x
3,00 CHF
53
Metabo KUNSTSTOFFSCHLAUCH (7851675935)
1x
19,95 CHF
54
Metabo Linsenkopfschraube m.Flansch (6143661561)
13x
3,00 CHF
57
Metabo Sechskantschraube (6103001127)
2x
3,00 CHF
57
Metabo ZYLINDERSCHRAUBE (6121121296)
4x
3,00 CHF
59
Metabo SICHERHEITSVENTIL R 1/4" / 11 BAR (7833009618)
1x
74,11 CHF
65
Metabo KEILRIEMENSCHEIBE (7240663982)
1x
73,54 CHF
67
Metabo Sechskantschr. (141114860)
2x
3,31 CHF
68
Metabo Scheibe (141151340)
2x
3,00 CHF
105
Metabo KOLBEN HD RD 50 (1319163790)
1x
134,83 CHF
106
Metabo KOLBENBOLZEN RD 18X42 (1315163915)
1x
40,80 CHF
107
Metabo SICHERUNGSRING FUER BOHRUNGEN 18X1 (6401627209)
4x
6,38 CHF
109
Metabo Lagerschale B 4900 (1319157057)
4x
26,92 CHF
114
Metabo Luefterrad RD 350 (1319678391)
1x
273,41 CHF
115
Metabo SCHEIBE 8,5X30X5 (1315166400)
1x
14,40 CHF
116
Metabo Zylinderschraube (6121000839)
1x
11,70 CHF
129
Metabo Sechskantmutter selbstsichernd (6202002305)
4x
3,00 CHF

Produktbewertungen unserer Kunden
Unsere Bewertungen sind zu 100% echt.
Bewertungen von Kunden, die ihre Ware nicht bei uns gekauft haben, werden entsprechend gekennzeichnet.
Bewertungen mit diesem Symbol stammen von verifizierten Käufern!
Zu diesem Produkt gibt es noch keine Kundenbewertungen.
Sie können die erste Person sein, die zu diesem Produkt eine Bewertung schreibt.

Sie können der erste Kunde sein, der zu diesem Produkt eine Frage stellt. Wir freuen uns auf Ihre Frage.

Wenn Sie Fragen zu Ihrer Bestellung oder zur Verfügbarkeit des Artikels haben, schreib Sie uns über das Kontaktformular.