koempf24_ch Logo
Unsere Seite verwendet Cookies und ähnliche Technologien, um die Benutzererfahrung auf unserer Website zu verbessern, Inhalte und Anzeigen zu personalisieren und die Nutzung unserer Website zu analysieren. Mit Ihrer Einwilligung stimmen Sie der Verwendung von Cookies sowie der Verarbeitung Ihrer persönlichen Daten zu, um Ihnen ein bestmögliches Surferlebnis und mehr Funktionen zu bieten.

Sie können Ihre Einwilligung jederzeit in den Cookie-Einstellungen anpassen oder widerrufen.
Experten-Beratung Lassen Sie sich von unseren Experten über das Kontaktformular beraten.
Artikelnummer: 2884387
Hier finden Sie bereits beantwortete Fragen zu diesem Produkt oder können Ihre eigene Frage stellen.
Zu den Produktfragen
Hier können Sie unsere qualifizierten Fachberater zur Planung Ihrer Bestellung kontaktieren.
Zum Kontaktformular
Hier erhalten Sie allgemeine Informationen zum Bestellprozess, der Lieferung, der Zahlung und mehr.
Zum FAQ
Hier können Sie Feedback zu dieser Seite abgeben oder unerwartete Inhalte und Auffälligkeiten melden.

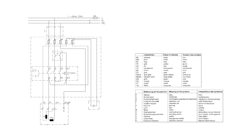
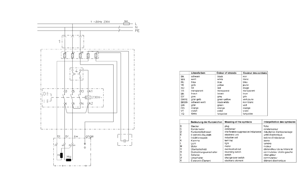
Metabo KGT 501

Metabo KGT 501

Ersatzteilseite für Metabo KGT 501


diese Artikelnummern sind zu dem Produkt bekannt:
  • 0102505018 10
  • 0102505018 11
  • 0102505018 12
  • 0102505018 13
  • Ersatzteilseite
Aktueller Preis 99.999,99 CHF
5€ Rabatt bei Newsletter-Anmeldung -
- 5,00 CHF
Sie sparen 5,00 CHF
Neuer Preis 99.994,99 CHF
Aktuell nicht lieferbar

Wir informieren Sie sofort per Mail, sobald der Artikel wieder an unserem Lager eingetroffen ist. Einfach Ihre E-Mail-Adresse angeben und schon gehören Sie zu den Ersten, die diesen Artikel bestellen können.

Andere Produkte der Kategorie Metabo Ersatzteilzeichnungen
Artikel-Nr.: 2884387
  • Deutschlands bester Händler
  • Trusted Shops Käuferschutz
  • Rechnungskauf
  • Montageservice

Metabowerke GmbH
Metabo-Allee 1
72622 Nürtingen
Deutschland
product-complianc@metabo.com

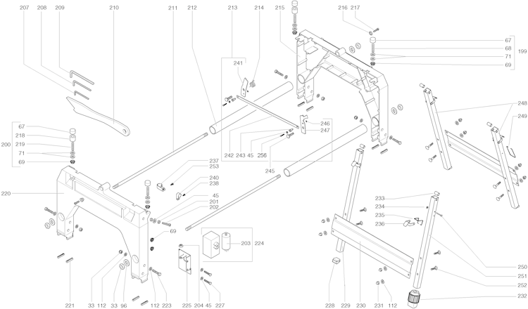
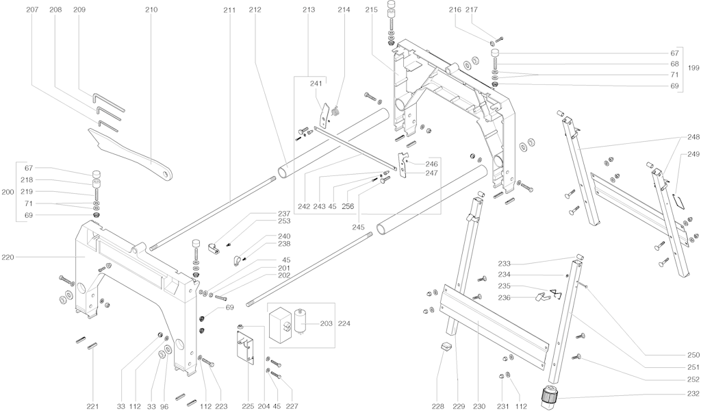
105 von insgesamt 105 eingezeichneten Ersatzteilen in Explosionszeichnung Nr. 1

1
Metabo KGT-Motor mit Schalter und Bremse (1010693213)
1x
333,94 CHF
2
Metabo SECHSKANTMUTTER FLACH M8 (6205029131)
4x
3,00 CHF
3
Metabo Faecherscheibe A8,4 (6304001745)
1x
3,00 CHF
4
Metabo Kondensator 20uF/400V (8050033539)
1x
27,43 CHF
10
Metabo LINSENBLECHSCHRAUBE M.KRZSZ ST 4,2X32 (6172006963)
2x
1,99 CHF
12
Metabo Passfeder (6721059322)
1x
3,00 CHF
14
Metabo Scheibe (6300016705)
2x
3,00 CHF
19
Metabo Verschlussstopfen (1381120070)
1x
3,00 CHF
23
Metabo Rillenkugellager (7100010164)
1x
17,99 CHF
26
Metabo Scheibe (6300019984)
1x
3,00 CHF
27
Metabo SECHSKANTMUTTER FLACH (6205088367)
1x
3,00 CHF
28
Metabo Sechskantschraube (6103001127)
2x
3,00 CHF
30
Metabo Klemmhebel (7006028220)
1x
22,83 CHF
33
Metabo Sechskantmutter selbstsichernd (6202002305)
15x
3,00 CHF
34
Metabo Tellerfeder (7053016795)
1x
3,00 CHF
36
Metabo Linsenblechschraube (6172028215)
2x
3,00 CHF
37
Metabo Scheibe (141150110)
2x
3,00 CHF
42
Metabo Scheibe (141156740)
2x
3,00 CHF
43
Metabo Gewindestift (6161029309)
2x
3,00 CHF
46
Metabo Absaugstutzen (1381212013)
1x
37,00 CHF
47
Metabo Linsenblechschraube (141116840)
1x
3,00 CHF
48
Metabo KAPPACHSE (1385209408)
1x
49,36 CHF
52
Metabo SECHSKANTMUTTER SELBSTSICHERND (6202128341)
1x
3,00 CHF
61
Metabo Spannstift (6503001681)
2x
3,00 CHF
63
Metabo Druckfeder (7051202931)
2x
11,70 CHF
64
Metabo Gewindestift (6163121261)
1x
3,00 CHF
66
Metabo SECHSKANTMUTTER FLACH (6205028046)
3x
3,00 CHF
67
Metabo Schwingmetall (7058028481)
5x
6,01 CHF
69
Metabo Flanschmutter M6 (6209114230)
9x
3,00 CHF
70
Metabo Sechskantschraube (6103121416)
4x
3,00 CHF
71
Metabo Scheibe (141150130)
12x
3,00 CHF
77
Metabo BUNDSCHRAUBE (1485209480)
2x
4,52 CHF
82
Metabo Zylinderschraube (141113890)
1x
3,31 CHF
87
Metabo PASSSCHEIBE 8X14X1 (6306017266)
3x
3,00 CHF
92
Metabo Distanzhuelse (1485412910)
1x
3,31 CHF
93
Metabo Fluegelmutter (7005135529)
1x
3,31 CHF
95
Metabo Klemmhebel ROT (7006072385)
1x
11,70 CHF
96
Metabo Scheibe (141150810)
4x
3,00 CHF
99
Metabo Scheibe (141150010)
6x
3,00 CHF
100
Metabo Linsenblechschraube M.KRZSZ ST 4,2X9,5 (141124470)
10x
3,00 CHF
100
Metabo Linsenblechschraube (6172001791)
10x
3,00 CHF
104
Metabo Scheibe (6305052335)
2x
3,00 CHF
105
Metabo Linsenblechschraube (6172091014)
2x
3,00 CHF
106
Metabo Zylinderschraube (141113710)
2x
3,31 CHF
107
Metabo Scheibe (141150020)
5x
3,00 CHF
109
Metabo Anschlag links,KGT 501 (1384680271)
1x
22,83 CHF
110
Metabo Anschlag-Rechts KGT 501 (1384680280)
1x
22,83 CHF
112
Metabo Scheibe (141151340)
15x
3,00 CHF
114
Metabo Schutzhaube vollst. (316052430)
1x
20,70 CHF
122
Metabo Senkschraube (6132175169)
16x
3,00 CHF
125
Metabo RIEGEL ABDECKHAUBE (1485208921)
1x
19,95 CHF
128
Metabo Blindniet 4x8 F (6621010474)
3x
3,00 CHF
129
Metabo Vorsatzprofil KGT/TKHS 570mm (1383158458)
1x
57,55 CHF
130
Metabo Winkel,KGT 501 (1383680260)
1x
49,36 CHF
131
Metabo Flachrundschraube (6110031325)
2x
3,00 CHF
132
Metabo Klemmstueck (1382680053)
1x
74,11 CHF
133
Metabo Starlock RD 10 (7016050711)
1x
3,00 CHF
134
Metabo Klemmexzenter (2390205484)
1x
14,40 CHF
135
Metabo Klemmblech,BL 1X26X91,5 (1392205620)
1x
3,31 CHF
136
Metabo BOLZEN MIT KOPF (6632111175)
1x
4,52 CHF
137
Metabo Senkschraube (6132087995)
2x
3,00 CHF
138
Metabo RAENDELMUTTER HOCH (6241125058)
3x
3,31 CHF
139
Metabo Sechskantmutter m.Klemmt. (141130650)
2x
3,31 CHF
140
Metabo Parallelanschlag,KGT501/TKHS (1010680243)
1x
139,04 CHF
141
Metabo Zylinderschr. (141117000)
1x
4,52 CHF
163
Metabo Buchse,KGT 501 (1381679728)
2x
14,40 CHF
164
Metabo PENDELSCHUTZHAUBE KGT501 TEIL 1 (1380678671)
1x
82,70 CHF
165
Metabo RUECKHOLFEDER (7051679711)
2x
6,01 CHF
166
Metabo Zylinderstift (6502132685)
1x
3,00 CHF
167
Metabo Seilstift Stift (1395203130)
2x
7,40 CHF
168
Metabo Feindrahtseil RD 1,258X73 +1,6 (7238679707)
2x
8,96 CHF
171
Metabo LAGERSCHRAUBE (1395200611)
1x
6,01 CHF
172
Metabo Scheibe (141150050)
1x
3,00 CHF
179
Metabo Senkblechschraube (6174155800)
2x
3,00 CHF
180
Metabo Passscheibe (6306121349)
1x
4,52 CHF
186
Metabo DRUCKFLANSCH (1485212147)
1x
57,55 CHF
187
Metabo Zylinderschraube (6121000839)
1x
11,70 CHF
188
Metabo Flansch (1485212139)
1x
33,00 CHF
189
Metabo Sicherungsring (141180170)
1x
3,00 CHF
191
Metabo Flachkopfschraube (6125121282)
6x
4,52 CHF
193
Metabo Einsteckpuffer (2391203906)
1x
3,00 CHF
196
Metabo 6kt.Blechschraube (141122680)
1x
3,00 CHF
201
Metabo Sechskantmutter (141130100)
2x
3,00 CHF
202
Metabo Zylinderschraube (6127059207)
1x
3,00 CHF
204
Metabo Flanschmutter M8 (6209110995)
1x
3,00 CHF
207
Metabo STIFTSCHLUESSEL (9102017894)
1x
3,00 CHF
209
Metabo STIFTSCHLUESSEL (9102043577)
1x
6,01 CHF
210
Metabo Schiebestock (Kunststoff) (343433180)
1x
7,40 CHF
217
Metabo Zylinderschr. (141114060)
2x
3,31 CHF
219
Metabo Gewindestift (6162148646)
2x
3,31 CHF
222
Metabo Sechskantmutter selbstsichernd (6202024139)
4x
3,00 CHF
223
Metabo Sechskantschraube (6102045619)
4x
3,00 CHF
224
Metabo SCHALTER M.KABEL+KONDENS. (1010213300)
1x
248,56 CHF
226
Metabo Linsenblechschraube (6186602763)
3x
3,00 CHF
227
Metabo Sechskantschr. (141113290)
2x
3,00 CHF
228
Metabo Lamellenstopfen (1391059264)
3x
3,00 CHF
231
Metabo HUTMUTTER SELBSTSICHERND (6208073395)
8x
3,00 CHF
232
Metabo FUSSGRUPPE VERSTELLBAR (2010200787)
1x
27,43 CHF
234
Metabo Starlock (7016122305)
4x
3,00 CHF
237
Metabo BEFESTIGUNGSSCHELLE (1381655616)
1x
4,52 CHF
238
Metabo Linsenblechschraube (6172001830)
1x
3,00 CHF
239
Metabo BEFESTIGUNGSSCHELLE (8242051328)
2x
4,52 CHF
249
Metabo SICHERUNGSBUEGEL KGT 501 (1382680185)
1x
4,52 CHF
252
Metabo Flachrundschraube (6110059297)
8x
3,00 CHF
256
Metabo Zylinderschr. (141121940)
1x
3,31 CHF

Produktbewertungen unserer Kunden
Unsere Bewertungen sind zu 100% echt.
Bewertungen von Kunden, die ihre Ware nicht bei uns gekauft haben, werden entsprechend gekennzeichnet.
Bewertungen mit diesem Symbol stammen von verifizierten Käufern!
Zu diesem Produkt gibt es noch keine Kundenbewertungen.
Sie können die erste Person sein, die zu diesem Produkt eine Bewertung schreibt.

Sie können der erste Kunde sein, der zu diesem Produkt eine Frage stellt. Wir freuen uns auf Ihre Frage.

Wenn Sie Fragen zu Ihrer Bestellung oder zur Verfügbarkeit des Artikels haben, schreiben Sie uns bitte über das Kontaktformular.