koempf24_ch Logo
Unsere Seite verwendet Cookies und ähnliche Technologien, um die Benutzererfahrung auf unserer Website zu verbessern, Inhalte und Anzeigen zu personalisieren und die Nutzung unserer Website zu analysieren. Mit Ihrer Einwilligung stimmen Sie der Verwendung von Cookies sowie der Verarbeitung Ihrer persönlichen Daten zu, um Ihnen ein bestmögliches Surferlebnis und mehr Funktionen zu bieten.

Sie können Ihre Einwilligung jederzeit in den Cookie-Einstellungen anpassen oder widerrufen.
Experten-Beratung Lassen Sie sich von unseren Experten über das Kontaktformular beraten.
Artikelnummer: 2884318
Hier finden Sie bereits beantwortete Fragen zu diesem Produkt oder können Ihre eigene Frage stellen.
Zu den Produktfragen
Hier können Sie unsere qualifizierten Fachberater zur Planung Ihrer Bestellung kontaktieren.
Zum Kontaktformular
Hier erhalten Sie allgemeine Informationen zum Bestellprozess, der Lieferung, der Zahlung und mehr.
Zum FAQ
Hier können Sie Feedback zu dieser Seite abgeben oder unerwartete Inhalte und Auffälligkeiten melden.

Metabo KGS 216 M

Metabo KGS 216 M

Ersatzteilseite für Metabo KGS 216 M


diese Artikelnummern sind zu dem Produkt bekannt:
  • 0102160418 10
  • Ersatzteilseite
Aktuell nicht lieferbar

Wir informieren Sie sofort per Mail, sobald der Artikel wieder an unserem Lager eingetroffen ist. Einfach Ihre E-Mail-Adresse angeben und schon gehören Sie zu den Ersten, die diesen Artikel bestellen können.

Andere Produkte der Kategorie Metabo Ersatzteilzeichnungen
Artikel-Nr.: 2884318
  • Deutschlands bester Händler
  • Trusted Shops Käuferschutz
  • Rechnungskauf
  • Montageservice
  • Verlängerte Rückgabefrist

Metabowerke GmbH
Metabo-Allee 1
72622 Nürtingen
Deutschland
product-complianc@metabo.com

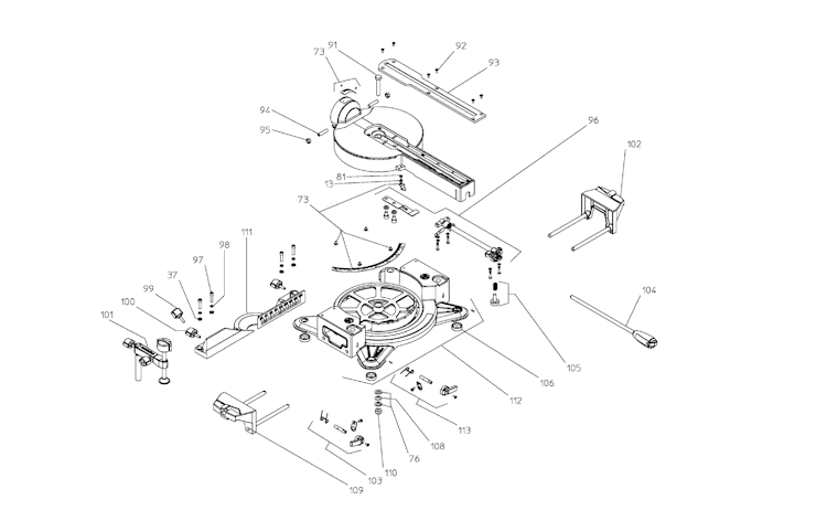
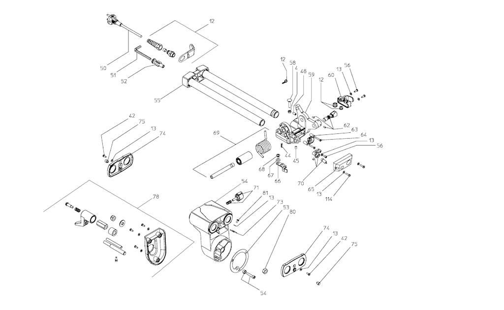
63 von insgesamt 63 eingezeichneten Ersatzteilen in Explosionszeichnung Nr. 1

3
Metabo Schwenkhebel vollst. (1010734130)
1x
15,53 CHF
4
Metabo Sechskantmutter (141130100)
2x
3,00 CHF
5
Metabo Gewindestift M.IS+KEGELK. M 6X20 (141124480)
1x
3,00 CHF
6
Metabo Tiefenanschlag vollst. (1010734564)
1x
3,00 CHF
10
Metabo Schutzhaube vollst. (1010734580)
1x
74,11 CHF
12
Metabo Zugentlastung vollst. (1010734165)
1x
7,40 CHF
13
Metabo Scheibe (141150010)
29x
3,00 CHF
16
Metabo Tragegriff vollst. (1010734190)
1x
5,86 CHF
17
Metabo Schalter Set (1010734203)
1x
7,40 CHF
18
Metabo Netzteil (8106734071)
1x
15,53 CHF
20
Metabo Kondensator (8050734103)
1x
3,00 CHF
21
Metabo Griff vollst. (1010734173)
1x
33,00 CHF
22
Metabo Kohlebuerstenhalter vollst. (1010733983)
2x
3,31 CHF
23
Metabo Kohlebuersten 1 Paar (2Stck) (1388734023)
1x
4,52 CHF
24
Metabo LINSENBLECHSCHRAUBE M.KRZSZ (6172015687)
2x
3,00 CHF
27
Metabo Scheibe (141150020)
4x
3,00 CHF
29
Metabo Gummibuchse (7057734846)
1x
1,99 CHF
31
Metabo Stator (8014734059)
1x
57,55 CHF
32
Metabo Senkblechschraube m.Krzsz (6174001900)
2x
3,00 CHF
34
Metabo Rotor (8014734890)
1x
65,96 CHF
35
Metabo Spindelarretierung vollst. (1010734815)
1x
3,00 CHF
42
Metabo LINSENSCHRAUBE M.KREUZSCHLITZ (141124560)
6x
3,00 CHF
44
Metabo Spannstift (141161150)
2x
4,30 CHF
45
Metabo Gewindestift m.IS+Kegelk. M 6x 8 (141124510)
2x
3,00 CHF
46
Metabo LINSENBLECHSCHRAUBE M.KRZSZ ST 4,2X32 (6172006963)
2x
1,99 CHF
48
Metabo Gewindestift M 5X12 (341701070)
1x
10,36 CHF
51
Metabo STIFTSCHLUESSEL M.KREUZSCHLITZ (9102689833)
1x
8,96 CHF
52
Metabo Werkzeugaufnahme (1381734834)
1x
4,67 CHF
54
Metabo Kipparm vollst. (1010734424)
1x
57,55 CHF
55
Metabo Zugstange vollst. (1010734513)
1x
67,18 CHF
56
Metabo Linsenschraube (141113040)
3x
3,00 CHF
58
Metabo Sechskantschr. (141110290)
1x
3,31 CHF
59
Metabo Kapparm vollst. (1010734491)
1x
37,00 CHF
60
Metabo Kabelaufwickelhilfe (1381734710)
1x
3,00 CHF
62
Metabo Transportarretierung vollst. (1010734530)
1x
3,00 CHF
64
Metabo LINSENSCHRAUBE M.KREUZSCHLITZ M 4X20 (6123084703)
2x
3,00 CHF
65
Metabo Abdeckung Beleuchtung (1381734974)
1x
3,00 CHF
67
Metabo Federscheibe (141150750)
1x
3,00 CHF
68
Metabo FLACHRUNDSCHRAUBE M.4KT-ANSATZ M 8X16 (6110000632)
1x
3,00 CHF
69
Metabo Kappachse vollst. (1010734661)
1x
18,19 CHF
71
Metabo Fluegelschraube vollst. (1010734742)
1x
3,00 CHF
74
Metabo Abdeckung Kipparm v+h (1010734440)
1x
3,31 CHF
75
Metabo Einsteckpuffer (7056734753)
2x
3,00 CHF
76
Metabo Scheibe (141150050)
3x
3,00 CHF
80
Metabo Sechskantmutter (141130130)
1x
3,31 CHF
81
Metabo Linsenschraube m.Kreuzschlitz M 4x8 (6143025088)
4x
5,15 CHF
90
Metabo Drehtisch vollst. (1010734386)
1x
91,95 CHF
91
Metabo Sechskantschr. (141113440)
1x
3,31 CHF
92
Metabo Senkschraube (141112180)
6x
3,00 CHF
94
Metabo Gewindestift M.IS+KEGELK. (141124460)
2x
3,00 CHF
95
Metabo Sechskantmutter (141131010)
2x
3,00 CHF
97
Metabo Zylinderschraube (141113890)
4x
3,31 CHF
98
Metabo Faecherscheibe (141150410)
4x
3,31 CHF
100
Metabo Fluegelschraube schwarz (341112750)
2x
1,99 CHF
102
Metabo Tischverbreiterung rechts (1010734319)
1x
37,00 CHF
105
Metabo Justierschraube vollst. (1010734912)
1x
3,00 CHF
108
Metabo Federscheibe (141150390)
1x
3,00 CHF
109
Metabo Tischverbreiterung links (1010734289)
1x
41,19 CHF
110
Metabo Sechskantmutter selbstsichernd (141132030)
2x
3,00 CHF
111
Metabo Anschlag vollst. (1010734980)
1x
37,00 CHF
112
Metabo Tisch vollst. (1010734254)
1x
101,27 CHF
113
Metabo Feststellhebel vollst. rechts (1010734343)
1x
3,31 CHF
114
Metabo Linsenschraube (141113200)
2x
3,00 CHF

Produktbewertungen unserer Kunden
Unsere Bewertungen sind zu 100% echt.
Bewertungen von Kunden, die ihre Ware nicht bei uns gekauft haben, werden entsprechend gekennzeichnet.
Bewertungen mit diesem Symbol stammen von verifizierten Käufern!
Zu diesem Produkt gibt es noch keine Kundenbewertungen.
Sie können die erste Person sein, die zu diesem Produkt eine Bewertung schreibt.

Sie können der erste Kunde sein, der zu diesem Produkt eine Frage stellt. Wir freuen uns auf Ihre Frage.

Wenn Sie Fragen zu Ihrer Bestellung oder zur Verfügbarkeit des Artikels haben, schreib Sie uns über das Kontaktformular.